收藏 分销(赏)

山西省六层住宅工程造价实例分析.doc

上传人:二*** 文档编号:4640176 上传时间:2024-10-08 格式:DOC 页数:6 大小:160.54KB 下载积分:5 金币
下载 相关 举报
山西省六层住宅工程造价实例分析.doc_第1页
第1页 / 共6页
本文档共6页,全文阅读请下载到手机保存,查看更方便
资源描述
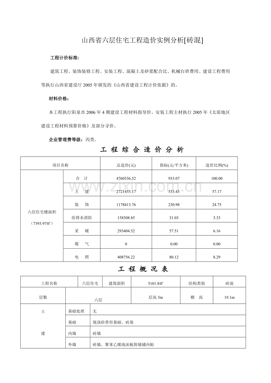
山西省六层住宅工程造价实例分析[砖混] 工程计价标准: 建筑工程、装饰装修工程、安装工程、混凝土及砂浆配合比、机械台班费用、建设工程费用等执行山西省建设厅2005年颁发的《山西省建设工程计价依据》的。 材料价格: 本工程执行阳泉市2006年4期建设工程材料指导价,安装工程主材执行2005年《太原地区建设工程材料预算价格》及部分寻价。 企业管理费等级:丙类。 工 程 综 合 造 价 分 析 项目名称 总造价(元) 指标(元/平方米) 造价比例(%) 六层住宅楼面积(7393.97㎡) 合 计 4760336.52 933.07 100.00 土 建 2721453.17 533.43 57.17 装 饰 1178413.76 230.98 24.75 给排水消防 158308.85 31.03 3.33 采 暖 293404.52 57.51 6.16 煤 气 0 0.00 0.00 电 照 408756.22 80.12 8.29 工 程 概 况 表 工程名称 六层住宅 建筑面积 5101.8㎡ 结构类别 砖混 层数 六层 层高3m 檐 高 19.1m 土   建   工   程 基础处理 无 基础 现浇砼带形基础、砖基 内墙 砖墙 外墙 砖墙、聚苯乙烯泡沫板附墙铺内贴 柱 钢筋砼构造柱 梁 钢筋砼梁连续梁、圈梁、过梁 板 钢筋砼平板 金属结构   楼地面 细石砼找平层、无筋砼垫层 楼地面 水泥砂浆、全瓷地面砖 屋面 聚氨脂防水、屋面现浇水泥珍珠岩保温,聚苯乙烯塑料板隔热、SBS改性沥青防水卷材屋面 门窗 胶合板门、塑钢窗、部分双玻璃钢窗、阳台封闭为塑钢窗 天棚装饰 水泥砂浆 内装饰  瓷砖、仿瓷涂料 外装饰 JH801涂料 其它   安 装 部 分 给排水 镀锌钢管、焊接钢管、承插塑料水管(VPVC)阀门、洗面盆、坐式大便器、洗涤盆、低位水箱、地漏、水表 采暖 焊接钢管、塑料水管、热量表、阀门、铸铁散热器、压力表、温度计 电气 铜芯缆线、暗配阻燃管、普通灯具、成套灯具、配电箱、电视电话线及接线箱 煤气   建筑安装工程每平方米所含各类费用分析 项 目 合计 土建 装饰 给排水 采暖 电照 煤气 合计(元/㎡) 933.06 533.43 230.98 31.03 57.51 80.12 0.00 直 接 工 程 费 人工费 110.92 50.41 40.46 3.11 6.36 10.58 0.00 材料费 351.83 201.73 130.49 4.69 5.72 9.20 0.00 机械费 14.23 9.50 3.11 0.05 0.62 0.95 0.00 定额外主材 77.93     14.34 29.26 34.33 0.00 组织措施费 25.77 13.53 7.54 0.73 1.49 2.48 0.00 技术措施费 95.45 94.55 0.00 0.16 0.32 0.42 0.00 间 接 费 规费 60.85 31.76 15.60 2.09 4.28 7.12 0.00 企业管理费 56.01 32.06 12.18 2.81 3.43 5.52 0.00 利 润 61.32 34.68 13.61 2.02 4.13 6.88 0.00 材料差价及其他 47.99 47.62 0.37 0.00 0.00 0.00 0.00 税 金 30.77 17.59 7.62 1.02 1.90 2.64 0.00 建筑安装工程分项造价所含各类费用比例分析 项 目 土建  装饰 给排水 采暖 电照 煤气 合计(%) 100.00  100.00 100.00 100.00 100.00 0 直 接 工 程 费 人工费 9.45 17.52 10.02 11.06 13.20 0 材料费 37.82 56.49 15.12 9.95 11.48 0 机械费 1.78 1.35 0.16 1.08 1.19 0 定额外主材 0.00 0.00 46.22 50.88 42.85 0 组织措施费 2.54 3.26 2.35 2.59 3.10 0 技术措施费 17.73 0.00 0.50 0.55 0.53 0   规费 5.95 6.75 6.75 7.44 8.89 0 企业管理费 6.01 5.28 9.07 5.97 6.89 0 利 润 6.50 5.89 6.52 7.19 8.58 0 材料差价及其他 8.93 0.16 0.00 0.00 0.00 0 税 金 3.30 3.30 3.30 3.30 3.30 0 建筑安装工程造价所含各类费用比例分析 项 目 合计 土建  装饰 给排水 采暖 电照 煤气 合计(%) 100.00 57.17 24.75 3.33 6.16 8.59 0 直接工程费 人工费 11.89 5.40 4.34 0.33 0.68 1.13 0 材料费 37.71 21.62 13.99 0.50 0.61 0.99 0 机械费 1.53 1.02 0.33 0.01 0.07 0.10 0 定额外主材 8.35 0.00 0.00 1.54 3.14 3.68 0 组织措施费 2.76 1.45 0.81 0.08 0.16 0.27 0 技术措施费 10.23 10.13 0.00 0.02 0.03 0.05 0   规费 6.52 3.40 1.67 0.22 0.46 0.76 0 企业管理费 6.00 3.44 1.31 0.30 0.37 0.59 0   利 润 6.57 3.72 1.46 0.22 0.44 0.74 0   材料差价及其他 5.14 5.10 0.04 0.00 0.00 0.00 0   税 金 3.30 1.89 0.82 0.11 0.20 0.28 0 安装工程直接费分析 费用名称 工程名称 合计 人工费 材料费 机械费 主材费 采 暖 预算值(元) 214095.13 32456.53 29210.25 3152.47 149275.88 指标(元/㎡) 41.96 6.36 5.72 0.62 29.26 比例(%) 100.00 15.16 13.64 1.47 69.72 给排水 预算值(元) 113217.59 15873.29 23920.72 256.01 73167.57 指标(元/㎡) 22.19 3.11 4.69 0.05 14.34 比例(%) 100.00 14.02 21.13 0.23 64.63 电 照 预算值(元) 280885.23 53964.68 46932.74 4851.89 175135.92 指标(元/㎡) 55.06 10.58 9.20 0.95 34.33 比例(%) 100.00 19.21 16.71 1.73 62.35   预算值(元) 0 0 0 0 0 指标(元/㎡) 0 0 0 0 0 比例(%)  0  0  0  0  0 安装工程主要材料分析 工程名称 材料名称 数量 百平方米用量 采 暖 工 程 镀锌钢管(米) 1292.18  25.33 塑料给水管(米) 2541.02 49.84 阀 门(个) 575.00  11.27 暖气片(片) 3133.00  61.41 给排水 工 程 镀锌钢管(米) 0.00  0.00 阀 门(个) 244.00  4.78 塑料給水管(米) 1091.00  21.38 塑料排水管(米) 806.64  15.81 水 表(个) 60.00  1.18       电 照 工 程 焊接钢管(米) 2206.64  43.25 阻燃管(米) 5984.00  117.29 缆线材(米) 23486.42  460.36 灯 具(盏) 2715.00  53.22 开 关(个) 428.00  8.39 插 座(个) 821.00  16.09 配电箱(台) 90.00  1.76 煤 气 工 程 焊接钢管(米)     阀 门(个)     煤气表(台)     消 防 工 程                   建筑工程造价分部工程直接费 及百平方米主要工程量、主要材料分析 分部工程直接费分析 百平方平主要工程量分析 百平米主要材料分析 分部名称 预算价值(元) 经济指标元/平米 所占比例(%) 分部名称 主要工程量 材料名称 主要材料 合计 2222829.18 435.70 100.00 土石方(m3) 21.11 钢筋(㎏) 2444.60 土石方工程 6596.93 1.29 0.30 基础(m3) 7.67 型钢(㎏)   垫 层 92148.19 18.06 4.15 砖墙(m3) 14.21 管材(㎏)  0.66 砌体工程 284198.88 55.71 12.79 砌块墙(m3)  21.23 钢板(㎏)  0.00 砼、钢筋砼工程 732339.85 143.55 32.95 砼墙(m3) 0.00 铁件(㎏) 26.21 构件运输及安装   0.00 0.00 砼柱(m3) 4.82 板方材(m3) 0.30 门窗工程 354324.26 69.45 15.94 砼圈梁(m3) 2.04 锯材(m3) 1.00 屋面及防水工程 101078.49 19.81 4.55 砼梁(m3) 1.68 玻璃(㎡) 0.83 防腐保温工程 120785.14 23.68 5.43 砼平板(m3) 11.20 木龙骨(m3) 0.00 楼地面工程 213616.47 41.87 9.61 楼梯(m2) 4.30 石油沥青(㎏) 0.00 金属结构工程 0.00 0.00 0.00 阳台雨蓬(m2) 0.51 水泥(t) 7.79 墙及天棚装饰工程 285545.46 55.97 12.85 栏板、挑檐(m3) 0.61 砖(千块) 21.45 刷漆喷涂工程 32195.51 6.31 1.45 门(㎡) 19.45 碎石(m3) 28.37  其它工程   0.00 0.00 窗(㎡) 17.72 砂(m3) 29.08 技术措施费 楼地面(㎡) 77.11 水(m3) 67.72 合 计 482356.40 94.55 100.00 屋面(㎡) 15.54 电(度)   垂直运输 64146.96 12.57 13.30 内装饰(㎡) 270.77 汽油(㎏) 169.31 超高增加费 0 0.00 0.00 外装饰(㎡) 71.46 柴油(㎏) 57.86 砼、钢筋砼模板 238962.01 46.84 49.54 天棚(㎡) 77.06 生石灰(t) 1.01 脚手架费 158451.32 31.06 32.85 钢模板(㎡) 201.57 商品砼(m3   大型机械进出场及安拆费 20796.11 4.08 4.31 木模板(㎡) 2.61
展开阅读全文

开通  VIP会员、SVIP会员  优惠大
下载10份以上建议开通VIP会员
下载20份以上建议开通SVIP会员


开通VIP      成为共赢上传

当前位置:首页 > 环境建筑 > 工程造价

移动网页_全站_页脚广告1

关于我们      便捷服务       自信AI       AI导航        抽奖活动

©2010-2026 宁波自信网络信息技术有限公司  版权所有

客服电话:0574-28810668  投诉电话:18658249818

gongan.png浙公网安备33021202000488号   

icp.png浙ICP备2021020529号-1  |  浙B2-20240490  

关注我们 :微信公众号    抖音    微博    LOFTER 

客服