收藏 分销(赏)

实木地板面层工程检验批质量验收记录表模板.doc

上传人:人****来 文档编号:4589749 上传时间:2024-09-30 格式:DOC 页数:3 大小:49KB 下载积分:5 金币
下载 相关 举报
实木地板面层工程检验批质量验收记录表模板.doc_第1页
第1页 / 共3页
实木地板面层工程检验批质量验收记录表模板.doc_第2页
第2页 / 共3页


点击查看更多>>
资源描述
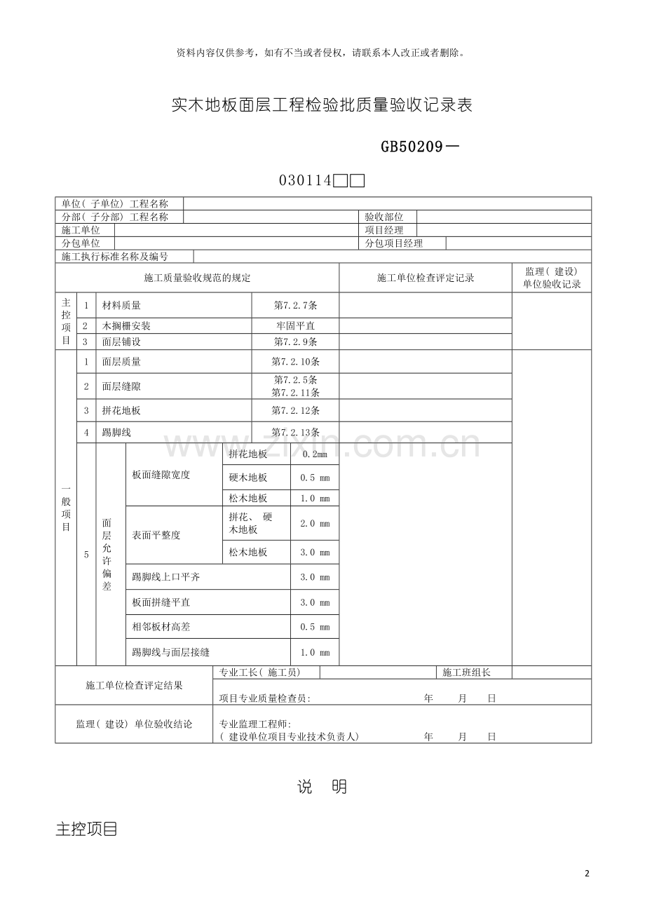
实木地板面层工程检验批质量验收记录表 3 资料内容仅供参考,如有不当或者侵权,请联系本人改正或者删除。 实木地板面层工程检验批质量验收记录表 GB50209— 030114□□ 单位( 子单位) 工程名称 分部( 子分部) 工程名称 验收部位 施工单位 项目经理 分包单位 分包项目经理 施工执行标准名称及编号 施工质量验收规范的规定 施工单位检查评定记录 监理( 建设) 单位验收记录 主控项目 1 材料质量 第7.2.7条 2 木搁栅安装 牢固平直 3 面层铺设 第7.2.9条 一 般项目 1 面层质量 第7.2.10条 2 面层缝隙 第7.2.5条 第7.2.11条 3 拼花地板 第7.2.12条 4 踢脚线 第7.2.13条 5 面层允许偏差 板面缝隙宽度 拼花地板 0.2mm 硬木地板 0.5 mm 松木地板 1.0 mm 表面平整度 拼花、 硬 木地板 2.0 mm 松木地板 3.0 mm 踢脚线上口平齐 3.0 mm 板面拼缝平直 3.0 mm 相邻板材高差 0.5 mm 踢脚线与面层接缝 1.0 mm 施工单位检查评定结果 专业工长( 施工员) 施工班组长 项目专业质量检查员: 年 月 日 监理( 建设) 单位验收结论 专业监理工程师: ( 建设单位项目专业技术负责人) 年 月 日 说 明 主控项目 1、 实木地板面层所采用的材质和铺设时的木材含水率必须符合设计要求。木搁栅、 垫木和毛地板等必须做防腐、 防蛀处理。同时应符合第7.1.2条规定。观察检查和检查材质合格证明书文件及检测报告。 2、 木搁栅安装应牢固、 平直。同时应符合第7.1.3条、 第7.1.4条、 第7.2.3条、 第7.2.4条规定。观察、 脚踩检查。 3、 面层铺设应牢固; 粘结无空鼓。观察、 脚踩或用小锤轻击检查。 一般项目 1、 实木地板面层应刨平、 磨光, 无明显刨痕和毛刺等现象; 图案清晰、 颜色均匀一致。观察、 手摸和脚踩检查。 2、 面层缝隙应严密; 接头位置应错开、 表面洁净。同时应符合第7.2.5条规定。 观察检查。 3、 拼花地板接缝应对齐, 粘、 钉严密; 缝隙宽度均匀一致; 表面洁净; 胶粘无溢胶。观察检查。 4、 踢脚线表面应光滑, 接缝严密, 高度一致。观察和尺量检查。 5、 用钢尺检查缝隙宽度允许偏差; 2m靠尺和楔形塞尺检查表面平整度的允许偏差; 拉5m通线用钢尺检查平齐和平直度允许偏差; 用钢尺和楔形塞尺检查相邻板材高差允许偏差; 用楔形塞尺检查接缝允许偏差。
展开阅读全文

开通  VIP会员、SVIP会员  优惠大
下载10份以上建议开通VIP会员
下载20份以上建议开通SVIP会员


开通VIP      成为共赢上传

当前位置:首页 > 包罗万象 > 大杂烩

移动网页_全站_页脚广告1

关于我们      便捷服务       自信AI       AI导航        抽奖活动

©2010-2026 宁波自信网络信息技术有限公司  版权所有

客服电话:0574-28810668  投诉电话:18658249818

gongan.png浙公网安备33021202000488号   

icp.png浙ICP备2021020529号-1  |  浙B2-20240490  

关注我们 :微信公众号    抖音    微博    LOFTER 

客服