收藏 分销(赏)

北园路立交桥A、H匝道箱梁支架的设计与施工.pdf

上传人:e****n 文档编号:44500 上传时间:2021-06-03 格式:PDF 页数:4 大小:242.94KB 下载积分:1 金币
下载 相关 举报
北园路立交桥A、H匝道箱梁支架的设计与施工.pdf_第1页
第1页 / 共4页
北园路立交桥A、H匝道箱梁支架的设计与施工.pdf_第2页
第2页 / 共4页


点击查看更多>>
资源描述
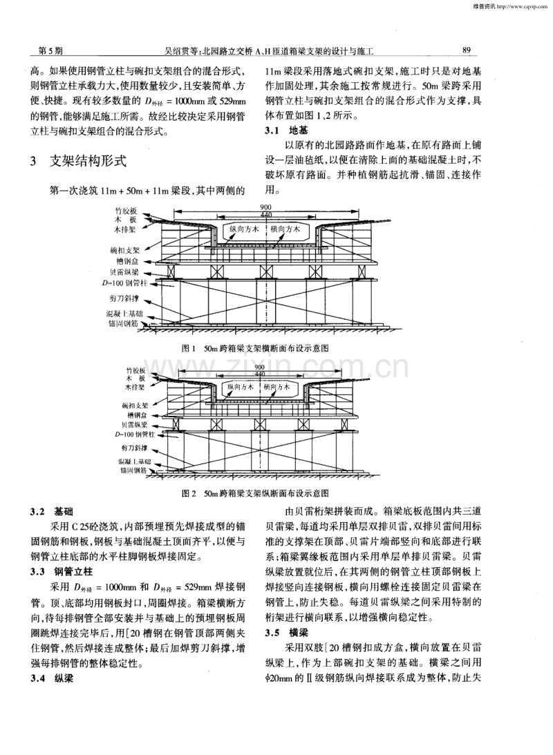
第 2 0卷第 5 期 山 东 建 筑 工 程 学 院 学 报 V 0 1 . 2 o N 0 . 5 2 0 0 5年 1 2月 J O U R N A L O F S H A N D O N G I J I s s O F ! 至 三 』 ! 垦 ! : ! 堕 文章编号: 1 0 0 3 —5 9 9 0 ( 2 0 0 5 ) 0 5—0 0 8 8— 0 4 北园路立交桥 A、 H匝道箱梁支架的设计与施工 吴绍贯 , 闫宗伟 , 李美玲 , 任瑞波 ( 1 . 山东省路桥集团有限公司, 山东 济南 2 5 0 0 3 2 ; 2 . 山东建筑工程学院 土木工程学院, 山东 济南 2 5 0 0 1 4 ) 摘要: 北园路互通立交桥 A、 H匝道横跨北园路, 其上部构造是 由3 3 m+5 0 m+3 3 m箱梁三跨一联组成, 施工难度较 大, 本文主要介绍了这两座匝道桥箱梁施工所需支架的设计和施工。 关键词: 预应力砼箱梁; 方案 比选 ; 支架设计; 支架施工 中图分类号: U 4 4 8 . 1 文献标识码: B T h e d e s i g n a n d c o n s t r u c t i o n o f A a n d H r a mp ’ S b o x g i r d e r t r e s t l e a t b e i y u a n — r o a d i n t e r c h a n g e WU S h a o — g u a n 。 ,YAN Zo n g — we i , U Me i — l i n g 2, e t a l + ( 1 . S h a n d o n g L u q i a o G r o u p C o r p . , J i n a n 2 5 0 0 3 2 , C h i n a ; 2 . S c h o o l o f C iv i l E n g i n e e r i n g , S h a n d o n g U I 1 i V e r s i t y o f A r c h i t e c tu r e a n d E n g i n e e fi n g , J i n a n 2 5 0 0 1 4 , C h i n a ) Ab s t r a c t : A a n d H r a mp o f B e i y u a n - R o a d i n t e r c h a n g e g o a C / O S S B e i y u an — Ro a d.T h e s u p e r s t r u c t u r e i s ma d e o f t h r e e - s p an b o x g i r d e r s w h i c h s p an i s 3 3 .5 0 and 3 3 me t r e r e s p e c t i v e l y.I t ’ s d i ff i c u l t t o c o n s t r u c t .Th e d e s i g n and c o n s t r u c t i o n o f t r e s t l e o f t h e t w o r a m p s ’ b o x girde r c o n s t r u c t i o n a r e m a i n l y i n t r o d u c e d . Ke y wo r d s : p r e s t r e s s e d c o n c f e t e ;s c h e me s e l e c t i o n;t r e s tl e d e s i gn ;t r e s t l e c o n s t r u c t i o n 1 工程概况 北园互通立交桥是济南市顺河高架路北延工 程( 至北绕城高速公路) 第四、 五合同段上跨越济南 市北 园路的一座互通式立交桥 。按城市立交标准设 计, 其第四合同段 A、 H匝道跨越北园路 的上部箱 梁, 设计为 3 3 m+ 5 0 m+3 3 m三跨一联的预应力砼现 浇连续箱梁, 顶宽 9 . O m , 底宽 4 . 4 m; 梁高由跨中的 1 . 4 m变为支点处的2 . 6 m 。三跨一联纵向分两次浇 筑, 第一次浇 J l m+ 5 0 m+l 1 m梁段; 第二次浇筑剩 余的两个2 2 m长梁段。 因A、 H匝道上跨北园路一跨( A I 3 #一1 4 #墩、 I3 2 3 ~ 2 4 墩) 跨径大( 为 5 0 rn ) 、 有平弯、 纵、 横向 坡度, 且北园路是济南市天桥区的一条东西交通主 干道, 车流量很大, 无法封闭施工。故对于这种跨径 较大、 有纵 、 横坡的平弯桥, 在道路交通不受影响、 确 保桥下车辆安全 、 畅通 而又无法封 闭施工 的情况下 进行施工, 采用何种形式的支架, 将是整个箱梁施工 的关键。 2 方案 比选 箱梁的支架初步选用万能杆件或万能杆件与碗 扣支架组合的混合形式, 其优点是: 刚度大; 整体性 好; 承载力大。但制约因素: 一是万能杆件用量大, 而 目 前能租到的数量较少; 二是能够拼装万能杆件的有 经验的现有施工人员较少; 三是使用万能杆件成本较 收稿 日期 : 2 0 0 5—0 6一l 0 作者简介: 吴绍贯( 1 9 6 9 一) , 男, 山东f临 沭人, 山东省路桥集团有限公司工程师, 从事路桥施工 维普资讯 第 5期 吴绍贯等: 北园路立交桥 A、 H匝道箱梁支架的设计与施工 8 9 高。如果使用钢管立柱与碗扣支架组合的混合形式, 则钢管立柱承载力大, 使用数量较少, 且安装简单、 方 便、 快捷。现有较多数量的 D 外 径=1 0 0 ( h n m或 5 2 9 m m 的钢管, 能够满足施工所需。故经比较决定采用钢管 立柱与碗扣支架组合的混合形式。 3 支架结构形式 第一次浇筑 1 l m+ 5 0 m+l l m梁段, 其中两侧的 1 l m梁段采用落地式碗扣 支架 , 施工时 只是对地基 作加固处理, 其余施工按常规进行。5 0 m梁跨采用 钢管立柱与碗扣支架组合的混合形式作为支撑, 具 体布置如图 l 、 2 所示。 3 . 1 地基 以原有的北园路路面作地基, 在原有路面上铺 设一层油毡纸, 以便在清除上面的基础混凝土时, 不 破坏原有路面。并种植钢筋起抗滑、 锚固、 连接作 用。 图 1 5 0 m跨箱梁支架横断面布设示意图 图2 5 0 m跨箱梁支架纵断面布设示意图 3 . 2基础 采用 C 2 5 砼浇筑, 内部预埋预先焊接成型的锚 固钢筋和钢板, 钢板与基础混凝土顶面齐平, 以便与 钢管立柱底部的水平柱脚钢板焊接固定。 3 . 3 钢管立柱 采用 D 外 径=1 0 0 0 ra m和 D 外 耗=5 2 9 m m焊接钢 管。顶、 底部均用钢板封口, 周圈焊接。箱梁横断方 向, 待每排钢管全部安装并与基础上的预埋钢板周 圈跳焊连接完毕后, 用[ 2 0槽钢在钢管顶部两侧夹 住钢管, 然后焊接连成整体; 最后加焊剪刀斜撑, 增 强每排钢管的整体稳定性。 3 . 4 纵梁 由贝雷桁架拼装而成。箱梁底板范 围内共三道 贝雷梁, 每道均采用单层双排贝雷, 双排贝雷间用标 准的支撑架在顶部 、 贝雷片端部竖向和底部进行联 系; 箱梁翼缘板范围内采用单层单排贝雷梁。贝雷 纵梁放置就位后 , 在其两侧的钢管立柱顶部钢板上 焊接竖向连接钢板, 横向用螺栓连接固定贝雷梁在 钢管上, 防止失稳。每道贝雷纵梁之间采用特制的 桁架进行横向联系, 以增强横向稳定性。 3 . 5 横梁 采用双肢[ 2 0槽钢扣成方盒, 横向放置在贝雷 纵梁上 , 作 为上部 碗扣 支 架 的基础 。横 梁之 间用 b 2 0 m m的Ⅱ级钢筋纵向焊接联系成为整体, 防止失 维普资讯 山 东 建 筑 工 程 学 院 学 报 2 1 3 0 5钲 稳 。横梁的纵向间距根据碗扣支架立杆的纵 向间距 确定。 3 . 6 碗扣支架 采用碗扣式多功能脚手架 ( WD J ) 。碗扣 支架立 杆的横向步距经计算确定后采用。取每根立杆允许 承受的荷载最大为 3 t 来计算。因箱梁线型为平弯 曲线, 故碗扣支架的搭设是从两端墩柱处开始向中 间进行。搭设时形成的三角形区域, 应套插碗扣支 架予以补充, 并使三角形与主区域连成整体。 3 . 7 模板构造 外模采用侧包底的构造形式。底模构造 : 下铺 横向方木, 纵向间距为立杆的纵向间距; 上铺纵向方 木, 横向间距为 2 0 e m ; 上铺竹胶板作面板。侧模、 翼 板模构造: 横肋采用 L 型木排架, 纵向间距 3 0 e m 。 4 受力计算 4 . 1 碗扣支架的受力验算 主要考虑立杆的受力, 经按整体平均计算每根 立杆的受力为 1 2 . 3 k N ; 按局部计算( 曲线梁在纵、 横 向上自重分布不均) 每根立杆的最大受力为1 4 . 8 k N 。 均小于每根立杆允许承受的最大荷载( 3 0 k N ) , 且有 一 定的保险系数。因此能够满足承载力要求。 4 . 2 型钢横梁的选用 横断方向上, 最不利位嚣是受力最大、 跨径也最 大 的底 板宽 度范 围 内的型钢 横梁。其跨 径 为 3 . 1 2 m, 受力按均布荷载计, 故按简支梁计算是安全 的。横梁所受均布荷载由其跨径内的结构 自重、 碗 扣支架重 、 模板重 、 施工荷载 ( 按结构 自重 的 2 0 %计 ( 经验值) , 含人、 料、 机、 砼浇筑其它等产生的荷载。 ) 组成, 均布荷载集度 q = 4 7 . 7 k N / m ( 型钢自重可忽略 不计) 。经计算可知, 取双肢 2 1 2 2 a 槽钢能够满足要 求。但为了充分发挥槽钢的竖向抗弯性能, 提高双 肢槽钢组合截面竖轴的惯性矩 , 可将双肢槽钢口对 口扣成方盒使用。 4 . 3 贝雷纵梁的验算 在箱梁纵向上, 最不利位置是受力最大同时跨 径较大的箱梁腹板处, 该处双排贝雷, 跨度1 0 . 7 8 5 m; 受力按均布荷载布置, 按简支梁计。贝雷梁所受的 均布荷载集度为 q = 6 8 . 7 6 l( N / m 。经计算知, 贝雷梁 的最大跨中弯矩、 剪应力、 挠度按使用的国产贝雷片 的容许弯矩、 容许剪应力和容许挠度与之比较均能 满足要求 。 4 . 4 钢管立柱的受力验算 因 5 0 m一跨箱梁总重 6 5 1 0 k N , 由 1 5 根 D 外 径= 1 0 0 0 m m和 1 0 根 D 外 径= 5 2 9 m m钢管立柱来承担( 其 中外侧的 1 0 根是构造上的需要, 不计承载) 。每根 所受最大压力均为 F=1 3 6 8 k N , 经对该两种钢管立 柱进行抗压强度验算、 按理想压杆的临界力进行稳 定性验算 J 、 按实际压杆的稳定极限承载力进行稳 定性验算均能够满足要求。但为了增加安全储备, 对于 D 外 径=5 2 9 m m钢管应在每排的相邻钢管中间 加焊横向联系和剪刀斜撑。 4 . 5 地基承载力的验算 因地基为北园路的路面。 其容许承载力按角砾 石土类的碎石土取值为[ ] _ 6 0 0 k P a ] 。地基所承 受的压力经计算可知能够满足承载要求。 5 支架搭设 5 . 1 钢管立柱的施工 由于钢管已周转使用多次, 会有不同程度的损 伤, 故选取时应选择质量好的钢管, 以防止钢管受力 时应力集中, 造成局部失稳或破坏。钢管安装时。 每 排 5 根为一组 , 逐个 就位 。 最后钢管之 间焊接剪刀 撑。 钢管截取时顶 、 底部的切 口断面必须均垂直于 钢管的轴线。钢结构焊接时必须保证焊缝饱满、 宽 度、 厚度满足规范要求。用于行车道两边外侧的钢 管刷红白相问的油漆或反光漆, 予以明示, 来提醒驾 驶员。 5 . 2 贝雷纵梁的施工 贝雷片应预先拼装成可方便 吊装 的几段纵向梁 段, 待吊至钢管立柱上后再连接成为整体纵梁。相 邻贝雷纵梁之间采用特制的桁架连接, 桁架起吊后, 用人工配合穿入贝雷梁端部的上、 下弦杆之间, 再用 螺栓连接固定。最后 5 道贝雷梁连成一个整体。 5 . 3 型钢横梁 型钢横梁的摆放、 纵向间距应由支架立杆的纵 向步距确定。型钢横梁与贝雷纵梁用特制的“ u ” 型 螺栓连接成为整体。型钢横梁与贝雷纵梁采用机械 连接 , 不得采用焊接 , 以防贝雷片受损 。 5 . 4 碗扣支架的搭设 ( 1 ) 在横向型钢梁上按立杆的位置摆放支架底 托, 并调整底托上的螺帽至同一计算高度平面内。 维普资讯 期—— 绍贯等: 北园路立交桥 A 、 H匝道箱梁支架的设计与施『 I = 9 1 最后将底托点焊在型钢梁上 , 予以固定 。 ( 2 ) 先搭设纵向中间一排底层的立杆,连接好 水平杆后以此为基础向两侧进行。当底层碗扣支架 搭设好后应调整立杆纵、横向成排 ,竖向竖直。然 后再根据计算所确定的立杆搭配高度和数量将支架 搭设至顶层。装上顶托,再将顶托螺帽顶面调至施 工标高处。摆放立杆时应使立杆接头尽可能地错 开,故可分别用不同高度的立杆交错布置、间隔使 用。 5 . 5 支架加 固 ( 1 ) 加固顶部, 顶部两层横杆的竖向步距加密 为 6 0 c m。 ( 2 ) 加拼斜向4 5 。 角的钢管作为斜撑, 底部生根 每 3 —4排设一道。每根 6 m长 的钢管上扣 5个 扣 件。 ( 3 ) 将支架与墩柱用钢管连接固定, 形成整体。 架管与墩柱间加垫橡胶皮, 以防损坏墩柱外表面。 5 . 6 支架检查与处理 检查每根方木、 底托下、 顶托上部、 上碗扣、 斜撑 钢管的底部 、 是否松动、 悬空。否则, 应旋紧底、 顶托 或用钢板填充垫实。扣件螺帽是否拧紧, 否则, 应用 扳手拧紧。 检查连接扣件的间距是否过大; 接高钢管顶部 的悬臂是否过长; 否则应加密连接扣件和降低接高 钢管顶部的悬臂长度。支架断开处是否连接, 剪刀 斜撑数量是否满足纵、 横向整体稳定性要求。 6 预压 6 . 1 预压的 目的 一 是为消除支架在搭设时接缝处的非弹性变形 和地基的非弹性沉陷; 二是为测得支架在荷载作用 下的弹性变形数据, 确定合理的施工预拱度, 使箱梁 在卸落支架后获得符合规范要求的标高和外形; 三 是为检验支架的强度、 刚度和稳定性, 从而获得稳 定 、 安全的支架。 6 . 2 预压前的准备 预压超载系数为每跨梁体自重的 1 . 2 倍。预压 材料为砂袋。布载时, 砂袋的堆积高度与梁体砼在 箱梁纵 、 横向上的自重分布曲线一致, 从而使预压荷 载的分布与梁体荷载的分布相吻合。且底模板和翼 缘板要同时预压, 保证支架整体同时变形。 沉降观测点的布设 5个断面, 每个断面上设 5 个点( 即底板中间和两个端点、 翼缘板的两侧端点) 。 6 . 3 预压观测 观测分次进行并做好记录, 即加载前 、 加载 1 / 2 时、 加完载后直至沉降稳定( 沉降稳定的标志是 2 4 h 内, 沉降量稳定在 3 m m内) 、 卸载后。最后计算出各 个观测点处的弹性变形和非弹性变形( 或沉陷) 的最 大值。根据弹性变形值最终确定跨中施工预拱度值 为3 0 m m , 从中间向两侧按二次抛物线变化至梁端为 零。 6 . 4 预拱度的设置 预压完成后, 外模的调整、 预拱度的设置是保证 箱梁外部线型的最关键也是最后的一步。预压卸载 后, 由于已经消除了非弹性变形, 而只需将确定的弹 性变形预拱度值预先加到底板标高上即可。 7 结语 济南顺河高架路北延工程四合同北园路互通立 交 A 、 H匝道桥, 在施工中采用了许多先进的施工方 法和技术。在此本文只就横跨北园路的 5 0 a l 箱梁 的支架设计与施工作一说明, 特别是其支架采用钢 管柱 、 贝雷梁和碗扣的组合形式 , 既满足了桥下行车 的要求, 又在组合形式的支架施工中进行了一次实 践, 且效果良好。可以在以后类似的现浇连续箱梁 施工中作些参考。但同时也盼望能对其中一些传统 的施工方法加以改进, 以便推陈出新, 使施工更加经 济合理。 参考文献 : [ 1 ] 顾玉林, 沈养中. 顾玉林. 材料力学 [ M] . 北京: 高等教育出版 社 , 1 9 9 3 . [ 2 ] 周水兴, 何兆益, 邹毅松。 等, 路桥施工计算手册[ M] . 北京: 人 民交通出版社 . 2 0 0 2 . 维普资讯
展开阅读全文

开通  VIP会员、SVIP会员  优惠大
下载10份以上建议开通VIP会员
下载20份以上建议开通SVIP会员


开通VIP      成为共赢上传

当前位置:首页 > 环境建筑 > 安全文明施工

移动网页_全站_页脚广告1

关于我们      便捷服务       自信AI       AI导航        抽奖活动

©2010-2026 宁波自信网络信息技术有限公司  版权所有

客服电话:0574-28810668  投诉电话:18658249818

gongan.png浙公网安备33021202000488号   

icp.png浙ICP备2021020529号-1  |  浙B2-20240490  

关注我们 :微信公众号    抖音    微博    LOFTER 

客服