收藏 分销(赏)

外包钢-混凝土组合梁受扭性能.pdf

上传人:mom****oy 文档编号:44476 上传时间:2021-06-03 格式:PDF 页数:8 大小:462.07KB 下载积分:1 金币
下载 相关 举报
外包钢-混凝土组合梁受扭性能.pdf_第1页
第1页 / 共8页
外包钢-混凝土组合梁受扭性能.pdf_第2页
第2页 / 共8页


点击查看更多>>
资源描述
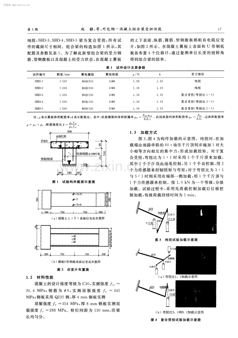
第 3 1卷 第 5期 2 0 0 9年 1 0月 土 木 建 筑 与 环 境 工 程 J o u r n a l o f Ci v i l .Ar c h i t e c t u r a l& En v i r o n me n t a l En g i n e e r i n g Vo 1 . 3 1 N O . 5 0e t .20 09 外包钢一混凝土组合梁受扭性能 赵静 , 蔡 建林 ( 1 . 淮阴工学院 建筑工程 系, 江苏 淮安 2 2 3 0 0 1 ;2 . 江苏大学 土木X - 程 系, 江苏 镇 江 2 1 2 O 1 3 ) 摘要 : 为 了研 究外 包钢一 混凝 土组 合 梁的扭 转性 能 , 对 8 根 外 包铜一 混凝 土组 合 梁进行 了纯扭和 复 合 受扭 实验 。研 究 了组合 梁在 纯扭 和 复合 受扭 作 用下 的破 坏形 态 , 工作机 理 以及 裂 缝发 展 分布 的 情况, 比较分析 了组合梁扭矩一 扭率、 荷载一 应 变、 弯矩一 挠度、 荷载一 裂缝之 间的相互关系。通过对组 合 梁 受扭性 能 的弹塑性理 论分析 , 提 出 了组合 梁纯扭及 复合 受扭作 用 下开 裂扭矩 的 计算公 式 ; 采 用 变角 空间桁 架模 型 , 提 出了该 新型组合 梁在 纯扭 及 复合 受扭 作 用下的极 限扭 矩计 算 公 式, 理论 公 式 计 算 结果与试验 结果 吻合 良好 。 关键 词 : 新型 外 包钢一 混凝土组 合 梁; 扭 转试验 ; 开裂扭 矩 ; 极 限扭矩 中图分 类号 : T U 3 7 5 . 1 ; T U3 9 8 文献标 志码 : A 文 章编 号 : 1 6 7 4 — 4 7 6 4 ( 2 0 0 9 ) 0 5 — 0 0 1 6 - 0 8 To r s i o n b e h a v i o r o f S t e e l — e n c a s e d Co nc r e t e Co mp o s i t e Be a ms ZHAO d i n g .CAI d i a n — l i n ( 1 . De p a r t me n t o f Ci v i l E n g i n e e r i n g,Hu a i y i n I n s t i t u t e o f Te c h n o l o g y ,Hu a i ’ a n, J i a n g s u 2 2 3 0 0 1 ,P.R.Ch i n a:2 . De p a r t me n t o f Ci v i l En g i n e e r i n g ,J i a n g s u Un i v e r s i t y,Z h e n j i a n g,J i a n g s u 2 1 2 0 1 3,P .R.Ch i n a) Ab s t r a c t :I n or d e r t o s t u dy t or s i o n b e h a v i o r o f s t e e l e n c a s e d c o nc r e t e c omp os i t e b e a ms,e x pe r i m e nt s we r e c a r r i e d ou t wi t h e i ght s p e c i me n s . The d e s t r u c t i o n s ha p e,wo r ki ng me c h a ni s m a n d t h e c r a c k de ve l o pme nt a n d d i s t r i b ut i on we r e a n a l y z e d u n de r pu r e t or s i o n a n d c o m b i ne t o r s i on c o nd i t i o ns . An d a l s o t h e r e l a t i o ns hi p s we r e i n v e s t i g a t e d be t we e n t o r qu e a nd t o r s i o n r a t i o, l o a d a n d s t r a i n, b e n di ng mo m e nt a n d de f l e c t i o n a n d l o a d c r a c k.On t he b a s i s of e l a s t i c i t y p l a s t i c t he o r y,t he f o r mul a s o f c r a c ki ng t o r s i o n we r e pr e s e nt e d f o r pu r e t or s i o n a nd c o m b i ne d t o r s i on o f c o m b i ne d be a m .And wi t h s pa t i a l t r us s m o d e l o f va r i a b l e a ng l e,f o r mul a s f o r ul t i ma t e t o r s i on s t r e ng t h o f pu r e t o r s i o n a n d c o m b i ne d t o r s i o n we r e p u t f or wa r d.The pr e d i c t e d r e s u l t s we r e i n g oo d a g r e e me n t wi t h me a s u r e d on e s . The pr o p os e d f o r m u l a s pr o v i d e d ba s i s f o r e v a l u a t i n g s a f e t y a n d s t a b i l i t y o f t he s t r uc t u r a 1 . Ke y wo r d s:s t e e l — e n c a s e d c o n c r e t e c omp os i t e b e a ms;t o r s i on t e s t i n g;c r a c ki n g t or q ue ;u l t i ma t e t or q u e 外包 钢一 混凝 土组合 梁是 以较厚 钢 板做底 板 , 较 薄 的冷 弯薄壁 型 钢做 腹 板 , 二者 通 过 焊缝 连 接 形 成 U 形截 面 , 作 为 T 形 组 合 梁 的 肋部 , 翼 缘 为现 浇 楼 板, 钢与混凝土通过剪力连接件共同作用[ 1 。该组 合梁具有 结构 受力 合理 、 施 工工序 优 化 、 防火 性 能改 善、 综合经济性能好等优点 。工程中的钢一 混凝土组 合梁处于受扭状态的有很多( 如桥梁、 吊车梁 、 框架 边梁 、 托梁 、 支撑悬 臂板或 阳 台的梁 等 ) , 目前 对组 合 梁受扭 性能 的研究 大 多 局 限于 传 统 的工 字 钢一 混 凝 土组合 梁。 。 。 , 对外 包钢一 混凝土组合梁 的受 扭性能 尚 未涉及 。该文将对此类组合 梁进行抗扭性 能研究 。 1 试 验概况 1 . 1试件 设计 试验以新型外包钢一 混凝土组合梁为研究对象, 共制作 了 8根组合梁试件 , 其中 S B D - 1 、 S B D 一 2 梁为 收 稿 日期 : 2 0 0 9 — 0 2 一 1 0 基金项 目: 江苏省博 士后基金( 0 7 0 1 0 0 8 B ) 作者简介 : 赵静( 1 9 7 3) , 女 , 博士生 , 主要从事结构工程研究 , ( E ma i l ) h y z h a 0 j i n g 1 9 7 3 @1 6 3 . c o rn。 学兔兔 w w w .x u e t u t u .c o m 第5 期 赵静 , 等 : 外 包钢 一混凝 土组合 梁 受扭 性 能 1 7 纯扭 , S B D- 3 、 S B D 一 4 、 S B D - 5梁 为 复 合 受 扭 , 所 有 试 件 的截面尺 寸相 同 。组 合 梁 的 构 造 如 图 1 所 示 , 其 配筋及参数见表 1 。为了解此新型组合梁的受力钢 筋 、 型 钢腹板 以及混 凝土 的受力 状态 , 在混凝 土 翼板 的上下表面、 纵筋、 箍筋 、 型钢腹板都贴有 电阻应变 片 , 如图 2所示 。在混凝土翼板上表面和 u形钢底 板各布置 4个位移计 , 通过量测单位长度 的扭转角 得到组 合 梁 的扭 率 。 表 1 试件设计主要参 数 注 : P 表 示 翼 板 体 积 配 筋 率 ; 表 示 配 筋 比 。 表 中 ,抗 扭 箍 筋 的 体 积 配 箍 率 一 , 抗 扭 纵 筋 的 体 积 配 筋 率 一 瓮,总 体 积 配 筋 率 P:P v t +P s t , 配筋强度 比 { 一 io s i , y f~ y 。 扛 j 图 1 试验构件截面示意图 1 (e 5 1 e 2 e 3 (e 4 -) ( a )混凝土上 ( 下 )表面应变花布置图 s j s 2 s 3 .3 0 o . 7 5 0 【 7 50 . 3 o0 (b J腹 板U形 钢板 表 面应 变花 布置 图 图 2应变片布置 图 1 . 2 材料 性能 混凝土的设计强度等级为 C 3 O , 实测强度 f c 一 3 O . 4 MP a ; 钢 筋 为 6 , 实 测 屈 服 强 度 , = 3 4 5 MP a ; 钢板采用 Q2 3 5钢 , 厚 4 mm钢板实测 屈服强度 f y 一3 5 4 MP a , 厚 8 mm钢板实测屈 服强度 f 一2 8 8 MP a 。栓 钉 问距 为 1 3 0 F i l m, 沿 梁 长均匀分。 I . 3加 载方式 图 3 、 图 4为构 件 加 载 的示 意 图 。纯扭 时 , 在 加 载 端 由油 路 串联 的 6 0 t 油压 千斤顶 同步施 加 1 对 大 小相 等方 向相 反 的集 中力 , 形 成 加 载 扭 矩 。对 于 复 合受扭 , 弯扭 比为 I:I时采用 3个千斤顶来加载 , 其中 2个千斤顶由油泵控制 , 另 1个手动控制 , 用 2 个力传感器来控制扭矩与弯矩; 对于弯扭比为 3:I 与 5:1 时则 采用 在端 部一侧 加载 , 用 1个 千斤 顶 与 1 个力传感器来控制 。按 1 . 0 k N为一个等级, 分级 加 载 。试 验过 程 中 , 采 用先 荷 载控 制 加 载 后位 移 控 制加载 , 每级荷载持续时间为 5 mi n 。 图 3纯扭试 验加载示意图 ( a )弯扭 比1 :l ~ J ll 载示意图 ( b)弯扭 比3 :I N5 :l 加载示意罔 图 4复合受扭试验加载示意图 1 昌 一 学兔兔 w w w .x u e t u t u .c o m 1 8 土 木 建 筑 与 环 境 工 程 第 3 1 卷 1 . 4量 测 内容 试验 在每个 试 件 上 布置 了位移 传 感 器 、 电 阻 应 变片和应 变花 等 测 点 , 通 过 T D S一3 0 3数 据 采 集 系 统进行 自动记录、 量测。取跨 中 8 0 0 mm段 为主要 量测段 。量测 内容主要 有 : 1 ) 混凝土、 钢梁腹板、 钢梁底板、 纵筋和箍筋的应变 2 ) 裂缝 与 纵轴 的角度 3 ) 荷 载和极 限荷 载 4 ) p - △ 曲线 2 试验现象 S B I ) ’ 1 、 S B D - 2梁 : 加 载初 期 , 组 合 梁 处 于 弹 性 阶段, 扭转角较小。扭矩加至 2 2 k N m时 , 混凝土 翼板的上表面 中部 出现斜 向裂缝。随着扭矩 的增 大, 斜裂缝逐渐向两侧边延伸, 数量不断增加, 混凝 土翼板 下表 面也 开 始 出现 斜裂 缝 并 向 两侧 边 开 展 , 整个 混凝 土板 形 成 近 似 螺 旋 形 裂缝 。加 载接 近 4 4 k N r n时 , 裂缝的数量不再增加, 但裂缝宽度急剧 增大 , 最后 混 凝 土 翼 板 形 成 破 坏 主裂 缝 , 混凝 土 脱 落 , 认 为组合 梁发生 受扭破坏 。 S B D - 3梁 : 当达到 开裂荷 载 2 5 . 2 k N m 时 , 混 凝土翼板首先在长边表面中间出现斜裂缝。随着荷 载 的增 加 , 裂 缝逐渐 向两侧 延伸 , 裂缝 的数量 不 断增 多 。当荷 载达 到 极 限荷 载 4 8 . 9 k N m 时 , 翼板 上 下表 面 的斜 裂缝 相 互贯 通 , 形 成 沿梁 长 均 匀分 布 的 环绕整个混凝土翼板的螺旋形裂缝。此时梁的扭转 变形 较大 而弯 曲变 形则 相 对 较 小 , 即 弯扭 比较 小 时 发生 了典 型的扭 型破坏 。 S B 【 ) _ 4 、 S B D 一 5梁 : 当达 到开 裂荷 载时 混凝 土翼 板出现裂缝 , 当荷载加到极限荷载时 , 混凝土翼板端 : 一 扭率,( 。 . | r l- i ) ( a)S B D一 3 一 g ● 互 一 罨 部受压破坏, 同时端部钢筋全部达到屈服。此时梁 的弯 曲变 形很 大而扭转 变形则相 对较 小 。即扭 弯 比 较 大时发 生 了典 型 的弯型破坏 。 3主要试验结果及分析 3 . 1 扭 矩一 扭率 关 系曲线 图 5为纯扭作用下混凝土翼板以及钢梁的扭矩 一 扭 率 曲线 。荷 载较 小 时扭 矩 一 扭 率 曲线 接 近 直线 , 近似认 为组合 梁处 于弹性 阶段 。沿 梁 的纵 轴 方 向均 匀地出现螺旋形裂缝后, 部分开裂混凝土退出工作 , 钢筋骨架作用逐渐增大 , 在截面上建立起新的内力 平衡关系。从钢梁与混凝土翼板 的扭矩一 扭率曲线 的吻合程度可以看出, 钢梁与混凝土梁基本上共同 协调扭 转变形 。 扭率/( 。 r rl ) 扭率/ ( 。 m J ( a)S B D一1 ( B)S B D一 2 图 5 纯扭作用下扭矩一 扭率关 系曲线 图 6为复合 受扭作用 下混凝 土翼 板 以及 钢梁扭 矩一 扭率 曲线 。从 图 中可 以看 出 , 在 弯 扭 共 同作 用 下 , 无论 是弯型破 坏还 是扭 型破 坏 , 混凝 土翼板 和钢 梁的扭率相差不大, 二者仍基本保持共同协调扭转 变形, 可以用混凝土翼板的扭率作为整个组合梁的 扭 率 。 0 0 .5 扭 率,( 。. 玎 1 ( h)S B D一 4 一 £ ● 互 一 童 图 6复合受扭作用下扭矩一 扭率关 系曲线 3 . 2应变分 布 图 7为纯扭作用下混凝土翼板主拉( 压) 应变随 扭矩 变化 图 。从 图 中可 以看 出 , 混 凝 土 的 主拉 ( 压 ) 扭率/ ( 。 . m 一 ) ( c)S B D一 5 应变在开裂前基本保持对称发展。开裂后 , 由于受 钢梁和混凝土开裂的影响, 混凝土主拉应变与主压 应 变的增加 表现 出不规则性 。 ∞ 加 m 5 0 学兔兔 w w w .x u e t u t u .c o m 第5 期 赵静 , 等 : 外 包钢 ~混凝土 组合 梁受扭 性能 图 8为复合受扭作用下混凝土翼板主拉 ( 压) 应 变 , 剪应 变 随扭矩变 化 图 。从 图 中可 以看 出 , 混 凝土 主应变 方 向倾 角接 近 4 5 。 。开裂 后 , S B D - 3混 凝 土 的 主拉压应变基本上仍能保持 同开裂前一样对称发 展 , S B D- 5混 凝 土 主拉 应 变 与 主压 应 变 的增 加 表 现 出不规则 性 。此 时压 区混 凝 土 开 始进 入 塑 性 状 态 , 应变的增长较快 , 压应变值要 大于拉应变值。混凝 土翼 板 的剪应变 分布 沿翼板 宽度 方 向基本 呈抛 物 线 型 分布 。 、 , , .5 0 ’ j 一 40 f — ⋯.一 混 凝土j :z 3 0 . 蟊2 0 压应变 1 0 I n 7o 0 6 () o ∞5 00 + 4 oo 土 3 0 0 主 黑 2 ()0 l 00 O )I J . 4 5 一 一 | 4 0 / 5 ~ / 3 O , r 2 5 2 0 —— 蟊1 5 1 0 ⋯ ⋯ 5 n -20 0 0 0 2 0 () 0 应变 £ ( a)S B D一1 主 主 ~ / ’1 { 3 0 J ● 三2 0 — —混 凝 \ 拉应 搔 ⋯ 一混凝 l 0 压应 j n 翼板主 翼板主 . .4 0 0 0 . 2 0 0 0 0 2 0 0 0 40 0 0 应变 s ( b)S BD一 2 图 7纯扭作用 下混凝土翼板主拉 ( 压 ) 应变变化图 ● 一 : : : 4 o 3 0 I ⋯ 至 ‘ . 一 1 1 混 凝土 翼 慧 主 拉 应轰 工 混凝土翼 凇 板主压应 一1 0 0 0- 5 0 0 0 5 0 0 1 0 0 0 1 5 0 0 0 2 0 0 4 O O 6 O 0- 3 0 0 0- 2 ( ]0 0 - -1 (1 30 0幻_I 】2 0 0 0 0 2 0 0 4 0 0 6 O 0 应变 £ 混凝土翼板宽度/ m m 应变 £ 混凝土翼板宽度 / m m ( a )S B D 一 3 ( b)S B D 一 5 图 8复合受扭作用下混凝土翼板应 变变化图 图 9 ( a ) 为纯 扭作 用 下钢 筋 的 扭矩一 应 变 图 。从 图中可以看出, 当混凝土未开裂时, 箍筋与纵筋的应 变都很小 , 处于弹性状态。当翼缘混凝土开裂时 , 钢 筋应 变发 生突变 , 扭 矩一 应 变 曲线 出现 一 个 转 折 点 , 箍筋与纵筋的应变变化不规则, 屈服段较长。当达 到极 限荷 载时 , 试 件 中的受力 钢筋 均屈服 。 图 9 ( b ) 、 ( c ) 为复合受扭作用下钢筋的扭矩一 应 0 l 0 00 20 00 3 0 0 0 4 0 0 0 应变 8 ( a ) S B D 一 1 皇 ● Z 、 曩 变 图 。从 图 中可 以看 出 , 受力钢 筋 的扭矩一 应 变 曲线 与纯扭时的受力钢筋的扭矩一 应变 曲线相似。当达 到开裂荷载后 , 纵筋与箍筋的扭矩一 应变曲线出现屈 服段 , 这表明混凝土翼缘板开裂后纵筋与箍筋将承 担原 来 由混凝 土 承担 的部 分 应力 , 从 而导 致 钢 筋应 变突然 增 大 。 ⋯ 5 0 4 0 3 0 2 O 1 o n 一l o o o o 1 o o o 2 0 0 0 3 0 0 0 应变 £ ( b)S BD 一 3 图 9钢筋扭矩一 应变关系图 图 1 0为纯扭作用下 U 形外 包钢的应 力一 应变 曲线 。从图上可 以看 出, U 形钢腹板 中部的剪应力 分布 比较均匀, 剪力流的方向与外扭矩的方 向一致。 这与狭长矩形受扭状态下的长边剪应力分布情况比 4 5 40 , - , 一 , 4 , 室 凌 . — — 』 1 0 f 一一 籀 、 层纵筋 层纵筋 筋 -2 0 00—1 00 0 0 1 0 00 2 0 00 应变 e ( c)S BD 一 5 较吻 合 。当 T / T 0 . 6以后 , U 型钢 的应力有明显 的增大, 但直到破坏 , U型钢仍处于弹 性变形阶段 , 应力不到屈服强度 的一半。 : ∞ 柏 ∞ ∞ m 0 学兔兔 w w w .x u e t u t u .c o m 2 0 土 木 建 筑 与 环 境 工 程 第3 1 卷 图 l 1 为 复 合 受扭 作 用 下 U 型 钢 的应 变 、 应 力 图。从图中可 以看 出, u 型钢在弯扭 比较小时( 如 S B D 一 3 ) , 破坏时仍然处于弹性 阶段 ; 而当弯扭 比较 大 时 ( 如 S B D 一 5 ) , 破 坏 时 U 型 钢 的底 板 已经 屈 服 。 因此 , 认为此新型组合梁在发生扭型破坏时 u型钢处 于弹性阶段 , 而发生弯型破坏时 u型钢已经屈服。 l 6 O l 4 0 l 2 0 自 。 。 遛8 0 囊 6 0 4 0 舔2 0 0 l 1 1 l 毯 权 0 2 0 0 40 0 60 0 沿载面高度正应变 /3, ( a)S B D一 3 6 O 0 5 0 l o0 1 5 0 u N钢腹板剪应l力 / 胁 ( b)S B D一 2 图 l 0纯扭作用下 U型外包钢的应力一 应变 曲线 钢梁底板宽度/ m m 0 5 O 1 o 0 1 5 O 剪应力, MP a 图 1 1 复 合 受扭 作 用 下 u型 外 包 钢 的 应 力一 应 变 曲线 3 . 3 弯矩 和挠 度的关 系 图 1 2反映 了新 型外 包 钢 组 合 梁在 复 合 受 扭 时 跨中位移与弯矩之间的关系。从图中可以看出挠度 基本上是随着弯矩的增加呈线性增大。弯矩作用下 的 M 一 关 系 曲线 同 T一 0曲线 基本 相似 , 也 可划 分 成相应 的 3个 阶段 。S B D 一 3挠 度 曲线 之所 以显得 不光滑, 是 由于中间加弯矩的千斤顶是由手动控制 , 在 加到设定 荷 载 时不 能 很好 的稳 住 , 导致 数 据 波 动 稍 大 。S B D - 5破坏 时挠度 曲线 已经呈 现 出下 降 的趋 势 。延性好 的结 构 , 后期 塑性 变形能 力 大 , 避 免 突然 破 坏能力 强 , 能适 应偶 然 的超 载 和 反 复荷 载 。从 图 上可以清楚 的看出 3 根复合受扭试件 的延性 比关系 为 S B D - 5 > S B D - 4 > S B D - 3 。弯扭 比越 大 , 组合 梁 的 延 性越好 。 l 4 0 j :∞2 0 虽8 0 6 0 4 0 2 0 0 0 2 0 4 0 6 0 挠度/ 1 11 1 1 1 图 l 2跨 中弯 矩一挠 度 曲 线 0 1 【 x】 2 ( ) 0 钢梁底板宽度/ m m 3 . 4 荷 载和斜 裂缝宽 度的关 系 图 1 3为纯扭 作用下 混凝 土翼板 裂缝 开展 情况 。 在扭转 时斜裂缝 的两 侧 发生 错 动 , 卸 载后 裂 缝 处 的 骨料 咬合 作用 受 到削 弱 , 因 此其残 余 裂缝 宽 度 要 比 弯 曲裂缝 宽度 大 。从 图 中可 以看 出 , 在相 同的 T / T 下 , S B D 一 1的裂缝 宽度较 大 。实验 验证 了 C o l l i n s的 试 验结论 : 配置 同样数 量 的钢 筋 , 当钢筋 的 间距 较密 时 , 其斜 裂缝 的宽 度 细 而密 , 对 结 构 的耐 久 性 有利 ; 当钢筋 的间距 较大 时 , 其斜裂 缝 的宽度宽 而疏 。 至 E 世 图 1 3纯扭作用下混凝土翼板裂缝开展情况图 图 1 4为复合受扭作用下混凝土翼板裂缝开展 情况。从图中可以看 出, 对于弯扭 比较小的试件当 T / T 一6 O 时 , 裂缝 宽 度 已达 到 0 . 2 mm。而对 于 弯扭比大的试件 , 斜裂缝开展很慢, 即使 在接近破 坏 , 当 T/ T 一9 0 %时 , 裂缝宽 度才达 0 . 1 2 mm。可 见弯扭 比的增 加 , 弯 矩所 产 生 的压 应 力 可 以抵 消部 ∞ ∞ ∞ ∞ 鲫 ∞ 轴 加 0 、 枢旧鞯g器 一 一 矾 们 学兔兔 w w w .x u e t u t u .c o m 第 5 期 赵静 , 等 : 外 包钢 一混凝 土组合 梁 受扭 性 能 分 由扭 矩引起 的斜拉 应力 , 抑制斜 裂缝 的开展 。 1 .6 1 .4 E 1 .2 g 1 0. 8 0.6 0.4 0.2 0 O O . 2 0 . 4 0.6 0 . 8 l 1 . 2 , 图 1 4 复合受扭作用下混凝土翼板 裂缝 开展情况 图 4 新型外 包钢一 混凝 土 组合 梁 受扭 构 件开裂扭矩的计算 在组合梁整体承受扭矩的情况下 , 由于混凝土 是 脆性 材料 , 混 凝 土 的抗 拉 强 度远 小 于它 的抗 压 强 度 , 而 U型外包钢截面的抗扭转变形能力远大于翼 板混 凝土 的抗扭 转变形 能力 , 所 以 , 可 以将 翼板 混凝 土的开裂作为整个组合梁的开裂标志。 同时 由于 U 型 钢 内 部 混凝 土在 弯矩 作 用 下 处 于受 拉 区 , 所 以在 翼板 混 凝 土 开裂 时 , 认 为 U 型钢 内部 混凝土 已经 开裂 , 不 考虑 它 的作 用 。 根据 以上分 析 , 新 型 外 包 钢 一 混 凝 土 T 形 截 面 组 合梁 的开裂 扭矩可 表示 为 : T 一 T。+ T 一 W 。 r+ 2 h b h r ( 1 ) 式 中 : T 为混凝 土 的抗 扭贡献 ; T 。 为在混 凝土 开裂 时 , U 型外 包钢 与混凝 土翼 板所 形成 的组合 箱 形 梁 的抗扭 贡献 ; 纯 扭时 , w 。 表示 T 形截 面抗扭 塑性抵 抗矩 , 为各分块矩形截面的 与分块矩形截面连接 处 的 w 之和 , r 即为 厂 , 是混 凝土 的抗拉 强度 , b为 下面钢板宽度, h为梁总高 , h 为混凝土翼板高度。 W t 一 专 [ 6 。 ( 矗 一 h + b ) + : ( 6 一 等 ) 】一 厶 L u J 一 1 b 4 十一 I b 5 1 2 h 9 6 h ( 2 ) 。 ; ⋯ 所 以 , 纯纽 时开裂 扭矩 可 以表 示为 : 式中 一 M/ W , W 为组合梁截面抗弯模量__ 8 所 以复合受 扭 的开 裂扭 矩可 以表示 为 : 一 等 ( 3 一 h o) ’ √ O . O 0 9 8 l ~ O _ 1 22 ( )2 + 0 . 1 12 (~ - ) + 2 ^ 。 √ 0 _ O O 9 8 1 一 。 . 12 2 ( )2 + 0 . 1 12 ( ) ( 6 ) 表 2为开裂扭矩计算值与实测值的对 比, 可以 看出, 计算值 与实测值误差在 1 O 左右 , 两者吻合 较好 。 表 2 开裂扭矩计算值与实测值 的比较 5 新 型外 包钢一 混凝 土组 合梁 受 扭构 件极 限扭矩的计算 纯扭时, 对混凝土翼板来说 , u型钢约束混凝土 翼板纵向裂缝的开展 , 其作用相当于向翼板施加一 个偏心的轴压力。所以, 混凝土翼板处于压弯扭复 合受力 状态 , 可 以采 用 变 角 空 间桁 架 模 型 进 行 受扭 极 限承载力 分析 , 见 图 1 5 。 T 一 ( ( 6 。 ( ^ 一 + b ) + ( 6 一 等 ) ) 一 1 b 4 十 b ~ ) + 2 肠 ( 3 ) 5 . 1 复合受扭 时 , W 。 为 混 凝 土 翼 板截 面 的塑 性 抵 抗 矩 , r 为剪 应力 计算公 式Ⅲ 。 w lp 一 譬 ( 3 6 一 ( 4 ) r一 丽 五丽 ( 5 ) 图 l 5变 角 空 间桁 架 模 型 基 本假 定 1 ) U 型钢和混凝土翼板在受扭过程 中保持变形 协 调一致 , 即扭 转角 相 同 ; 2 ) U 型钢内填充的混凝土开裂后 , 可忽 略其抗 扭 贡献【 g ; 3 ) 试 件破坏 时 , 钢筋均 达到屈 服 ; 4 ) 构件开裂后 , 可以忽略组合梁上部翼板 内核 心混 凝土 的作用 ; 学兔兔 w w w .x u e t u t u .c o m 2 2 土 木 建 筑 与 环 境 工 程 第 3 1 卷 5 ) 近似认 为剪力 由 T形截面组合梁 的腹板承担 ; 6 ) 混凝土板与钢梁 间有可靠 的连接, 忽略两者 之 间 的翘 曲与滑移 。 5 . 2 计算 公式 新型外包钢一 混凝土 T形截面组合梁的极限扭 矩 可表示 为[ 1 : T 一 T + T ( 7) 式 中 : 丁 为上部 钢 筋混 凝 土翼 板 的 极 限抗 扭 贡献 ; 丁 为 u型外包钢与混凝土翼板所形成的组合箱形 梁 的抗扭 贡献 。 T 的计 算 : 翼 缘 板 混凝 土开 裂 , 混 凝 土 的抗 扭 能力降低 到约 为未 裂 构 件 的一半 , 其余 将 由钢 筋来 承受[ 1 。开裂后 , 剪力路 径 所包 围的 面积是 由量 测 最 外层 封闭横 向钢筋 的 中心 线的尺 寸 。 和 。 来 确 定 , 这些 尺寸确 定 了量 自钢筋 中心线 的总 面积 A。一 。 .y 。和剪力周 长 U。一 2 ( z 。 + 。 )。 矩 形截 面构件 提 供 的抗 扭 承 载 力 , 可 由等 效 空 心管壁每个壁剪力贡献的和来体现。 1, T4一 zo V 4 ,V4一 At f y ( 8 ) 式 中 : A 为箍 筋 的单 肢面积 ; f 为横 向钢筋 的屈服 强度 ; n是 与扭转 裂缝相 交 的钢箍数 。 由于裂缝 的水平投影 为 c o t 和 7 2 = c o t e / s , 这里 为 压杆 的倾 角 , S 为箍筋 的间距 。 、 , 4 一 厶 c o t ,T 一 c o t ( 9 ) S 厶 S 显 然 , 对 每个水 平 壁 和 竖直 壁 可 得 相 同 的表 达 式。于是, 对全部 4 个边求和, 近似取 4 5 。 , 所以截 面 的名 义承载 力为 : T 一’ 4 T 一 。 t臼一 。。—1 — S S ( 1 0) T 的计算 : 根 据 试验 可 知道 , 纯 扭破 坏 时 U 型 钢仍 处于 弹性 阶段 , 应力 和应变 仍为线 性关 系。 T T 一 一 G J o 一 ( 1 1 ) 』 式 中 : G 为剪切模 量 , ‘,为扭转惯 性矩 。 式 中 K 为 : K 一 甜 所以纯扭作用 h , 一 丁 p1 下极 限 1 ) ( 1 2 ) 卜 ( 1+ 1 1 E b h S ) 。 . 4 a 4E D 复 合 受 扭 时 , 根 据 B r e d i t的 薄 壁 管 理 论 , 石 ] 知 极 限扭 矩 为 : T 一 Tc + T 一 2 A。 打+ Tc 一 2 A 。 打 ( 1 + ) ( 1 4) r 根据受拉破坏准则 计算 : 一 +√ ( ) 一 . s 式中, -厂 c 表示弯矩引起的正应力。 发 生扭型破 坏 时 , 混凝 土翼板 的抗扭 刚度 : 忌 。 : :: 五 ] ( 1 6 ) 。 一 丽 : l j 发 生弯型破 坏 时 , 混凝 土翼板 的抗扭 刚度 : ( + + + + ) 、 p 1 ( 1 7 ) 式中, E 为钢筋的弹性模量, p v 和 p v 为纵筋和箍筋 F 的体积配筋率, a 一 , 为附加系数按试验分析 L 取 , 取 一3, k— h 。 / b 。, 一 T/ M , f 一 M/ w , t 为有 效壁 厚_ 1 。 表 3为极限扭矩计算值与实测值 的对 比, 表明 纯纽构件计算值与实测值 吻合较好 , 配箍率较大的 S B D 一 2相对 于 配 箍 率 较 小 的 S B D - 1的抗 扭 效 果 稍 好 ; 复 合 受 扭 构 件 的 实 测 值 与 计 算 值 吻 合 较 好 ; S B D 一 5因弯扭比为 5 , 主要以受弯破坏为主, 破坏时 未达到抗扭强度极 限值 , 故极 限扭矩的计算值比实 测值大 2 8 . 8 6 , 误差稍大 , S B D - 4的试 验极 限扭矩为 5 2 . 5 k N I T I , 比 S B I ) _ 2的试验极限扭矩4 6 k N r ll , 增 加了 1 4 , 即适当的弯矩可以提高抗扭强度。 表 3极 限扭矩计算值与实测值的 比较 6 结 论 1 ) 组 合 梁 无 论 处 于 纯 扭 还 是 复 合 受 扭 的情 况 下 , 混凝 土翼板 和钢梁 的扭 率相差不 大 , 二者 仍基本 保 持共 同协调 扭转 变 形 , 可 以用 混 凝 土翼 板 的扭 率 作为整个组合梁的扭率。 一 O一 6一£ t一 0 —M E — 一 4一 - - 勾 矩 十 扭 学兔兔 w w w .x u e t u t u .c o m 第5 期 赵静 , 等 : 外 包钢 一 混凝土 组合 梁受扭性 能 2 3 2 ) 配箍率, 弯扭 比对组合梁斜裂缝有一定 的影 响 , 适当的配箍率和弯扭 比可以抑制斜裂缝 的出现 的开 展 。 3 ) 组合梁受扭破坏时 , 混凝土翼板上形成环绕 整个翼板截面的近似 4 5 。 的螺旋形裂缝 , 形成带有斜 裂缝的空间桁架体系, 这为采用空间桁架模型提供 了试验 依据 。 4 ) 当弯扭 比M/ T≤ 2发生扭型破坏时, 新型外 包钢一 混凝土 T形截面组合梁破坏时文中提 出的极 限扭矩理论计算公式 的计算值与试验值基本 吻合 , 误差在 1 O 左右 ; 而当弯扭比 M/ T>2发生弯型破 坏时 , 文中提出的公式与实际值有稍有偏差。 5 ) 新型外包钢一 混凝土 T形截面组合梁的扭矩 主要 由混凝 土 翼板 和 下 部钢 共 同承 担 , 在 弯扭 作用 下 , 混凝土翼板实际处于压扭状态 , 轴压力对极限抗 扭强度有提高作用 , 即适当的弯矩可 以提高组合梁 的抗扭强度, 扭矩最大提高达 1 4 左右 ; 但 当弯扭 比很大时, 组合梁往往不能达到受扭破坏, 抗扭强度 相对 于纯扭 时反而 有所 降低 。 参考文 献 : [1 ] 范旭红 , 石启 印, 马波. 钢一 混凝土组合 梁的研究 与展望 E J ] . 江苏大学学报 :自然科学版 , 2 0 0 4 , 2 5 ( i ) :8 9 — 9 2 . FAN XU— HONG, SHI QI - YI N,MA B O.De v e l o p me n t a n d p e r s p e c t i v e o f s t e e l — c o n c r e t e c o mp o s i t e b e a ms [ J ] . J o u r n a l o f J i a n g s u Un i v e r s i t y : Na t i o n a l S c i e n c e E
展开阅读全文

开通  VIP会员、SVIP会员  优惠大
下载10份以上建议开通VIP会员
下载20份以上建议开通SVIP会员


开通VIP      成为共赢上传

当前位置:首页 > 环境建筑 > 基础工程/设备基础

移动网页_全站_页脚广告1

关于我们      便捷服务       自信AI       AI导航        抽奖活动

©2010-2025 宁波自信网络信息技术有限公司  版权所有

客服电话:0574-28810668  投诉电话:18658249818

gongan.png浙公网安备33021202000488号   

icp.png浙ICP备2021020529号-1  |  浙B2-20240490  

关注我们 :微信公众号    抖音    微博    LOFTER 

客服