收藏 分销(赏)

铁路货车车轮旋修工艺卡.doc

上传人:精**** 文档编号:4244130 上传时间:2024-08-30 格式:DOC 页数:7 大小:160.04KB 下载积分:6 金币
下载 相关 举报
铁路货车车轮旋修工艺卡.doc_第1页
第1页 / 共7页
铁路货车车轮旋修工艺卡.doc_第2页
第2页 / 共7页


点击查看更多>>
资源描述
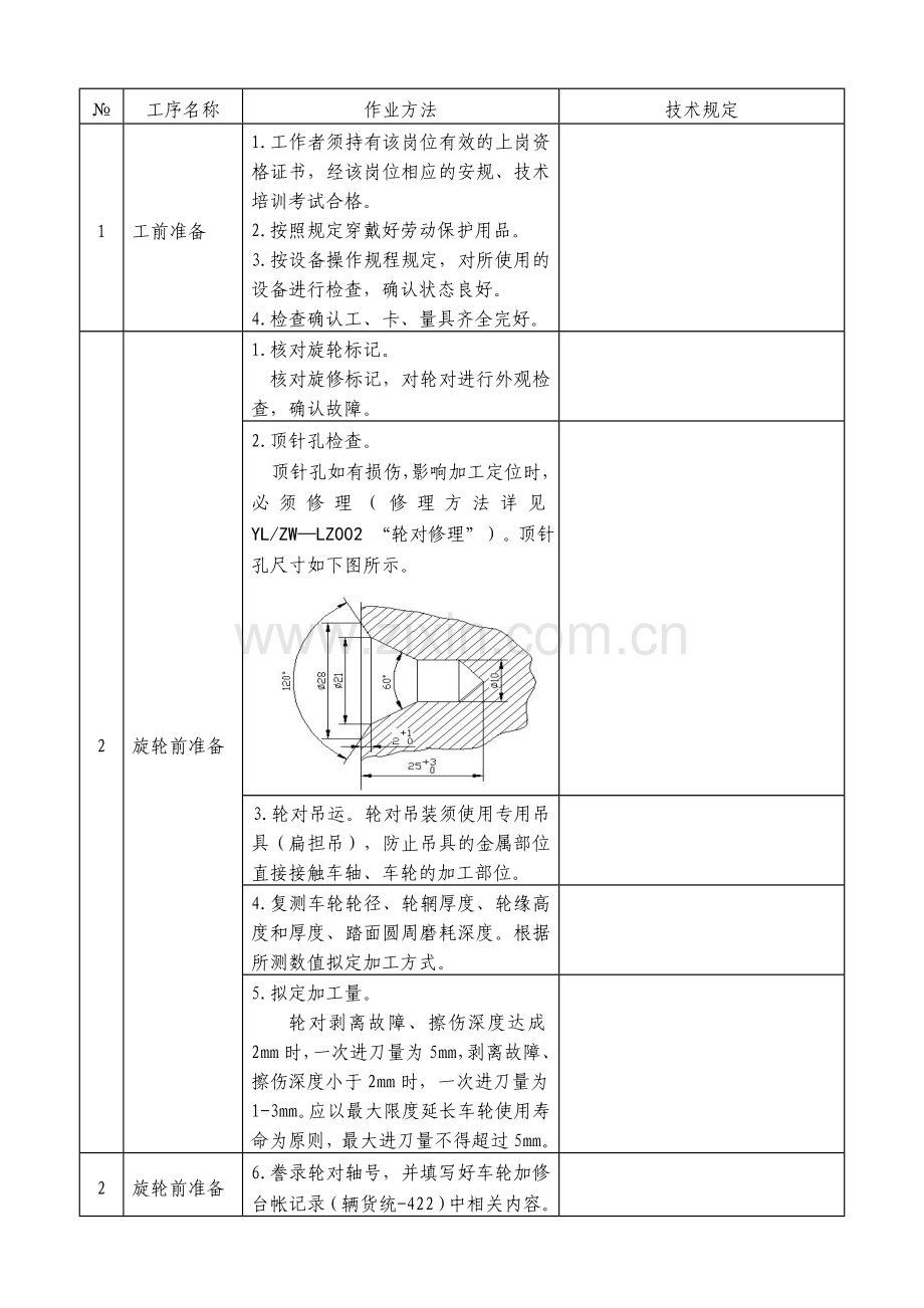
永安车辆段 岗位工艺卡 YL/ZW-LZ007 车轮旋修 版本:C 修改码:2 合用范围 铁路货车轮对段修及以上修程的各型车轮旋修加工。 工装量具 C8011B数控车轮车床、车轮车床、轮径尺、LLJ-4A检查器、直钢尺、卡钳、桥式起重机、轮缘角样板、粗糙度检测仪或检测样板等。 材 料 小刀杆、刀片、油漆笔、粉笔等。 工艺流程 部分工艺网络图: →轮对轴颈检测 轮对超声波探伤→车轮旋修-- →轴承关盖 作业程序图: 工前准备→旋轮前准备→夹装轮对→车轮旋修→复检→轮对吊运 →HMIS数据录入→竣工 编制:刘志和 审核:余小平 批准:陈昌煦 实行日期:2023-7-1 № 工序名称 作业方法 技术规定 1 工前准备 1.工作者须持有该岗位有效的上岗资格证书,经该岗位相应的安规、技术培训考试合格。 2.按照规定穿戴好劳动保护用品。 3.按设备操作规程规定,对所使用的设备进行检查,确认状态良好。 4.检查确认工、卡、量具齐全完好。 2 旋轮前准备 1.核对旋轮标记。 核对旋修标记,对轮对进行外观检查,确认故障。 2.顶针孔检查。 顶针孔如有损伤,影响加工定位时,必须修理(修理方法详见YL/ZW—LZ002 “轮对修理”)。顶针孔尺寸如下图所示。 3.轮对吊运。轮对吊装须使用专用吊具(扁担吊),防止吊具的金属部位直接接触车轴、车轮的加工部位。 4.复测车轮轮径、轮辋厚度、轮缘高度和厚度、踏面圆周磨耗深度。根据所测数值拟定加工方式。 5.拟定加工量。 轮对剥离故障、擦伤深度达成2mm时,一次进刀量为5mm,剥离故障、擦伤深度小于2mm时,一次进刀量为1-3mm。应以最大限度延长车轮使用寿命为原则,最大进刀量不得超过5mm。 2 旋轮前准备 6.誊录轮对轴号,并填写好车轮加修台帐记录(辆货统-422)中相关内容。 7.戴防护套 给不带轴承和带轴承滚动轮对在旋修时必须配戴轴颈防护套或轴承防护套。防止铁屑、沙尘等异物进入轴承或划伤轴颈。 3 夹装轮对 1.轮对夹装前确认顶针和卡脚处在复原准备位置。 2.推入轮对,按设备操作规程进行操作,中心架顶起轮对。轮对中心线与顶针中心线应基本处在同一水平线,轮对中心线略低于顶针。然后伸出顶针,顶紧两端中孔。 3.伸出卡脚,卡紧轮对。检查确认卡爪与车轮外侧轮辋和辐板的圆弧连接处充足接触。 4 车轮旋修 1.首对轮对旋修。 每台车轮车床每日开工的首条轮对作为样板轮进行加修。由旋轮工、轮轴工长、检查员和验收员共同进行车加工粗糙度、轮缘角状况及车轮踏面的加工质量进行检测。由检查员负责确认检测记录填写情况,达成标准并共同签字(章)确认后,该车轮车床才干继续使用。 “样板轮”作为当天加工样板,在当天竣工后方可装车使用。 2.按操作规程输入旋修后轮缘厚度、轮对直径,按规定进行自动旋修,旋修时需时刻注意轮对的表面状态。 1.踏面旋修时,每切削轮辋厚度达3mm,轮缘厚度则应相应增长1.0mm左右。 3.车轮旋修。 3.1轮对旋修时须认真开展经济切削。踏面圆周磨耗过限或轮辋外侧辗宽超限的非提速轮对,进行局部加修。 1.轮缘根部连接必须平滑过度。 4 车轮旋修 3.2轮对全面旋修后,踏面应符合磨耗型踏面形状规定。(用踏面样板进行检查) 5 复检 1. 使用粗糙度检测仪检查粗糙度。 1.车轮踏面加工后的粗糙度应达成Ra25μm,轮缘根部及轮缘角加工粗糙度应Ra12.5μm。 2.踏面旋修质量检查。 1.局部旋修后的轮缘外侧面及踏面部位允许留有黑皮,但连接部位应平滑过渡。 2.提速轮对踏面及轮缘旋修后不得留有黑皮。 3.车轮踏面和轮缘部位加工后, 接刀处应平滑过渡不得留有台阶。 4.缺陷所有旋除。 3.使用JJF-4A型检查器检查检查轮缘厚度检查,轮缘厚度须在规定值内。 1.车轮轮缘厚度须为26mm及以上(厂修28mm以上)但不得超过33mm。 4.使用JJF-4A型检查器检查检查轮缘高检查度。 1.轮缘高度为27±1 mm。 5.使用JJF-4A型检查器检查检查轮辋厚度。轮对旋修后轮辋厚度无法达成规定的限度或无法消除踏面及轮缘故障时,在辐板内侧用白油漆写上“送厂”及送厂因素。 1.轮辋厚度不得小于28mm。 6.使用JJF-4A型检查器检查踏面圆周磨耗深度。 1.踏面圆周磨耗段修不得大于5mm,厂修不得大于3mm。 7.使用轮径尺检查轮径及轮径差。 1.同一车轮互相垂直的直径差不得大于0.5mm。 2.同一轮对上相对两车轮的直径差在旋削前测量超过2mm的,若采用经济旋削方式加工,旋削后轮径差不得大于2mm,如采用全面旋修,旋削后两轮径差不得大于1mm。 3.提速轮对轮径差不得大于1mm。 5 复检 8.使用轮缘角样板检查轮缘角处的间隙。轮缘角和轮缘根部进行检测三处(120°均分),轮缘角处的间隙须小于规定值。 1.须小于0.5mm。 9.检查轮对内侧距离比规定的最小内侧距离小1mm及以内时,轮辋内侧面旋削量。旋削量不得超过规定值。 1.轮对内侧距离比规定的最小内侧距离小1mm及以内时,允许旋削轮辋内侧面,但旋削量不得超过1mm。 6 轮对吊运 1.轮对符合加工规定后,升起中心架,退出顶针,将轮对吊放指定地点。 7 HMIS数据录入 1.在辆货统-422中填写修后数据并签字。 2.轮对修理完后,输入HMIS相关数据。 1.数据需完整,不得漏项。 8 竣工 1.按设备操规程规定,对所使用工装进行擦拭保养,给油。切断工装电源。 2.按定置管理规定,做到工完料清,场地清洁。 附件:轮对检修限度表(单位:mm) 序号 项 目 名 称 限 度 备 注 原型 厂修 段修 一 车轮检修限度 1 轮辋厚度 1.1 无辐板孔 65、50 ≥30 ≥28 1.2 有辐板孔 65 ≥30 ≥28 2 轮缘厚度 32 ≥28 ≥26 3 踏面圆周磨耗深度 ≤3 ≤5 4 踏面擦伤及局部凹下深度 4.1 提速滚动轴承轮对 ≤0.2 4.2 非提速滚动轴承轮对 ≤0.5 5 踏面剥离长度 ⑴ 沿踏面圆周方向测量。 ⑵ 列检测量时规定如下: a.两端宽度局限性10㎜的不计算在内。 b.长条状剥离其最宽处局限性20㎜者可不计算。 c.两块剥离边沿相距小于75㎜时,每处长不得超过35㎜;多处小于35㎜的剥离其连续剥离长度不得超过350㎜。 d.剥离前期未脱落部分可不计算。 5.1 提速滚动轴承轮对 5.1.1 一处(不大于) 15 5.1.2 二处(每一处均不大于) 8 5.2 非提速滚动轴承轮对 5.2.1 一处(不大于) 20 5.2.2 二处(每一处均不大于) 10 6 轮辋外侧碾宽 ≤5 二 轮对检修限度 1 轮对内侧距离 1.1 轮辋宽127㎜及以上至局限性135㎜者 ⑴比最小内距小1㎜及以下时,可旋修轮缘内侧面调整之。 ⑵轮辋宽126㎜至局限性127㎜者,其内距符合1357㎜~1359㎜时可继续使用,凡入厂修理时不得出厂。 1.1.1 最大 1357 1359 1359 1.1.2 最小 1354 1354 1354 1.2 轮辋宽135㎜及以上者 1.2.1 最大 1355 1356 1356 1.2.2 最小 1351 1350 1350 2 轮对内侧距离三处最大差 ≤1 ≤3 ≤3 3 车轮直径差 3.1 同一车轮互相垂直的直径差 ≤0.5 ≤0.5 3.2 同轮对两车轮的直径差 3.2.1 经压装和旋修者 ≤1 ≤1 提速轮对车轮踏面旋修后不得留有黑皮 3.2.2 非提速轮对未经旋修者 ≤2 ≤2 车轮踏面旋修后如留有黑皮时,可按此限度执行 3.2.3 提速轮对未经旋修者 ≤1 ≤1 3.3 同转向架最大与最小车轮直径差 3.3.1 装用交叉支撑装置或运营速度120km/h的转向架 ≤10 ≤15 3.3.2 其他型转向架 ≤15 ≤20 3.4 同车辆最大与最小车轮直径差 3.4.1 装用交叉支撑装置或运营速度120km/h的转向架 ≤20 ≤30 3.4.2 其他型转向架 ≤30 ≤40 4 同一车轮踏面与轴颈面在同一直径线上测量的两点距离差 4.1 经压装的轮对 ≤0.6 ≤0.6 - 组装轮对时及车轴中心孔有故障解决后需测量此距离差 4.2 经旋修的轮对 ≤0.6 ≤0.6 4.3 未经旋修的轮对 ≤2 ≤2 车轮踏面旋修后如留有黑皮时,可按此限度执行 三 装车规定 轮轴左端须装在车辆的奇数位
展开阅读全文

开通  VIP会员、SVIP会员  优惠大
下载10份以上建议开通VIP会员
下载20份以上建议开通SVIP会员


开通VIP      成为共赢上传

当前位置:首页 > 包罗万象 > 大杂烩

移动网页_全站_页脚广告1

关于我们      便捷服务       自信AI       AI导航        抽奖活动

©2010-2026 宁波自信网络信息技术有限公司  版权所有

客服电话:0574-28810668  投诉电话:18658249818

gongan.png浙公网安备33021202000488号   

icp.png浙ICP备2021020529号-1  |  浙B2-20240490  

关注我们 :微信公众号    抖音    微博    LOFTER 

客服