收藏 分销(赏)

梁、板、柱混凝土施工质量标准和检验方法验收记录.doc

上传人:丰**** 文档编号:4039683 上传时间:2024-07-26 格式:DOC 页数:2 大小:38.54KB 下载积分:5 金币
下载 相关 举报
梁、板、柱混凝土施工质量标准和检验方法验收记录.doc_第1页
第1页 / 共2页
梁、板、柱混凝土施工质量标准和检验方法验收记录.doc_第2页
第2页 / 共2页
本文档共2页,全文阅读请下载到手机保存,查看更方便
资源描述
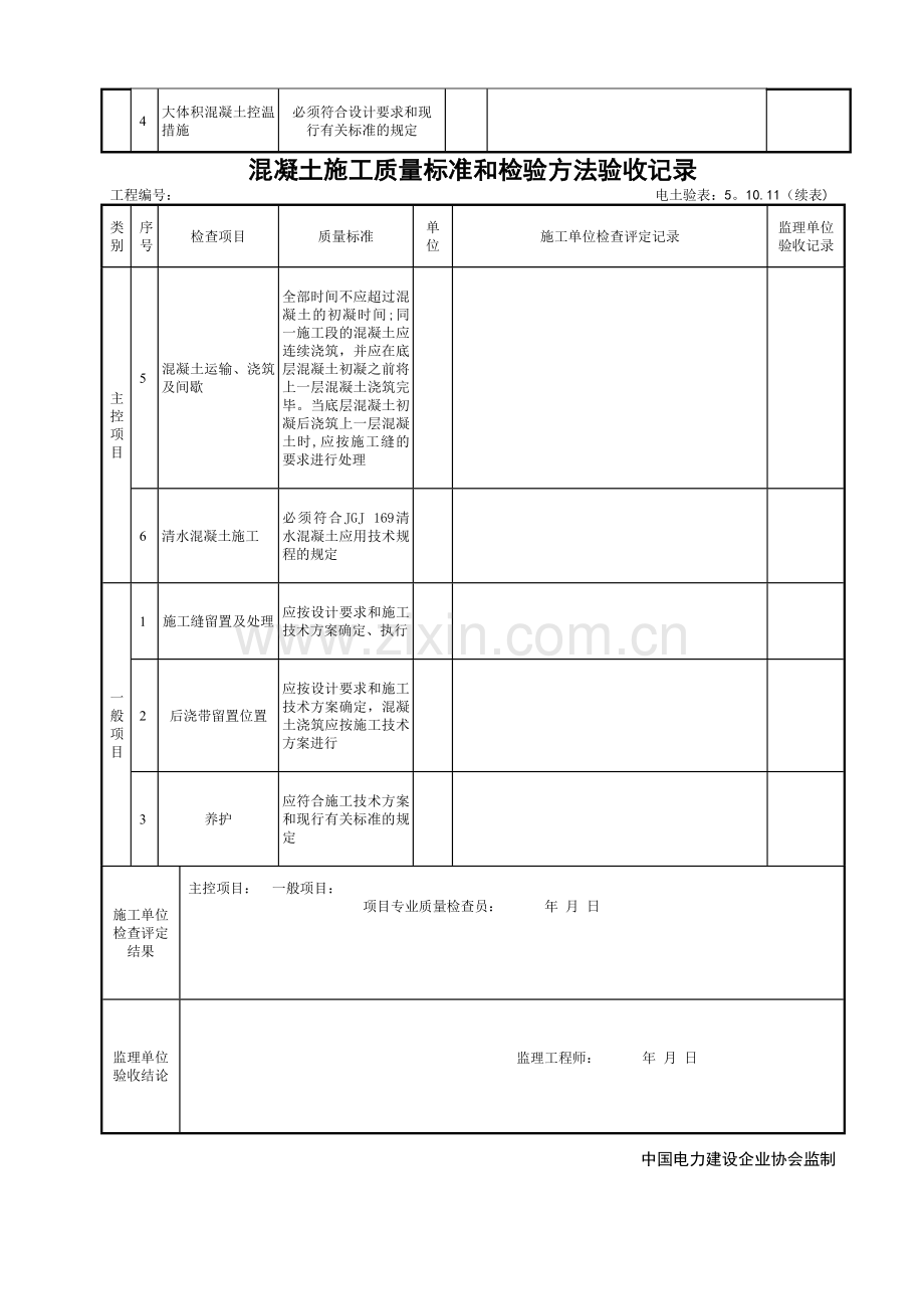
混凝土施工质量标准和检验方法验收记录 工程编号: 电土验表:5.10。11 单位(子单位)工程名称 警卫传达室 分部(子分部)工程 主体分部工程 分项工程名称 混凝土分项工程 验收部位 警卫传达室 梁、板、柱 施工单位 特变电工(德阳)电力工程有限公司 项目经理 祝华龙 项目技术负责人 刁文彬 施工执行标准名称及编号 1、企业标准:/ 2、施工技术规范:《电力建设施工质量验收及评价规程第一部分:土建工程》(DL / T 5210。1-2012) 分包单位 / 分包项目经理 / 施工班组长 类别 序号 检查项目 质量标准 单位 施工单位检查评定记录 监理单位验收记录 主控项目 1 混凝土强度及试件取样留置 混凝土的强度等级必须符合设计要求。用于检查结构构件混凝土强度的试件,应在混凝土的浇筑地点随机抽取。取样与试件留置应符合下列规定: (1)每拌制100盘且不超过100m3 的同配合比的混凝土,取样不得少于一次; (2)每工作班拌制的同一配合比的混凝土不足100盘时,取样不得少于一次; (3)当一次连续浇筑超过1000m3时,同一配合比的混凝土每200m3 取样不得少于一次; (4) 每一楼层,同一配合比的混凝土,取样不得少于一次; (5)每次取样应至少留置一组标准养护试件,同条件养护试件的留置组数应根据实际需要确定。 2 抗渗混凝土 抗渗混凝土试件应在浇筑地点随机取样。抗渗性能应符合设计要求 3 混凝土原材料每盘称量的偏差 水泥、掺合料 ±2% 粗、细骨料 ±3% 水、外加剂 ±2% 4 大体积混凝土控温措施 必须符合设计要求和现行有关标准的规定 混凝土施工质量标准和检验方法验收记录 工程编号: 电土验表:5。10.11(续表) 类别 序号 检查项目 质量标准 单位 施工单位检查评定记录 监理单位验收记录 主控项目 5 混凝土运输、浇筑及间歇 全部时间不应超过混凝土的初凝时间;同一施工段的混凝土应连续浇筑,并应在底层混凝土初凝之前将上一层混凝土浇筑完毕。当底层混凝土初凝后浇筑上一层混凝土时,应按施工缝的要求进行处理 6 清水混凝土施工 必须符合JGJ 169清水混凝土应用技术规程的规定 一般项目 1 施工缝留置及处理 应按设计要求和施工技术方案确定、执行 2 后浇带留置位置 应按设计要求和施工技术方案确定,混凝土浇筑应按施工技术方案进行 3 养护 应符合施工技术方案和现行有关标准的规定 施工单位检查评定结果 主控项目: 一般项目: 项目专业质量检查员: 年 月 日 监理单位验收结论 监理工程师: 年 月 日 中国电力建设企业协会监制
展开阅读全文

开通  VIP会员、SVIP会员  优惠大
下载10份以上建议开通VIP会员
下载20份以上建议开通SVIP会员


开通VIP      成为共赢上传

当前位置:首页 > 环境建筑 > 其他

移动网页_全站_页脚广告1

关于我们      便捷服务       自信AI       AI导航        抽奖活动

©2010-2026 宁波自信网络信息技术有限公司  版权所有

客服电话:0574-28810668  投诉电话:18658249818

gongan.png浙公网安备33021202000488号   

icp.png浙ICP备2021020529号-1  |  浙B2-20240490  

关注我们 :微信公众号    抖音    微博    LOFTER 

客服