收藏 分销(赏)

自动洗胃机操作流程.doc

上传人:天**** 文档编号:4033641 上传时间:2024-07-25 格式:DOC 页数:3 大小:56.54KB 下载积分:5 金币
下载 相关 举报
自动洗胃机操作流程.doc_第1页
第1页 / 共3页
自动洗胃机操作流程.doc_第2页
第2页 / 共3页


点击查看更多>>
资源描述
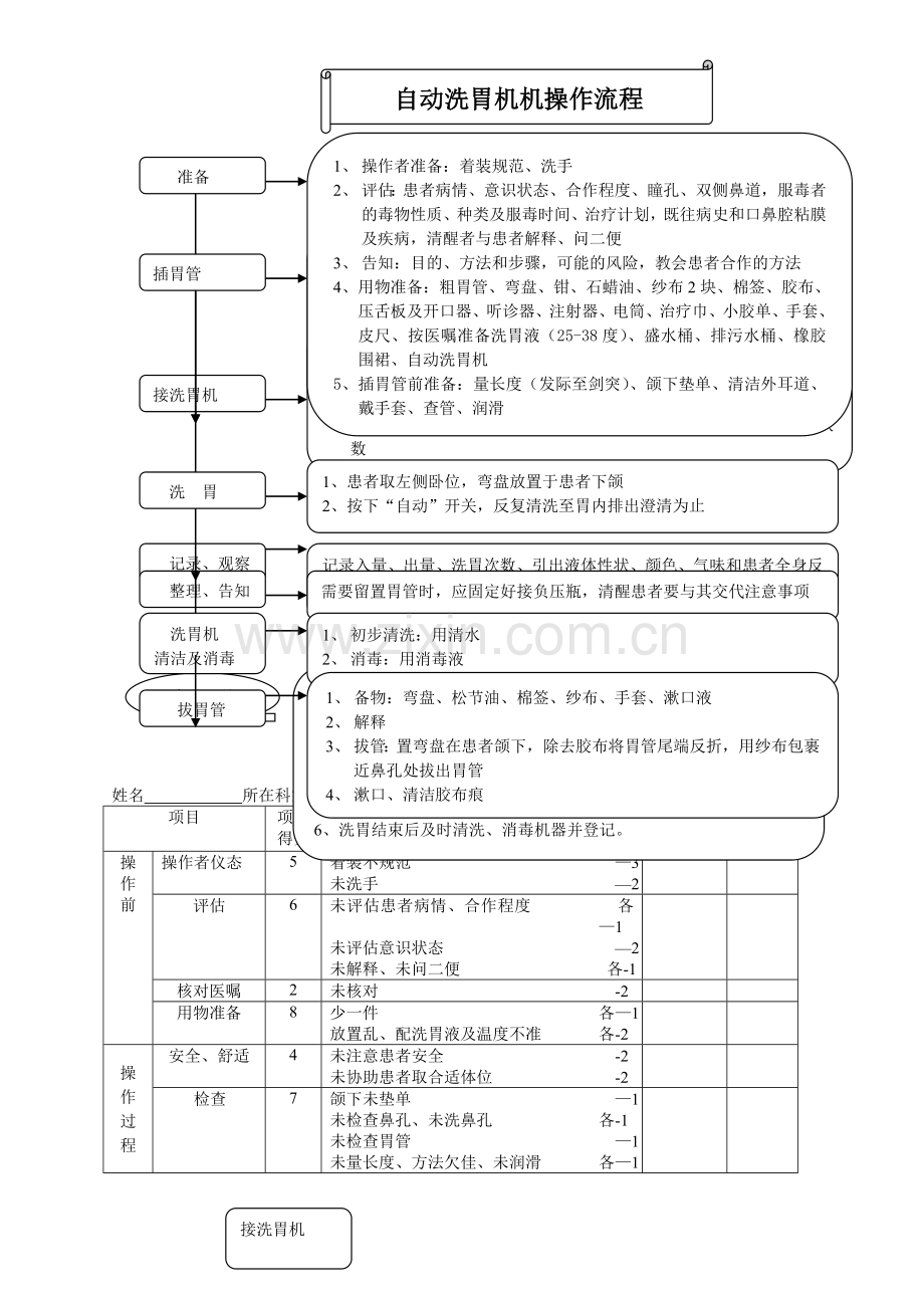
1、 操作者准备:着装规范、洗手 2、 评估:患者病情、意识状态、合作程度、瞳孔、双侧鼻道,服毒者的毒物性质、种类及服毒时间、治疗计划,既往病史和口鼻腔粘膜及疾病,清醒者与患者解释、问二便 3、 告知:目的、方法和步骤,可能的风险,教会患者合作的方法 4、用物准备:粗胃管、弯盘、钳、石蜡油、纱布2块、棉签、胶布、压舌板及开口器、听诊器、注射器、电筒、治疗巾、小胶单、手套、皮尺、按医嘱准备洗胃液(25-38度)、盛水桶、排污水桶、橡胶围裙、自动洗胃机 5、插胃管前准备:量长度(发际至剑突)、颌下垫单、清洁外耳道、戴手套、查管、润滑 自动洗胃机机操作流程 准备 1、尽快去除污染衣物,清洁皮肤。轻症患者取坐位或半坐卧位,头偏向一侧;中毒较重的患都取左侧卧位;昏迷者取去枕平卧位,头偏向一侧。必要时约束。 2、插管:经口腔或鼻腔插入约55~40cm 3、固定 4、判断:抽胃液(留标本送检)、有无气泡冒出、听气过水声 插胃管 1、置洗胃机、洗胃液桶及接污液桶于床边 2、注射器接胃管抽尽胃内容物并留送检标本 3、洗胃机嘴与胃管连接,进水管一端置洗胃机液桶内,排水管置污桶,接电源,洗胃机设于出胃状态,按计数复位键设“零”,计洗胃机次数 洗胃 洗胃 接洗胃机 接洗胃机 1、患者取左侧卧位,弯盘放置于患者下颌 2、按下“自动”开关,反复清洗至胃内排出澄清为止 洗 胃 记录入量、出量、洗胃次数、引出液体性状、颜色、气味和患者全身反应 记录、观察 需要留置胃管时,应固定好接负压瓶,清醒患者要与其交代注意事项 整理、告知 1、 初步清洗:用清水 2、 消毒:用消毒液 洗胃机 清洁及消毒 1、 备物:弯盘、松节油、棉签、纱布、手套、漱口液 2、 解释 3、 拔管:置弯盘在患者颌下,除去胶布将胃管尾端反折,用纱布包裹近鼻孔处拔出胃管 4、 漱口、清洁胶布痕 拔胃管 1、宜选用粗口径胃管。 2、机器工作时要水平放置;灌洗液与洗胃机同一水平并于病人在相近高度,排水管低于病人。 3、严格遵医嘱配制洗胃液,灌洗液入量与出量要相等。 4、清醒合作病人可取半坐卧位,操作时注意安全 。 5、灌洗液温度为25℃~38℃. 6、洗胃结束后及时清洗、消毒机器并登记。 备 注 自动洗胃机操作评分标准 姓名 所在科室 监考人员 、 考核日期 项目 项目 得分 扣分细则 实扣分 备注 操 作 前 操作者仪态 5 着装不规范 —3 未洗手 —2 评估 6 未评估患者病情、合作程度 各—1 未评估意识状态 —2 未解释、未问二便 各-1 核对医嘱 2 未核对 -2 用物准备 8 少一件 各—1 放置乱、配洗胃液及温度不准 各-2 操 作 过 程 安全、舒适 4 未注意患者安全 -2 未协助患者取合适体位 -2 检查 7 颌下未垫单 —1 未检查鼻孔、未洗鼻孔 各-1 未检查胃管 —1 未量长度、方法欠佳、未润滑 各—1 插管 15 管到口腔未属吞咽 -1 插入不畅、未检查口腔 各-1 呛咳、紫绀未采取措施 各-2 方法不对、未判断或判断方法不对 各-2 固定不牢 —2 洗胃 24 洗胃机、灌洗液、接污桶放置错 各-2 进水管、排水管、胃管接错 各-2 未遵先吸后洗原则 -3 未设计数复位键为“零" -3 未交代注意事项、病情观察 各—3 整理、消毒 14 未整理床单位 -1 未协助患者取舒适体位 -2 污物乱放、遗留用物在病房 各-1 未分类放置、未洗手 各—1 一项未记录 -1 清洗方法不正确 —2 消毒方法不正确 -3 评 价 态度沟通 4 沟通技巧欠佳 —2 态度不认真 -2 整体性 计划性 操作时间 15 min 6 整体性欠佳 —2 无计划性 -2 超时 —2 相关知识 5 相关知识不熟悉 —5 总分 100 累计扣分 实得分 自动洗胃机操作理论问答 一、洗胃禁忌症. 答:强腐蚀性毒物中毒、肝硬化伴食管胃底静脉曲张、近期内有上消化道出血及穿孔病人。上消化道溃疡、胃癌等不宜洗胃。 二、洗胃适应症。 答:1、解毒,清除胃内毒物或剌激物. 2、减轻胃黏膜水肿,解除梗阻。 3、为手术或检查做准备。 三、洗胃液的选择. 答:1、酸性物质中毒:用牛奶、蛋清水、镁乳洗胃。 2、碱性物质中毒:用5%醋酸、白醋、蛋清水、牛奶洗胃。 3、氰化物中毒:用1:15000—1:20000高锰酸钾液洗胃、饮3%过氧化氢液后引吐. 4、巴比妥类药物中毒:用33%硫酸镁导泻。 5、敌敌畏中毒:用2%—4%SB、1%NS、1:15000—1:20000高锰酸钾液洗胃。 6、DDT(灭害灵)中毒:用温开水、清水洗胃。 7、灭鼠药(磷化锌)中毒:、1:15000-1:20000高锰酸钾液洗胃、0。1%硫酸铜液导泻。 四、终末处理用何种消毒液,浓度,如何配制. 答:用有效氯消毒液,浓度为500mg/L.本院用的健之素有效氯含量为500mg/粒,用一粒健之素加1000ml水,有效氯浓度为500mg/L. 五、农药中毒全身有污染的处理。 答:先去除病人所有的衣物,洗胃后为病人洗头抹身,再更换干净的被服。 六、狂躁病人和处理。 答:征得家属同意后使用约束带,按医嘱使用镇静剂。 七、洗胃时每次灌入量以多少为宜,为什么? 答:以300—500ml为宜,一次不可超过500ml,因为灌入过多会出现以下情况: 1、可由鼻腔内涌出而引起窒息。 2、易产生胃扩张。 3、突然胃扩张易兴奋迷走神经引起反射性心脏停搏。 4、可致胃内压升高,使毒物进入肠道,增加毒物吸收。
展开阅读全文

开通  VIP会员、SVIP会员  优惠大
下载10份以上建议开通VIP会员
下载20份以上建议开通SVIP会员


开通VIP      成为共赢上传

当前位置:首页 > 行业资料 > 医学/心理学

移动网页_全站_页脚广告1

关于我们      便捷服务       自信AI       AI导航        抽奖活动

©2010-2026 宁波自信网络信息技术有限公司  版权所有

客服电话:0574-28810668  投诉电话:18658249818

gongan.png浙公网安备33021202000488号   

icp.png浙ICP备2021020529号-1  |  浙B2-20240490  

关注我们 :微信公众号    抖音    微博    LOFTER 

客服