收藏 分销(赏)

装饰装修设备表.doc

上传人:a199****6536 文档编号:3935062 上传时间:2024-07-24 格式:DOC 页数:6 大小:211.54KB 下载积分:6 金币
下载 相关 举报
装饰装修设备表.doc_第1页
第1页 / 共6页
装饰装修设备表.doc_第2页
第2页 / 共6页


点击查看更多>>
资源描述
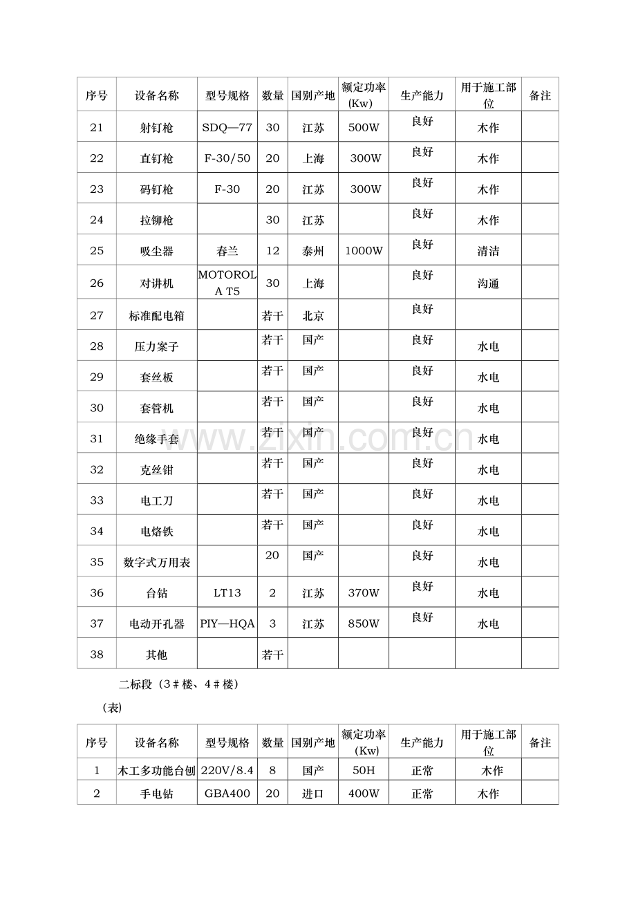
附件一:精装修工程拟投入本项目的主要施工设备计划表 一标段(1#楼、2#楼、5#楼) (表) 序号 设备名称 型号规格 数量 国别产地 额定功率(Kw) 生产能力 用于施工部位 备注 1 木工多功能台刨 220V/8。4 12 国产 50H 正常 木作 2 手电钻 GBA400 20 进口 400W 正常 木作 3 交流电焊机 BX6—160 10 国产 15KVA 正常 钢架 4 气泵 AU2030 12 进口 2000W 正常 木作,油漆 5 手提锯 S100B 10 进口 1100W 正常 木作 6 气枪 HLT 30 进口 调节 正常 木作 7 型材切割机 355型 8 进口 1800W 正常 木作 8 手提石材切割机 110型 20 进口 1200W 正常 石材及墙地砖 9 电锤 博世 10 进口 520W 正常 木作 10 压刨机 AP-10N—300 10 进口 4500W 正常 木作 11 手提角向磨光机 SM-S005—100A 12 国产 400W 正常 石材 12 修边机 12MM 10 进口 1450W 正常 木作 13 石材打磨抛光机 9207SPB 10 进口 2000W 正常 石材及墙地砖 14 钢卷尺 5m 30 国产 正常 木作 15 腻子搅拌机 Q1U-F02-160 15 江苏 1000W  正常 墙面、顶面 16 电动喷枪 AS-1040 8 浙江 250W 良好 木作 17 冲击钻 Z1J—FF—13 15 浙江 500W  良好 木作 18 砂轮切割机 牧田0700 16 日本 1005W 良好 木作 19 型材切割机 J1G-F03-355 12 江苏 2100W 良好 木作 20 曲线据 博世T100 10 德国 800W 良好 木作 21 射钉枪 SDQ—77 30 江苏 500W 良好 木作 22 直钉枪 F-30/50 20 上海 300W 良好 木作 23 码钉枪 F-30 20 江苏 300W 良好 木作 24 拉铆枪 30 江苏 良好 木作 25 吸尘器 春兰 12 泰州 1000W 良好 清洁 26 对讲机 MOTOROLA T5 30 上海 良好 沟通 27 标准配电箱 若干 北京 良好 28 压力案子 若干 国产 良好 水电 29 套丝板 若干 国产 良好 水电 30 套管机 若干 国产 良好 水电 31 绝缘手套 若干 国产 良好 水电 32 克丝钳 若干 国产 良好 水电 33 电工刀 若干 国产 良好 水电 34 电烙铁 若干 国产 良好 水电 35 数字式万用表 20 国产 良好 水电 36 台钻 LT13 2 江苏 370W 良好 水电 37 电动开孔器 PIY—HQA 3 江苏 850W 良好 水电 38 其他 若干 二标段(3#楼、4#楼) (表) 序号 设备名称 型号规格 数量 国别产地 额定功率(Kw) 生产能力 用于施工部位 备注 1 木工多功能台刨 220V/8.4 8 国产 50H 正常 木作 2 手电钻 GBA400 20 进口 400W 正常 木作 3 交流电焊机 BX6—160 8 国产 15KVA 正常 钢架 4 气泵 AU2030 12 进口 2000W 正常 木作,油漆 5 手提锯 S100B 10 进口 1100W 正常 木作 6 气枪 HLT 30 进口 调节 正常 木作 7 型材切割机 355型 10 进口 1800W 正常 木作 8 手提石材切割机 110型 24 进口 1200W 正常 石材及墙地砖 9 电锤 博世 10 进口 520W 正常 木作 10 压刨机 AP-10N—300 8 进口 4500W 正常 木作 11 手提角向磨光机 SM—S005—100A 5 国产 400W 正常 石材 12 修边机 12MM 8 进口 1450W 正常 木作 13 石材打磨抛光机 9207SPB 8 进口 2000W 正常 石材及墙地砖 14 钢卷尺 5m 30 国产 正常 木作 15 腻子搅拌机 Q1U-F02-160 15 江苏 1000W  正常 墙面、顶面 16 电动喷枪 AS—1040 8 浙江 250W 良好 木作 17 冲击钻 Z1J—FF-13 15 浙江 500W  良好 木作 18 砂轮切割机 牧田0700 16 日本 1005W 良好 木作 19 型材切割机 J1G-F03-355 12 江苏 2100W 良好 木作 20 曲线据 博世T100 10 德国 800W 良好 木作 21 射钉枪 SDQ-77 30 江苏 500W 良好 木作 22 直钉枪 F-30/50 20 上海  300W 良好 木作 23 码钉枪 F—30 20 江苏  300W 良好 木作 24 拉铆枪 30 江苏 良好 木作 25 吸尘器 春兰 12 泰州 1000W 良好 清洁 26 对讲机 MOTOROLA T5 30 上海 良好 沟通 27 标准配电箱 若干 北京 良好 28 压力案子 若干 国产 良好 水电 29 套丝板 若干 国产 良好 水电 30 套管机 若干 国产 良好 水电 31 绝缘手套 若干 国产 良好 水电 32 克丝钳 若干 国产 良好 水电 33 电工刀 若干 国产 良好 水电 34 电烙铁 若干 国产 良好 水电 35 数字式万用表 20 国产 良好 水电 36 台钻 LT13 2 江苏 370W 良好 水电 37 电动开孔器 PIY-HQA 3 江苏 850W 良好 水电 38 其他 若干 一标段(6#楼、7#楼、8#楼、9#楼、13#楼) (表) 序号 设备名称 型号规格 数量 国别产地 额定功率(Kw) 生产能力 用于施工部位 备注 1 木工多功能台刨 220V/8.4 12 国产 50H 正常 木作 2 手电钻 GBA400 30 进口 400W 正常 木作 3 交流电焊机 BX6-160 14 国产 15KVA 正常 钢架 4 气泵 AU2030 12 进口 2000W 正常 木作,油漆 5 手提锯 S100B 20 进口 1100W 正常 木作 6 气枪 HLT 30 进口 调节 正常 木作 7 型材切割机 355型 15 进口 1800W 正常 木作 8 手提石材切割机 110型 24 进口 1200W 正常 石材及墙地砖 9 电锤 博世 20 进口 520W 正常 木作 10 压刨机 AP-10N-300 15 进口 4500W 正常 木作 11 手提角向磨光机 SM-S005—100A 20 国产 400W 正常 石材 12 修边机 12MM 20 进口 1450W 正常 木作 13 石材打磨抛光机 9207SPB 15 进口 2000W 正常 石材及墙地砖 14 钢卷尺 5m 30 国产 正常 木作 15 腻子搅拌机 Q1U-F02—160 15 江苏 1000W  正常 墙面、顶面 16 电动喷枪 AS—1040 10 浙江 250W 良好 木作 17 冲击钻 Z1J—FF-13 15 浙江 500W  良好 木作 18 砂轮切割机 牧田0700 16 日本 1005W 良好 木作 19 斜切割机 J1X—FF-25 10 江苏 1650W 良好 木作 20 曲线据 博世T100 10 德国 800W 良好 木作 21 射钉枪 SDQ-77 30 江苏 500W 良好 木作 22 直钉枪 F—30/50 20 上海  300W 良好 木作 23 码钉枪 F-30 20 江苏  300W 良好 木作 24 拉铆枪 30 江苏 良好 木作 25 吸尘器 春兰 12 泰州 1000W 良好 清洁 26 对讲机 MOTOROLA T5 30 上海 良好 沟通 27 标准配电箱 若干 北京 良好 28 压力案子 若干 国产 良好 水电 29 套丝板 若干 国产 良好 水电 30 套管机 若干 国产 良好 水电 31 绝缘手套 若干 国产 良好 水电 32 克丝钳 若干 国产 良好 水电 33 电工刀 若干 国产 良好 水电 34 电烙铁 若干 国产 良好 水电 35 数字式万用表 20 国产 良好 水电 36 台钻 LT13 2 江苏 370W 良好 水电 37 电动开孔器 PIY-HQA 3 江苏 850W 良好 水电 38 其他 若干
展开阅读全文

开通  VIP会员、SVIP会员  优惠大
下载10份以上建议开通VIP会员
下载20份以上建议开通SVIP会员


开通VIP      成为共赢上传

当前位置:首页 > 包罗万象 > 大杂烩

移动网页_全站_页脚广告1

关于我们      便捷服务       自信AI       AI导航        抽奖活动

©2010-2025 宁波自信网络信息技术有限公司  版权所有

客服电话:0574-28810668  投诉电话:18658249818

gongan.png浙公网安备33021202000488号   

icp.png浙ICP备2021020529号-1  |  浙B2-20240490  

关注我们 :微信公众号    抖音    微博    LOFTER 

客服