收藏 分销(赏)

34-3 施工设施.doc

上传人:Fis****915 文档编号:381003 上传时间:2023-09-11 格式:DOC 页数:49 大小:1.24MB 下载积分:8 金币
下载 相关 举报
34-3 施工设施.doc_第1页
第1页 / 共49页
34-3 施工设施.doc_第2页
第2页 / 共49页


点击查看更多>>
资源描述
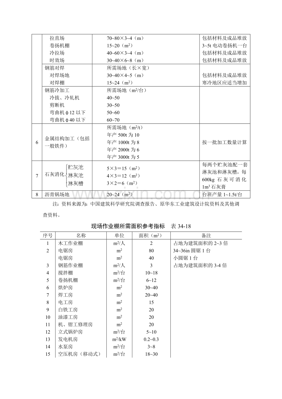
34-3 施工设施 34-3-1 施工用房屋 34-3-1-1 一般要求 1.结合施工现场具体情况,统筹安排,合理布置。 (1)布点要适应生产需要,方便职工上下班。 (2)不许占据正式工程位置,避开取土、弃土场地。 (3)尽量靠近已有交通,或即将修建的正式或临时交通线路。 2.贯彻执行国务院有关在基本建设中节约用地的指示,布置要紧凑,充分利用山地,荒地、空地或劣地,尽量少占或不占农田并保护农田,在可能条件下结合施工采取造田,改造土壤的措施。 3.尽量利用施工现场或附近已有的建筑物,包括拟拆除可暂时利用的建筑物。在新开辟地区,应尽可能提前修建能够利用的永久性工程。 4.必须修建的临时建筑,应以经济适用为原则,合理地选择形式。 5.符合安全防火要求。 34-3-1-2 办公用房屋 视工程项目规模大小、工程长短、施工现场条件、项目管理机构设置类型,办公用房可采取下列方式: 1.利用拟拆除建筑; 2.租用工程邻近建筑; 3.新建暂用办公室,结构、装饰简易; 4.采用装配式活动房屋; 5.先建永久性办公室施工时用,待交工时重新装饰; 6.初期搭建简易办公用房,然后搬进新建房屋。 34-3-1-3 生产用房屋 施工现场生产类用房主要有混凝土搅拌站、砂浆搅拌站、钢筋混凝土构件预制厂、钢筋加工厂、木材加工厂、金属结构加工厂、施工机械的管理维修厂等用房。 施工现场生产用房主要是根据工程所在地区的实际情况与工程施工的需要,首先确定需要设置的生产类型,然后再分别就不同需要逐一确定其生产规模、产品的品种、生产工艺、厂房的建筑面积、结构型式和厂址的布置,生产用房面积的大小,取决于设备的尺寸、工艺过程、建筑设计及保安与防火等的要求。 现场加工厂用房面积参考指标,见表34-17;现场作业棚所需面积参考指标,见表34-18;现场机运、机修和机械停放所需面积参考指标,见表34-19。 现场加工厂所需面积参考指标 表34-17 序号 加工厂名称 年产量 单位产量所需建筑面积 占地总面积 (m2) 备注 单位 数量 1 混凝土搅拌站 m3 3200 0.022(m2/m3) 按砂石堆场考虑 400L搅拌机2台 m3 4800 0.021(m2/m3) 400L搅拌机3台 m3 6400 0.020(m2/m3) 400L搅拌机4台 2 临时性混凝土预制厂 m3 1000 0.25(m2/m3) 2000 生产屋面板和中小型梁柱板等,配有蒸养设施 m3 2000 0.20(m2/m3) 3000 m3 3000 0.15(m2/m3) 4000 m3 5000 0.125(m2/m3) 小于6000 3 半永久性混凝土预制厂 m3 3000 0.6(m2/m3) 9000~12000 m3 5000 0.4(m2/m3) 12000~15000 m3 10000 0.3(m2/m3) 15000~20000 4 木材加工厂 m3 15000 0.0244(m2/m3) 1800~3600 进行原木、方木加工 m3 24000 0.0199(m2/m3) 2200~4800 m3 30000 0.0181(m2/m3) 3000~5500 综合木工加工厂 m3 200 0.30(m2/m3) 100 加工门窗、模板、地板、屋架等 m3 500 0.25(m2/m3) 200 m3 1000 0.20(m2/m3) 300 m3 2000 0.15(m2/m3) 420 粗木加工厂 m3 5000 0.12(m2/m3) 1350 加工屋架、模板 m3 10000 0.10(m2/m3) 2500 m3 15000 0.09(m2/m3) 3750 m3 20000 0.08(m2/m3) 4800 细木加工厂 万m2 5 0.0140(m2/m3) 7000 加工门窗、地板 万m2 10 0.0114(m2/m3) 10000 万m2 15 0.0106(m2/m3) 14300 5 钢筋加工厂 t 200 0.35(m2/t) 280~560 加工、成型、焊接 t 500 0.25(m2/t) 380~750 t 1000 0.20(m2/t) 400~800 t 2000 0.15(m2/t) 450~900 现场钢筋调直或冷拉 拉直场 卷扬机棚 冷拉场 时效场 所需场地(长×宽) 70~80×3~4(m) 15~20(m2) 40~60×3~4(m) 30~40×6~8(m) 包括材料及成品堆放 3~5t电动卷扬机一台 包括材料及成品堆放 包括材料及成品堆放 钢筋对焊 对焊场地 对焊棚 所需场地(长×宽) 30~40×4~5(m) 15~24(m2) 包括材料及成品堆放 寒冷地区应适当增加 钢筋冷加工 冷拔、冷轧机 剪断机 弯曲机φ12以下 弯曲机φ40以下 所需场地(m2/台) 40~50 30~50 50~60 60~70 6 金属结构加工(包括一般铁件) 所需场地(m2/t) 年产500t为10 年产1000t为8 年产2000t为6 年产3000t为5 按一批加工数量计算 7 石灰消化 5×3=15(m2) 4×3=12(m2) 3×2=6(m2) 每两个贮灰池配一套淋灰池和淋灰槽,每600kg石灰可消化1m3石灰膏 8 沥青锅场地 20~24(m2) 台班产量1~1.5t/台 注:资料来源为:中国建筑科学研究院调查报告、原华东工业建筑设计院资料及其他调查资料。 现场作业棚所需面积参考指标 表34-18 序号 名称 单位 面积(m2) 备注 1 木工作业棚 m2/人 2 占地为建筑面积的2~3倍 2 电锯房 m2 80 34~36in圆锯1台 电锯房 m2 40 小圆锯1台 3 钢筋作业棚 m2/人 3 占地为建筑面积的3-4倍 4 搅拌棚 m2/台 10~18 5 卷扬机棚 m2/台 6~12 6 烘炉房 m2 30~40 7 焊工房 m2 20~40 8 电工房 m2 15 9 白铁工房 m2 20 10 油漆工房 m2 20 11 机、钳工修理房 m2 20 12 立式锅炉房 m2/台 5~10 13 发电机房 m2/kW 0.2~0.3 14 水泵房 m2/台 3~8 15 空压机房(移动式) m2/台 18~30 空压机房(固定式) m2/台 9~15 注:资料来源为:铁道部编临时工程手册、原华东工业建筑设计院资料及其他调查资料。 现场机运站、机修间、停放场所需面积参考指标 表34-19 序号 施工机械名称 所需场地 (m2/台) 存放方式 检修间所需建筑面积 内容 数量(m2) 一、起重、土方机械类: 10~20台设1个检修台位(每增加20台增设1个检修台位) 200 (增150) 1 塔式起重机 200~300 露天 2 履带式起重机 100~125 露天 3 履带式正铲或反铲,拖式铲运机,轮胎式起重机 75~100 露天 4 推土机,拖拉机,压路机 25~35 露天 5 汽车式起重机 20~30 露天或室内 二、运输机械类: 每20台设1个检修台位(每增加1个检修台位) 170 (增160) 6 汽车(室内) 20~30 一般情况下室内不小于10% (室外) 40~60 7 平板拖车 100~150 8 三、其他机械类: 4~6 一般情况下 室内占30% 露天占70% 每50台设1个检修台位(每增加1个检修台位) 50 (增50) 搅拌机,卷扬机, 电焊机,电动机, 水泵,空压机,油泵, 少先吊等 注:1.露天或室内视气候条件而定,寒冷地区应适当增加室内存放。 2.所需场地包括道路、通道和回转场地。 34-3-1-4 仓储用房屋 1.仓库的类型 (1)转运仓库是设置在货物转载地点(如火车站、码头和专用线卸货场)的仓库。 (2)中心仓库(或称总仓库)是专供贮存整个建筑工地(或区域型建筑企业)所需材料、贵重材料以及需要整理配套的材料的仓库。中心仓库通常设在现场附近或区域中心。 (3)现场仓库为某一在建工程服务的仓库,一般均就近设置。 (4)加工厂仓库专供本加工厂贮存原材料和加工半成品、构件的仓库。 各类仓库按其贮存材料的性质和贵重程度可采用露天堆场、半封闭式(棚)和封闭式(库房)3种存放方式。大宗建筑材料一般应直接运往使用地点堆放,以减少施工现场的二次搬运。 2.仓库材料储备量 确定仓库内的材料储备量,要做到一方面能保证施工的正常需要,另一方面又不宜贮存过多,以免加大仓库面积,积压资金。通常的储备量应根据现场条件、供应条件和运输条件来确定。如场地狭小的可少些;生产受季节性影响的材料,必须考虑中断因素,水运材料则须考虑枯水期及严寒影响航运问题,储备量可大些;加工生产周期较长的材料,亦应考虑大些等。另外还须考虑供料制度中有的材料要求一次储备的情况。 (1)建筑群(全现场)的材料储备,一般按年、季组织储备,按下式计算: q1=K1Q1 (34-41) 式中 q1——总储备量; K1——储备系数。一般情况下对型钢、木材、砂石和用量小、不经常使用的材料取0.3~0.4,对水泥、砖、瓦、块石、石灰、管材、暖气片、玻璃、油漆、卷材、沥青取0.2~0.3,特殊条件下宜根据具体情况确定; Q1——该项材料最高年、季需用量。 总储备量(q1)包括能为本工程使用已经落实的材料,如已进入转运仓库和中心仓库的材料,以及有了货源又订了货的地方材料(砖、石、砂、灰)。 (2)单位工程的材料储备量应保证工程连续施工的需要,同时应与全现场的材料储备综合考虑,做到减少仓库面积,节省资金。其储备量按下式计算: q2=n·Q2/T (34-42) 式中 q2——单位工程材料储备量; n——储备天数,见表34-20; Q2——计划期间内需用的材料数量; T——需用该项材料的施工天数,并大于n。 3.仓库面积的计算 (1)按材料储备期计算 F=Q/P (34-43) 式中 F——仓库面积(m2),包括通道面积; P——每平方米仓库面积上存放材料数量,见表34-20; q——材料储备量。用于建筑群时为q1,用于单位工程时为q2。 (2)按系数计算,适用于规划估算 F=φ·m (34-44) 式中 F——所需仓库面积(m2); φ——系数,见表34-21; m——计算基数,见表34-21。 仓库面积计算所需数据参考指标 表34-20 序号 材料名称 单位 储备天数 (n) 每m2储存量 (P) 堆置高度 (m) 仓库类型 1 钢材 t 40~50 1.5 1.0 工槽钢 t 40~50 0.8~0.9 0.5 露天 角钢 t 40~50 1.2~1.8 1.2 露天 钢筋(直筋) t 40~50 1.8~2.4 1.2 露天 钢筋(盘筋) t 40~50 0.8~1.2 1.0 棚或库约占20% 钢板 t 40~50 2.4~2.7 1.0 露天 钢管φ200以上 t 40~50 0.5~0.6 1.2 露天 钢管φ200以下 t 40~50 0.7~1.0 2.0 露天 钢轨 t 20~30 2.3 1.0 露天 铁皮 t 40~50 2.4 1.0 库或棚 2 生铁 t 40~50 5 1.4 露天 3 铸铁管 t 20~30 0.6~0.8 1.2 露天 4 暖气片 t 40~50 0.5 1.5 露天或棚 5 水暖零件 t 20~30 0.7 1.4 库或棚 6 五金 t 20~30 1.0 2.2 库 7 钢丝绳 t 40~50 0.7 1.0 库 8 电线电缆 t 40~50 0.3 2.0 库或棚 9 木材 m3 40~50 0.8 2.0 露天 原木 m3 40~50 0.9 2.0 露天 成材 m3 30~40 0.7 3.0 露天 枕木 m3 20~30 1.0 2.0 露天 灰板条 千根 20~30 5 3.0 棚 10 水泥 t 30~40 1.4 1.5 库 11 生石灰(块) t 20~30 1~1.5 1.5 棚 生石灰(袋装) t 10~20 1~1.3 1.5 棚 石膏 t 10~20 1.2~1.7 2.0 棚 12 砂、石子(人工堆置) m3 10~30 1.2 1.5 露天 砂、石子(机械堆置) m3 10~30 2.4 3.0 露天 13 块石 m3 10~20 1.0 1.2 露天 14 红砖 千块 10~30 0.5 1.5 露天 15 耐火砖 t 20~30 2.5 1.8 棚 16 粘土瓦、水泥瓦 千块 10~30 0.25 1.5 露天 17 石棉瓦 张 10~30 25 1.0 露天 18 水泥管、陶土管 t 20~30 0.5 1.5 露天 19 玻璃 箱 20~30 6~10 0.8 棚或库 20 卷材 卷 20~30 15~24 2.0 库 21 沥青 t 20~30 0.8 1.2 露天 22 液体燃料润滑油 t 20~30 0.3 0.9 库 23 电石 t 20~30 0.3 1.2 库 24 炸药 t 10~30 0.7 1.0 库 25 雷管 t 10~30 0.7 1.0 库 26 煤 t 10~30 1.4 1.5 露天 27 炉渣 m3 10~30 1.2 1.5 露天 28 钢筋混凝土构件 m3 板 m3 3~7 0.14~0.24 2.0 露天 梁、柱 m 3~7 0.12~0.18 1.2 露天 29 钢筋骨架 t 3~7 0.12~0.18 - 露天 30 金属结构 t 3~7 0.16~0.24 - 露天 31 钢件 t 10~20 0.9~1.5 1.5 露天或棚 32 钢门窗 t 10~20 0.65 2 棚 33 木门窗 m2 3~7 30 2 棚 34 木屋架 m3 3~7 0.3 - 露天 35 模板 m3 3~7 0.7 - 露天 36 大型砌块 m3 3~7 0.9 1.5 露天 37 轻质混凝土制品 m3 3~7 1.1 2 露天 38 水、电及卫生设备 t 20~30 0.35 1 棚、库各约占1/4 39 工艺设备 t 30~40 0.6~0.8 - 露天约占1/2 40 多种劳保用品 件 250 2 库 注:1.当采用散装水泥时设水泥罐,其容积按水泥周转量计算,不再设集中水泥库; 2.块石、砖、水泥管等以在建筑物附近堆放为原则,一般不设集中堆场。 按系数计算仓库面积参考资料 表34-21 序号 名称 计算基数(m) 单位 系数(φ) 备注 1 仓库(综合) 按年平均全员人数(工地) m2/人 0.7~0.8 陕西省一局统计手册 2 水泥库 按当年水泥用量的40%~50% m2/t 0.7 黑龙江、安徽省用 3 其他仓库 按当年工作量 m2/万元 1~1.5 4 五金杂品库 按年建安工作量计算时 m2/万元 0.1~0.2 5 五金杂品库 按年平均在建建筑面积计算时 m2/百m2 0.5~1 原华东院施工组织设计手册 土建工具库 按高峰年(季)平均全员人数 m2/人 0.1~0.2 建研院、一机部一院资料 6 水暖器材库 按年平均在建建筑面积 m2/百m2 0.2~0.4 建研院、一机部一院资料 7 电器器材库 按年平均在建建筑面积 m2/百m2 0.3~0.5 建研院、一机部一院资料 8 化工油漆危险品仓库 按年建安工作量 m2/万元 0.05~0.1 9 三大工具堆场 按年平均在建建筑面积 m2/百m2 1~2 (脚手、跳板、模板) 按年建安工作量 m2/万元 0.3~0.5 34-3-1-5 生活用房屋 1.计算内容 在工程建设期间,必须为施工人员修建一定数量供生活用的建筑房屋。 生活用房屋包括:职工宿舍、招待所、浴室、理发室、食堂等。 生活用房的种类,大小视工程所在位置、工期长短、规模大小等确定。 生活用房的组织,一般有以下内容: (1)计算施工期间使用生活用房的人数; (2)确定生活用房项目及其建筑面积; (3)选择生活用房的结构形式; (4)布置生活用房位置。 2.确定使用人数 (1)生产人员。生产人员中有:直接生产人员和其他生产人员。 (2)非生产人员。 3.所需面积 参见表34-22。 生活用房屋设施参考指标 表34-22 临时房屋名称 指标使用方法 参考指标 (m2/人) 备注 一、办公室 按干部人数 3~4 1.本表根据全国收集到的有代表性的企业、地区的资料综合 2.工区以上设置的会议室已包括在办公室指标内 3.家属宿舍应以施工期长短和离基情况而定,一般按高峰年职工平均人数的10%~30%考虑 4.食堂包括厨房、库房,应考虑在工地就餐人数和几次进餐 二、宿舍 按高峰年(季)平均职工人数 2.5~3.5 单层通铺 (扣除不在工地住宿人数) 2.5~3 双层床 2.0~2.5 单层床 3.5~4 三、食堂 按高峰年平均职工人数 0.5~0.8 四、食堂兼礼堂 按高峰年平均职工人数 0.6~0.9 五、其他合计 按高峰年平均职工人数 0.5~0.6 医务室 按高峰年平均职工人数 0.05~0.07 浴室 按高峰年平均职工人数 0.07~0.1 理发 按高峰年平均职工人数 0.01~0.03 浴室兼理发 按高峰年平均职工人数 0.08~0.1 其他公用 按高峰年平均职工人数 0.05~0.10 七、现场小型设施 开水房 10~40 厕所 按高峰年平均职工人数 0.02~0.07 工人休息室 按高峰年平均职工人数 0.15 34-3-2 施工运输设施 34-3-2-1 施工运输组织 施工运输可分为场外运输和场内运输两种。场外运输亦分两种:一是将货物由外地利用公路、水路或铁路运到工地;另一种是在本地区范围内的运输。 施工运输组织主要包括:货运量的确定;运输方式的选择;运输工具需要量的计算;运输线路的规划等。 1.确定货运量 货运总量应按工程实际需要测算。 施工工地所需运输的主要货物有建筑材料、半成品、构件和建筑企业的机械设备,还有工艺设备、燃料、废料以及职工生活福利用的物资。每日货运量计算如式(34-45)。 (34-45) 式中 qi——日货运量(t·km/日); Qi——整个单位工程的各类材料用量(t); Li——各类材料由发货地点到用货地点的距离(km); T——货物所需的运输天数(日); K——运输工作不均衡系数,铁路运输采用1.5;汽车运输采用1.2;水路运输采用1.3。 2.运输方式的选择及运输工具需要量的计算 在施工中,运输方式主要有水路运输、铁路运输、公路汽车运输等。 水路运输是最经济的一种运输方式,在可能条件下,应尽量用水路运输。采用水路运输时应注意与工地内部运输配合,码头上是否有转运仓库和卸货设备,同时还需考虑到洪水、枯水和每年正常通航期。 宽轨铁路运输的优点是运输量大,运距长、不受气候条件的限制,但投资大,筑路技术要求严格,当拟建工程需要铺设永久性专用线时或工地必须从国家铁路线上运来大量物料时适用。 窄轨铁路投资少,技术要求低,运输量少,运费高,多用于两固定点之间的运输,运距400m左右为宜。 汽车运输机动性大,行驶速度快,可直达使用地点,但运输量小,运输成本高。 (1)汽车台班产量计算公式 (34-46) 式中 q——汽车台班产量(t/台班); T1——台班工作时间(h); t——货物装卸时间(h); L——运输距离(km); v——汽车的计算运行速度(km/h) P——汽车载重量(t)(表34-23); K1——时间利用系数,一般采用0.9; K2——汽车吨位利用系数。 (2)汽车台数计算公式 (34-47) 式中 m——汽车台数; Q——全年(或全季)度最大运输量(t); K3——货物运输不均衡系数,场外运输一般采用1.2,场内运输1.1; q——汽车台班产量(t/台班); T——全年(或全季)的工作天数(d); n——日工作班数(班); K4——汽车供应系数,一般采用0.9。 各种货物装载量参考表 表34-23 货物名称 单位重 计算 单位 载重汽车 翻斗汽车 单位 数量 汽车吨位(t) 3.0 4.0 7.5 3.5 5.0 6.5 8.0 10.0 砂 kg/m3 1650 m3 1.8 2.4 4.5 2.1 3.6 3.9 4.4 5.9 河流石 kg/m3 1650 m3 1.8 2.4 4.5 2.1 3.6 3.9 4.4 5.9 红砖 kg/块 2.6 块 1150 1500 2800 1300 1900 2500 3050 3800 泥土 kg/m3 1650 m3 1.8 2.4 4.5 2.1 3.6 3.9 4.4 5.9 水泥 kg/袋 50 袋 60 80 150 70 100 130 160 200 块状生石灰 kg/m3 1000 m3 3.0 4.0 5.9 2.5 3.6 4.6 4.4 5.9 粉煤 kg/m3 1350 m3 2.2 2.9 5.5 2.5 3.6 4.6 4.4 5.9 块煤 kg/m3 1650 m3 1.8 2.4 4.5 2.1 3.6 3.9 4.4 5.9 煤渣 kg/m3 800 m3 3.7 4.7 5.9 2.5 3.6 4.6 4.4 5.9 耐火砖 kg/m块 3.7 块 800 1050 2000 900 1300 1750 2150 2700 注:水泥密度为1000~1600kg/m3,常采用1300kg/m3左右。 34-3-2-2 施工运输道路组织 可为施工服务的场外铁路专用线、场外公路或码头等永久性工程应先期建成投入使用,以解决场外运输问题,一般不再设场外临时施工铁路,公路。 1.铁路运输组织 当材料主要由铁路运输时,场内铁路运输线路的布置可根据建筑总平面中永久性铁路专用线布置主要运输干线,再按施工需要布置铁路支线。 施工铁路直线段的中心线与建筑物的距离在无路堤路堑时应满足下列要求: (1)距办公室及加工厂等房屋的凸出部分,在面向铁路侧有出入口时应不小于6m,无出入口时不小于3m; (2)距卸货站台、仓库、设备材料堆置场的距离可尽量接近铁路建筑限界; (3)卸货站台边缘距铁路中心线的最小尺寸在高于轨面1.1~4.8m部分为1.85m; (4)距公路最近边缘距离不小于3.75m; (5)与地下平行管线边缘之间的距离不小于3.5m。 厂内的货物装卸线一般应设在平直道上,在困难条件下也可设在不大于2.50%的坡道上及半径不小于500m的曲线上。条件特殊困难时非主要卸货线可设在半径不小于200m的曲线上。 场内道路与铁路尽量减少交叉。必须交叉时应采用正交。 2.公路运输组织 当材料主要用汽车运输时,应首先布置仓库和加工厂的位置,并将场内道路与场外公路接通。场内施工公路的位置宜尽量与正式工程永久性道路布置一致。主要施工区及货运量密集区场应放置环形道路。各加工区、堆场与施工区之间应有直通道路连接,消防车应能直达主要施工场所及易燃物堆场。 3.水路运输组织 现场采用水路运输时,应了解江、河、湖、海的季节性水位变化情况与通航期限,采取相应的水路运输措施。 34-3-2-3 对施工道路要求 1.简易公路技术要求(表34-24) 简易公路技术要求表 表34-24 指标名称 单位 技术标准 设计车速 km/h ≤20 路基宽度 m 双车道6~6.5;单车道4.4~5;困难地段3.5 路面宽度 m 双车道5~5.5;单车道3~3.5 平面曲线最小半径 m 平原、丘陵地区20;山区15;回头弯道12 最大纵坡 % 平原地区6;丘陵地区8;山区9 纵坡最短长度 m 平原地区100;山区50 桥面宽度 m 木桥4~4.5 桥涵载重等级 t 木桥涵7.8~10.4(汽-6~汽-8) 2.各类车辆要求路面最小允许曲线半径(表34-25) 各类车辆要求路面最小允许曲线半径 表34-25 车辆类型 路面内侧最小曲线半径(m) 无拖车 有1辆拖车 有2辆拖车 小客车、三轮汽车 6 - - 一般二轴载重汽车:单车道 9 12 15 双车道 7 - - 三轴载重汽车、重型载重汽车、公共汽车 12 15 18 超重型载重汽车 15 18 21 3.施工道路路面种类和厚度(表34-26) 施工道路路面种类和厚度 表34-26 路面种类 特点及其使用条件 路基土 路面厚度(cm) 材料配合比 级配砾石路面 雨天照常通车,可通行较多车辆,但材料级配要求严格 砂质土 10~15 体积比: 粘土:砂:石子=1:0.7:3.5 重量比: 1.面层:粘土13%~15%,砂石料85%~87% 2.底层:粘土10%,砂石混合料90% 粘质土或黄土 14~18 碎(砾)石路面 雨天照常通车,碎(砾)石本身含土较多,不加砂 砂质土 10~18 碎(砾)石>65%,当地土壤含量≤35% 砂质土或黄土 15~20 碎砖路面 可维持雨天通车,通行车辆较少 砂质土 13~15 垫层:砂或炉渣4~5cm 底层:7~l0cm碎砖 面层:2~5cm碎砖 粘质土或黄土 15~18 炉渣或矿渣路面 可维持雨天通车,通行车辆较少,当附近有此项材料可利用时 一般土 10~15 炉渣或矿渣75%,当地土25% 较松软时 15~30 砂土路面 雨天停车,通行车辆较少,附近不产石料而只有砂时 砂质土 15~20 粗砂50%,细砂、粉砂和粘质土50% 粘质土 15~30 风化石屑路面 雨天不通车,通行车辆较少,附近有石屑可利用 一般土壤 10~15 石屑90%,粘土10% 石灰土路面 雨天停车,通行车辆少,附近产石灰时 一般土壤 10~13 石灰10%,当地土壤90% 34-3-3 施工供水设施 34-3-3-1 确定供水数量 1.现场施工用水量可按下式计算: (34-48) 式中 q1——施工用水量(L/s); K1——未预计的施工用水系数(1.05~1.15); Q1——年(季)度工程量(以实物计量单位表示); N1——施工用水定额(表34-27); T1——年(季)度有效作业日(d); t——每天工作班数(班); K2——用水不均衡系数(表34-28)。 施工用水参考定额 表34-27 序号 用水对象 单位 耗水量(N1) 备注 1 浇注混凝土全部用水 L/m3 1700~2400 2 搅拌普通混凝土 L/m3 250 3 搅拌轻质混凝土 L/m3 300~350 4 搅拌泡沫混凝土 L/m3 300~400 5 搅拌热混凝土 L/m3 300~350 6 混凝土养护(自然养护) L/m3 200~400 7 混凝土养护(蒸汽养护) L/m3 500~700 8 冲洗模板 L/m2 5 9 搅拌机清洗 L/台班 600 10 人工冲洗石子 L/m3 1000 当含泥量大于2%小于3%时 11 机械冲洗石子 L/m3 600 12 洗砂 L/m3 1000 13 砌砖工程全部用水 L/m3 150~250 14 砌石工程全部用水 L/m3 50~80 15 抹灰工程全部用水 L/m2 30 16 耐火砖砌体工程 L/m3 100~150 包括砂浆搅拌 17 浇砖 L/千块 200~250 18 浇硅酸盐砌块 L/m3 300~350 19 抹面 L/m2 4~6 不包括调制用水 20 楼地面 L/m2 190 主要是找平层 21 搅拌砂浆 L/m3 300 22 石灰消化 L/t 3000 23 上水管道工程 L/m 98 24 下水管道工程 L/m 1130 25 工业管道工程 L/m 35 2.施工机械用水量可按下式计算: (34-49) 式中 q2——机械用水量(L/s); K1——未预计施工用水系数(1.05~1.15); Q2——同一种机械台数(台); N2——施工机械台班用水定额,参考表34-29中的数据换算求得; K3——施工机械用水不均衡系数(表34-28)。 施工用水不均衡系数 表34-28 编号 用水名称 系数 K2 现场施工用水 1.5 附属生产企业用水 1.25 K3 施工机械、运输机械 2.00 动力设备 1.05~1.10 K4 施工现场生活用水 1.30~1.50 K5 生活区生活用水 2.00~2.50 3.施工现场生活用水量可按下式计算: (34-50) 式中 q3——施工现场生活用水量(L/s); P1——施工现场高峰昼夜人数(人); N3——施工现场生活用水定额(一般为20~60L/人·班,主要需视当地气候而定); K4——施工现场用水不均衡系数(表34-28); t——每天工作班数(班)。 机械用水工参考定额 表34-29 序号 用水机械名称 单位 耗水量(L) 备注 1 内燃挖土机 m3·台班 200~300 以斗容量m3计 2 内燃起重机 t·台班 15~18 以起重机吨数计 3 蒸汽起重机 t·台班 300~400 以起重机吨数计 4 蒸汽打桩机 t·台班 1000~1200 以锤重吨数计 5 内燃压路机 t·台班 15~18 以压路机吨数计 6 蒸汽压路机 t·台班 100~150 以压路机吨数计 7 拖拉机 台·昼夜 200~300 8 汽车 台·昼夜 400~700 9 标准轨蒸汽机车 台·昼夜 10000~20000 10 空压机 (m3/min)·台班 40~80 以空压机单位容量计 11 内燃机动力装置(直流水) 马力·台班 120~300 12 内燃机动力装置(循环水) 马力·台班 25~40 13 锅炉 t·h 1050 以小时蒸发量计 14 点焊机25型 台·h 100 50型 台·h 150~200 75型 台·h 250~300 15 对焊机 台·h 300 16 冷拔机 台·h 300 17 凿岩机型 台·min 3~8 YQ-100型 台·min 8~12 18 木工场 台班 20~25 19 锻工房 炉·台班 40~50 以烘炉数计 4.生活区生活用水量可按下式计算: (34-51) 式中 q4——生活区生活用水(L/s); P2——生活区居民人数(人); N4——生活区昼夜全部生活用水定额,每一居民每昼夜为100~120L,随地区和有无室内卫生设备而变化;各分项用水参考定额见表34-30; K5——生活区用水不均衡系数见表34-28。 5.消防用水量(q5),见表34-31。 6.总用水量(Q)计算: (1)当(q1+q2+q3+q4)≤q5时,则Q=q5+(q1+q2+q3+q4)/2 (2)当(q1+q2+q3+q4)>q5时,则Q=q1+q2+q3+q4 (3)当工地面积小于5ha而且(q1+q2+q3+q4)<q5时,则Q=q5,最后计算出的总用量,还应增加10%,以补偿不可避免的水管漏水损失。 分项生活用水量参考定额 表34-30 序号 用水对象 单位 耗水量 1 生活用水(盥洗、饮用) L/人·日 20~40 2 食堂 L/人·次 10~20 3 浴室(淋浴) L/人·次 40~60 4 淋浴带大池 L/人·次 50~60 5 洗衣房 L/kg干衣 40~60 6 理发室 L/人·次 10~25 7 学校 L/学生·日 10~30 8 幼儿园托儿所 L/儿童·日 75~100 9 病院 L/病床·日 100~150 消防用水量 表34-31 序号 用水名称 火灾同时发生次数 单位 用水量 1 居民区消防用水 5000人以内 一次 L/s 10 10000人以内 二次 L/s 10~15 25000人以内 二次 L/s 15~20 2 施工现场消防用水 施工现场在25ha内 一次 L/s 10~15 每增加25ha 一次 L/s 5 34-3-3-2 选择水源 1.水源选择 建筑工地供水水源,最好利用附近居民区或企业职工居住区的现有供水管道,只有在建筑工地附近没有现成的给水管道,或现有管道无法利用时,才宜另选天然水源。 (1)天然水源的种类有:地面水,如江水、湖水、水库蓄水等;地下水,如泉水、井水等。 (2)选择水源必须考虑下列因素: 1
展开阅读全文

开通  VIP会员、SVIP会员  优惠大
下载10份以上建议开通VIP会员
下载20份以上建议开通SVIP会员


开通VIP      成为共赢上传
相似文档                                   自信AI助手自信AI助手

当前位置:首页 > 环境建筑 > 安全文明施工

移动网页_全站_页脚广告1

关于我们      便捷服务       自信AI       AI导航        抽奖活动

©2010-2025 宁波自信网络信息技术有限公司  版权所有

客服电话:0574-28810668  投诉电话:18658249818

gongan.png浙公网安备33021202000488号   

icp.png浙ICP备2021020529号-1  |  浙B2-20240490  

关注我们 :微信公众号    抖音    微博    LOFTER 

客服