收藏 分销(赏)

海底交联聚乙烯电力电缆机械性能试验方法介绍.pdf

上传人:perfe****esky 文档编号:37254 上传时间:2021-05-15 格式:PDF 页数:3 大小:230.51KB 下载积分:0 金币
下载 相关 举报
海底交联聚乙烯电力电缆机械性能试验方法介绍.pdf_第1页
第1页 / 共3页
海底交联聚乙烯电力电缆机械性能试验方法介绍.pdf_第2页
第2页 / 共3页


点击查看更多>>
资源描述
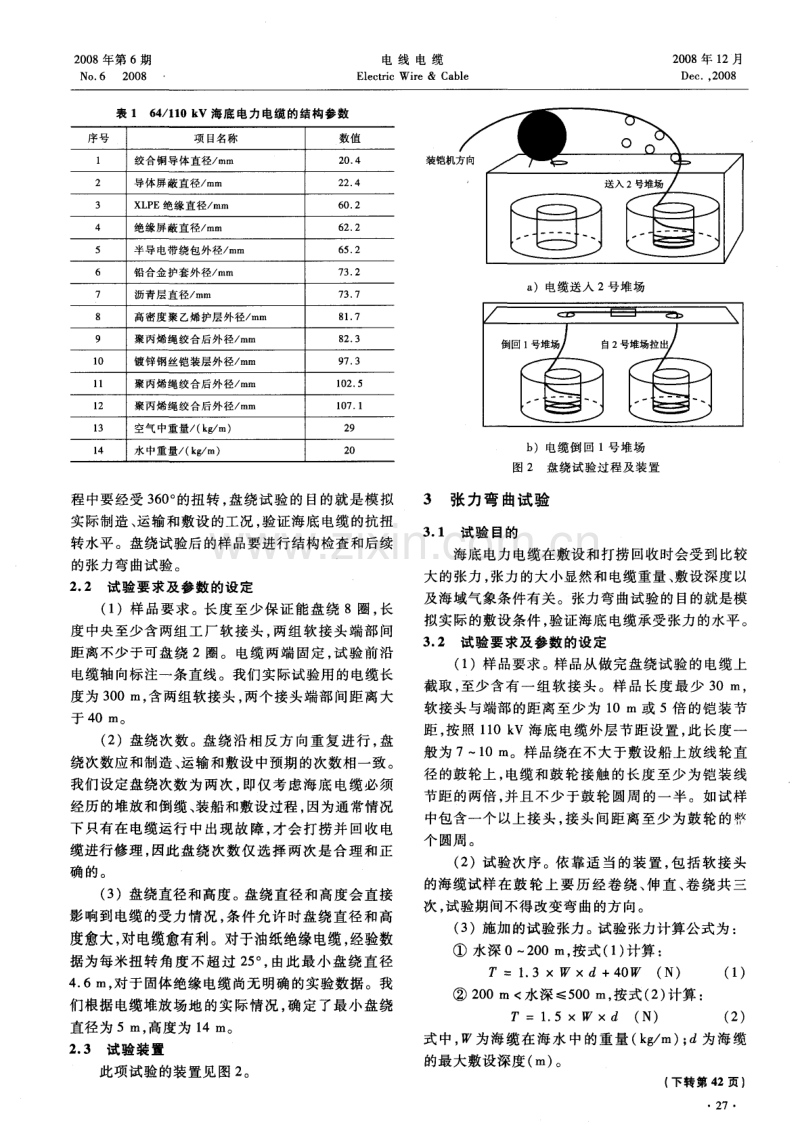
2 0 0 8年第 6期 No . 6 2 008 电 线 电 缆 El e c t ric W i r e& Ca b l e 2 0 0 8年 1 2月 De c ., 2 00 8 海底交联聚乙烯 电力电缆机械性能试验方法介绍 茅 雁 , 王 瑛 ( 1 . 上海电缆厂有限公司 , 上海 2 0 0 0 9 3 ; 2 . 上海上缆藤仓电缆有限公 司 , 上海 2 0 0 0 9 3 ) 摘 要 : 本文对海底 交联聚 乙烯 电力电缆 的机械性 能试验 方法进行 了综合 的描述 , 并结合制造厂 商的具体现 场 情 况对试验 的过程进行 了简单讨论 。 关键词 : 海底交联聚 乙烯 电力 电缆 ; 机械性 能 ; 试验 中图分类号 : T M 2 4 7 . 9 文献标识码 : A 文章编号 : 1 6 7 2 - 6 9 0 1 ( 2 0 0 8 ) 0 6 - 0 0 2 6 - 0 3 I nt r o du c t i o n t o t he M e c h an i c a l Te s t M e t ho ds f o r Su bm a r i ne XLPE Po we r Ca b l e s MAO Ya n. e t a l ( S h a n g h a i C a b l e Wo r k s C o . , L t d . , S h a n g h a i 2 0 0 0 9 3 , C h i n a ) Abs t r a ct :Th e me c h a ni c a l t e s t me t h o d s f o r s u b ma rin e XLP E p o we r c a b l e s we r e s umma riz e d. Th e t e s t pr o c e d ur e s we r e di s c u s s e d b rie fly c o n s i d e r i n g t h e a c t ua l c o n di t i o n s o f c a b l e ma n u f a c t u r e r s . Ke y wor ds :s u bma r i ne XLP E p o we r c a bl e;me c ha n i c a l p r o p e r t i e s;t e s t i ng 0 引 言 随着海 洋经 济 的蓬 勃发 展 , 海 底交 联 聚乙烯 ( X L P E ) 电力电缆( 以下简称海底电力 电缆) 得到了 广大用户的推崇。尤其是最近几年随着沿海岛屿开 发、 石油平台、 海上风电等大量项 目建设 的需要 , 海 底 电力 电缆 的需 求 日益增 加 。 海 底 电力 电缆 和 陆上 电缆 相 比 , 其 制 造 过程 和 敷设 过 程不 一样 , 运行 维 护 的要 求 也不 一 样 。一 方 面海底电力电缆在生产、 运输 、 敷设和打捞过程 中, 会受到错综复杂的多因素机械外力的综合作用 ,另 一 方面一旦电缆出现故障后修理的难度大 、 周期长、 经济损失大。因此 , 如何评价海底 电缆抗御外力综 合作用的能力就显得尤其重要。国际大电网会议 自 1 9 7 2年开始 , 专门就此议题 , 组织小组研究 , 三易版 本提 出 了试 验 方 法 《 R e c o mm e n d a t i o n s f o r m e c h a n i c a l t e s t s o n s u b m a r i n e c a b l e s >) ⋯ , 推荐 了当电缆额 定电 压大 于 3 6 k V( 交 流 ) 或 1 0 0 k V( 直 流 ) 时 , 可采 用 此 试验方法考核海底 电力 电缆 ( 含工厂软接头 ) 的机 械以及 电气性能水平 。 由于试验方法特殊,目 前又没有统一的试验装 置, 因此国内只有少数几家电缆制造商设计相关 的 试验装置 , 考核海底电缆的机械性能。本文根据国 际大电网会议推荐的试验方法 的要求 , 结合实际的 收稿 日期 : 2 0 0 8 -05 — 1 0 作者 简介 : 茅雁 ( 1 9 6 9一) , 男 , 高级工程师 作者 地址 : 上海市军工路 1 0 7 6号 [ 2 0 0 0 9 3 ] . 电缆试验 , 重点介绍盘绕试 验和张力弯曲试验这两 个项 目。 1 电缆样品 试验的电缆样 品型号规格为 1 1 0 k V X J Q F 4 1 G 1 3 0 0 m m 交联聚乙烯绝缘海底 电力 电缆 , 电缆的 结构如 图 1 所示 , 结构尺寸见表 1 。 图 1 6 4 / 1 1 0 k V海底 电力 电缆 的结构 1 ~绞合铜导体 2 一导体屏蔽 3 一X L P E绝缘 4 一绝缘屏蔽 5 一半导电屏蔽带 6 一铅合金护套 7 一沥青护层 8 一高密度聚 乙烯护层 9 一 聚丙烯绳 1 O 一镀锌钢 丝铠装层 1 1 一聚丙烯绳 1 2 一 聚丙烯绳 2 盘绕试验 2 . 1 试验 目的 由于海底 电缆在堆放和倒缆 、 装船和敷设 的过 2 0 0 8年第 6期 No . 6 2 00 8 电 线 电 缆 El e c t r i c W i r e & Ca b l e 2 0 0 8年 1 2月 De c ., 20 0 8 表 1 6 4 / 1 1 0 k V海底电力电缆的结构参数 序 号 项 目名称 数值 1 绞合铜导体直径/ ram 2 0 . 4 2 导体屏蔽直径/ m m 2 2 . 4 3 X L P E绝缘直径/ ram 6 0 . 2 4 绝缘屏蔽直径/ m m 6 2 . 2 5 半导 电带绕包外径/ m m 6 5 . 2 6 铅合金护套外径/ ra m 7 3 . 2 7 沥青层直径/ m m 7 3 . 7 8 高密度 聚乙烯护层外径/ ra m 8 1 . 7 9 聚丙烯绳绞合后外径/ ra m 8 2 . 3 1 0 镀锌钢丝铠装层外径/ ra m 9 7 . 3 l 1 聚丙烯绳绞合后外径/ m m l 0 2 . 5 l 2 聚丙烯绳绞合后外径/ m m l O 7 . 1 1 3 空气 中重量/ ( k g / m) 2 9 1 4 水 中重量/ ( k s / m) 2 0 程中要经受 3 6 0 。 的扭转, 盘绕试验的 目的就是模拟 实际制造、 运输和敷设的工况 , 验证海底 电缆的抗扭 转水平。盘绕试验后的样品要进行结构检查和后续 的张力弯曲试验。 2 . 2试 验要 求及 参数 的设定 ( 1 )样 品要求。长度至少保证能盘绕 8圈, 长 度 中 央至少含 两组 工 厂 软 接 头 , 两组 软接 头 端 部 间 距 离不 少于 可盘 绕 2圈 。 电缆 两端 固定 , 试 验 前 沿 电缆轴 向标注一条直线 。我们实际试验用的电缆长 度为 3 0 0 r n , 含两组软接头 , 两个接头端部间距离大 于 4 0 m。 ( 2 )盘绕次数。盘绕沿相反方 向重复进行 , 盘 绕次数应和制造、 运输和敷设 中预期的次数相一致 。 我们设定盘绕次数为两次 , 即仅考虑海底 电缆必须 经历 的堆放和倒缆 、 装船和敷设过程 , 因为通常情况 下只有在电缆运行 中出现故障, 才会 打捞并 回收电 缆进行修理 , 因此盘绕次数仅选择两次是合理和正 确 的 。 ( 3 )盘绕直径和高度 。盘绕直径和高度会直接 影响到电缆的受力情况 , 条件允许时盘绕直径 和高 度愈大, 对电缆愈有利。对于油纸绝缘电缆, 经验数 据为每米扭转 角度不超过 2 5 。 , 由此最小盘绕直径 4 . 6 m, 对于固体绝缘 电缆尚无明确的实验数据 。我 们根据电缆堆放场地的实际情况 , 确定 了最小盘绕 直径为 5 m, 高度为 1 4 1 1 3 。 2 . 3 试验 装 置 此项试 验 的装 置见 图 2 。 装铠机 a )电缆送入 2号堆场 b )电 缆倒 回 1号堆 场 图 2 盘绕试验过程及装置 3张力弯 曲试验 3 . 1试验 目的 海底电力电缆在敷设和打捞回收时会受到比较 大 的张力 , 张力 的大 小显 然和 电缆 重量 、 敷设 深度 以 及海域气象条件有关 。张力弯 曲试验的目的就是模 拟实际的敷设条件 , 验证海底电缆承受张力的水平 。 3 . 2 试验要求及参数的设定 ( 1 )样 品要求。样品从做完盘绕试验的电缆上 截取 , 至少含有一组软接头。样 品长度最少 3 0 m, 软接头与端部的距离至少为 1 0 m或 5倍 的铠装节 距 , 按照 1 1 0 k V海底电缆外层节距设置 , 此长度一 般为 7—1 0 m。样品绕在不大于敷设船上放线轮直 径的鼓轮上, 电缆和鼓轮接触的长度至少为铠装线 节距的两倍 , 并且不少于鼓轮 圆周的一半。如试样 中包含一个 以上接头 , 接头间距离 至少为鼓轮的 个 圆周 。 ( 2 )试验次序。依靠适 当的装置 , 包括软接头 的海缆试样 在鼓 轮上要历经卷绕 、 伸直 、 卷绕共三 次 , 试验期间不得改变弯曲的方 向。 ( 3 )施 加 的试验 张力 。试 验张 力计 算公 式为 : ① 水深 0~ 2 0 0 m, 按式( 1 ) 计算 : T =1 . 3W d+4 0 W( N) ( 1 ) ② 2 0 0 m《 水深 ≤5 0 0 m, 按式( 2 ) 计算 : T= 1 . 5W d( N) ( 2 ) 式中, 为海缆在海水 中的重量 ( k g / m) ; d为海缆 的最大敷设深度 ( m) 。 ( 下转第 4 2页 ) 2 0 0 8年第 6期 No 。 6 20 08 电 线 电 缆 El ec t r i c W i r e& Ca b l e 2 0 0 8年 1 2月 De c ., 2 0 08 缆 的速度 应 为 : = ( 1+ f ) / L = ⋯ ) 3 海底斜坡敷设海缆速 度变更的时间确定 海缆敷设施工过程 中, 当遇到海底有不 同坡度 的斜面 , 并在其上进行敷设时, 必须要计算确定何时 变更海缆敷设的速度 , 也就是说 , 要计算 出从海缆敷 设船正位于海底倾斜地形变化的起始点到实际敷设 的海缆落到海底倾斜地形终止点所经历 的时间 ( 见 图 5 ) 。 图 5 海缆敷设速度变更时 间的确定 图 5为海缆敷设速度变更 的时间的确定 。如 图 5所 示 , 假 设 海 缆 船 在 时 间 内的行 驶 距 离 为 ,海缆入水角为 o t , 从海平面到海缆落地点 的海 水深度为 h , 可得关系式 ( 1 2 ) : t a n c t= / T ( 1 2 ) 上式可变换为: = h / ( V fla n o t ) ( 1 3 ) 那么, 可以知道 , 如果海缆船通过探测设备确定 海底倾斜变化位置后 , 可通过式 ( 1 3 ) 计算获得的时 间 后 , 就要控制海缆敷设速度变更为 : = 式 中, 正号为在下降倾斜面时, 负号为在上升倾斜面 时 。通过上述海缆敷设速度变更后 , 才能使得敷设 的海缆紧贴敷设于海底倾斜面上。 4 结束语 以上论述 了海缆敷设施工过程中, 在海底 的不 同斜面上敷设海缆 时, 如何恰 当控制海缆 的敷设速 度 。而在实际施工中, 海缆敷设的环境是相 当复杂 的, 受到潮汐、 海流等诸多 因素的影 响, 为 了不断提 高海缆敷设的质量 , 使海缆传输系统的构建更加牢 固可靠 , 进一步深入研究海缆敷设过程 中所面临的 各种问题是很有必要的。 参 考 文 献 : [ 1 ] 曾达人 主编. 海底 通信 电缆 工程技术 手册 [ M】 . 北京 : 解 放军 出版社 , 2 0 0 0 . [ 2 ] 日本 电子通信 学会 编 ( 王远 程译 ) . 海底 同轴 电缆 通信 系统 [ M] . 北京 : 人 民邮电出版社 , 1 9 8 5 . ( 上 接 第 2 7页 ) 计算时将重量单位 ( k g ) 转换为力的单位 ( N) , 即 1 k g = 9 . 8 N, 并将计算后的试验张力 大致修约 到 1 0 0 N的整数倍 , 作为实际施加的试验张力 , 即实 际的施加张力要与计算 张力相一致, 并略大于计算 值。 参考了大量 国内海缆安装数据 , 发现 国内海底 电缆的敷设水域 , 水深基本上 在 1 0 0 1 T I 深度 以 内。 如舟山海域通常为 2 0— 7 0 n l 左右 , 福建海域通常为 3 0~ 5 O m以内。因此我们选取 d=1 0 0 m, 并计算及 修 约后 , 可得 T= 3 0 0 0 0 N。施加 的 张力 可 通 过安 装 的拉式负荷传感器进行测量 。 ( 4 )试验鼓轮的设置。 我们走访了包括中英海 底电缆 、 上海基础公司以及上海打捞局等专业海底 电缆敷设机构 , 比较主流的敷设形式 , 基本上是采取 履带式牵引送缆并辅助拖体放缆的敷放形式 , 从履 带牵引出来的海缆穿人船头 的拖体内( 该拖体 的弯 曲半径一般在 3 m左右 ) , 并 由该 拖体 最终控制 电 缆的施放角度 以及在海底的埋设位置。参考这样 的 典型海底电缆施放方法 , 我们将 1 1 0 k V海缆的张力 .42 . 弯 曲试验的鼓轮直径设置为 6 m。 ( 5 )端头固定 。按照要求 , 电缆端头必须采取 特殊的固定形式 ,以确保电缆导体和铠装层同步受 力 。依照这一要求, 设计了特殊结构的牵引头, 采取 导体中心压接和铠装层分层压接 等固定的措 施, 以 改善在试验过程中导体和铠装同步受力的情况。 ( 6 )张力弯曲试验后的样品应进行电缆结构的 检查和后续的电气性能的试验。 4 结束 语 海底电缆工程价值高, 施工条件恶劣, 风险大, 一 有差错会造成巨大的经济损失。因此进行机械性 能试验 以验证所设计的电缆是否满足实际的工作环 境 , 是十分必要的。同时通过试验积累数据 , 也可对 堆放和敷设工具提出要求 , 以保证 电缆的质量。 参 考 文 献 : [ 1 ] Wo r k i n g G r o u p 0 2 1 o f S t u d y C o mm i t t e e 2 1 .R e c o m me n d a t i o n s f o r m e c h a n i c a l t e s t o n s u b ma r i n e c a b l e s [ J ] . E l e c t r a , 1 9 9 7 , ( 1 7 1 ) : 5 9 ’ 6 5.
展开阅读全文

开通  VIP会员、SVIP会员  优惠大
下载10份以上建议开通VIP会员
下载20份以上建议开通SVIP会员


开通VIP      成为共赢上传

当前位置:首页 > 行业资料 > 能源/动力工程

移动网页_全站_页脚广告1

关于我们      便捷服务       自信AI       AI导航        抽奖活动

©2010-2026 宁波自信网络信息技术有限公司  版权所有

客服电话:0574-28810668  投诉电话:18658249818

gongan.png浙公网安备33021202000488号   

icp.png浙ICP备2021020529号-1  |  浙B2-20240490  

关注我们 :微信公众号    抖音    微博    LOFTER 

客服