收藏 分销(赏)

220KV南票变电站工程质量检查验评项目划分表.doc

上传人:胜**** 文档编号:3331433 上传时间:2024-07-02 格式:DOC 页数:14 大小:504KB 下载积分:10 金币
下载 相关 举报
220KV南票变电站工程质量检查验评项目划分表.doc_第1页
第1页 / 共14页
220KV南票变电站工程质量检查验评项目划分表.doc_第2页
第2页 / 共14页


点击查看更多>>
资源描述
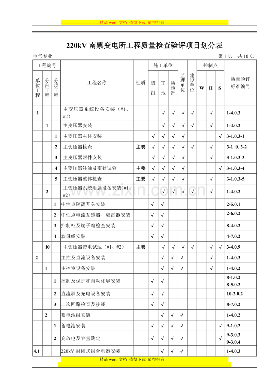
----------------------------精品word文档 值得下载 值得拥有---------------------------------------------- 220kV南票变电所工程质量检查验评项目划分表 电气专业 第1页 共10页 工程编号 工程名称 性质 施工单位 监理单位 建设单位 控制点 质量验评 标准编号 单位工程 分部工程 分项工程 班 组 工 地 质检部 W H S 1 主变压器系统设备安装(#1、#2) √ √ √ √ √ 1-4.0.3 1 主变压器安装 √ √ √ √ √ 1-4.0.2 1 主变压器主体安装 √ √ √ √ √ 3-1.0.3-1 2 主变压器检查 主要 √ √ √ √ √ √ 3-1 .0. 3-2 3 主变压器附件安装 √ √ √ √ √ 3-1.0.3-3 4 主变压器注油及密封试验 主要 √ √ √ √ √ 3-1.0.3-4 5 主变压器整体检查 主要 √ √ √ √ √ 3-1.0.3-5 2 主变压器系统附属设备安装(#1、#2) √ √ √ √ √ 1-4.0.2     1 中性点隔离开关安装   √ √     2-5.0.1     2 中性点电流互感器、避雷器安装   √ √     2-6.0.2     3 控制柜及端子箱检查安装   √ √     8-4.0.2     4 软母线安装   √ √     4-7.0.2 10 主变压器带电试运(#1、#2) 主要 √ √ √ √ √ √ 3-4.0.9 2     主控及直流设备安装     √ √ √ √ 1-4.0.3   1   主控室设备安装     √ √ √ √ 1-4.0.2     1 控制及保护和自动化屏安装   √ √     8-1.0.2 8-5.0.2     2 直流屏及充电设备安装   √ √     10-2.0.2     3 二次回路检查及接线   √ √     8-7.0.2   2   蓄电池组安装     √ √ √ 1-4.0.2     1 蓄电池安装   √ √ √ √ √ 9-1.0.2     2 充放电及容量测定   √ √ √ √ √ 9-3.0.3 9-3.0.4 4.1     220kV封闭式组合电器安装     √ √ √ 1-4.0.3   1   封闭式组合电器检查安装     √ √ √ 1-4.0.2 220kV南票变电所工程质量检查验评项目划分表 电气专业 第2页 共10页 工程编号 工程名称 性质 施工单位 监理单位 建设单位 控制点 质量验评 标准编号 单位工程 分部工程 分项工程 班 组 工 地 质检部 W H S     1 基础检查   √ √     2-1.0.1   2 封闭式组合电器本体检查安装 主要 √ √ √ √ √ √ 2-1.0.2 2.1 南杨线间隔封闭式组合电器本体检查安装 主要 √ √ √ √ √ √ 2-1.0.2 2.2 #2主变间隔封闭式组合电器本体检查安装 主要 √ √ √ √ √ √ 2-1.0.2 2.3 电南#2线间隔封闭式组合电器本体检查安装 主要 √ √ √ √ √ √ 2-1.0.2 2.4 母联间隔封闭式组合电器本体检查安装 主要 √ √ √ √ √ √ 2-1.0.2 2.5 Ⅱ母PT间隔封闭式组合电器本体检查安装 主要 √ √ √ √ √ √ 2-1.0.2 2.6 电南#1线间隔封闭式组合电器本体检查安装 主要 √ √ √ √ √ √ 2-1.0.2 2.7 Ⅰ母PT间隔封闭式组合电器本体检查安装 主要 √ √ √ √ √ √ 2-1.0.2 2.8 #1主变间隔封闭式组合电器本体检查安装 主要 √ √ √ √ √ √ 2-1.0.2 2.9 南沙线间隔封闭式组合电器本体检查安装 主要 √ √ √ √ √ √ 2-1.0.2   2   配套设备安装     √ √ √ √ 1-4.0.2     2 避雷器安装   √ √     2-6.0.2 2.1 南杨线间隔避雷器安装   √ √     2-6.0.2 2.2 #2主变间隔避雷器安装   √ √     2-6.0.2 2.3 电南#2线间隔避雷器安装   √ √     2-6.0.2 2.4 电南#1线间隔避雷器安装   √ √     2-6.0.2 2.5 #1主变间隔避雷器安装   √ √     2-6.0.2 2.6 南沙线间隔避雷器安装   √ √     2-6.0.2 3 软母线及引下线安装   √ √ √ √ √ 4-7.0.2 3.1 南杨线间隔软母线及引下线安装   √ √ √ √ √ 4-7.0.2 220kV南票变电所工程质量检查验评项目划分表 电气专业 第3页 共10页 工程编号 工程名称 性质 施工单位 监理单位 建设单位 控制点 质量验评 标准编号 单位工程 分部工程 分项工程 班 组 工 地 质检部 W H S 3.2 #2主变间隔软母线及引下线安装   √ √ √ √ √ 4-7.0.2 3.3 电南#2线间隔软母线及引下线安装   √ √ √ √ √ 4-7.0.2 3.4 电南#1线间隔软母线及引下线安装   √ √ √ √ √ 4-7.0.2     3.5 #1主变间隔软母线及引下线安装   √ √ √ √ √ 4-7.0.2 3.6 南沙线间隔软母线及引下线安装   √ √ √ √ √ 4-7.0.2   3   就地控制设备安装     √ √ √ 1-4.0.2     2 二次回路检查及接线   √ √     8-7.0.2 2.1 南杨线间隔二次回路检查及接线   √ √     8-7.0.2 2.2 #2主变间隔二次回路检查及接线   √ √     8-7.0.2 2.3 电南#2线间隔二次回路检查及接线   √ √     8-7.0.2 2.4 母联间隔二次回路检查及接线   √ √     8-7.0.2 2.5 Ⅱ母PT间隔二次回路检查及接线   √ √     8-7.0.2 2.6 电南#1线间隔二次回路检查及接线 √ √     8-7.0.2 2.7 Ⅰ母PT间隔二次回路检查及接线   √ √     8-7.0.2 2.8 #1主变间隔二次回路检查及接线   √ √     8-7.0.2 2.9 南沙线间隔二次回路检查及接线   √ √     8-7.0.2   10   220 kV封闭式组合电器带电试运 主要   √ √ √ √ 2-8.0.8 4.2     66kV封闭式组合电器安装     √ √ √ √ 1-4.0.3 1   封闭式组合电器检查安装     √ √ √ √ 1-4.0.2 1 基础检查   √ √     2-1.0.1 2 封闭式组合电器本体检查安装 主要 √ √ √ √ √ 2-1.0.2 2.1 预留出线间隔封闭式组合电器本体检查安装 主要 √ √ √ √ √ 2-1.0.2 2.2 亚鳄#1间隔封闭式组合电器本体检查安装 主要 √ √ √ √ √ 2-1.0.2 220kV南票变电所工程质量检查验评项目划分表 电气专业 第4页 共10页 工程编号 工程名称 性质 施工单位 监理单位 建设单位 控制点 质量验评 标准编号 单位工程 分部工程 分项工程 班 组 工 地 质检部 W H S 2.3 亚鳄#2间隔封闭式组合电器本体检查安装 主要 √ √ √ √ √ 2-1.0.2 2.4 硅铝钡钙间隔封闭式组合电器本体检查安装 主要 √ √ √ √ √ 2-1.0.2 2.5 #2所用变间隔封闭式组合电器本体检查安装 主要 √ √ √ √ √ 2-1.0.2 2.6 沙锅屯#1间隔封闭式组合电器本体检查安装 主要 √ √ √ √ √ 2-1.0.2 2.7 #2主变间隔封闭式组合电器本体检查安装 主要 √ √ √ √ √ 2-1.0.2 2.8 沙锅屯#2间隔封闭式组合电器本体检查安装 主要 √ √ √ √ √ 2-1.0.2 2.9 母联间隔封闭式组合电器本体检查安装 主要 √ √ √ √ √ 2-1.0.2 2.10 碳素间隔封闭式组合电器本体检查安装 主要 √ √ √ √ √ 2-1.0.2 2.11 Ⅱ母PT间隔封闭式组合电器本体检查安装 主要 √ √ √ √ √ 2-1.0.2 2.12 Ⅰ母PT间隔封闭式组合电器本体检查安装 主要 √ √ √ √ √ 2-1.0.2 2.13 九龙间隔封闭式组合电器本体检查安装 主要 √ √ √ √ √ 2-1.0.2 2.14 凌河间隔封闭式组合电器本体检查安装 主要 √ √ √ √ √ 2-1.0.2 2.15 三家子#1间隔封闭式组合电器本体检查安装 主要 √ √ √ √ √ 2-1.0.2 2.16 #1主变间隔封闭式组合电器本体检查安装 主要 √ √ √ √ √ 2-1.0.2 2.17 三家子#2间隔封闭式组合电器本体检查安装 主要 √ √ √ √ √ 2-1.0.2 2.18 杨杖子#1间隔封闭式组合电器本体检查安装 主要 √ √ √ √ √ 2-1.0.2 2.19 杨杖子#2、#1所用变间隔封闭式组合电器本体检查安装 主要 √ √ √ √ √ 2-1.0.2 2.20 暖池塘#1间隔封闭式组合电器本体检查安装 主要 √ √ √ √ √ 2-1.0.2 220kV南票变电所工程质量检查验评项目划分表 电气专业 第5页 共10页 工程编号 工程名称 性质 施工单位 监理单位 建设单位 控制点 质量验评 标准编号 单位工程 分部工程 分项工程 班 组 工 地 质检部 W H S 2.21 暖池塘#2间隔封闭式组合电器本体检查安装 主要 √ √ √ √ √ 2-1.0.2 2.22 虹螺蚬#1间隔封闭式组合电器本体检查安装 主要 √ √ √ √ √ 2-1.0.2 2.23 虹螺蚬#2间隔封闭式组合电器本体检查安装 主要 √ √ √ √ √ 2-1.0.2 2.24 #1电容器间隔封闭式组合电器本体检查安装 主要 √ √ √ √ √ 2-1.0.2 2.25 #2电容器间隔封闭式组合电器本体检查安装 主要 √ √ √ √ √ 2-1.0.2   3 电压互感器安装 主要 √ √ √ √ √ 3-3.0.1 3.1 Ⅱ母PT间隔电压互感器安装 主要 √ √ √ √ √ 3-3.0.1 3.1 Ⅰ母PT间隔电压互感器安装 主要 √ √ √ √ √ 3-3.0.1 2   配套设备安装     √ √ √ 1-4.0.2   2 避雷器安装   √ √     2-6.0.2 2.1 亚鳄#1间隔避雷器安装 √ √     2-6.0.2 2.2 亚鳄#2间隔避雷器安装 √ √     2-6.0.2 2.3 硅铝钡钙间隔避雷器安装   √ √     2-6.0.2 2.4 沙锅屯#1间隔避雷器安装 √ √     2-6.0.2 2.5 #2主变间隔避雷器安装 √ √     2-6.0.2 2.6 沙锅屯#2间隔避雷器安装 √ √     2-6.0.2 2.7 碳素间隔避雷器安装   √ √     2-6.0.2 2.8 九龙间隔避雷器安装   √ √     2-6.0.2 2.9 凌河间隔避雷器安装 √ √     2-6.0.2 2.10 三家子#1间隔避雷器安装 √ √     2-6.0.2 2.11 #1主变间隔避雷器安装 √ √     2-6.0.2 2.12 三家子#2间隔避雷器安装   √ √     2-6.0.2 2.13 杨杖子#1间隔避雷器安装   √ √     2-6.0.2 220kV南票变电所工程质量检查验评项目划分表 电气专业 第6页 共10页 工程编号 工程名称 性质 施工单位 监理单位 建设单位 控制点 质量验评 标准编号 单位工程 分部工程 分项工程 班 组 工 地 质检部 W H S 2.14 杨杖子#2、#1所用变间隔避雷器安装 √ √     2-6.0.2 2.15 暖池塘#1间隔避雷器安装 √ √     2-6.0.2 2.16 暖池塘#2间隔避雷器安装 √ √     2-6.0.2 2.17 虹螺蚬#1间隔避雷器安装 √ √     2-6.0.2 2.18 虹螺蚬#2间隔避雷器安装 √ √     2-6.0.2   3 软母线及引下线安装   √ √ √ √ √ 4-7.0.2 3.1 亚鳄#1间隔软母线及引下线安装   √ √ √ √ √ 4-7.0.2 3.2 亚鳄#2间隔软母线及引下线安装   √ √ √ √ √ 4-7.0.2 3.3 硅铝钡钙间隔软母线及引下线安装   √ √ √ √ √ 4-7.0.2 3.4 #2所用变间隔软母线及引下线安装   √ √ √ √ √ 4-7.0.2 3.5 沙锅屯#1间隔软母线及引下线安装   √ √ √ √ √ 4-7.0.2 3.6 #2主变间隔软母线及引下线安装   √ √ √ √ √ 4-7.0.2 3.7 沙锅屯#2间隔软母线及引下线安装   √ √ √ √ √ 4-7.0.2 3.8 母联间隔软母线及引下线安装   √ √ √ √ √ 4-7.0.2 3.9 碳素间隔软母线及引下线安装   √ √ √ √ √ 4-7.0.2 3.10 Ⅱ母PT间隔软母线及引下线安装   √ √ √ √ √ 4-7.0.2 3.11 Ⅰ母PT间隔软母线及引下线安装   √ √ √ √ √ 4-7.0.2 3.12 九龙间隔软母线及引下线安装   √ √ √ √ √ 4-7.0.2 3.13 凌河间隔软母线及引下线安装   √ √ √ √ √ 4-7.0.2 3.14 三家子#1间隔软母线及引下线安装   √ √ √ √ √ 4-7.0.2 3.15 #1主变间隔软母线及引下线安装   √ √ √ √ √ 4-7.0.2 3.16 三家子#2间隔软母线及引下线安装   √ √ √ √ √ 4-7.0.2 3.17 杨杖子#1间隔软母线及引下线安装   √ √ √ √ √ 4-7.0.2 3.18 杨杖子#2、#1所用变间隔软母线及引下线安装   √ √ √ √ √ 4-7.0.2 220kV南票变电所工程质量检查验评项目划分表 电气专业 第7页 共10页 工程编号 工程名称 性质 施工单位 监理单位 建设单位 控制点 质量验评 标准编号 单位工程 分部工程 分项工程 班 组 工 地 质检部 W H S 3.19 暖池塘#1间隔软母线及引下线安装   √ √ √ √ √ 4-7.0.2 3.20 暖池塘#2间隔软母线及引下线安装   √ √ √ √ √ 4-7.0.2 3.21 虹螺蚬#1间隔软母线及引下线安装   √ √ √ √ √ 4-7.0.2 3.22 虹螺蚬#2间隔软母线及引下线安装   √ √ √ √ √ 4-7.0.2 3.23 #1电容器间隔软母线及引下线安装   √ √ √ √ √ 4-7.0.2 3.24 #2电容器间隔软母线及引下线安装   √ √ √ √ √ 4-7.0.2 3   就地控制设备安装     √ √ √ √ 1-4.0.2   2 二次回路检查及接线   √ √     8-7.0.2 2.1 亚鳄#1间隔二次回路检查及接线   √ √     8-7.0.2 2.2 亚鳄#2间隔二次回路检查及接线   √ √     8-7.0.2 2.3 硅铝钡钙间隔二次回路检查及接线   √ √     8-7.0.2 2.4 #2所用变间隔二次回路检查及接线   √ √     8-7.0.2 2.5 沙锅屯#1间隔二次回路检查及接线   √ √     8-7.0.2 2.6 #2主变间隔二次回路检查及接线   √ √     8-7.0.2 2.7 沙锅屯#2间隔二次回路检查及接线   √ √     8-7.0.2 2.8 母联间隔二次回路检查及接线   √ √     8-7.0.2 2.9 碳素间隔二次回路检查及接线   √ √     8-7.0.2 2.10 Ⅱ母PT间隔二次回路检查及接线   √ √     8-7.0.2 2.11 Ⅰ母PT间隔二次回路检查及接线   √ √     8-7.0.2 2.12 九龙间隔二次回路检查及接线   √ √     8-7.0.2 2.13 凌河间隔二次回路检查及接线   √ √     8-7.0.2 2.14 三家子#1间隔二次回路检查及接线   √ √     8-7.0.2 2.15 #1主变间隔二次回路检查及接线   √ √     8-7.0.2 2.16 三家子#2间隔二次回路检查及接线   √ √     8-7.0.2 2.17 杨杖子#1间隔二次回路检查及接线   √ √     8-7.0.2 220kV南票变电所工程质量检查验评项目划分表 电气专业 第8页 共10页 工程编号 工程名称 性质 施工单位 监理单位 建设单位 控制点 质量验评 标准编号 单位工程 分部工程 分项工程 班 组 工 地 质检部 W H S 2.18 杨杖子#2、#1所用变间隔二次回路检查及接线   √ √     8-7.0.2 2.19 暖池塘#1间隔二次回路检查及接线   √ √     8-7.0.2 2.20 暖池塘#2间隔二次回路检查及接线   √ √     8-7.0.2 2.21 虹螺蚬#1间隔二次回路检查及接线   √ √     8-7.0.2 2.22 虹螺蚬#2间隔二次回路检查及接线   √ √     8-7.0.2 2.23 #1电容器间隔二次回路检查及接线   √ √     8-7.0.2 2.24 #2电容器间隔二次回路检查及接线   √ √     8-7.0.2 10   66 kV封闭式组合电器带电试运 主要   √ √ √ √ 2-8.0.8 5     66kV站用配电装置安装     √ √ √ √ 1-4.0.3   1   所用变压器安装(#1、#2)     √ √ √ √ 1-4.0.2     1 所用变压器本体安装   √ √     3-1.0.3-1     2 所用变压器检查 主要 √ √ √ √ √ √ 3-1.0.3-2     3 所用变压器附件安装   √ √     3-1.0.3-3     4 所用变压器注油及密封试验 主要 √ √ √ √ √ √ 3-1.0.3-4     5 所用变压器控制及端子箱安装   √ √     8-4.0.2     6 所用变压器整体检查 主要 √ √ √ √ √ 3-1.0.3-5   2   0.38kV配电柜安装     √ √ √ √ 1-4.0.2     1 0.38kV配电盘安装   √ √     8-2.0.1 8-2.0.2     2 0.38kV配电盘母线安装(Ⅰ段、Ⅱ段) 主要 √ √ √ √ √ 4-3.0.2     3 0.38kV配电盘断路器检查 主要 √ √ √ √ √ 2-3.0.2 2-4.0.1     4 0.38kV配电盘二次回路检查接线   √ √     8-7.0.2   4   0.38kV系统设备带电试运 主要   √ √ √ √ 1-5.0.5-2 1-5.0.5-3 6     无功补偿装置安装(#1、#2)     √ √ √ 1-4.0.3 220kV南票变电所工程质量检查验评项目划分表 电气专业 第9页 共10页 工程编号 工程名称 性质 施工单位 监理单位 建设单位 控制点 质量验评 标准编号 单位工程 分部工程 分项工程 班 组 工 地 质检部 W H S   1   电抗器安装(#1、#2)     √ √ √ 1-4.0.2     1 电抗器安装 主要 √ √ √ √ √ 3-1.0.2 2 引下线安装 4-7.0.2    2 电容器间隔安装(#1、#2) 1-4.0.2 1 电容器组安装     √ √ √ 2-7.0.3   2 引下线安装 4-7.0.2   10   电容器组带电试运(#1、#2)     √ √ √ 2-8.0.11 7     全站电缆施工     √ √ √ 1-4.0.3   1   电缆管配制及敷设     √ √ √ 1-4.0.2     1 电缆管配制及敷设   √ √     5-1.0.2   2   电缆架安装     √ √ √ √ 1-4.0.2     1 电缆架安装   √ √     5-1.0.3   3   电缆敷设     √ √ √ 1-4.0.2     1 屋内电缆敷设   √ √     5-2.0.2     2 屋外电缆敷设   √ √     5-2.0.2   4   电力电缆终端及中间接头制作     √ √ √ √ 1-4.0.2     1 电力电缆终端制作及安装   √ √     5-3.0.2   5   控制电缆终端制作及安装     √ √ √ √ 1-4.0.2     1 控制电缆终端制作及安装   √ √     5-3.0.3   6   电缆防火与阻燃     √ √ √ √ 1-4.0.2     1 电缆防火与阻燃 主要 √ √ √ √ √ 5-5.0.2 8     全站防雷及接地装置安装     √ √ √ 1-4.0.3   1   接地装置安装     √ √ √ 1-4.0.2     1 屋外接地装置安装 主要 √ √ √ √ √ 6-1.0.2 9     全站电气照明装置安装     √ √ √ 1-4.0.3 220kV南票变电所工程质量检查验评项目划分表 电气专业 第10页 共10页 工程编号 工程名称 性质 施工单位 监理单位 建设单位 控制点 质量验评 标准编号 单位工程 分部工程 分项工程 班 组 工 地 质检部 W H S   1   屋外开关站照明安装     √ √ √ 1-4.0.2     1 照明电缆管路敷设   √ √     16-1.0.2     2 管内配线及接线   √ √     16-2.0.2     3 照明配电箱(板)安装   √ √     17-3.0.2     4 照明灯具安装   √ √     17-2.0.2   10.1   屋外开关站照明回路通电检查 主要   √ √ √ √ 17-4.0.2  10     通信系统设备安装     √ √ √ 1-4-0.3   1   通信系统一次设备安装     √ √ √ 1-4.0.2     1 通信系统一次设备安装   √ √ √ √ √ 1-6.0.1   2   微波通信设备安装     √ √ √ 1-4.0.2     1 微波馈线安装   √ √ √ √ √ 1-6.0.3     2 微波机、光端及设备安装   √ √ √ √ 1-6.0.4     3 程控交换机安装   √ √ √ √ 1-6.0.5   3   通信蓄电池安装     √ √ √ 1-4.0.2     1 免维护蓄电池安装   √ √ √ √ √ 1-6.0.6     2 通信蓄电池充放电签证     √ √ √ 1-6.0.7 编制说明 一、 编制依据 1.《电力建设施工质量验收及评定规程》电
展开阅读全文

开通  VIP会员、SVIP会员  优惠大
下载10份以上建议开通VIP会员
下载20份以上建议开通SVIP会员


开通VIP      成为共赢上传

当前位置:首页 > 包罗万象 > 大杂烩

移动网页_全站_页脚广告1

关于我们      便捷服务       自信AI       AI导航        抽奖活动

©2010-2026 宁波自信网络信息技术有限公司  版权所有

客服电话:0574-28810668  投诉电话:18658249818

gongan.png浙公网安备33021202000488号   

icp.png浙ICP备2021020529号-1  |  浙B2-20240490  

关注我们 :微信公众号    抖音    微博    LOFTER 

客服