收藏 分销(赏)

斜井衬砌施工技术在南吕梁山隧道施工中的应用探究.doc

上传人:可**** 文档编号:3238181 上传时间:2024-06-26 格式:DOC 页数:8 大小:245.50KB 下载积分:10 金币
下载 相关 举报
斜井衬砌施工技术在南吕梁山隧道施工中的应用探究.doc_第1页
第1页 / 共8页
斜井衬砌施工技术在南吕梁山隧道施工中的应用探究.doc_第2页
第2页 / 共8页


点击查看更多>>
资源描述
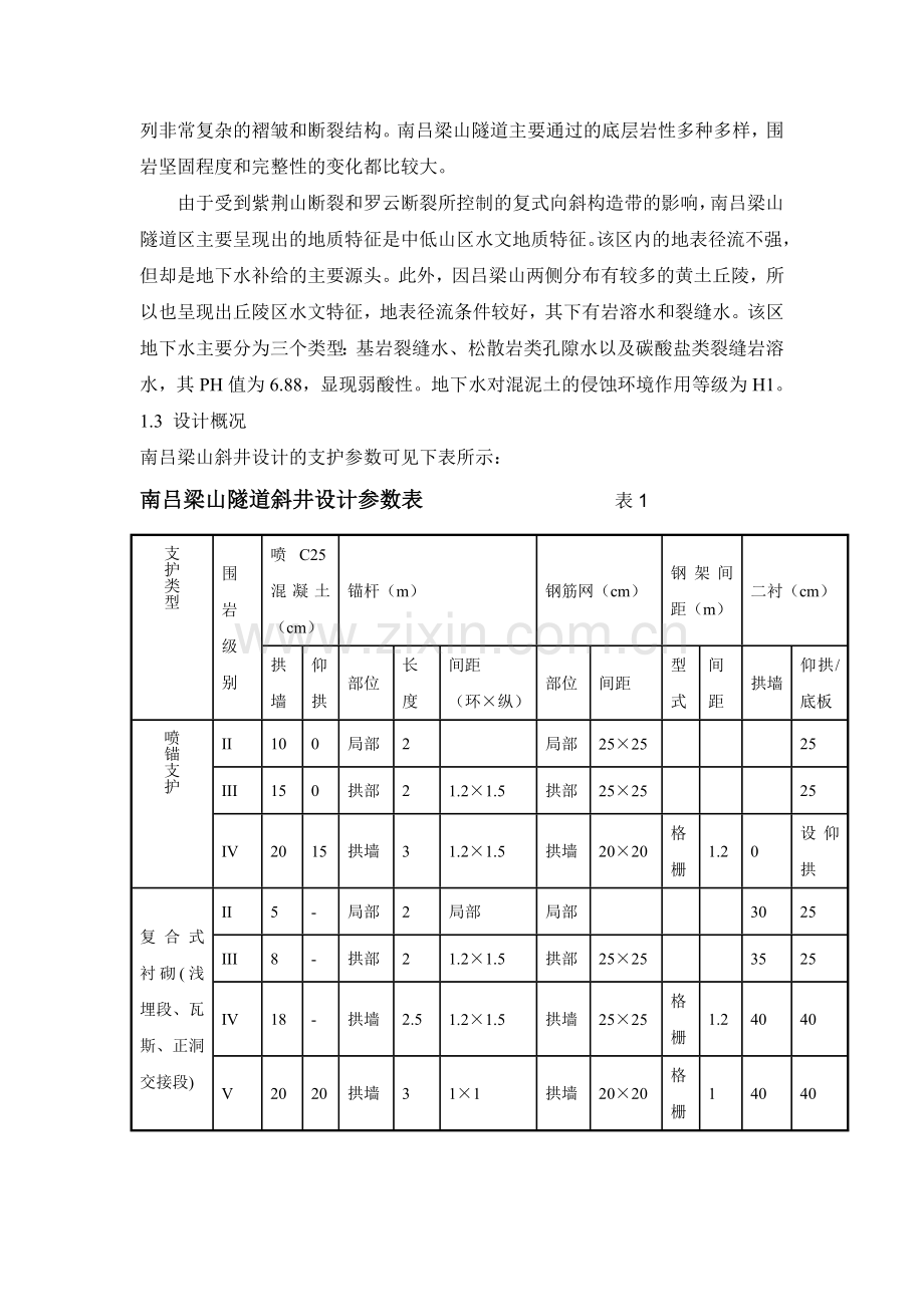
斜井衬砌施工技术在南吕梁山隧道施工中的应用探究 摘要:斜井衬砌施工技术被越来越广泛运用到目前的隧道施工当中。本文就南吕梁山隧道施工1号斜井为例,先分析了斜井施工的工程概况,再对斜井的施工方案和方法进行分析,阐述斜井衬砌施工技术在南吕梁山隧道施工过程中的具体应用,突出斜井施工技术在施工过程中的实用性和可操作性。 关键字:斜井衬砌;南吕梁山隧道;施工 为了满足我国发展的需求,隧道施工技术快速发展起来。在长隧道进行施工的过程中,为了便于施工,增加施工的工作面,加快施工进度,增设斜井和竖井成为了隧道施工过程中的必要手段。本文主要讲斜井施工在南吕梁山隧道施工中的应用。斜井即为为了方便施工在隧道的中间部位,从地面上斜着向下打出的一条连通正洞的隧道。衬砌技术主要用于隧道工程和水利渠道工程中。南吕梁山隧道施工中的衬砌施工就可利用斜井有效地完成。 一、 南吕梁山1号斜井工程概况 1.1 范围及工程概况 南吕梁山隧道的左线即为南吕梁山隧道1号所在位置,与正洞相交于DK304+200处,斜井总长为2460m,每300m设置了一个30m的长缓坡段,计算出的坡率是3%,其他地段的坡率为12%,是临时的工程。施工采用的运输方式是双车道无轨运输,每个缓坡段都设置了倒车洞室,以及防溜车砂堆。 1.2 地质、水文特征概况 以吕梁山为主干的吕梁山地区是侵蚀剥蚀基岩山区,南吕梁山隧道通过的地方即为吕梁山地区。该地区最高地段的海拔是1946m,一般来说,谷岭间的高度差在300~500m之间,主要以侵蚀为主,剥蚀作用相对次之。此外,西面坡有断崖出露,山势较为陡峭。东面坡有大量覆盖的黄土,地势相对比较平缓。隧道区域西面,主要是吕梁山坡的紫荆山断裂与鄂尔多斯盆地相接,东面则以霍山断裂和太岳山地相接。因区内经过了多次的构造改动,地质构造相对复杂,存在一系列非常复杂的褶皱和断裂结构。南吕梁山隧道主要通过的底层岩性多种多样,围岩坚固程度和完整性的变化都比较大。 由于受到紫荆山断裂和罗云断裂所控制的复式向斜构造带的影响,南吕梁山隧道区主要呈现出的地质特征是中低山区水文地质特征。该区内的地表径流不强,但却是地下水补给的主要源头。此外,因吕梁山两侧分布有较多的黄土丘陵,所以也呈现出丘陵区水文特征,地表径流条件较好,其下有岩溶水和裂缝水。该区地下水主要分为三个类型:基岩裂缝水、松散岩类孔隙水以及碳酸盐类裂缝岩溶水,其PH值为6.88,显现弱酸性。地下水对混泥土的侵蚀环境作用等级为H1。 1.3 设计概况 南吕梁山斜井设计的支护参数可见下表所示: 南吕梁山隧道斜井设计参数表 表1 支护类型 围岩级别 喷C25混凝土(cm) 锚杆(m) 钢筋网(cm) 钢架间距(m) 二衬(cm) 拱墙 仰拱 部位 长度 间距 (环×纵) 部位 间距 型式 间 距 拱墙 仰拱/底板 喷锚支护 II 10 0 局部 2 局部 25×25 25 III 15 0 拱部 2 1.2×1.5 拱部 25×25 25 IV 20 15 拱墙 3 1.2×1.5 拱墙 20×20 格栅 1.2 0 设仰拱 复合式衬砌(浅埋段、瓦斯、正洞交接段) II 5 - 局部 2 局部 局部 30 25 III 8 - 拱部 2 1.2×1.5 拱部 25×25 35 25 IV 18 - 拱墙 2.5 1.2×1.5 拱墙 25×25 格栅 1.2 40 40 V 20 20 拱墙 3 1×1 拱墙 20×20 格栅 1 40 40 二、斜井的施工方案及方法 2.1 斜井整体施工方法 南吕梁山隧道左线1号斜井采用ZNTJ-6进行标识,其综合坡度分别是-11.1%,长度分别是2450m,所以决定采用无轨运输方式。1号斜井都是采用双车道无轨运输的断面设计,是临时工程。施工过程中,采用全断面法进行斜井洞身二级和三级的开挖施工,采用多功能作业台架钻孔,光面爆破,装载机装碴等方式协助施工。四级和五级围岩则采用台阶法进行开挖,向上部位利用人工进行手持风钻钻孔,向下部位则采用机械设备多功能能作业台架风钻钻孔,并进行光面爆破,上断面的碴要利用挖掘机转移至下断面,再利用挖装机装下断面堆积的碴,最后由自卸汽车将碴移至指定的弃碴场。 进行斜井开挖施工之后,要对其进行及时的初期支护。初期支付要做的工作是采用人工配合孔引顶入法对锚杆进行安装,再由人工安装拱架及钢筋网。此外,还要采用湿喷施工工艺对混凝土进行喷射施工。 斜井四级和五级围岩段仰拱的施工记录开挖面不超过60m,二级和三级围岩段的底板施工距离开挖面不超过100m,采用栈桥的方法跨越施工地段,并采用钢木组合模板进行立模工作。 斜井二级、三级和四级围岩不采用喷锚的方式进行支护衬砌,五级围岩的衬砌则需采用模筑衬砌的方式。对于斜井拱墙的衬砌,需采用模板台车泵送混凝土进行作业。自动计量大型拌和楼生产出混凝土之后,经过搅拌,需通过运输车运送至需要进行衬砌施工的工作面。 斜井施工的排水工作要综合考虑斜井的坡度量值及水泵型号的选择,采用逆坡式的有压排水。在设置泵站的时候,要依照分级来进行,每30m高差的地方就设一处中继泵站,每处设置的中继泵站还需要设3台WS40-16KW污水泵,其中一台为备用。中继泵站之间采用的是2趟φ159钢管进行纵向联通的方式排水,将水抽排至洞外沉淀池,经沉淀和净化处理之后,再排入河道。移动潜水泵、集水坑以及φ159钢管是掌子面排水所采用的方式,其中,φ159钢管能将水1趟排入最近处中继泵站。 斜井的通风采取的是独头压入式通风方式,选用的通风机是功率为2×110KW的设备及φ1800mm软风管压入式通风。 工程完工后,根据工程设计,需用模注混凝土对斜井进行封堵,以保证隧道的正常运营。 2.2 斜井开挖 如图(1)、图(2)所示: 边、仰坡网喷混凝土临时防护图(1) 截水天沟截面图(2)(单位:cm) 上图为斜井洞口土石方开挖的部分施工图。斜井洞口开挖应自上而下,分层次开挖。涂层和石质地段分别采用人工配合开挖和风钻钻孔欲裂松动爆破开挖,在开挖过程中,必须要做防护措施,进行锚喷支护,以保证边、仰坡在施工中的稳定性。为了防止雨水进入,斜井洞口底面比底面高出的高度应该在30-50m之间。边、仰坡必须要及时做好临时防护,采用的施工材料为C20网喷混凝土,厚度为10m。具体施工规格如图(1)所示。在对边、仰坡进行施工前,要在开挖线的5m的地方设置一条截排水天沟,其断面图如图(2)所示。施工材料采用M10浆砌片铺砌。 如图(3)、图(4)所示: 超前小管棚侧面示意图(3)(单位:cm) 超前小管棚正面示意图(4)(单位:cm) 参照施工场地的地质地形,该斜井的明洞设计为2.4m,进洞前,要先在斜井洞架的外面设4榀I18钢拱架,每个钢拱架之间的距离为0.8m。具体施工规格如图(3)、图(4)所示。斜井洞口支护施工的施工顺序为:测量施工→立拱→钻眼→安放小导管→注浆。 以上工作完成之后,就可进行斜井井身开挖施工,其施工顺序为:测量画线→钻孔→装药放炮→通风→找顶清危→立拱→喷浆→锚杆→出碴。 采用上台阶和下台阶开挖对四级和五级围岩进行开挖,台阶长度最好设定在3~5m之间。下台阶采用左右错开的挖掘方式,仰拱与拱部的开挖要尽量缩短距离,四级和五级围岩分别控制在60m和40m以内,具体施工步骤参见图(5)。 2.3 斜井衬砌技术 为保证斜井井身结构的安全性,保证整个南吕梁山隧道施工的连续性,软弱围岩段在斜井开挖过程中要进行强支护结构形式。此外,要加强监控测量,衬砌也要紧跟着斜井的开挖来进行。 斜井衬砌施工的施工顺序:测量放线—台架就位—铺防水层—立边墙模—浇筑砼—支拱部模板—浇筑砼。 该斜井的坡度还算比较大,所以砼衬砌施工决定用自上而下的施工方式来进行。相应的台车需要在井底组装二次衬砌施工则从井底向井口展开。因为,如有由井口向井底的顺序展开施工,由于在浇筑砼的时候,其会产生非常大的纵向侧边压力,就必须要对低端挡头模的加固提高要求,而挡头模加固存在危险且非常难,所以,采用只有第一模砼低端挡头模会受到较大力的井底向上施工才是最好的选择。综合决定采用6m的全断面液模板台车进行斜井衬砌。混凝土由砼洞外自动计量拌合站拌制,由混凝土罐车运至混凝土输送泵,泵送入模,附着式振捣器振捣。 进行铺底施工时,五级围岩与掌子面的距离在40m以内,四级围岩与掌子面的距离在50m以内,每一次铺底的长度都要精准地控制在6m,并采用短距离、多循环对铺地施工的进度进行有效地控制。 三、工程总结 本文结合实践工程,对南吕梁山隧道施工过程中的斜井开挖和斜井衬砌施工进行了一定程度的探讨。通过以上施工方案的有效实施,结合当地的市级情况,顺利地完成了南吕梁山1号斜井的开挖和衬砌施工,斜井的运用及衬砌的外观质量都达到了设计要求。但是,关于隧道工程施工过程中的技术问题,还需要相关人士进行更深一步的研发,确保施工更顺利更安全地进行。 参考文献: [1] 舒文军.长距离大倾角富水曲线斜井施工技术[J].现代隧道技术,2010,47(6):71-76. [2] 徐长久.大倾角长大通风斜井隧道施工技术[J].铁道建筑技术,2012,(4):77-80,99. [3] 王龙兵.斜井二次衬砌施工技术在渝湘武水高速公路羊角隧道中的应用[J].中国水运(下半月),2013,13(7):273-274. [4] 张志强,许立利,王兰普等.引水隧洞斜井滑模模体安装及衬砌混凝土施工技术[J].中国科技博览,2011,(18):39-40. [5] 李建军.大相岭隧道大倾角曲线斜井衬砌施工技术探讨[J].公路交通技术,2011,(2):112-115. [6] 孔庆海,张传凌,郝建斌等.衬砌台车在煤矿斜井衬砌中的改进与应用[J].能源技术与管理,2013,38(4):140-141. [7] 魏富东.雁门关隧道后腰铺斜井衬砌台车爆裂原因分析[J].山西建筑,2012,38(8):203-204. [8] 李建军.大倾角曲线斜井衬砌施工设备配置技术[J].铁道建筑技术,2010,(z1):26-28.0万U豆体验卡 卡号:50D890668267e3349e33 密码:686d03401eefba96faba 奖品名称:500万U豆体验卡 卡号:50De7a00c543af387fc0 密码:b26488ce65abc1787202 奖品名称:500万U豆体验卡 卡号:50Dbac638 85c802fd52e 密码:3d1c344384327b85efff 奖品名称:500万U豆体验卡 卡号:50Dd97f0765bdf6998a3 密码:48db1c14e42a2b321fac 奖品名称:500万U豆体50D61 215eb41ae3cc919 密码:25bffae5346e7b7d2548 奖品名称:100万U豆体验卡 卡号:10D1cab621456ab278ab 密码:709f65f32865af2559c2 奖品名称:100万U豆体验卡 卡号:10D8f1d6a4b953f3474e 密码:6e2e4017cce30dc7e055 奖品名称:100万U豆体验卡 卡号:10Dd1fc6d6dd529b6892 密码:a5dbdd8338f91d2c0701 奖品名称:100万U豆体验卡 卡号:10D08377b71d4374262b 密码:1d7a7c21ebd99b798a54
展开阅读全文

开通  VIP会员、SVIP会员  优惠大
下载10份以上建议开通VIP会员
下载20份以上建议开通SVIP会员


开通VIP      成为共赢上传

当前位置:首页 > 环境建筑 > 施工管理/施工技术

移动网页_全站_页脚广告1

关于我们      便捷服务       自信AI       AI导航        抽奖活动

©2010-2025 宁波自信网络信息技术有限公司  版权所有

客服电话:0574-28810668  投诉电话:18658249818

gongan.png浙公网安备33021202000488号   

icp.png浙ICP备2021020529号-1  |  浙B2-20240490  

关注我们 :微信公众号    抖音    微博    LOFTER 

客服