收藏 分销(赏)

燃气工程常用标准.doc

上传人:w****g 文档编号:3112674 上传时间:2024-06-18 格式:DOC 页数:12 大小:119KB 下载积分:8 金币
下载 相关 举报
燃气工程常用标准.doc_第1页
第1页 / 共12页
燃气工程常用标准.doc_第2页
第2页 / 共12页


点击查看更多>>
资源描述
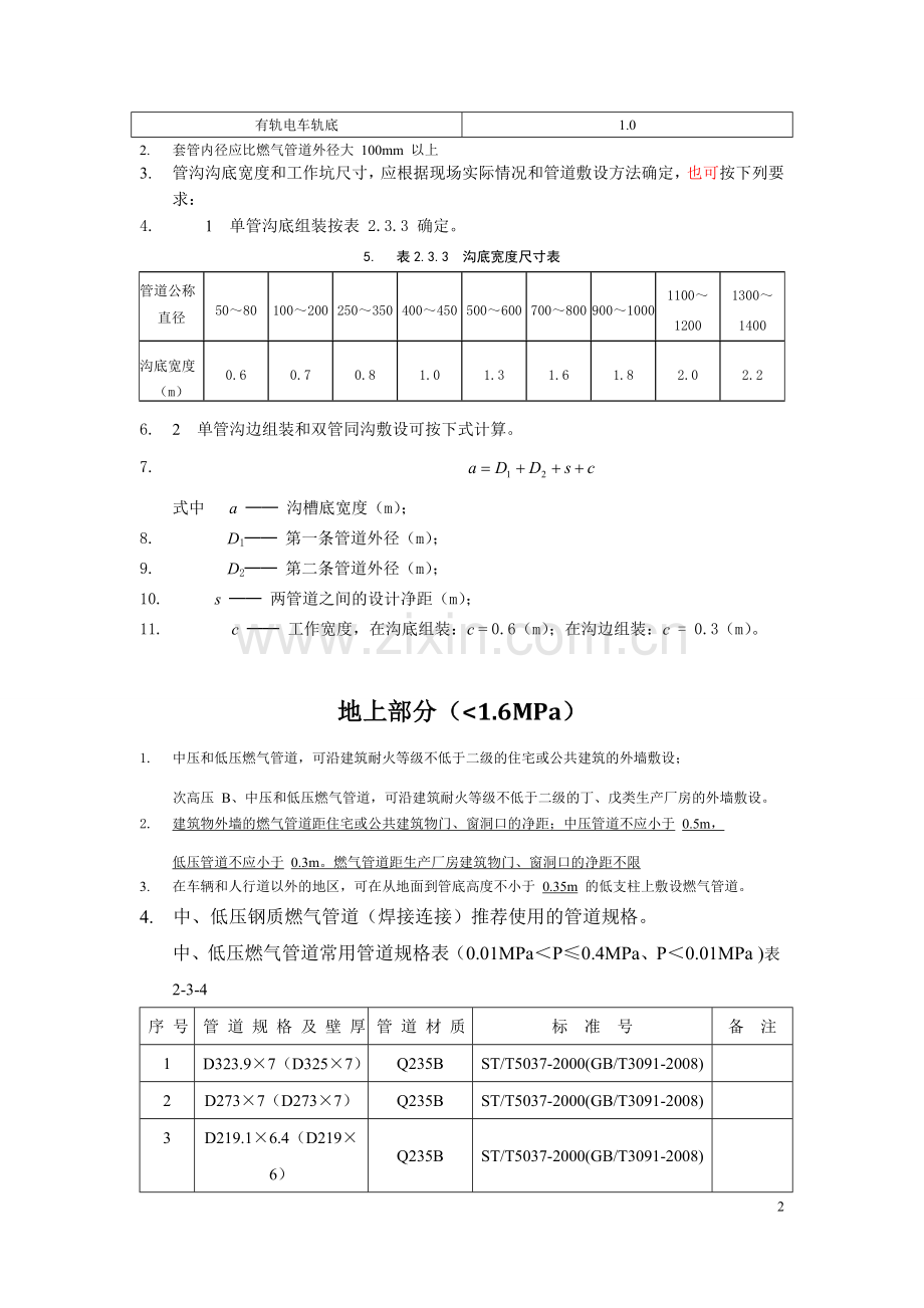
地下部分(<1.6MPa) 1. 地下燃气管道与建筑物、构筑物或相邻管道之间的水平和垂直净距 埋设在车行道下时,不得小于 0.9m; 埋设在非车行道(含人行道)下时,不得小于 0.6m; 埋设在庭院(指绿化地及载货汽车不能进入之地)内时,不得小于 0.3m; 埋设在水田下时,不得小于 0.8m。 注:当采取行之有效的防护措施后,上述规定均可适当降低。 6.3.5 输送湿燃气的燃气管道,应埋设在土壤冰冻线以下。 燃气管道坡向凝水缸的坡度不宜小于 0.003。 项目 地下燃气管道 低压 中压 次高压 B A B A 建筑物 的基础 0.7 1.0 1.5 处墙面(出地面处) 4.5 6.5 给水管 0.5 0.5 0.5 1.0 1.5 污水,雨水排水管 1.0 1.0 1.2 1.5 2.0 电力,电缆(含电车电缆) 直埋 0.5 0.5 0.5 1.0 1.5 在导管内 1.0 1.0 1.0 1.0 1.5 通信电缆 直埋 0.5 0.5 0.5 1.0 1.5 在导管内 1.0 1.0 1.0 1.5 1.5 其他燃气管道 DN≤300mm 0.4 0.4 0.4 0.4 0.4 DN>300mm 0.5 0.5 0.5 0.5 0.5 热力管 直埋 1.0 1.0 1.0 1.5 2.0 在管沟内(至外壁) 1.0 1.5 1.5 2.0 4.0 电杆塔的基础 ≤35kv 1.0 1.0 1.0 1.0 1.0 >35kv 2.0 2.0 2.0 5.0 5.0 通讯照明电杆(至电杆中心) 1.0 1.0 1.0 1.0 1.0 铁路路堤坡脚 5.0 5.0 5.0 5.0 5.0 有轨电车钢轨 2.0 2.0 2.0 2.0 2.0 街树(至树中心) 0.75 0.75 0.75 1.2 1.2 地下燃气管道与构筑物或相邻管道之间垂直净距 项目 地下燃气管道(当有套管时,以套管计) 给水管、排水管或其它燃气管道 0.15 热力管的管沟底(或顶) 0.15 电缆 直埋 0.5 在导管内 0.15 铁路轨底 1.2 有轨电车轨底 1.0 2. 套管内径应比燃气管道外径大 100mm 以上 3. 管沟沟底宽度和工作坑尺寸,应根据现场实际情况和管道敷设方法确定,也可按下列要求: 4.   1 单管沟底组装按表 2.3.3 确定。 5. 表2.3.3 沟底宽度尺寸表 管道公称 直径 50~80 100~200 250~350 400~450 500~600 700~800 900~1000 1100~1200 1300~1400 沟底宽度 (m) 0.6 0.7 0.8 1.0 1.3 1.6 1.8 2.0 2.2 6. 2 单管沟边组装和双管同沟敷设可按下式计算。 7. 式中 a ── 沟槽底宽度(m); 8. D1── 第一条管道外径(m); 9. D2── 第二条管道外径(m); 10. s ── 两管道之间的设计净距(m); 11. c ── 工作宽度,在沟底组装:c = 0.6(m);在沟边组装:c = 0.3(m)。 地上部分(<1.6MPa) 1. 中压和低压燃气管道,可沿建筑耐火等级不低于二级的住宅或公共建筑的外墙敷设; 次高压 B、中压和低压燃气管道,可沿建筑耐火等级不低于二级的丁、戊类生产厂房的外墙敷设。 2. 建筑物外墙的燃气管道距住宅或公共建筑物门、窗洞口的净距;中压管道不应小于 0.5m, 低压管道不应小于 0.3m。燃气管道距生产厂房建筑物门、窗洞口的净距不限 3. 在车辆和人行道以外的地区,可在从地面到管底高度不小于 0.35m 的低支柱上敷设燃气管道。 4. 中、低压钢质燃气管道(焊接连接)推荐使用的管道规格。 中、低压燃气管道常用管道规格表(0.01MPa<P≤0.4MPa、P<0.01MPa )表2-3-4 序 号 管 道 规 格 及 壁 厚 管 道 材 质 标 准 号 备 注 1 D323.9×7(D325×7) Q235B ST/T5037-2000(GB/T3091-2008) 2 D273×7(D273×7) Q235B ST/T5037-2000(GB/T3091-2008) 3 D219.1×6.4(D219×6) Q235B ST/T5037-2000(GB/T3091-2008) 4 D159×5 20 GB/T8163-2008 5 D108×4 20 GB/T8163-2008 6 D89×4 20 GB/T8163-2008 7 D57×3.5 20 GB/T8163-2008 8 D45×3.5 20 GB/T8163-2008 室内燃气管道工程施工图设计要点: (一)管线位置 1、管线一般采用明装,不允许穿越卧室、密闭地下室、浴室、厕所、易燃易爆品仓库、有腐蚀性介质的房间、配电间和变电室等。当燃气管穿过其他非用气房间内时,必须采用焊接的连接方式,并必须设置在套管中。 2、引入管有地上引入和地下引入两种形式,居民用户一般采用地上引入形式。引入管一般直接从厨房或燃气表房引入。引入管一般采用无缝钢管弯制,当输送湿燃气时,应有0.01坡向室外管道的坡度。 3、室内燃气管道应与其他管道及设施保持一定的安全距离。 ① 与上、下水、暖气管道水平净距不应小于100mm; ② 与水池边水平净距不应小于200mm; ③ 与电开关、电插座水平净距不应小于150mm; ④ 球阀、管接头严禁安装在电开关和电插座的正下方。 (二)阀门位置 1、进户总阀门:设在总立管上,一般距地面1.5-1.7m。当引入管进入室内与总立管之间需采用水平管连接时,总阀门可安装在连接水平管上。也可将室内总阀门设置在室外。安装在室外的阀门必须采取保护措施。 2、燃气表控制阀:额定流量Qn≤3m3/h的燃气表,表前应安装阀门;Qn≤25m3/h的燃气表,若靠近总立管,则进户总阀门可兼作燃气表控制阀;Qn≥40m3/h的燃气表或连接灶具较多的燃气表,燃气表前后均应安装阀门。 3、灶具控制阀:每台灶具前均应安装控制阀门。 4、燃具控制阀:一台灶具上往往安装多个燃烧器,每个燃烧器前均应安装控制阀门。 5、点火控制阀:每台公用灶具均应安装点火控制阀。 (三)活接头位置 为了安装和维修方便,必须在室内燃气管道的适当位置上设置活接头。一般情况下,所有丝接阀门后均应设置活接头。DN≤50的用户立管上,每隔一层楼安装一个活接头,安装高度应便于安装拆卸。水平干管过长时,也应在适当位置安装活接头。设置活接头的场所应具有良好的通风条件。 (四)套管的设置 引入管穿越建筑物外墙;立管穿越楼板;水平管穿越隔墙、卫生间时,其穿越段必须全部设在套管内,套管内不准有接头。套管规格和要求见下表: 燃气管道的套管直径 表2-4-1 燃气管直径(mm) DN15 DN20 DN25 DN32 DN40 DN50 DN65 DN80 DN100 DN150 套管直径(mm) DN32 DN40 DN50 DN65 DN65 DN80 DN100 DN100 DN150 DN200 (五) 管卡或支架(托架)的设置 燃气管道安装时应在立管和水平管段的适当位置设置管卡或支架(托架)。每层立管、表前接户立管的水平管、表后接灶水平管上应各设置一个管卡,灶前立管阀门前应设置两个管卡。对于高层住宅,每隔六层加一个托架。 管卡或支架(托架)的做法可参照05S9《05系列建筑标准设计图集-管道支架 吊架》 及05N6《05系列建筑标准设计图集-燃气工程》。 (六)燃气表的安装 燃气表的安装详见本章第五节。 (七)燃气燃烧器具的安装 1、对安装燃气灶的厨房要求: a. 安装燃气灶的厨房净高不得低于2.2m,应具有自然通风和自然采光,房顶必须采取防火措施; b. 厨房内宜设排气装置和可燃气体报警装置。 2、家用燃气灶的安装位置应方便用户使用,符合下列要求 c. 采用硬管连接时,灶边距墙壁净距不应小于100mm; d. 采用软管连接时,其连接软管的长度不应超过2m,并不应有接口,且软管不得穿墙、窗和门。 e. 与水池净距不应小于200mm; f. 距门框边不应小于200mm;距外开门不应小于200mm;距内开门,在门全开时,距门边不应小于200mm; g. 与可燃或难燃烧的墙壁之间应采取有效的防火隔热措施,燃气灶的灶面边缘和烤箱的侧壁距木质家具的净距不应小于200mm,燃气灶与对面墙之间应有不小于1m的通道。 3、商业用气设备的安装应符合下列规定: ① 用气设备之间的净距应满足操作和检修的要求,燃具灶台之间的净距不宜小于0.5m,大锅灶之间净距不宜小于0.8m,烤炉与其他燃具、灶台之间的净距不宜小于1.0m; ② 用气设备前宜有宽度不小于1.5m的通道; 燃具、风帽排气出口与可燃材料、难燃材料装修的建筑物部位的最小距离见《家用燃气燃烧器具安装及验收规程》CJJ12。 (八)对燃具给排气设施和排烟设施的安装要求 1、排气装置 a. 灶具和热水器(或采暖炉)应分别采用竖向烟道进行排气; b. 住宅采用自然换气时,排气装置应按现行国家标准《家用燃气燃烧器具安装及验收规程》CJJ12-99中的A.0.1的规定执行; c. 住宅采用机械换气时,排气装置应按现行国家标准《家用燃气燃烧器具安装及验收规程》CJJ12-99中的A.0.3的规定执行。 2、排烟设施 a. 不得与使用固体燃料的设备共用一套排烟设施; b. 每台用气设备宜采用单独烟道,当多台设备合用一个总烟道时,应保证排烟时互不影响; c. 在容易积聚烟气的地方,应设置泄爆装置; d. 应设有防止倒风的装置; e. 从设备顶部排烟或设施排烟罩排烟时,其上部应有不小于0.3m的垂直烟道方可接水平烟道; f. 有防止倒风装置的用气设备不得设置烟道闸板,无防倒风排烟罩的用气设备,在至总烟道的每个支管上应设置闸板,闸板上应有直径大于15mm的孔。 (九)商业用户、工业企业设计要点 1、在用户提供用气场所的总体规划图、室内设备的总体布置图、安装设备的建筑平面图的前提下,了解用气设备台数、类型,压力、流量,尤其是压力、流量。 2、商业用气设备的安装应符合下列规定: 用气设备之间的净距应满足操作和检修的要求,燃具灶台之间的净距不宜小于0.5m,大锅灶之间的净距不宜小于0.8m,烤炉与其他燃具、灶台之间的净距不宜小于1.0m。 3、用气设备前宜有宽度不小于1.5m的通道。 4、工业企业用气车间、锅炉房、及大中型用气设备的燃气管道上应设放散管。 5、设备摆放位置不宜设在地下室、半地下室或通风不良的场所。特殊情况需要设置时,应有机械通风和相应的防火防爆安全措施。建筑要求不符合应按规范向用户严格提出。 6、工业企业内敷设燃气管道时,应符合现行国家标准《工业企业煤气安全规程》GB6222-2005的规定。 (十)锅炉房(直燃机)燃气管道设计要点 1、本条适用于下列范围内的工业、民用、区域锅炉房:   (1)以水为介质蒸汽锅炉的锅炉房,其锅炉的额定蒸发量为1~65t/h、额定出口蒸汽压力为0.1~3.82MPa表压、额定出口蒸汽温度小于或等于450℃;   (2)热水锅炉的锅炉房,其锅炉的额定出力为0.7~58MW、额定出口水压为0.1~2.5MPa表压、额定出口水温小于或等于180℃; 2、锅炉房燃气管道宜采用单母管,常年不间断供热时,宜采用双母管。采用双母管时,每一母管的流量宜按锅炉房最大计算耗气量的75%计算。 3、锅炉房内燃气管道不应穿过易燃易爆品仓库、配电室、变电室、电缆沟、通风沟、风道、烟道和易使管道腐蚀的场所。 4、锅炉房内燃气管道宜架空敷设。输送密度比空气小的燃气管道,应装设在空气流通的高处,输送密度比空气大的燃气管道,宜装在锅炉房外墙和便于检测的地点。 5、在引入锅炉房的燃气母管上,应装设总关闭阀,并装设在安全和便于操作的地点。每台锅炉的燃气干管上,应装设关闭阀和快速切断阀。每个燃烧器前的燃气支管上,应装设关闭阀,阀后串联装设2个电磁阀(如燃气设备自带一个,则设计一个即可)。 6、燃气管道上应装设放散管、取样口和吹扫口,其位置应能满足将管道内燃气或空气吹净的要求。放散管的位置应在用气设备的燃气总阀门和燃烧器阀门之间。 7、燃气锅炉房和直燃机房必须设置下列安全设施: a. 燃气浓度报警器 b. 燃气引入管上设置手动快速切断阀和紧急自动切断阀; c. 应设置自然或机械通风设施和事故排风设施; d. 燃气浓度报警器应与紧急自动切断阀和事故排风设备连锁。 8、应设置必要的泄压设施,泄压设施宜采用轻质屋盖作为泄压面积,易于泄压的门、窗、轻质墙体也可作为泄压面积。作为泄压面积的轻质屋盖和轻质墙体的每平方米重量不宜超过120 kg。泄压面积与厂房体积的比值(m2/m3)宜采用0.05~0.22。爆炸介质威力较强或爆炸压力上升速度较快的,应尽量加大比值。 9、燃气锅炉房和直燃机房必须设置下列情况的报警信号: a. 燃气锅炉的风机故障停运 b. 燃气锅炉熄火 c. 燃气锅炉燃烧器前燃气干管压力过低或过高 10、地下室、半地下室内设置的锅炉和直燃机严禁使用液化石油气。 (十一)对于高层建筑的室内燃气管道系统应考虑的问题: 1、补偿高层建筑的沉降 可在引入管处安装补偿器以消除建筑物沉降的影响。 2、克服高程差引起的附加压头的影响 当高程差过大时,为了使建筑物上下各层的燃具都能在允许的压力波动范围内正常工作,可采取下列措施以克服附加压头的影响: a. 增加管道阻力,以降低附加压头的增值。例如在燃气总立管上每隔若干层增设一分段阀门,作调节用。 b. 分开设置高层供气系统和低层供气系统,以分别满足不同高度的燃具工作压力的需要。 c. 设用户调压器,各用户由各自的调压器将燃气降压,达到稳定的、燃具所需的压力值。 d. 通过水力计算改变管径。 3、高层建筑燃气立管的管道长、自重大,宜在立管底部设置支墩,并在每隔几层设置中间承重支撑,来分担燃气立管的自重和推力。 4、当管道两端被固定支撑约束时,为了消除管道因温差产生的热应力影响,必须要考虑管道的温度补偿,应在两个固定支撑之间设置伸缩补偿器。 4、高层民用户宜安装家用报警器。 (十二)特殊场所安装燃气设施的要求: 特殊场所包括地上暗厨房、地上密闭房间、地下室、半地下室、设备层等。没有直通室外的门和窗的房间称为地上暗厨房或地上密闭房间;地下房间标高到室外地坪标高大于地下房间层高的为地下室;地下房间标高到室外地坪标高大于小于或等于地下房间层高的为半地下室;小于的不能称为地下室。 1、地上暗厨房、地上密闭房间、地下室、半地下室、设备层的用气安全设施应符合下列要求: a. 引入管宜设快速切断阀和紧急自动切断阀,紧急自动切断阀停电时必须处于关闭状态(常开型); b. 用气设备应有熄火保护装置; c. 用气房间应设置燃气浓度检测报警器,并由管理室集中监视和控制; d. 宜设置烟气一氧化碳检测报警器; e. 燃气管道应选择无缝钢管(20号钢)焊接或法兰连接,焊缝进行100%射线照相检验; f. 应设独立的机械送排风系统,通风量应满足以下规定: 正常工作时,换气次数不应小于6次/小时,事故通风时,换气次数不小于12次/小时,不工作时不应小于3次/小时; 当燃烧所需的空气量由室内吸取时,应满足燃烧所需的空气量,同时还要满足排除房间热力设备散失的多余热量所需的空气量。 2、地下室、半地下室、设备层敷设人工煤气和天然气管道时,应符合下列要求: a. 净高不应小于2.2m; b. 应有良好的通风设施。地下室或地下设备层内应有机械通风和事故排风设施(防爆); c. 应设有固定的照明设备(防爆); d. 当燃气管道与其他管道一起敷设时,应敷设在其他管道的外侧; e. 燃气管道应选择无缝钢管(20号钢)焊接或法兰连接;焊缝进行100%射线照相检验; f. 应用非燃烧体的实体墙与电话间、变电室、修理间和储配室隔开; g. 地下室内燃气管道末端应设放散管,并应引出地上。放散管的出口位置应保证吹扫放散时的安全和卫生要求;当建筑物位于防雷区之外时,放散管的引线应接地,接地电阻应小于10Ω。 3、应安装燃气浓度检测报警器的场所: a. 建筑物内专用的封闭式燃气调压、计量间 b. 地下室、半地下室和地上密闭的用气房间 c. 燃气管道竖井 d. 地下室、半地下室引入管穿墙处 e. 有燃气管道的管道层 4、宜设置燃气紧急自动切断阀的场所 a. 地下室、半地下室和地上密闭的用气房间 b. 一类高层民用建筑(定义:装修标准高、有空气调节的高级住宅或十九层及以上的普通住宅) c. 燃气用量、人员密集、流动人口多的商业建筑 d. 重要的公共建筑 e. 有燃气管道的管道层 (十三)燃气管道及设备的防雷、防静电设计应符合下列要求: 1、 进出建筑物的燃气管道的进出口处,室外的屋面管、立管、放散管、引入管和燃气设备等处均应有防雷、防静电接地设施; 2、对有避雷网的建筑在房顶上敷设的金属燃气管道; a. 当管道比房顶上的避雷网高时(即不在避雷网的保护范围时),所选用的钢管壁厚不得小于4mm ,且同避雷网或防雷引下线可靠联结。 b. 当管道比房顶上的避雷网低时(即在避雷网的保护范围时),应就近接到避雷网上。 c. 当管道同避雷网连接有困难时,也可采用独立的接地装置,其冲击电阻不宜大于30欧姆。 3、对没有避雷网的建筑在房顶上敷设的金属燃气管道 a. 金属管道应做好防雷接地,一般采用独立的接地装置,其冲击电阻不宜大于30欧姆。 b. 当管道比建筑物高时(即不在建筑物的覆盖范围内时),所选用的钢管壁厚不得小于4mm ,且管道应做好防雷接地,防雷引下线可选用不小于φ8mm镀锌圆钢。 c. 当管道比建筑物低时(即在建筑物的覆盖范围内时),金属管道应做好防雷接地,接地点可选在距地点最近点或出地面处。 4、对进出建筑物的架空燃气管道,在进出处就近接到防雷或电气设备的接地装置上,也可采用独立的接地装置,其冲击电阻不宜大于30欧姆。 5、对可能产生静电危害的输气管道通过房屋进出口处,在管道分支处及管道每间隔50—80米,均设有防静电接地,静电接地单独安装时,其电阻不宜大于30欧姆。 6、天然气管道上的法兰、法兰连接的阀门及非金属管两端连接处应有金属线或紫铜板跨接。法兰或阀门跨接处,跨接金属线截面不应小于6mm2. 7、放散管的防雷(二区爆炸危险环境) a. 对装有阻火器的排放爆炸危险气体的放散管,应做好保护接地,其冲击电阻不宜大于10欧姆。 b. 对排放物达不到爆炸浓度及发生事故时排放物才达到爆炸浓度的通风管、安全阀、放散管、应做好保护接地,其冲击电阻不宜大于10欧姆。 室内燃气管道与装饰后墙面的净距 表2-4-2 管子工程尺寸 〈DN25 DN25~DN40 DN50 〉DN50 与墙净距(mm) ≥30 ≥50 ≥70 ≥90 若为毛墙面应增加30 mm 设计 1. 计算低压燃气管道阻力损失时,应考虑因高程差而引起的燃气附加压力。燃气的附加压力可按下式计算: △H=10×(ρk-ρm)×h ……………………………………………………………3-⑦ 式中 △H — 燃气的附加压力(Pa); ρk — 空气的密度(kg/m3); ρm — 燃气的密度(kg/m3); h — 燃气管道终、起点的高程差(m)。 2. 城镇燃气低压管道从调压站到最远燃具管道允许阻力损失,可按下式计算: △Pd=0.75Pn+150……………………………………………………3-⑧ 式中 △Pd——从调压站到最远燃具的管道允许阻力损失(Pa); Pn——低压燃具的额定压力(Pa)。 注:△Pd含室内燃气管道允许阻力损失。 3. 当由区域低压管网接气时,室内低压燃气管道从建筑物引入管至管道末端允许的阻力损失,包括燃气计量装置的损失。 1)单层建筑不宜大于250 Pa; 2)多层建筑不宜大于350 Pa。 当由小区内直接调压时,燃气管道允许的阻力损失应保证最不利点(包括最近端和最远端及特殊点)处的燃具在其最低和最高使用压力之间正常工作。 4. 当输送介质为天然气时,各项参数可按如下取值: 民用燃具额定压力(Pa) 2000 民用燃具前最低压力(Pa) 1500 民用燃具前最高压力(Pa) 2800 区域调压站出口最大压力(Pa) 3150 楼栋调压器出口最大压力(Pa) 3000 12
展开阅读全文

开通  VIP会员、SVIP会员  优惠大
下载10份以上建议开通VIP会员
下载20份以上建议开通SVIP会员


开通VIP      成为共赢上传

当前位置:首页 > 考试专区 > 中考

移动网页_全站_页脚广告1

关于我们      便捷服务       自信AI       AI导航        抽奖活动

©2010-2025 宁波自信网络信息技术有限公司  版权所有

客服电话:0574-28810668  投诉电话:18658249818

gongan.png浙公网安备33021202000488号   

icp.png浙ICP备2021020529号-1  |  浙B2-20240490  

关注我们 :微信公众号    抖音    微博    LOFTER 

客服