收藏 分销(赏)

后浇带支模施工方案.doc

上传人:快乐****生活 文档编号:3080590 上传时间:2024-06-17 格式:DOC 页数:3 大小:95KB 下载积分:5 金币
下载 相关 举报
后浇带支模施工方案.doc_第1页
第1页 / 共3页
后浇带支模施工方案.doc_第2页
第2页 / 共3页


点击查看更多>>
资源描述
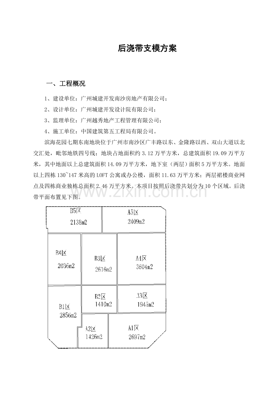
后浇带支模方案 一、工程概况 1、建设单位:广州城建开发南沙房地产有限公司; 2、设计单位:广州城建开发设计院有限公司; 3、监理单位:广州越秀地产工程管理有限公司; 4、施工单位:中国建筑第五工程局有限公司。 滨海花园七期东南地块位于广州市南沙区广丰路以东、金隆路以西、双山大道以北交汇处,毗邻地铁四号线;地块占地面积约3.12万平方米,总建筑面积19.09万平方米,其中地面以上总建筑面积14.09万平方米,地下室(两层)面积5万平方米。地面以上四栋130~147米高的LOFT公寓或办公楼,面积11.63万平方米;两层裙楼商业网点及四栋商业独栋总面积2.46万平方米。本项目按照后浇带共划分为10个区域。后浇带平面布置见下图。 二、后浇带支模架搭设布置 1、后浇带宽1.0m,该部位模板支撑体系独立搭设,独立架体搭设宽度为2米,与后浇带板底木方、模板纵向搭设。 2、支撑体系采用四根立杆搭设,间距分别为400、1200、400。 3、水平杆采用2200~2500的短钢管,搭设四道,与两侧的水平杆错开位置搭设。 4、后浇带的模板支撑宽度按2m设置,每边支撑已浇筑结构600宽,保证均匀受力。模板采用两块整模板铺设,后浇带模板支设时在模板中间预留170mm(2000-915*2=170)清理缝,并在后浇带板底筋底预留一块略小于170mm宽的模板条,待后浇带打凿清理完成之后,将模板条封闭清理缝。 5、支模架具体搭设布置见下图。 三、注意事项 1、后浇带支撑在后浇带浇筑混凝土及达到设计强度前,严禁拆除; 2、后浇带采用独立支撑,方便其他区域模板拆出周转。 (注:专业文档是经验性极强的领域,无法思考和涵盖全面,素材和资料部分来自网络,供参考。可复制、编制,期待你的好评与关注)
展开阅读全文

开通  VIP会员、SVIP会员  优惠大
下载10份以上建议开通VIP会员
下载20份以上建议开通SVIP会员


开通VIP      成为共赢上传

当前位置:首页 > 品牌综合 > 施工方案/组织设计

移动网页_全站_页脚广告1

关于我们      便捷服务       自信AI       AI导航        抽奖活动

©2010-2026 宁波自信网络信息技术有限公司  版权所有

客服电话:0574-28810668  投诉电话:18658249818

gongan.png浙公网安备33021202000488号   

icp.png浙ICP备2021020529号-1  |  浙B2-20240490  

关注我们 :微信公众号    抖音    微博    LOFTER 

客服