收藏 分销(赏)

急应灯电路设计--本科毕业设计.doc

上传人:可**** 文档编号:2910224 上传时间:2024-06-11 格式:DOC 页数:19 大小:1.76MB 下载积分:10 金币
下载 相关 举报
急应灯电路设计--本科毕业设计.doc_第1页
第1页 / 共19页
急应灯电路设计--本科毕业设计.doc_第2页
第2页 / 共19页


点击查看更多>>
资源描述
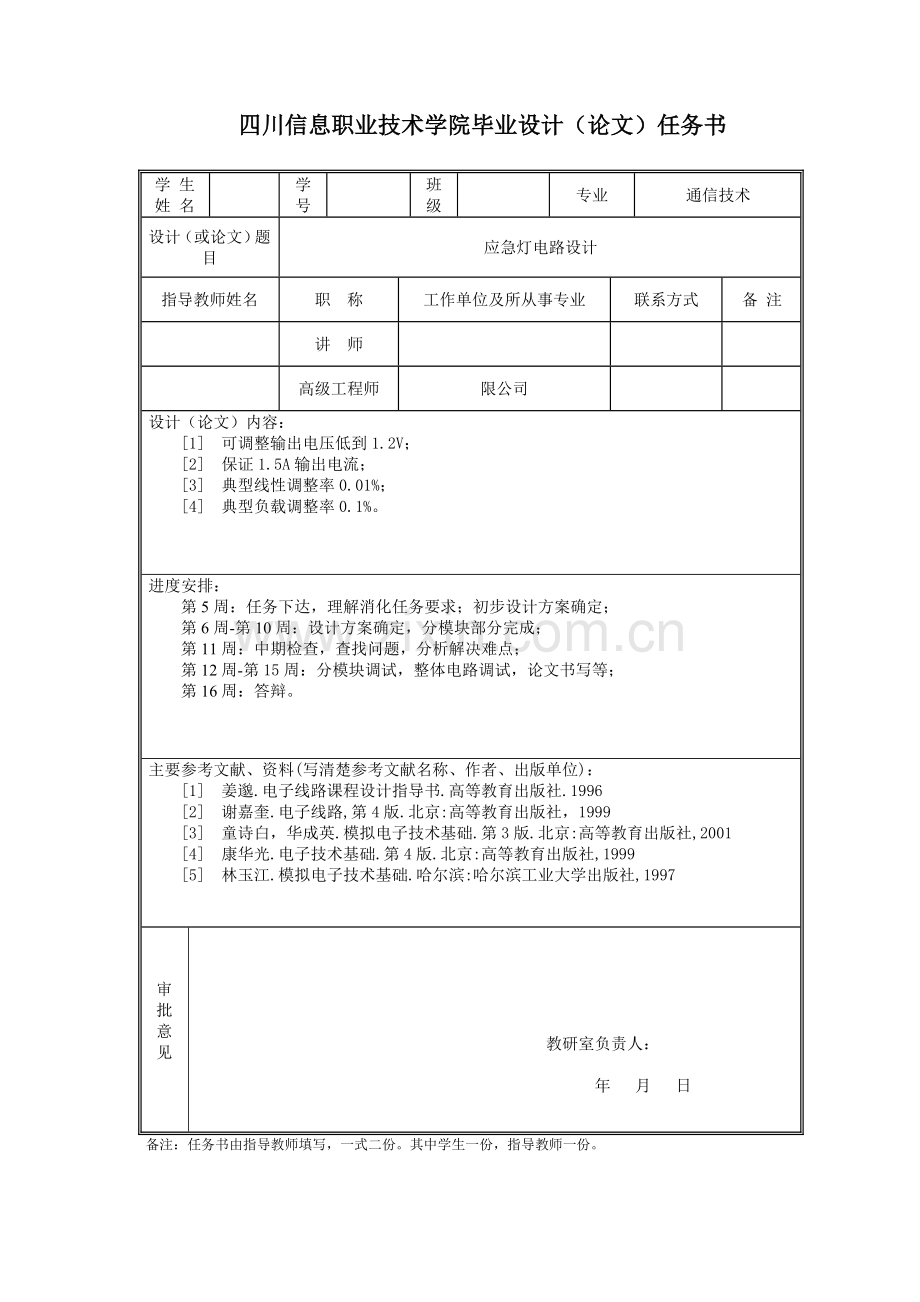
信息职业技术学院 毕业设计说明书(论文) 设计(论文)题目: 应急灯电路设计 专 业: 通信技术 班 级: 学 号: 姓 名: 指导教师: 二ΟΟ八年十二月三十日 四川信息职业技术学院毕业设计(论文)任务书 学 生 姓 名 学号 班级 专业 通信技术 设计(或论文)题目 应急灯电路设计 指导教师姓名 职 称 工作单位及所从事专业 联系方式 备 注 讲 师 高级工程师 限公司 设计(论文)内容: [1] 可调整输出电压低到1.2V; [2] 保证1.5A输出电流; [3] 典型线性调整率0.01%; [4] 典型负载调整率0.1%。 进度安排: 第5周:任务下达,理解消化任务要求;初步设计方案确定; 第6周-第10周:设计方案确定,分模块部分完成; 第11周:中期检查,查找问题,分析解决难点; 第12周-第15周:分模块调试,整体电路调试,论文书写等; 第16周:答辩。 主要参考文献、资料(写清楚参考文献名称、作者、出版单位): [1] 姜邈.电子线路课程设计指导书.高等教育出版社.1996 [2] 谢嘉奎.电子线路,第4版.北京:高等教育出版社,1999 [3] 童诗白,华成英.模拟电子技术基础.第3版.北京:高等教育出版社,2001 [4] 康华光.电子技术基础.第4版.北京:高等教育出版社,1999 [5] 林玉江.模拟电子技术基础.哈尔滨:哈尔滨工业大学出版社,1997 审 批 意 见 教研室负责人: 年 月 日 备注:任务书由指导教师填写,一式二份。其中学生一份,指导教师一份。 四川信息职业技术学院毕业设计说明书 目 录 摘 要 1 第1章 绪论 2 第2章 LM317简介 3 2.1 LM317的基本特性 3 2.2 LM317的应用电路 3 第3章 单元电路设计 5 3.1 功能电路分析与设计 5 3.1.1 蓄电池选择 5 3.1.2 电池充电电路 5 3.2 主要参数计算 6 3.2.1 LM317的有关参数设计及其外围器件的参数计算 6 3.2.2 计算滤波电容、的值 6 3.2.3 限流部分元件的参数设计 6 3.2.4 变压功率确定 7 3.3 检测与控制电路分析设计 7 3.3.1 灯驱动与逻辑控制电路 7 3.3.2 电源状态检测部分 8 3.3.3 电池过放电保护电路 8 3.3.4 智能开关部分 9 结 论 11 致 谢 12 参考文献 13 附录1 应急灯整体电路图 14 附录2 元件明细表 15 四川信息职业技术学院毕业设计说明书 摘 要 本应急灯由市电和后备电池供电,在白天或环境光照比较强时,应急灯熄灭,市电经整流,滤波稳压后对后备电池供电。当夜晚市电突然中断时,应急灯启动。晚市电正常时,人工关室内照明灯,应急灯不启动。无论白天或夜晚,市电中断后恢复正常时,应急灯自动关断。直流稳压输出调定在,电池不会被过充电。当后备电池深度放电时,应急灯自动关断。 关键词 应急灯;稳压充电;智能开关;深度放电保护 第14页 共15页 第1章 绪论 无论是在医院、剧院还是在家里,不可预见的断电会将人们置于黑暗之中,这种情况时有发生。这时,需要自动启动应急灯系统。目前市面上大多数应急灯仅仅在市电突然中断时自动点亮,并不考虑现场是否需要照明,比如,白天断电时,应急灯也会点亮,大多数应急灯为节约成本,无防过充及防止深度放电的保护电路。因此蓄电池常因为过充电和深度放电而损坏。 本次设计的“应急灯”克服了上述缺点,它被设计为:在白天或夜间用户主动关闭室内照明灯后,即使市电中断应急灯也不会点亮。夜间,一旦市电中断,照明应急灯立即点亮,电路能自动检测断电前后室内的照明情况,并判断是否有启动应急灯照明的需要。 在本设计中,电路采用恒定电压对后备电池充电,不会发生过度充电的问题。当电池过度放电,端电压下降至允许值下限时,灯会自动关闭,防止电池因深度放电而损坏。 第2章 LM317简介 2.1 LM317的基本特性 LM317是美国国家半导体公司的三端可调正稳压器集成电路。LM317的输出电压范围是至,负载电流最大为。它的使用非常简单,仅需两个外接电阻来设置输出电压。此外它的线性调整率和负载调整率也比标准的固定稳压器好。LM317内置有过载保护、安全区保护等多种保护电路。通常LM317不需要外接电容,除非输入滤波电容到LM317输入端的连线超过6英寸(约)。使用输出电容能改变瞬态响应。调整端使用滤波电容能得到比标准三端稳压器高的多的纹波抑制比。 (1)可调整输出电压低到; (2)保证输出电流; (3)典型线性调整率0.01%; (4)典型负载调整率0.1%; (5)纹波抑制比; (6)输出短路保护; (7)过流、过热保护; (8)调整管安全工作区保护; (9)标准三端晶体管封装; 2.2 LM317的应用电路 LM317工作原理:LM317的输入电压为30多伏,输出电压,电流,不过在用的时候要注意功耗和散热问题。LM317有三个引脚一个输入、一个输出、一个电压调节。输入引脚输入正电压,输出引脚接负载,电压调节引脚一个引脚接电阻(200左右)在输出引脚,另一个接可调电阻(几K)接于地输入和输出引脚对地要接滤波电容。. (1)LM317标准应用电路图 图2-1 LM317标准应用电路 (2)LM317电流稳压器应用电路图 图2-2 LM317电流稳压器电路 (3)LM317可调节电流限流器的应用电路图 图2-3 LM317可调节电流限流器电 第3章 单元电路设计 3.1 电源电路分析与设计 3.1.1 蓄电池选择 铅酸蓄电池价格低廉,充电技术成熟,维护要求低,故选用小型免维护密封铅酸蓄电池。 根据要求后备电池为、的灯供电12小时以上。 灯电流为: 12小时耗能: 选标准系列:、 3.1.2 电池充电电路 电池放电较深,内阻增加,充电电流不会太大,电池被激活,电压上升,内阻减少,有可能产生较大的充电电流并导致电池的损坏。电池充电电路如图4-1所示,电路中采取了限流措施。 图3-1 电池充电电路 该电路的工做原理是: 交流经变压器B降压,为交流,为桥式整流器,为可调稳压块317。由电位器将调整至,,与组成限流电路。当电流小于限定值时,截止:当大于限制值时,导通,下降,也下降。 3.2 主要参数计算 3.2.1 LM317的有关参数设计及其外围器件的参数计算 (1)根据317的使用说明,由关系式:…………(1) 一般取,按使用要求为,解方程(1)得: 取=,小型碳膜电阻,,选用印刷板安装的H3000系列电位器。 (1) 为保证317正常工作,取,,,取标准值为。当波动为时,即,,。LM317仍可工作在稳压状态。当上浮时,,小于LM371最高允许输入电压。、蓄电池,充电规程规定,充电电流,为电池容量即,,LM371的最大功耗为。因此,317要加足够大的散热器。 3.2.2 计算滤波电容、的值 交流输入时,平均充电电流取,整流器输入直流电压为。 ab两端的等效直流负载 ,为市电周期, 取标准电容器耐压。取系列值,为小型铅电解电容,一般,取,电压与取同一系列为。 3.2.3 限流部分元件的参数设计 选用9013,导通阀值限流值为;故应选用,的耗散功率为;取的金属膜电阻。 3.2.4 变压功率确定 A:直流功率:; B:次级视在功率为(桥式整流,容性负载)。 变压器的功率在之间时,效率,经验数据为0.7,故变压器初级容量为:。 变压器的设计容量为选市售电子变压器。 3.3 检测与控制电路分析设计 3.3.1 灯驱动与逻辑控制电路 二极管、、与三极管组成或非的控制逻辑电路,当其三者之一为高电平,饱和,截止,D不亮。、、的控制电平分别来自于市电整流输出电压。其电路图如图3-2所示。 图3-2 灯驱动与逻辑控制电路 D的驱动可用晶体管,也可以用继电器。继电器无功率损失(触点导通电阻为0),但有火花,不适用于易燃易爆物质的场所。另一方面,触头氧化后可靠性降低。晶体管驱动,无火花,使用寿命长,缺点是有损耗,设晶体管驱动导通后的饱和压降为,则损耗为(为灯电流)。白炽灯冷态电阻较小,开灯时有大于的电流流过晶体管。综合上述,选用的塑料三极管DK55作为,不需要外加散热片。取,的选择应保证处于饱和导通。取标准系列3K3,:;,选用1N4148;流过电流为,选通9000系列的9013。:,选用,选用均可,也选。 3.3.2 电源状态检测部分 整流滤波输出的末稳电压,一路经,送至M点,当市电正常时,使饱和,截止,灯不亮,即:不论是白天还是晚上,只要市电正常,应急灯均不会启动。市电仅负责对电池充电。另一路送至迟滞比较器。市电正常时,的输出端的低电平,市电中断时,的输出端为低电平,市电中断时,输出端为高电平。IC2c输出低电平,通过使输出端的电平为低电平,阻断了智能开关的作用,同时通过使复位。 3.3.3 电池过放电保护电路 电池过放电保护电路由、、R5、R6、组成。 铅酸电池,放电电压不能低于;当电池电压大于,调使电路输出低电平,截止;如果市电中断,应急灯点亮,当电池电压低于,输出高电平,导通,导通,截止,灯关断。 输出的高电平,经,将高电平反馈至同相输入端,将输出高电平状态锁定。关灯后,蓄电池电压,电路不会重新启动。 当输出端为低电平时,反馈截止,同相输入端电位,当输出高电平时,的电位为: (见3-3) 图3-3 电池过放电保护电路 3.3.4 智能开关部分 这部分电路包括、、、光敏电阻组成的迟滞比较器,、、组成取样保持电路。及外围元件组成迟滞比较器,这是智能开关具有“智能”作用的核心部分。其电路模块图示见图3-4。 图3-4 智能开关组成框图 光敏电阻用于感受室内光照强度,光强时阻值小,反之,阻值大。 当光线照在上时,阻值小,输出高电平,当无光照时(或光线较弱时)阻值大,输出低电平(转换阀值由调正)。 当输出高电平,即房间内很亮时,通过对充电到接近,电阻为地放电电阻。元件,,组成了一个取样保持电路,用于将1脚电位保持约10秒钟。 当房间变黑时,输出变为低电平,通过使的反相端电位降低,使的输出变高。13脚高电位,通过,反馈至输入端,将高电平锁定。使导通,截至,导通灯亮。一旦交流电源存在,输出端的电位被下拉至低电平。电源状态检测电路可能使智能开关部分功能失效。如果市电中断,的输出使反馈偏止。智能开关电路有效,实现下列功能: 1、白天断电 输出高电平低截至导通截止,灯不亮 2、夜间关闭室内照明后断电 低低低灯不亮 3、夜间照明时市电中断 断电前,高断电后同相端电位维持10妙 断电后,低,截止输出端出现高电平,此高电平使导通,迫使反相端的电平下降至约,小于同相端由保持的10V。 输出高电平导通截至灯亮。灯亮以后,也输出高电位,但的状态不会变化,因为导通,下端接地,的反相端电位。的双锁定电路保证灯不会产生闪烁现象。可靠近灯安装。 结 论 本次设计让我学习并亲自经历了一个电子产品的研制过程,任何一个产品都有多个可供选择的方案。需要在先进性、实用性、可靠性、性价比等众多因素中折中优化。 通过本次设计,我学会了整流,滤波,稳压电源的设计,主要元器件的选择,学会了迟滞式电压比较器的设计方法,加深了对模拟电子技术许多知识的理解。实用电子产品的设计都要使用经验数据。这是前人的劳动经验,是课本上学不到的。这次毕业设计突显出来的工程能力训练,是以前我们做的实验实训无法比拟的。 结构与工艺是任何电子产品必须考虑的,本设计中应急灯应用的密封免维护铅酸电池如果充满电流大,温升高,会导致活性物质损失,其他发热体的烘烤也会达到同样的结果。所以,结构上电池附近要开通风孔,同时让变压器与LM317远离电池,这也是理论课上没有学到的。 在毕业设计过程中,上网查阅了许多资料,掌握了科技文献的检索方法,大大提高了自己获得新知识,新信息的能力。而且还学习了撰写科技报告,论文的写作方法,报告得到了指导老师的认可,这为我今后开展研究,写产品研发报告打下了坚实的基础。 致 谢 本次毕业设计论文是在我的导师王刚的亲切关怀和悉心指导下完成的,在课题在选题与研究过程中都花费了他不少的心思。这篇论文的每个实验细节和每个数据,都离不开他的耐心指导。每次遇到难题,我最先做的就是向王老师寻求帮助,而王老师每次不管忙或闲,总会抽空来找我面谈,然后一起商量解决的办法。他严肃的科学态度,严谨的治学精神,精益求精的工作作风,深深地感染和激励着我。从课题的选择到设计的最终完成,王老师都始终给予我细心的指导和不懈的支持。在此谨向王老师致以诚挚的谢意和崇高的敬意。 参考文献 [1] 林春方.电子线路学习指导与实训.北京:电子工业出版社,2004.. [2] 杨清学.电子装配工艺.北京:电子工业出版社,2003 [3] 钱金法.电子设计自动化技术.北京:机械工业出版社,2005 [4] 朱余钊.电子材料与元件.成都:电子科技大学出版社,2006 [5] 王文辉.电路与电子学(第3版).北京:电子工业出版社,2005 [6] 杨志忠.数字电子技术(第2版).北京:高等教育出版社,2003 [7] 朱余钊.电子材料与元件.成都:电子科技大学出版社,2006 附录1 应急灯整体电路图 附录2 元件明细表 元件名称 位号 阻值(或型号) 数量 电阻 R1 各1个 电阻 R2 电阻 R3 10K 电阻 R4 22K 电阻 R5 4.2K 电阻 R6 4.7K 电阻 R7 4.2K 电阻 R8 3K 电阻 R9 10K 电阻 R10 10K 电容 C1 1F 各1个 电容 C2 100uF 电容 C3 4.7uF 滑动变阻器 RP1 10K 1 滑动变阻器 RP2 10K 1 桥式整流器 Q1 1 LM317 LM 1 晶体管(NPN型) T1 1 晶体管(NPN型) T2 晶体管(NPN型) T3 电源 Be 1 四川信息职业技术学院 学生姓名 淳永宏 学号 0620065 班级 通技06-2 专业 通信技术 设计(论文)题目 应急灯电路设计 指导教师 王刚、谭望春 指导老师考核意见 等级: 指导教师: 答辩 评语 等级: 答辩老师: 总评 成绩 等级: 考核小组组长: 备注 以上两项成绩综合后,指导老师考核成绩占总分的60%,答辩成绩占总分的40%,按五级记分(优、良、中、及格、不及格)。 毕业设计(论文)评语
展开阅读全文

开通  VIP会员、SVIP会员  优惠大
下载10份以上建议开通VIP会员
下载20份以上建议开通SVIP会员


开通VIP      成为共赢上传

当前位置:首页 > 学术论文 > 毕业论文/毕业设计

移动网页_全站_页脚广告1

关于我们      便捷服务       自信AI       AI导航        抽奖活动

©2010-2025 宁波自信网络信息技术有限公司  版权所有

客服电话:0574-28810668  投诉电话:18658249818

gongan.png浙公网安备33021202000488号   

icp.png浙ICP备2021020529号-1  |  浙B2-20240490  

关注我们 :微信公众号    抖音    微博    LOFTER 

客服