收藏 分销(赏)

MC421第2章.doc

上传人:w****g 文档编号:2652459 上传时间:2024-06-03 格式:DOC 页数:47 大小:2.13MB 下载积分:12 金币
下载 相关 举报
MC421第2章.doc_第1页
第1页 / 共47页
MC421第2章.doc_第2页
第2页 / 共47页


点击查看更多>>
资源描述
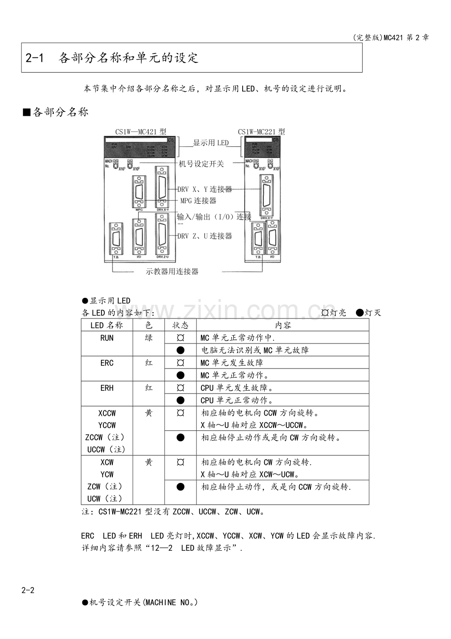
(完整版)MC421第2章 第2章 各部分的名称和安装、配线 2-1 各部分名称和单元的设定 本节集中介绍各部分名称之后,对显示用LED、机号的设定进行说明。 ■ 各部分名称 CS1W-MC221型 CS1W—MC421型 显示用LED 机号设定开关 DRV X、Y连接器 MPG连接器 输入/输出(I/O)连接器 DRV Z、U连接器 示教器用连接器 ● 显示用LED 各LED的内容如下: ¤灯亮 ●灯灭 LED名称 色 状态 内容 RUN 绿 ¤ MC单元正常动作中. ● 电脑无法识别或MC单元故障 ERC 红 ¤ MC单元发生故障 ● MC单元正常动作。 ERH 红 ¤ CPU单元发生故障。 ● CPU单元正常动作。 XCCW YCCW ZCCW(注) UCCW(注) 黄 ¤ 相应轴的电机向CCW方向旋转。 X轴~U轴对应XCCW~UCCW。 ● 相应轴停止动作或是向CW方向旋转。 XCW YCW ZCW(注) UCW(注) 黄 ¤ 相应轴的电机向CW方向旋转. X轴~U轴对应XCW~UCW。 ● 相应轴停止动作,或是向CCW方向旋转. 注:CS1W-MC221型没有ZCCW、UCCW、ZCW、UCW。 ERC LED和ERH LED亮灯时,XCCW、YCCW、XCW、YCW的LED会显示故障内容. 详细内容请参照“12—2 LED故障显示”. 2-2 ● 机号设定开关(MACHINE NO。) 此开关设定MC单元的高功能I/O单元的机号(MACHINE NO.)。 根据设定的机号分配CPU单元的高功能I/O单元用继电器区。 CS1W-MC221型占用30CH,CS1W—MC421型占用50CH,所以可设定的机号如下: CS1W—MC221型:0~93(机号) CS1W-MC421型:0~91(机号) 机号 分配继电器区 CS1W-MC421型 CS1W—MC221型 0 2000~2049CH 2000~2029CH 1 2010~2059CH 2010~2039CH 2 2020~2069CH 2020~2049CH ~ ~ ~ x n~(n+49)CH n~(n+29)CH ~ ~ ~ 91 2910~2959CH 2910~2939CH 92 不可设定 2920~2949CH 93 不可设定 2930~2959CH 94 不可设定 不可设定 95 不可设定 不可设定 n=2000+10×机号 如果设定上述号码以外的,接通电源时会报错。 只要不与装在同一电脑上的其它高功能I/O单元的机号重复,就可以在设定范围内自由设定. ● 连接器 ·输入输出(I/O)连接器 和外部输入输出连接用的连接器。连接各轴的界限输入、即停输入、原点临近输入、通用输入、通用输出。备有专用电缆和专用端子台。 ·DRV连接器 连接伺服驱动器的连接器。连接本公司产U.M。H系列伺服驱动器时,会备有驱动器之间的专用电缆。 DRV X、Y连接器:X、Y轴用,DRV X、Y连接器:X、Y轴用 ·示教器用连接器 连接示教器的连接器 ·MPG连接器(仅CS1W-421型) 和MPG(手动脉冲发生器),或是同步编码器连接用的连接器. 2—3 2-2 安装 ▇系统结构上的要求: ·高功能CPU单元的输入输出继电器号码不是指插座的号码,而是通过单元前面的单元号码设定开关分配而来的号码. ·可安装在CS1W—BC□□3型CPU底座单元、或者是CS110-BI□□3型的增设底座单元上. ▇单元的安装方法: 请按以下步骤安装MC单元。 1.请将单元上底部的固定用的卡爪勾挂在底座单元上. 固定用卡爪 底座单元 2.请将单元正确插入底座单元的连接器中。 3.用十字螺丝刀将下侧的螺钉拧紧。进行单元内的组装时,请按下图装拆,并要确保通风用的空间. 插槽 插槽 20mm以上 20mm以上 CPU单元 I/O电源 单元 增设遥控 I/O 底座单元 ⊕螺丝刀 要求 下侧的螺钉,必须要用0.4N·M的力矩紧固。 2—4 拆卸单元时,先用十字螺丝刀松开下侧的螺钉,抬起下侧,然后取下单元. ▇单元操作上的要求 ·必须先关闭CPU单元的电源之后,才能进行装卸单元和拆、配线工作。 ·为了避开杂波的影响,输出输入线要和高压线、动力线的线槽分开. ·布线时为了防止电线碎屑飞入单元内,请不要取下单元上的标签。布线完成后,因为单元会发热,所以必须要取下标签。 配线完成后,请取下标签. 2—5 ▇外形尺寸 ● CS1W-MC421型 ● CS1W—MC221型 CS1W-221型 2-6 ● 安装单元时的尺寸 底座 2-7 2-3 配线 ■ 输入输出(I/O)连接器的配线 输入输出(I/O)连接器主要是用于与外部的输入输出连接。 连接各轴的CW、CCW的界限输入、即停输入、原点临近输入和通用输入输出. 也可以使用专用电缆、专用端子台进行配线。 ● 连接器型号(快速插入式连接器) 连接器(1个) 10126-3000VE(附在主机上,住友3M制造) 盒(1个) 10326—52F0—008(附在主机上,住友3M 制造) CS1W-MC221型 (接线部的排列) CS1W—MC421型 (接线部排列) ● 安装连接器 请按以下方法安装. ·请使用主机附带的连接器(前面所述的快速插入式连接器)进行安装。 ·安装螺钉时,请使用主机附带的防静电螺灯. CS1W-MC42型带有8颗螺灯,CS1W—MC221型带有4颗螺钉。 防静电螺钉 2-8 ● CS1W-MC221型的输入输出(I/O)连接器各端子的名称和说明 针NO. 记号 名称 说明 1 +24V 24V输入 连接外部电源DC24V的+端子 2 XCWL(NC) X轴CW界限输入 限制向X轴的CW方向移动 3 YCWL(NC) Y轴CW界限输入 限制向Y轴的CW方向移动 4 XCCWL(NC) X轴CCW界限输入 限制向X轴的CCW方向移动 5 YCCWL(NC) Y轴CCW界限输入 限制向Y轴的CCW方向移动 6 XSTOP(NC) X轴CCW界限输入 使X轴运转指令输出无效并停止。 7 YSTOP(NC) Y轴即停输入 使Y轴运转指令输出无效并停止 8 1N1(NO) 通用输入1 通用输入1 9 1N2(NO) 通用输入2 通用输入2 10 XORG(NC。NO)(注1) X轴原点临近输入 用于X轴的原点搜索 11 YORG(NC。NO)(注1) Y轴原点临近输入 用于Y轴的原点搜索 12 OUT1(注3) 通用输出1 通用输出1或X轴制动信号输出 13 OUT2(注3) 通用输出2 通用输出2或Y轴制动信号输出 14 DC GND 24V输入接地 连接外部电源DC24V的—端子(OV) 15 — 16 MPG-A MPG输入A相 MPG的输入A相 17 MPG-B MPG输入B相 MPG的输入B相 18 MPG— MPG-输入相 MPG的输入相 19 MPG- MPG输入相 MPG的输入相 20 — 21 IN3(NO) 通用输入3 通用输入3 22 IN4(NO) 通用输入4 通用输入4 23 - 24 - 25 OUT3 通用输出3 通用输出3 26 OUT4 通用输出4 通用输出4 NC:常闭 NO:常开 注1:原点临近输入由机械规格参数设定,NC、NO都可以使用。 注2:未使用针NO.15、20、23、24。 注3:通用输出不能直接驱动电机的制动器。必须通过继电器等. 要求 常闭(NC)输入端子,即便不使用时也必须在连接器上短接DC GND。 2-9 ● CS1W—MC221型的输入输出(I/O)连接器各端子的名称和说明 针NO. 记号 名称 说明 1 +24V 24V输入 连接外部电源DC24V的+端子. 2 XCWL(NC) X轴CW界限输入 限制向X轴的CW方向移动. 3 YCWL(NC) Y轴CW界限输入 限制向Y轴的CW方向移动。 4 XCCWL(NC) X轴CCW界限输入 限制向X轴的CCW方向移动。 5 YCCWL(NC) Y轴CCW界限输入 限制向Y轴的CCW方向移动。 6 XSTOP(NC) Y轴即停输入 X轴运转指令输出无效停止. 7 YSTOP(NC) Y轴即停输入 Y轴运转指令输出无效停止. 8 1N1(NO) 通用输入1 通用输入1 9 1N2(NO) 通用输入2 通用输入2 10 XORG(NC.NO)(注1) X轴原点临近输入 用于X轴的原点搜索. 11 YORG(NC.NO)(注1) Y轴原点临近输入 用于Y轴的原点搜索。 12 OUT1(注3) 通用输出1 通用输出1或X轴制动信号输出 13 OUT2(注3) 通用输出2 通用输出2或Y轴制动信号输出 14 DC GND 24V输入接地 连接外部电源DC24V—端子(OV). 15 ZCWL(NC) Z轴CW界限输入 限制向Z轴的CW方向移动。 16 UCWL(NC) U轴CW界限输入 限制向U轴的CW方向移动。 17 ZCCWL(NC) Z轴CCW界限输入 限制向Z轴的CCW方向移动。 18 UCCWL(NC) U轴CCW界限输入 限制向U轴的CCW方向移动。 19 ZSTOP(NC) Z轴即停输入 使Z轴运转指令输出无效并停止。 20 USTOP(NC) U轴即停输入 使U轴运转指令输出无效并停止. 21 IN3(NO) 通用输入3 通用输入3 22 IN4(NO) 通用输入4 通用输入4 23 ZORG(NC,N0)(注1) Z轴原点临近输入 用于Z轴的原点搜索。 24 UORG(NC,N0)(注1) U轴原点临近输入 用于U轴的原点搜索。 25 OUT3(注2) 通用输出3 通用输出3或Z轴制动信号输出 26 OUT4(注2) 通用输出4 通用输出4或U轴制动信号输出 NC:常闭 NO:常开 注1:原点临近输入由机械规格参数设定,NC、NO都可以使用. 注2:通用输出不能直接驱动电机的制动器。必须通过继电器等。 要求 常闭(NC)输入端子,即使在不使用时也必须在连接器上短接DC GND. 2-10 ● 连接示例 输出输入连接器 继电器 即停输入 CW输限 输入 CCW界限 输入 原点 临近 输入 这只是X轴配线的例子。 使用Y、Z、U轴时,请分别配线。 ● 使用专用电缆、专用端子台配线(以型号CS1W-MC221为例) MC单元专用端子台连接电缆(2轴、4轴式共用) (XW2Z-100J—F1型) 专用端子台(2轴式) (XW2B-20J6-6型) X轴CW、CCW、原点临近、即停 Y轴CW、CCW、原点临近、即停 2-11 ● 使用专用电缆、专用端子台配线的例子 此处只是CS1W—MC221型的X轴配线的示例。Y轴也同样配线。 常开 常闭 XW2B-20—J6—6型 标签 端子号 通用 通用 通用 通用 通用 通用 CW界限 输入 原点临近 输入 CCW界限 输入 即停输入 继电器 解除制动 用的配线 另外,CS1W—MC421型请使用XWZB-40J6-7型的专用端子台。 XW2B-40J6-7型 端子号 标签 端子号 标签 0 OV 20 +24V 1 通用 21 XCWL 2 通用 22 XCCWL 3 通用 23 XORG 4 IN1 24 XSTOP 5 通用 25 OUT1 6 通用 26 YCWL 7 通用 27 YCCWL 8 YSTOP 28 YORG 9 IN2 29 OUT2 10 ※ 30 ※ 11 通用 31 ZCWL 12 通用 32 ZCCWL 13 通用 33 ZORG 14 IN3 34 ZSTOP 15 通用 35 OUT3 16 通用 36 UCWL 17 通用 37 UCCWL 18 USTOP 38 UORG 19 IN4 39 OUT4 ※:空端子 2-12 ■ DRV连接器的配线 DRV连接器用于连接伺服驱动器。 DRV X、Y连接器是X、Y轴用的连接器。 DRV Z、U连接器是Z、U轴用的连接器。 使用本公司制造的U、H、M系列的伺服驱动器时,备有可选的专用电缆。请参照“驱动器间的专用电缆(可选件)”(2—16页)。 ●连接器型号(快速插入式连接器) 连接器(2个)10136-3000VE(附在主机上,住友3M制造) 盒 (2个)10336-52F0-008(附在主机上,住友3M制造) ●DRV X、Y连接器针的排列/DRV Z、U连接器针的排列(CS1W-MC421型专用) DRV X、Y 连接器 (接线部的排列) 不使用6、7、24、25号针。 DRV X、Y 连接器 DRV Z、U 连接器 (配线部的排列) 不使用6、7、24、25号针. ●连接器的安装 请按以下方法安装。 ·请使用主机附带的连接器(前面所述的快速插入式连接器)进行安装。 ·安装螺钉时,请使用主机附带的防静电螺钉。 CS1W—MC421型带有8颗螺钉,CS1W—MC221型带有4颗螺钉。 防静电螺钉 2-13 ●DRV X、Y连接器的各端子名称和说明 针NO。 记号 名称 说明 1 +24V 24V输入 外部电源DC24V输入(X、Y轴用) 2 DC GND 24V输入接地 外部电源DC24V输入接地(X、Y轴用) 3 XALM X轴报警输入 X轴驱动器报警输入 4 XRUN X轴运转指令输出 X轴驱动器运转指令输出 5 XALMRS X轴报警复位输出 X轴驱动器报警的复位输出 6 - 7 — 8 XSGND X轴SEN信号接地 X轴的SEN信号接地 9 XSOUT X轴SEN信号输出 向X轴ABS对应驱动器输出SEN信号 10 X-GND X轴反馈接地 X轴反馈接地 11 X-A X轴A相输入 X轴反馈输入的A相输入 12 X- X轴相输入 X轴反馈输入的相输入 13 X—Β X轴B相输入 X轴反馈输入的B相输入 14 X— X轴相输入 X轴反馈输入的相输入 15 X—Z X轴Z相输入 X轴反馈输入的Z相输入 16 X— X轴相输入 X轴反馈输入的相输入 17 XOUT X轴速度指令 向X轴驱动器输出速度指令电压 18 XAGND X轴速度指令接地 X轴速度指令电压的接地 19 +F24V 24V输出 将24V输入供给驱动器(X、Y轴用) 20 FDC GND 24V输出接地 24V输出接地(X、Y轴用) 21 YALM Y轴报警输入 Y轴驱动器报警输入 22 YRUN Y轴运转指令输出 Y轴驱动器运转指令输出 23 YALMRS Y轴报警复位输出 Y轴驱动器报警复位输出 24 — 25 — 26 YSGND Y轴SEN信号接地 Y轴SEN信号接地 27 YSOUT Y轴SEN信号输出 向Y轴ABS对应驱动器输出SEN信号 28 Y-GND Y轴反馈接地 Y轴反馈接地 29 Y-A Y轴A相输入 Y轴反馈输入的A相输入 30 Y- Y轴相输入 Y轴反馈输入的相输入 31 Y-B Y轴B相输入 Y轴反馈输入的B相输入 32 Y— Y轴相输入 Y轴反馈输入的相输入 33 Y—Z Y轴Z相输入 Y轴反馈输入的Z相输入 34 Y— Y轴相输入 Y轴反馈输入的相输入 35 YOUT Y轴速度指令 向Y轴驱动器输出速度指令电压 36 YAGND Y轴速度指令接地 Y轴速度指令电压的接地 2-14 ●DRV Z、U连接器的名称和说明(CS1W—MC421型专用) 针NO. 记号 名称 说明 1 +24V 24V输入 外部电源DC24V输入(Z、U轴用) 2 DC GND 24V输入接地 外部电源DC24V输入接地 3 ZALM Z轴报警输入 Z轴驱动器报警输入 4 ZRUN Z轴运转指令输出 Z轴驱动器运转指令输出 5 ZALMRS Z轴报警复位输出 Z轴驱动器报警复位输出 6 — 7 - 8 ZSGND Z轴SEN信号接地 Z轴的SEN信号接地 9 ZSOUT Z轴SEN信号输出 向Z轴ABS对应驱动器输出SEN信号 10 Z-GND Z轴反馈接地 Z轴反馈接地 11 Z-A Z轴A相输入 Z轴反馈输入的A相输入 12 Z- Z轴相输入 Z轴反馈输入相输入 13 Z-Β Z轴B相输入 Z轴反馈输入的B相输入 14 Z- Z轴相输入 Z轴反馈输入的相输入 15 Z-Z Z轴Z相输入 Z轴反馈输入的Z相输入 16 Z- Z轴相输入 Z轴反馈输入的相输入 17 ZOUT Z轴速度指令 向Z轴驱动器输出速度指令电压 18 ZAGND Z轴速度指令接地 Z轴速度指令电压的接地 19 +F24V 24V输出 将24V输入供给驱动器(Z、U轴用) 20 FDC GND 24V输出接地 24V输出接地(Z、U轴用) 21 UALM U轴报警输入 U轴驱动器报警输入 22 URUN U轴运转指令输出 U轴驱动器运转指令输出 23 UALMRS U轴报警复位输出 U轴驱动器报警复位输出 24 — 25 - 26 USGND U轴SEN信号接地 U轴SEN信号接地 27 USOUT U轴SEN信号输出 向U轴ABS对应驱动器输出SEN信号 28 U-GND U轴反馈接地 U轴反馈接地 29 U—A U轴A相输入 U轴反馈输入的A相输入 30 U— U轴相输入 U轴反馈输入的相输入 31 U-B U轴B相输入 U轴反馈输入的B相输入 32 U- U轴相输入 U轴反馈输入的相输入 33 U-Z U轴Z相输入 U轴反馈输入的Z相输入 34 U- U轴相输入 U轴反馈输入的相输入 35 UOUT U轴速度指令 向U轴驱动器输出速度指令电压 36 UAGND U轴速度指令接地 U轴速度指令电压的接地 2—15 ●驱动器间专用电缆(可选件) 使用本公司制造的U、H、M、W系列伺服驱动器时,备有连接MC单元和伺服驱动器的驱动器间专用电缆。如果使用驱动器间专用电缆,就没有必要再配线. 电缆型号如下: 系列 二轴用的型号 一轴用的型号 长度(m) R88D—U 30~750W驱动器用 R88A-CPU001M2型 R88A-CPU001M1型 1。0 R88A-CPU002M2型 R88A—CPU002M1型 2。0 R88D—U 1~5KW驱动器用 R88A-CPUB001M2型 R88A—CPUB001M1型 1.0 R88A—CPUB002M1型 R88A—CPUB002M1型 2.0 R88D—H R88A—CPH001M2型 R88A-CPH001M1型 1。0 R88A—CPH002M2型 R88A-CPH002M1型 2.0 R88D-M R88A—CPM001M2型 R88A-CPM001M1型 1.0 R88A-CPM002M2型 R88A-CPM002M1型 2.0 R88D—W R88A—CPW001M2型 R88A—CPW001M1型 1。0 R88A-CPW002M2型 R88A-CPW002M1型 2。0 R88A—CPW003M2型 R88A-CPW003M1型 3.0 R88A-CPW005M2型 R88A-CPW005M1型 5.0 R88A—CPU001M2/002M2型(U系列用) R88A—CPU001M2/002M2型 连接+24V 红:+24V 黑:0V 使用ABS编码器时,连接电池。 红:正 蓝:负 R88A-CPH001M2/002M2型(H系列用) 连接+24V 红:+24V 黑:0V 2—16 R88A—CPM001M2/002M2型(M系列用) 连接+24V 红:+24V 黑:0V 使用一轴用的电缆时,MC单元的连接器为1个,只连接X轴或Z轴的信号线。 不使用上述专用电缆时,请使用单元随带的连接器、盒来接线安装。 2—17 ■ 连接器的配线方法 1 每条线都套上热收缩套管。 2 在每条线和连接器端子上都进行预焊锡. 3 对各线进行焊锡. 烙铁 热收缩套管 菱形套管F 内径1。5,r=1Q 4 将热收缩套管拉回到焊锡部,然后用喷热器加热管,使之收缩。 热收缩套管 2-18 ●驱动器间专用电缆的连接例 与U系列(30~750W)接线 专用电缆 R88A-CPU00□M2型 MC单元 CS1W—MC421/MC221型 黑 红 AC伺服驱动器 R88D-UA□□□型 DRV X、Y(Z、U)连接器 电源 24V输入 24V输入接地 X(Z)轴报警输入 X(Z)轴运转指令输入 X(Z)轴报警复位输出 X(Z)轴SEN信号接地 X(Z)输SEN信号输出 X(Z)轴反馈接地 X(Z)轴A相输入 X(Z)轴A相输入 X(Z)轴B相输入 X(Z)轴B相输入 X(Z)轴Z相输入 X(Z)轴Z相输入 X(Z)轴速度指令 X(Z)轴速度指令接地 24V输出 红 24V输出接地 AC伺服驱动器 R88D-UA□□□型 电池 蓝 Y(U)轴报警输入 Y(U)轴运转指令输出 Y(U)轴报警复位输出 Y(U)轴SEN信号接地 Y(U)轴SEN信号输出 Y(U)轴反馈接地 Y(U)轴A相输入 Y(U)轴A相输入 Y(U)轴B相输入 Y(U)轴B相输入 Y(U)轴Z相输入 Y(U)轴Z相输入 Y(U)轴速度指令 Y(U)轴速度指令接地 蓝 红 电池 注:带*记号的端子和配线是使用绝对值(ABS)编码器时的端子和配线.使用专用电缆并使用INC编码器时,带*记号的端子和配线连接着也没有问题。 顾客要进行INC编码器的接线时,*记号的配线不需要,请不要连接. 2-19 与U系列(1KW以上)接线 专用电缆 R88A-CPUB00□M2型 AC伺服驱动器 R88D—UT□型 AC伺服驱动器 R88D—UT□型 MC单元 CS1W—MC421/MC221型 红 蓝 红 DRV X、Y(Z、U)连接器 电源 黑 24V输入 24V输入接地 X(Z)轴报警输入 X(Z)轴运转指令输入 X(Z)轴报警复位输出 X(Z)轴SEN信号接地 X(Z)输SEN信号输出 X(Z)轴反馈接地 X(Z)轴A相输入 X(Z)轴A相输入 X(Z)轴B相输入 X(Z)轴B相输入 X(Z)轴Z相输入 X(Z)轴Z相输入 X(Z)轴速度指令 X(Z)轴速度指令接地 24V输出 24V输出接地 Y(U)轴报警输入 Y(U)轴运转指令输出 Y(U)轴报警复位输出 Y(U)轴SEN信号接地 Y(U)轴SEN信号输出 Y(U)轴反馈接地 Y(U)轴A相输入 Y(U)轴A相输入 Y(U)轴B相输入 Y(U)轴B相输入 Y(U)轴Z相输入 Y(U)轴Z相输入 Y(U)轴速度指令 Y(U)轴速度指令接地 红 壳 壳 蓝 注:带*记号的端子和配线是使用绝对值(ABS)编码器时的端子和配线.使用专用电缆并使用INC编码器时,*记号的端子和配线连接着也没有问题. 顾客要进行INC编码器的接线时,*记号的配线不需要,请不要连接。 2—20 与W系列接线 专用电缆 R88A—CPW00□M2型 AC伺服驱动器 R88D-WT□型 AC伺服驱动器 R88D-WT□型 MC单元 CS1W—MC421/MC221型 红 DRV X、Y(Z、U)连接器 电源 黑 24V输入 24V输入接地 X(Z)轴报警输入 X(Z)轴运转指令输出 X(Z)轴报警复位输出 X(Z)轴SEN信号接地 X(Z)轴SEN信号输出 X(Z)轴反馈接地 X(Z)轴A相输入 X(Z)轴A相输入 X(Z)轴B相输入 X(Z)轴B相输入 X(Z)轴Z相输入 X(Z)轴Z相输入 X(Z)轴速度指令 X(Z)轴速度指令接地 壳 壳 24V输出 24V输出接地 Y(U)轴报警输入 Y(U)轴运转指令输出 Y(U)轴报警复位输出 Y(U)轴SEN信号接地 Y(U)轴SEN信号输出 Y(U)轴反馈接地 Y(U)轴A相输入 Y(U)轴A相输入 Y(U)轴B相输入 Y(U)轴B相输入 Y(U)轴Z相输入 Y(U)轴Z相输入 Y(U)轴速度指令 Y(U)轴速度指令接地 注:带*记号的端子和配线是使用绝对值(ABS)编码器时的端子和配线。使用专用电缆并使用INC编码器时,*记号的端子和配线连接着也没有问题。 顾客要进行INC编码器的接线时,*记号的配线不需要,请不要连接。 2—21 与H系列接线 专用电缆 R88A-CPH00□M2型 AC伺服驱动器 (模拟输入式) R88D—HL/-HT/—HS型 AC伺服驱动器 (模拟输入式) R88D—HL/—HT/—HS型 MC单元 CS1W—MC421/MC221型 红 DRV X、Y(Z、U)连接器 黑 电源 24V输入 24V输入接地 X(Z)轴报警输入 X(Z)轴运转指令输出 X(Z)轴报警复位输出 X(Z)轴SEN信号接地 X(Z)轴SEN信号输出 X(Z)轴反馈接地 X(Z)轴A相输入 X(Z)轴A相输入 X(Z)轴B相输入 X(Z)轴B相输入 X(Z)轴Z相输入 X(Z)轴Z相输入 X(Z)轴速度指令 X(Z)轴速度指令接地 24V输出 24V输出接地 Y(U)轴报警输入 Y(U)轴运转指令输出 Y(U)轴报警复位输出 Y(U)轴SEN信号接地 Y(U)轴SEN信号输出 Y(U)轴反馈接地 Y(U)轴A相输入 Y(U)轴A相输入 Y(U)轴B相输入 Y(U)轴B相输入 Y(U)轴Z相输入 Y(U)轴Z相输入 Y(U)轴速度指令 Y(U)轴速度指令接地 注:屏蔽线要用MC单元连接器的金属件接地。 2—22 与M系列接线 专用电缆 R88A—CPM00□M2型 AC伺服驱动器 R88D-M型系列 AC伺服驱动器 R88D-M型系列 MC单元 CS1W-MC421/MC221型 红 DRV X、Y(Z、U)连接器 黑 电源 24V输入 24V输入接地 X(Z)轴报警输入 X(Z)轴运转指令输出 X(Z)轴报警复位输出 X(Z)轴SEN信号接地 X(Z)轴SEN信号输出 X(Z)轴反馈接地 X(Z)轴A相输入 X(Z)轴A相输入 X(Z)轴B相输入 X(Z)轴B相输入 X(Z)轴Z相输入 X(Z)轴Z相输入 X(Z)轴速度指令 X(Z)轴速度指令接地 24V输出 24V输出接地 Y(U)轴报警输入 Y(U)轴运转指令输出 Y(U)轴报警复位输出 Y(U)轴SEN信号接地 Y(U)轴SEN信号输出 Y(U)轴反馈接地 Y(U)轴A相输入 Y(U)轴A相输入 Y(U)轴B相输入 Y(U)轴B相输入 Y(U)轴Z相输入 Y(U)轴Z相输入 Y(U)轴速度指令 Y(U)轴速度指令接地 2-23 ■MPG的配线 MPG连接器用于连接MPG(手动脉冲发生器).CS1W—MC421型用MPG连接器配线,CS1W—MC221型在输入输出(I/O)连接器上有MPG用的端子。 ●MPG(手动脉冲发生器) 请使用总线驱动器式的MPG. 推荐:LGF-300—100(SAMUTAKU制造) ●连接器型号(快速插入式连接器) 连接器(1个)10114-3000VE(附在主机上,住友3M制造) 盒 (1个)10314—52F0—008(附在主机上,住友3M制造) ●MPG连接器针的排列 不使用1~4、7~11、14号针 (接线部的排列) ●MPG连接器的各端子名称和说明 针NO。 记号 名称 说明 5 MPG— MPG输入相 MPG的输入的相 6 MPG—A MPG输入A相 MPG的输入的A相 12 MPG— MPG输入相 MPG的输入的相 13 MPG—B MPG输入B相 MPG的输入的B相 ●CS1W—MC421型的连接例 MPG侧(LGF—003—100) MPG侧(LGF—003-100) DC +5 电源 0V DC +5 电源 0V MPG连接器 MPG输入B相 MPG输入B相 MPG输入A相 MPG输入A相 MPG输入B相 MPG输入B相 MPG输入A相 MPG输入A相 ●CS1W—MC221的连接例 输入输出(I/O)连接器 2—24 ■连接器的接口回路 输入输出(I/O)连接器、DRV连接器的接口回路如下: 对象回路(NC):X~U CWL、X~U CCWL、X~U STOP、X~U ALM 对象回路(NO):IN1~4 对象回路(NC,NO):X~U ORG 项目 规格 回路构成 额定输入电压 DC24V±10% 额定输入电流 4.66~5。15mA (DC24V) 光耦合器 ON电压 最小 17V OFF电压 最大 5V ON响应时间 1ms以下(注) OFF响应时间 1ms以下 注1:INI~4为0。1ms以下。 注2:MC单元的输入回路(特别是X~UCWL、X~UCCWL、X~UORC)为高速响应回路. 对象回路:OUT1~4 项目 规格 回路构成 最大开闭能力 50mA/DC24V 输出 漏电流 0.1mA以下 剩余电压 1。0V以下 光耦合器 外部供给电压 DC24V±10% 对象回路:X~U RUN、X~U ALMRS 项目 规格 回路构成 最大开闭能力 10mA/DC24V 输出 漏电流 0.1mA以下 剩余电压 1。0V以下 光耦合器 外部供给电压 DC24V±10% 2-25 对象回路:X~U SOUT 回路构成 对象回路:X~U—A、X~U-、X~U-B、X~U-、X~U -Z、X~U—、MPG—B、MPG- 项目 规格 回路构成 信号电平 依据EIA标准S-422—A 输入阻抗 220Ω 线路接收器 响应频率 500kpps以下 对象回路:X~U OUT 项目 规格 回路构成 输出电压 0~±10V 负载阻抗 10kΩ以下
展开阅读全文

开通  VIP会员、SVIP会员  优惠大
下载10份以上建议开通VIP会员
下载20份以上建议开通SVIP会员


开通VIP      成为共赢上传

当前位置:首页 > 包罗万象 > 大杂烩

移动网页_全站_页脚广告1

关于我们      便捷服务       自信AI       AI导航        抽奖活动

©2010-2026 宁波自信网络信息技术有限公司  版权所有

客服电话:0574-28810668  投诉电话:18658249818

gongan.png浙公网安备33021202000488号   

icp.png浙ICP备2021020529号-1  |  浙B2-20240490  

关注我们 :微信公众号    抖音    微博    LOFTER 

客服