收藏 分销(赏)

械机设计课程设计盘磨机传动装置的设计.doc

上传人:天**** 文档编号:2528270 上传时间:2024-05-31 格式:DOC 页数:31 大小:1.02MB 下载积分:12 金币
下载 相关 举报
械机设计课程设计盘磨机传动装置的设计.doc_第1页
第1页 / 共31页
械机设计课程设计盘磨机传动装置的设计.doc_第2页
第2页 / 共31页


点击查看更多>>
资源描述
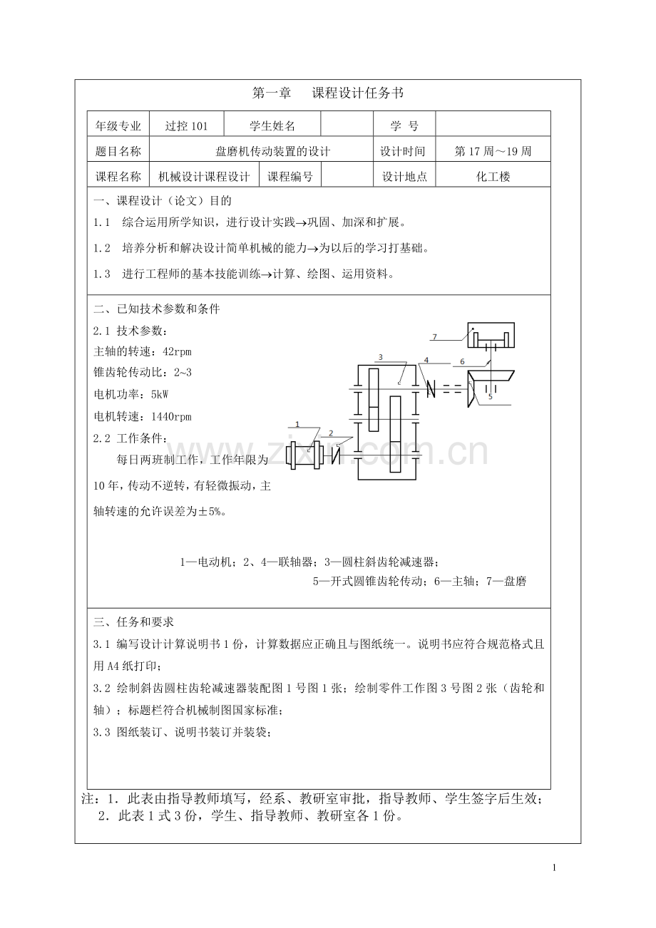
第一章 课程设计任务书 年级专业 过控101 学生姓名 学 号 题目名称 盘磨机传动装置的设计 设计时间 第17周~19周 课程名称 机械设计课程设计 课程编号 设计地点 化工楼 一、 课程设计(论文)目的 1.1 综合运用所学知识,进行设计实践®巩固、加深和扩展。 1.2 培养分析和解决设计简单机械的能力®为以后的学习打基础。 1.3 进行工程师的基本技能训练®计算、绘图、运用资料。 二、 已知技术参数和条件 2.1 技术参数: 主轴的转速:42rpm 锥齿轮传动比:2~3 电机功率:5kW 电机转速:1440rpm 2.2 工作条件: 每日两班制工作,工作年限为10年,传动不逆转,有轻微振动,主轴转速的允许误差为±5%。 1—电动机;2、4—联轴器;3—圆柱斜齿轮减速器; 5—开式圆锥齿轮传动;6—主轴;7—盘磨 三、任务和要求 3.1 编写设计计算说明书1份,计算数据应正确且与图纸统一。说明书应符合规范格式且用A4纸打印; 3.2 绘制斜齿圆柱齿轮减速器装配图1号图1张;绘制零件工作图3号图2张(齿轮和轴);标题栏符合机械制图国家标准; 3.3 图纸装订、说明书装订并装袋; 注:1.此表由指导教师填写,经系、教研室审批,指导教师、学生签字后生效; 2.此表1式3份,学生、指导教师、教研室各1份。 四、参考资料和现有基础条件(包括实验室、主要仪器设备等) 4.1 《机械设计》教材 4.2 《机械设计课程设计指导书》 4.3 《减速器图册》 4.4 《机械设计课程设计图册》 4.5 《机械设计手册》 4.6 其他相关书籍 五、进度安排 序号 设计内容 天数 1 设计准备(阅读和研究任务书,阅读、浏览指导书) 1 2 传动装置的总体设计 2 3 各级传动的主体设计计算 2 4 减速器装配图的设计和绘制 7 5 零件工作图的绘制 1 6 编写设计说明书 2 7 总计 15 六、教研室审批意见 教研室主任(签字): 年 月 日 七|、主管教学主任意见 主管主任(签字): 年 月 日 八、备注 指导教师(签字): 学生(签字): 计算及说明 结果 第二章 传动方案的整体设计 2.1传动装置总体设计方案: 2.1.1 组成:传动装置由电机、减速器、工作机组成。 2.1.2 特点:齿轮相对于轴承不对称分布,故沿轴向载荷分布不均匀, 要求轴有较大的刚度。选择锥齿轮传动和一级圆柱斜齿轮减速器(展开式)。 2.2电动机的选择 根据已知任务书给定的技术参数,由给定的电动机功率为5KW,电动机转速为1440r/min,查表17-7选取电动机型号为Y132S—4,满载转速1440 r/min,同步转速1500r/min。 2.3确定传动装置的总传动比和分配各级的传动比 2.3.1总传动比 由选定的电动机满载转速nm和工作机主动轴转速=42,可得传动装置总传动比为=nm/=1440/42=34.29。 2.3.2分配传动装置传动比 锥齿轮传动比:=3 减速器传动比:=/=34.29/3=11.43 高速级传动比:1= 低速级传动比: 2.4计算传动装置的运动和动力参数 2.4.1 各轴转速n(r/min) n0=nm=1440 r/min 高速轴1的转速:n1=nm=1440 r/min 中间轴2的转速: 低速轴3的转速: 主轴6的转速: 2.4.2 各轴的输入功率P(KW) P0=Pm=5kw 高速轴1的输入功率: P1=P0ηc=5×0.99=4.95kw 中间轴2的输入功率:P2=P1η1ηg=4.95×0.98×0.98=4.75kw 低速轴3的输入功率: P3=P2η2ηg=4.75×0.98×0.98=4.57kw 主轴6的输入功率: P4=P3ηgηgηd=4.57×0.98×0.99×0.97=4.30kw Pm为电动机的额定功率;ηc为联轴器的效率;ηg为一对轴承的效率;η1高速级齿轮传动的效率;η2为低速级齿轮传动的效率;ηd为锥齿轮传动的效率。 2.4.3 各轴输入转矩T(N•m) T0=9550P0/n0=3.316× N·m 高速轴1的输入转矩T1=9550P1/n1=(9550×4.95)/1440=3.283×104N·m 中间轴2的输入转矩T2=9550P2/n2=(9550×4.75)/366.4=1.238×105N·m 低速轴3的输入转矩T3=9550P3/n3=(9550×4.57)/126.3=3.4556×105N·m 主轴6 的输入转矩T4=9550P4/n4=(9550×4.30)/42.1=9.7542×105N·m 第三章 传动零件的设计计算 3.1 高速级斜齿轮的设计和计算 3.1.1 选精度等级,材料及齿数 (1)齿轮的材料,精度和齿数选择,因传递功率不大,转速不高,小齿轮用40Cr,大齿轮用45号钢,锻选项毛坯,大齿轮、正火处理,小齿轮调质,均用软齿面,小齿轮硬度为280HBS,大齿轮硬度为240HBS。 (2)齿轮精度用7级,软齿面闭式传动,失效形式为点蚀。 (3)虑传动平稳性,齿数宜取多些,取=24,则=24×3.93=94.32,取=94。 (4)选取螺旋角。初选螺旋角为β=14o 3.1.2 按齿面接触强度设计 由设计公式 试算 (1)确定公式内的各计算数值 1)试选载荷系数Kt=1.6。 2)计算小齿轮传递的转矩。 3)由机械设计课本表10-7选取齿宽系数 4)由表10-6查得材料的弹性影响系数ZE=189.8MP。 5)由图10-21d按齿面强度查地小、大齿轮的接触疲劳强度极限 σHlim1=600Mpa σHlim2=550Mpa。 6)由式10-13计算应力循环次数。 N1=60n1j Lh=60×1440×1×(2×8×365×10)=5.05× N2=N1/i2=5.05×109/3.93=1.28×9 7)由图10-19取接触疲劳寿命系数KHN1=0.90,KHN2=0.95。 8)计算接触疲劳许用应力。取失效概率为0.01,安全系数S=1由式10-12得: [σH]1=σHlim1 KHN1/S=600×0.90/1 Mpa=540 Mpa [σH]2=σHlim2 KHN2/S=550×0.95/1 Mpa=522.5Mpa 9) 由图10-30选取区域系数ZH=2.433。 10) 由图10-26查得 ,则 11) 许用接触力: 计算 1)试算=39.629mm 2) 圆周速度 (3)齿宽 模数 (4)计算纵向重合度 (5)计算载荷系数K 根据V=2.988m/s,7级精度,由图10-8查得动载系数Kv=1.12。;由表10-2查得使用系数KA=1.25;由表10-4查得7级精度,小齿轮相对支承非对称布置时,=1.417。查图10-13得=1.34;故载荷系数: (6)按实际的载荷系数校正所算得的分度圆直径,由式10-10a得 (7)计算模数 3.1.3 按齿根弯曲强度设计 由式10-5得弯曲强度的设计公式为 (1)确定公式内的各计算数值 1)计算载荷系数K K==1.25×1.12×1.4×1.34=2.63 2)根据纵向重合度=1.903,从图10-28查得螺旋角影响系数=0.88 3)计算当量齿数 4) 查取齿形系数 由表10-5查得 5) 查取应力校正系数 由表10-5查得 6)由图10-20c查得 小齿轮的弯曲疲劳强度极限 大齿轮的弯曲疲劳强度极限 7)由图10-18取弯曲疲劳寿命系=0.86,=0.89; 8)计算弯曲疲劳许用应力。 取弯曲疲劳安全系数S=1.4,由式10-12得 /S=0.86×500/1.4=307.14MPa /S=0.89×380/1.4=241.57MPa 9)计算大、小齿轮的并加以比较 =2.592×1.596/307.14=0.01347MPa =2.178×1.791/241.57=0.01615MPa 大齿轮的数值大。 (2) 设计计算 对比计算结果,由齿面接触疲劳强度计算的模数大于mn由齿根弯曲疲劳强度计算的模数,由于齿轮模数的大于主要取决于弯曲强度所决定的承载能力,而齿面接触疲劳强度所决定的承载能力,仅与齿轮直径(即模数与齿数的乘积)有关,可取mn=2mm,按接触强度算得的分度圆直径=47.643mm,算出小齿轮齿数 (3)几何尺寸计算 1)计算中心距 将中心距圆整为122mm 2) 将圆整后的中心距修正螺旋角 因值改变不多,故参数,,等不必修正。 b 3) 计算分度圆直径 =94×2/cos14.7123=194.373mm 4) 计算齿轮宽度 圆整后取B2=50mm,B1=55mm 5)结构设计 齿顶高 齿根高 齿高 齿顶圆直径: 小齿轮=d+2=53.627 mm 大齿轮=198.373 mm 齿根圆直径: 小齿轮=d-2=44.627 mm 大齿轮= d-2=190.373 mm 3.2 低速级斜齿轮的设计和计算 3.2.1 选精度等级,材料及齿数。 1)齿轮的材料,精度和齿数选择,因传递功率不大,转速不高,小齿轮用40Cr,大齿轮用45号钢,锻选项毛坯,大齿轮、正火处理,小齿轮调质,均用软齿面,小齿轮硬度为280HBS,大齿轮硬度为240HBS。 2)齿轮精度用7级,软齿面闭式传动,失效形式为占蚀。 3) 虑传动平稳性,齿数宜取多些,取,则,取。 4) 选取螺旋角。初选螺旋角14。 3.2.2 按齿面接触强度设计 由设计公式试算 (1)确定公式内的各计算数值 1)试选载荷系数Kt=1.6 2)计算小齿轮传递的转矩。 3)由机械设计课本表10-7选取齿宽系数 4)由表10-6查得材料的弹性影响系数=189.8MP 5)由图10-21d按齿面强度查地小,大齿轮的接触疲劳强度极限 6) 由式10-13计算应力循环次数。 7)由图10-19取接触疲劳寿命系数KHN1=0.95,KHN2=0.97。 8)计算接触疲劳许用应力。取失效概率为0.01,安全系数S=1.由式10-12得 [σH]1=σHlim1 KHN1/S=600×0.95/1 Mpa=570Mpa [σH]2=σHlim2 KHN2/S=550×0.97/1 Mpa=533.5Mpa 9)由图10-30选取区域系数 10)由图10-26查得 则 11)许用接触力 (2)计算 1)试算 2)圆周速度V=d1t n2/(60×1000)=1.169 m/s 3)齿宽 4) 计算纵向重合度 5)计算载荷系数K 根据V=1.169m/s,7级精度,由图10-8查得动载系数Kv=1.08,;由表10-2查得使用系数KA=1.25;由表10-4查地7级精度,小齿轮相对支承非对称布置时,=1.421;查图10-13得;故载荷系数: 6)按实际的载荷系数校正所算得的分度圆直径,由式10-10a得 7) 计算模数 3.2.3 按齿根弯曲强度设计 由式10-5得弯曲强度的设计公式为 (1)确定公式内的各计算数值 1)由图10-20c查得 小齿轮的弯曲疲劳强度极限 大齿轮的弯曲疲劳强度极限 2)由图10-18取弯曲疲劳寿命系数KFN1=0.89,KFN2=0.90; 3)计算弯曲疲劳许用应力。 取弯曲疲劳安全系数S=1.4,由式10-12得: 4)计算载荷系数K K=KAKVKFαKFβ=1.25×1.08×1.4×1.35=2.55 5)根据纵向重合度=1.903,从图10-28查得螺旋角影响系数=0.88 6)计算当量齿数 7)查取齿形系数 由表10-5查得 YFa1=2.592;YFa2=2.227 8)查取应力校正系数 由表10-5查得 YSa1=1.596;YSa2=1.763 9) 计算大、小齿轮的并加以比较 大齿轮的数值大。 (2) 设计计算 对比计算结果,由齿面接触疲劳强度计算的模数大于mn由齿根弯曲疲劳强度计算的模数,由于齿轮模数的大于mn主要取决于弯曲强度所决定的承载能力,而齿面接触疲劳强度所决定的承载能力,仅与齿轮直径(即模数与齿数的乘积)有关,可取mn=2.5㎜,按接触强度算得的分度圆直径d1=72.449㎜,算出小齿轮齿数 取 ,取 (3)几何尺寸计算 1)计算中心距 将中心距圆整为141 mm 2) 将圆整后的中心距修正螺旋角 因值改变不多,故参数等不必修正。 b 3) 计算分度圆直径 4) 计算齿轮宽度 圆整后取B3=72,B2=77. 5)结构设计 齿顶高 齿根高 齿高 齿顶圆直径 小齿轮大齿轮 齿根圆直径 小齿轮,大齿轮 第四章 轴的设计计算 4.1 中间轴的设计计算 4.1.1 中间轴上的功率P、转速n和转矩T 由已知,得:P= PⅡ=4.75KW, n= nⅡ=366.4r/min 4.1.2 确定轴的最小直径 先按式15-2初步估算轴的最小直径。选取轴的材料为45钢,调质处理。根据表15-3,取A0=112。得 4.1.3 轴的结构设计 (1)拟定轴上零件的装配方案 轴的设计示意图如下: (2)根据轴向定位的要求确定轴的各段直径和长度。 1)由于=26.31 mm,轴上开有两键槽,增加后轴径d=30 mm取安装轴承处(该轴直径最小处) 轴径d=30 mm,则dⅠ-Ⅱ=dⅤ-Ⅵ=30 mm。 2)初步选择滚动轴承。选单列圆锥滚子轴承。参照工作要求并根据 dⅠ-Ⅱ=30 mm,选轴承型号30206,其尺寸为d×D×T=30 mm×62 mm×17.25mm。考虑到箱体铸造误差,使轴承距箱体内壁6 mm。 3)取轴上安装大齿轮和小齿轮处的轴段Ⅱ-Ⅲ和Ⅳ-Ⅴ的直径dⅡ-Ⅲ=dⅣ-Ⅴ=34mm.两端齿轮与轴承之间采用套筒定位。已知大齿轮轮毂的宽度为50mm,小齿轮的轮毂宽度为77mm.为了使套筒可靠地压紧齿轮,此轴段应略短于轮毂宽度,故分别取LⅡ-Ⅲ=74mm,LⅣ-Ⅴ=47mm。 两齿轮的另一端采用轴肩定位,轴肩高度: h>0.07dⅡ-Ⅲ=0.07×34=2.38mm,取h=3mm; 轴环处的直径:dⅢ-Ⅳ=34+6=40 mm; 轴环宽度:b≥1.4h=1.4×3=4.2mm,取LⅢ-Ⅳ=5mm。 4)由于安装齿轮的轴段比轮毂宽度略短,所以 LⅠ-Ⅱ=17.25+6+16+3=42.25 mm LⅤ-Ⅵ=17.25+6+18.5+3=44.75 mm (3)轴上零件的周向定位 齿轮与轴的周向定位均采用平键连接。按dⅡ-Ⅲ和dⅣ-Ⅴ分别由表6-1查得平键截面b×h=10 mm×8 mm,长度分别为63 mm和36 mm, 同时为了保证齿轮与轴配合有良好的对中性,故选择齿轮轮毂与轴的配合为;滚动轴承与轴的周向定位是由过渡配合来保证的,此处选轴的直径尺寸公差为m6。 (4)确定轴上的圆角和倒角尺寸 参考表15-2,取轴端倒角为2×45°。 (5) 轴的校核 经校核,该轴合格,故安全。 4.2 高速轴的设计计算 4.2.1 求高速轴上的功率P、转速n和转矩T 由已知,得:P=P1=4.95kw,n=n1=1440 r/min 4.2.2 初步确定轴的最小直径 先按式15-2初步估算轴的最小直径。选取轴的材料为45钢,调质处理。根据表15-3,取A0=112.得 轴上有一键槽,则增加后得直径d=20 mm,高速轴的最小直径为安装联轴器处轴的直径dⅠ-Ⅱ,取dⅠ-Ⅱ=20 mm。 4.2.3 轴的结构设计 (1)拟定轴上零件的装配方案 轴的设计示意图如下: (2)根据轴向定位的要求确定轴的各段直径和长度 1)为了满足半联轴器的轴向定位要求,Ⅰ-Ⅱ轴段左端需制出一轴肩,故取Ⅱ-Ⅲ段的直径dⅡ-Ⅲ=24 mm,左端用轴端挡圈定位,按轴端直径取挡圈直径D=26 mm。半联轴器与轴配合的毂孔长度L1=38 mm,为了保证轴端挡圈只压在半联轴器上而不压在轴的端面上,故取Ⅰ-Ⅱ段的长度应比L1略短一些,现取LⅠ-Ⅱ=36mm。 2)初步选择滚动轴承。 因轴承同时承受有径向力和轴向力的作用,故选用单列圆锥滚子轴承。参照工作要求并根据 dⅡ-Ⅲ=24 mm,选轴承型号30205,其尺寸d×D×T=25 mm×52 mm×16.25 mm,故dⅢ-Ⅳ=dⅦ-Ⅷ=25 mm.由于轴承右侧需装甩油环,且轴承需离箱体内壁一段距离,考虑到箱体铸造误差,使轴承距箱体内壁6 mm。,则取LⅢ-Ⅳ=LⅤ-Ⅵ=16.25 mm。右端滚动轴承采用轴肩进行轴向定位。取dⅣ—Ⅴ=30 mm. 3)由于高速轴上的小齿轮的尺寸较小,通常设计成齿轮轴。 4)轴承端盖的总宽度取为16 mm.取端盖的外端面与联轴器端面间的距离为30 mm,则LⅡ-Ⅲ=46 mm。 5)取轴上轴段Ⅴ-Ⅵ处为高速小齿轮,直径dⅤ-Ⅵ=53.627mm。已知小齿轮的轮毂宽度为55mm,故取LⅤ-Ⅵ=55mm。 6)取齿轮距箱体内壁的距离LⅥ-Ⅶ=a=19.5 mm。已知滚动轴承宽度T=16.25mm,低速级小齿轮轮毂长L=80mm,又因为已知箱体两内壁之间的距离为178.5,高速级小齿轮轮毂长L=55,则 (3)轴上零件的周向定位 半联轴器与轴的周向定位均采用平键连接。按dⅠ-Ⅱ由表6-1查得平键截面b×h=6 mm×6 mm,键槽用键槽铣刀加工,长为22 mm,滚动轴承与轴的周向定位是由过渡配合来保证的,此处选轴的直径尺寸公差为m6。 (4)确定轴上的圆角和倒角尺寸 参考表15-2,取轴端倒角为2×45°。 4.2.4州的校核 (1) 输入轴上的功率P1,转速n1,转矩T1 P1=5KW n1=1440r/min T1 =3.283×104N.m (2) 确定轴及求作用在齿轮上的力 1)求作用在齿轮上的力 已知高速级小齿轮的分度圆直径为 =49.627 而 F= F= F F= Ftan=1323.070×tan14.7123°=347.405N 圆周力F,径向力F及轴向力F的方向如图示: 输入轴的载荷分析图如下: 4.3 低速轴的设计计算 4.3.1 求低速轴上的功率P、转速n和转矩T 由已知,得:P=PⅢ=4.57 KW ,n= nⅢ=126.3r/min 4.3.2 初步确定轴的最小直径 先按式15-2初步估算轴的最小直径。选取轴的材料为45钢,调质处理。根据表15-3,取A0=112.得 4.3.3 轴的结构设计 (1)拟定轴上零件的装配方案 轴的设计示意图如下: (2)根据轴向定位的要求确定轴的各段直径和长度 1) 低速轴的最小直径显然是安装联轴器处轴的直径dⅠ-Ⅱ.为了使所选的轴直径 dⅠ-Ⅱ与联轴器的孔径相适应, 故需同时选取联轴器型号。联轴器的计算转矩=。按照计算转矩应小于联轴器公称转矩的条件,查手册,选用HL4型弹性套柱销联轴器,其公称转矩为1250。半联轴器的孔径为40mm,故取dⅠ-Ⅱ=40mm,联轴器长112mm,半联轴器与轴配合的毂孔长度L1=84mm.为了保证轴端挡圈只压在半联轴器上而不压在轴的端面上,故取Ⅰ-Ⅱ段的长度应比L1略短一些,现取LⅠ-Ⅱ=80mm。为了满足半联轴器的轴向定位要求,Ⅰ-Ⅱ轴段左端需制出一轴肩,故取Ⅱ-Ⅲ段的直径dⅡ-Ⅲ=48mm,右端挡圈定位,按轴端直径取挡圈直径D=50mm。 2)初步选择滚动轴承。选单列圆锥滚子轴承。参照工作要求并根据dⅡ-Ⅲ=48mm,选轴承型号30210,其尺寸为d×D×T=50mm×95mm×21.75 mm,故。 3)取安装齿轮处的轴段Ⅵ-Ⅶ的直径dⅥ-Ⅶ=52mm.齿轮的的左端与左端轴承之间采用甩油环和套筒定位。已知齿轮毂的宽度为72mm,为了使套筒端面可靠地压紧齿轮,此轴段应略短于轮毂宽度,故取LⅥ-Ⅶ=69 mm.齿轮的右端采用轴肩定位,轴肩高度h﹥0.07d=0.07×52=3.64,则轴环处=60mm。轴环宽度b≥1.4h=1.4×4=5.6,取=10mm。 4)取齿轮距箱体内壁的距离LⅦ-Ⅷ=a=25.5mm,考虑到箱体铸造误差,使轴承距箱体内壁6 mm。已知滚动轴承宽度T=21.75mm,LⅢ-Ⅳ=LⅧ-Ⅸ=21.75 mm,已知箱体两内壁之间的距离为178.5,则 5) 取轴承端盖外端面与联轴器端面的距离为30 mm,端盖厚20 mm,则LⅡ-Ⅲ =50. (3)轴上零件的周向定位 齿轮,联轴器与轴的周向定位均采用平键连接。由表6-1查得平键截面b×h=16 mm×10 mm,键槽用键槽铣刀加工,长为63 mm,同时为了保证齿轮与轴配合有良好的对中性,故选择齿轮轮毂与轴的配合为 ;同样,联轴器与轴的连接,选用平键为12 mm×8 mm×70 mm。滚动轴承与轴的周向定位是由过渡配合来保证的,此处选轴的直径尺寸公差为m6。 (4)确定轴上的圆角和倒角尺寸 参考表15-2,取轴端倒角为2×45°。 4.3.4 轴的校核 (1) 求输出轴上的功率P,转速,转矩 P2=4.75KW n2=366.4r/min T2=1.238×105N.m (2) 求作用在齿轮上的力 已知低速级大齿轮的分度圆直径为 =209.643 而 F=2×1.238×105/209.643= F= F F= Ftan=1181.055×tan15。=316.463N 圆周力F,径向力F及轴向力F的方向如图示: (3) 首先根据结构图作出轴的计算简图, 确定轴承的支点位置。 对于30210型圆锥滚子轴承,从手册中查取有a=21mm,因此,做为简支梁的轴的支承跨距 ,根据轴的计算简图做出轴的弯矩图和扭矩图。从轴的结构简图以及弯矩图和扭矩图中可以看出截面C是轴的危险截面。 现将计算出的危险截面C处的MH、MV和M列于下表。 载荷 水平面H 垂直面V 支反力F 弯矩M 总弯矩 按弯曲扭转合成应力校核轴的强度 根据 == 前已选轴材料为45钢,调质处理。 查表15-1得[]=60MP <[] 此轴合理安全 输出轴的载荷分析图如下: 第五章 键连接的选择和计算 5.1 高速轴上的键的设计与校核 齿轮、联轴器、与轴的周向定位都是平键连接,由表6-1查得联轴器上的键尺寸为bhL =6×6×25 mm,联轴器采取过渡配合,但不允许过盈,所以选择H7/k6,轴与轴承之间采取过度配合,轴的直径公差采用m6(具有小过盈量,木锤装配)d=20 mm,T1=32.83 N·m, 查表得=100~120 式中k=0.5h,l=L-b, 所以所选键符合强度要求。 5.2 中间轴上的键的设计与校核 已知dⅡ-Ⅲ=dⅣ-Ⅴ=34 mm,T2=123.81 N·m,参考教材,由式6-1可校核键的强度,由于d=30~38 mm所以取bh=108 mm 查表得=100~120 取低速级键长为63 mm,高速级键长为36 mm。 所以所选键:bhL=10 mm8 mm63 mm bhL=10 mm8 mm36 mm 符合强度条件。 ´ 5.3 低速轴上的键的设计与校核 已知装齿轮处轴径d=52mm,T=345.56N·m。参考教材,由式6-1可校核键的强度,由于d=50~58 mm,所以取bhL=16 mm10 mm63 mm,查表得=100~120 联轴器处轴径d=40mm,T=345.56N·m,由于d=38~44mm,所以取 bhL=12 mm8 mm70 mm 所以所选键符合强度要求。 第六章 滚动轴承的选择和计算 6.1 计算高速轴的轴承: 由前面可以知道n1=1500r/min 两轴承径向反力:Fr=298.72N= 轴向力:Fa=0N 初步计算当量动载荷P,根据P=+ 根据表13-6,=1.0~1.2,取=1.2。 根据表13-5,X=1 所以P=1.21298.72=358.46N 计算轴承30205的寿命: 故可以选用 6.2 计算中间轴的轴承: 已知n2=366.4r/min 两轴承径向反力: 轴向力均为0 初步计算当量动载荷P,根据P= 根据表13-6,=1.0~1.2,取=1.2。 根据表13-5,X=1 所以P=1.2286.6=343.92N P=1.2693.8=832.56N 计算轴承30206的寿命: 故可以选用。 6.3 计算低速轴的轴承 已知 n3=126.3r/min 两轴承径向反力:= 673.45N 轴向力:为0 初步计算当量动载荷P,根据P= 根据表13-6,=1.0~1.2,取=1.2。X=1 所以P=1.2673.45=808.14N 计算轴承30210的寿命: 故可以选用。 第七章 联轴器的选择 7.1类型选择 为了隔离振动和冲击,选用弹性套柱销联轴器. 7.2载荷计算 联轴器1 公称转矩:T=955032.83N.m 查课本表14-1,选取 所以转矩 因为计算转矩小于联轴器公称转矩,所以 查《机械设计课程设计》表17-4(GB/T4323-2002) 选取LT5型弹性套柱销联轴器其公称转矩为125Nm, 联轴器2 公称转矩:T=9550345.56N.m 查课本表14-1,选取 所以转矩 因为计算转矩小于联轴器公称转矩,所以 查《机械设计课程设计》表17-4(GB/T4323-2002)选取LT8型弹性套柱销联轴器其公称转矩为710Nm。 第八章 箱体结构的设计 减速器的箱体采用铸造(HT200)制成,采用剖分式结构为了保证齿轮佳合质量, 大端盖分机体采用配合. 8.1.机体有足够的刚度 在机体为加肋,外轮廓为长方形,增强了轴承座刚度 8.2.考虑到机体内零件的润滑,密封散热。 因其传动件速度小于12m/s,故采用侵油润油,同时为了避免油搅得沉渣溅起,齿顶到油池底面的距离H为40mm 为保证机盖与机座连接处密封,联接凸缘应有足够的宽度,联接表面应精创,其表面粗糙度为 8.3.机体结构有良好的工艺性. 铸件壁厚为8,圆角半径为R=2。机体外型简单,拔模方便. 8.4.对附件设计 A 窥视孔盖和窥视孔: 在减速器上部可以看到传动零件啮合处要开窥视孔,大小只要够手伸进操作可。以便检查齿面接触斑点和齿侧间隙,了解啮合情况.润滑油也由此注入机体内。窥视孔有盖板,机体上开窥视孔与凸缘一块,有便于机械加工出支承盖板的表面并用垫片加强密封,盖板用铸铁制成,用M6紧固。 B 放油螺塞: 放油孔位于油池最底处,并安排在减速器不与其他部件靠近的一侧,以便放油,放油孔用螺塞堵住,因此油孔处的机体外壁应凸起一块,由机械加工成螺塞头部的支承面,并加封油圈加以密封。 C 油标: 油标位在便于观察减速器油面及油面稳定之处。油标用来检查油面高度,以保证有正常的油量。此要安装于便于观察油面及油面稳定之处即低速级传动件附近;用带有螺纹部分的油尺,油尺上的油面刻度线应按传动件浸入深度确定。油尺安置的部位不能太低,以防油进入油尺座孔而溢出。 D 通气孔: 减速器运转时,由于摩擦发热,机体内温度升高,气压增大,导致润滑油从缝隙向外渗漏,为便于排气,所以在机盖顶部或窥视孔上装通气器,使机体内热空气自由逸处,保证机体内外压力均衡,提高机体有缝隙处的密封性,通气器用带空螺钉制成。 E 启盖螺钉: 为了便于启盖,在机盖侧边的边缘上装一至二个启盖螺钉。在启盖时,可先拧动此螺钉顶起机盖;螺钉上的长度要大于凸缘厚度,钉杆端部要做成圆柱形伙半圆形,以免顶坏螺纹;螺钉直径与凸缘连接螺栓相同。在轴承端盖上也可以安装取盖螺钉,便于拆卸端盖.对于需作轴向调整的套环,装上二个螺钉,便于调整。启盖螺钉上的螺纹长度要大于机盖联结凸缘的厚度。钉杆端部要做成圆柱形,以免破坏螺纹。 F 定位销: 为了保证剖分式机体的轴承座孔的加工及装配精度,在机体联接凸缘的长度方向两端各安置一个圆锥定位销。以提高定位精度,两销相距尽量远些。如机体是对称的,销孔位置不应对称布置。 G 环首螺钉、吊环和吊钩 为了拆卸及搬运,应在机盖上装有环首螺钉或铸出吊钩、吊环,并在机座上铸出吊钩。 H 调整垫片 用于调整轴承间隙,有的起到调整传动零件轴向位置的作用。 I 密封装置 在伸出轴与端盖之间有间隙,必须安装密封件,以防止漏油和污物进入机体内。 减速器机体结构尺寸如下: 名称 符号 计算公式 结果 箱座厚度 δ 10 箱盖厚度 (0.8~0.85)δ8mm 8 箱盖凸缘厚度 12 箱座凸缘厚度 b 15 箱座底凸缘厚度 25 地脚螺钉直径 M18 地脚螺钉数目 n a<250mm 4 轴承旁联结螺栓直径 M12 盖与座联结螺栓直径 M10 轴承端盖螺钉直径 M8 视孔盖螺钉直径 M6 定位销直径 d M8 至外箱 壁的距离 课本128页 24 18 16 至凸缘 边缘距离 课本128页 22 18 14 外箱壁至轴承端面距离 50 大齿轮顶圆与内箱壁距离 15 齿轮端面与内箱壁距离 16 箱盖,箱座肋厚 为、0.85δ 轴承端盖外径 +(5~5.5) 92(一轴) 102(二轴) 135(三轴) 轴承旁联结螺栓距离 S 76(一轴) 86(二轴) 119(三轴) 箱体深度 Hd Ds/2+(30~50) 157 箱座高度 H Hd+δ+(5~10) 177 第九章 轴承端盖的设计与选择 根据箱体设计,选用凸缘式轴承端盖。 各轴上的端盖: 闷盖和透盖:参照表7-17 课本145页 闷盖示意图 透盖示意图 表 三个轴的轴承盖 D2 D0 D4 D d0 螺钉孔数n e1 m b1 d1 Ⅰ 92 72 42 52 9 4 10 Ⅱ 102 82 52 62 9 4 10 Ⅲ 135 112 85 95 9 6 10 第十一章 润滑和密封设计 对于二级圆柱齿轮减速器,因为传动装置属于轻型的,且传速较低,所以其速度远远小于,所以采用脂润滑,箱体内选用SH0357-92中的50号润滑,装至规定高度. 油的深度为H+ H=30 =34 所以H+=30+34=64 其中油的粘度大,化学合成油,润滑效果好。 密封性来讲为了保证机盖与机座联接处密封,联接 凸缘应有足够的宽度,联接表面应精创,其表面粗度应为 密封的表面要经过刮研。而且,凸缘联接螺柱之间的距离不宜太大,150mm。并匀均布置,保证部分面处的密封性。 第十二章 设计小结 11.1经过二周的时间的设计完成了本课题——带式输送机传动装置,该装置具有以下特点: 1)能满足所需的传动比 2)选用的齿轮满足强度刚度要求 由于系统所受的载荷不大,在设计中齿轮采用了腹板式齿轮不仅能够满足强度及刚度要求,而且节省材料,降低了加工的成本。 3)轴具有足够的强度及刚度 由于二级展开式齿轮减速器的齿轮相对轴承位置不对称,当其产生弯扭变形时,载荷在齿宽分布不均匀,因此,对轴的设计要求最高,设计的轴具有较大的刚度,保证传动的稳定性。 4)箱体设计的得体 设计减速器的具有较大尺寸的底面积及箱体轮毂,可以增加抗弯扭的惯性,有利于提高箱体的整体刚性。 5)由于时间紧迫,所以这次的设计存在许多缺点,箱体结构庞大,重量也很大。齿轮的计算不够精确,设计也不是十分恰当,但我认为通过这次的实践,能使我在以后的设计中避免很多不必要的工作,有能力设计出结构更紧凑,传动更稳定精确的设备。 11.2 小结 1) 机械设计是机械工业的基础,是一门综合性相当强的技术课程,它融《机械原理》、《机械设计》、《理论力学》、《材料力学》、《公差与配合》、《CAD实用软件》、《机械工程材料》、《机械设计手册》等于一体。 2) 这次的课程设计,对于培养我们理论联系实际的设计思想;训练综合运用机械设计和有关先修课程的理论,结合生产实际反系和解决工程实际问题的能力;巩固、加深和扩展有关机械设计方面的知识等方面有重要的作用。 3) 在这次的课程设计过程中,综合运用先修课程中所学的有关知识与技能,结合各个教学实践环节进行机械课程的设计,一方面,逐步提高了我们的理论水平、构思能力、工程洞察力和判断力,特别是提高了分析问题和解决问题的能力,为我们以后对专业产品和设备的设计打下了宽广而坚实的基础。 4) 本次设计得到了指导老师的细心帮助和支持。衷心的感谢老师的指导和帮助。 5) 设计中还存在不少错误和缺点,需要继续努力学习和掌握有关机械设计的知识,继续培养设计习惯和思维从而提高设计实践操作能力。 总的来说,这次关于盘磨机传动装置上的一级展开式圆柱斜齿轮减速器的课程设计是我们真正理论联系实际、深入了解设计概念和设计过程的实践考验,对于提高我们机械设计的综合素质大有用处。同时,通过三个星期的设计实践,使我们对机械设计有了更多的了解和认识,为我们以后的工作打下了坚实的基础。 参 考 文 献 [1]机械零件设计手册 吴宗泽等编 机械工业出版社 2004年1月 [2]机械设计(第八版)濮良贵、纪名刚主编 高等教育出版社 2006年5月 [3]材料力学(第四版) 刘鸿文 主编 高等教育出版社 2004年1月 [4] 机械设计课程设计 李育锡 等编 高等教育出版社 2008年 [5]现代工程制图学 蔡群等主编 南京大学出版社 2008年4月 [6]互换性与测量技术基础 万秀颖等主编 电子工业出版社 2011年08月 [7]机械原理(第七版) 孙桓 等主编 高等教育出版社 2006年5月
展开阅读全文

开通  VIP会员、SVIP会员  优惠大
下载10份以上建议开通VIP会员
下载20份以上建议开通SVIP会员


开通VIP      成为共赢上传

当前位置:首页 > 学术论文 > 其他

移动网页_全站_页脚广告1

关于我们      便捷服务       自信AI       AI导航        抽奖活动

©2010-2026 宁波自信网络信息技术有限公司  版权所有

客服电话:0574-28810668  投诉电话:18658249818

gongan.png浙公网安备33021202000488号   

icp.png浙ICP备2021020529号-1  |  浙B2-20240490  

关注我们 :微信公众号    抖音    微博    LOFTER 

客服