收藏 分销(赏)

第一章第一节船舶管风电布置的发展及其布置基本原理.doc

上传人:精**** 文档编号:2374001 上传时间:2024-05-29 格式:DOC 页数:11 大小:7.38MB 下载积分:8 金币
下载 相关 举报
第一章第一节船舶管风电布置的发展及其布置基本原理.doc_第1页
第1页 / 共11页
第一章第一节船舶管风电布置的发展及其布置基本原理.doc_第2页
第2页 / 共11页


点击查看更多>>
资源描述
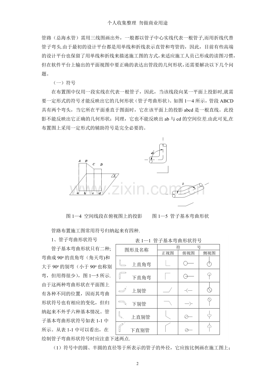
个人收集整理 勿做商业用途 第一章 船舶管、风、电的布置及其工艺处理 第一节 船舶管、风、电布置的发展及其布置基本原理 船体、管子的设计与生产在船舶建造中占有相当重要的地位,就工作量而言,船体设计与生产约占总工作量的30%~40%,管子设计与生产约占总工作量的8%~12%,管、风、电三项工作的设计与生产占到总工作量的30%~40%,而整个管、风、电的安装与调试占全船建造周期的80%左右。 生产设计是施工设计的深化和发展,对于船舶管路的生产设计,其基本手段正逐步地向“虚拟船舶数字化模型"设计的方向发展,按1:1的比例在计算机中虚拟地设计建造一条船,为船厂解决所承接的订单怎样制造的问题,因此,这一技术的发展,使船舶生产设计内容的深度和广度都发生了很大变化。它不仅包括管路的布置,电缆及风管的综合布置设计,还包含了对于整个船舶大装配过程的完整地CIMS集成。 一、 管、风、电布置的基本原理 空间任意一点的位置必须由三个坐标值来确定。如图1—1,A点的空间位置可用坐标值x,y,z描述。推而广之,空间的一根直线段也可用两端点坐标值来表示。对于空间任何线段的形状,则必须应用投影法画出三面视图.图1—2所示为 直线段AB在互成直角的三个坐标平面中的投影。 把坐标值与投影图结合起来,就可以用一个或二个 视图清楚地表达出空间某一管段的几何形状、具体尺寸 和安装位置。这就是管、风、电布置施工图的基本原理。 根据船体空间的特性,管路布置作业大多在三维空间上进行,并将三维空间布置的结果转化为管子和电缆通道弯曲形状数据的直角坐标系投影,如图1—3所示。 图1-2 空间直线段的投影 图1—3 管子弯曲形状数据坐标系 二、 管、风、电布置的手段 在管、风、电布置施工图中,由于设计人员使用的软件平台的不同,有的施工图可直接用三线图表示,有的设计平台比较简单,为简化绘图起见,除风道、电缆通道和个别大口径管路(总海水管)需用三线图画出外,一般都以管子中心实线代表一根管子,而用折线代替管子弯头.由于最初的设计平台都是用单线和折线表示直管和弯管的,因此,目前有些高端的设计平台也保留了用单线和折线来描述施工图的方式,来适应施工人员已形成的读图习惯,但在软件平台上输出的平面视图中要正确的表达出管段的几何形状,还需要解决以下几个问题。 (一)符号 在布置图中仅用一段实线在代表一根管子,因此,当该线段向某一平面上投影时,就需要一定形式的符号才能反映出它的几何形状(管子弯曲形状)。如图1—4所示,管段ABCD具有两个弯头,当它所在平面垂直于图面时,它在该平面上的投影abcd是一根直线。此投影不能反映出它正确的几何形状;同理,它也不能反映出ab与cd的空间位差.由此可见,在布置图上采用一定形式的辅助符号是完全必要的。 图1—4 空间线段在俯视图上的投影 图1—5 管子基本弯曲形状 管路布置施工图常用符号归纳起来有四种. 表1—1 管子基本弯曲形状符号 图形及名称 符 号 正视图 俯视图 侧视图 上直角弯 下直角弯 上别管 下别管 上直别管 下直别管 1、管子弯曲形状符号 管子基本弯曲形状只有二种; 弯曲成90o的直角弯(角天弯)和 大于90o的别弯(小于90o也称别 弯,但用得很少),图1—5所示. 由于这两种弯曲形状在平面图上 有各种不同的位置,因而其弯曲 形状符号也有相应的变化,但归 纳起来不外乎六种基本情况。管 子基本弯曲形状符号如表1-1中 所示。从表1-1中可以看出,在 绘制管子弯曲形状符号时应注意下述两点. (1)符号中的圆、半圆的直径等于所表示的管子的外径,它应按比例画在施工图上; (2)通常离投影面远的管子画至圆心,离投影面近的管子画至圆周。 根据表1—1所示管子基本弯曲形状符号就可组成绘制管系布置图的各种类型管段,以及管子预制图。为简化起见,管段的类型应越少越好。 2、连接件符号 管子连接件符号,原则上可使用CB510-75,但有些附件未列入。因绘图工作需要及管子单件图的特殊要求,各厂根据实际使用情况增编了某些符号.管子的连接件最常用的有法兰、螺纹连接、软管连接、套管连接、异径管连接及通舱管件等,这些连接件的符号见表1—2中.各连接件的大小,应根据它的具体规格按比例输出在安装图和零件图上.在国家标准中,根据螺孔的数目可分为两类:一类是螺孔数为4的整数倍;一类是4的非整数倍。例如,螺孔数n=8和n=6,见图1-6所示。无论6孔还或8孔,它们对线来说都是对称的,但当线转过90o(法兰不动)后,8孔法兰的螺孔对线仍是对称布置的;6孔法兰螺孔的布置与线未转90o前不同了,这时有一对螺孔落在线上。因此,产生了法兰螺孔的标注问题,此问题通常是针对螺孔数目为4的非整数倍法兰。 表1—2 管子连接符号 图 形 及 名 称 符 号 样台安装图 零 件 图 法兰 异径法兰 螺纹接头 套管连接 焊接套管 异径管连接 支管螺纹连接 过舱管件 法兰螺孔的标注方法是这样规定的:以布置图的管子中心线为基准,当法兰螺孔的投影有一个落在此中心线上时称为“单”;而对称分布在中心线两边时称为“双"。通常不论管子朝什么方向,法兰上注“单” 或“双”都是依据这个规定的。在一般情况下,在管子单件图上均采用法兰“双"的布置,遇 到这种情况“双"也可不用标注。 所以,法兰上没有注明“单”或 “双”时,一律按“双”的要求装 配法兰。特别要注意的是螺孔数为 4的非整数倍的法兰,虽然一般均 按“双”孔布置,但当管子为上正 或下正管段时,无论是“单”或 “双"必须全部加以标注,以免混 淆而造成不必要的差错。法兰螺孔 图1—6 法兰螺孔数 位置符号见表1-3所示. 表1—3 法兰螺孔位置符号 图形及名称 符 号 图形及名称 符 号 双眼向上 双眼垂直 单眼向上 单眼垂直 3、支管弯曲形状符号 管路上的支管也需要符号加以规定。一般支管端必有连接件.支管接头类型通常有法兰支管、螺纹支管等,其画法应统一采用管子附件符号表示。管路上的支管类型大致可分为四种:垂直支管、平行支管、圆弧支管和斜直支管.支管的画法应使它在一个图面上而没有其它剖视图的情况下,要同样能够正确地反映其几何形状。因此,采用若干画法(见表1-4),同时必须注以相应尺寸和文字说明。 4、附件符号 这里指的附件是除了上述连接件外的各种阀件、旋塞、阀箱、器具等,它们的符号基本上仍按CB510-66的规定表示.在施工安装图上按比例输出,并应注意将主要尺寸标于图中。有了这四种符号才能使施工比较完整地表达其内容。前三种符号在安装图和管子预制图上经常出现,第四种符号只用于安装图上。 表1-4 管子支管符号 图形及符号 符 号 图形及符号 符 号 上正支管 上直下别弯支管 下正支管 下直上别弯支管 上直角弯支管 上斜直支管 下直角弯支管 下斜直支管 必须注意的是:尽管绘图符号是在投影原理基础上加以简化的,具有形象直观的特点,但也只能抽象说明所代表的弯曲形状、连接件、支管或附件属于哪一种型式,尚不能全面反映它的真实几何形状及具体尺寸和安装位置.因而必须与尺寸数据及其它符号相配合,才能确切地反映它的空间几何形状和安装位置,同时调用数字化的等轴测图加以形状及方向上的说明。这是管路施工图的一个基本特点。 (二)管、风、电布置基准面选择 管、风、电布置施工图中符号,解决了用平面图形示意表达一个空间物体的几何形状的画法,但是要确定该物体在空间的位置还必须知道它的坐标值.要确定坐标值就需要有基准坐标轴.管系布置都是在三维空间上依据其在xy、xz、yz三个投影平面考虑问题,因此确定管路、风道、电缆通道在空间的位置时,必须选择几个恰当的基准面作为确定坐标的起始平面。通常在管、风、电系统放样时,均以船体的常用剖面或平台作为基准面。 1、高度基准面 此基准面用作确定管路在高度方向坐标的起始平面。通常以船体的基线平面作为高度基准面在管路、风道、电缆通道上注明HXXmm,即表示此管路的某一段或某一点距基准线高XXmm。对于不同型式的船舶或船舶的某一部位,在放样时此基准面可以有不同的处理。对于大型船舶,它具有内底、平台、下甲板、起居甲板……等层次.为了简化标注尺寸的数值,根据各层平面管路、风道、电缆通道放样的要求,可在高差数值前加上不同平面的符号(见表1—5),例如,管子在平台甲板上方300mm处,当以平台甲板作为高度基准面。为避免混淆起见,可用“上平300mm”,表示此管段在平台甲板上方300mm处.机舱花铁板以下的管子均以内底作为高度基准面。但在大型船舶上,由于内底板的厚度是不一致的,船中部较厚,舷边较薄,因此,以内底板作为基准面时一律以内底板的下边线起算。这一点对于机舱采用区域型单元组装工艺时特别显得重要,因为区域性单元在内场组装时,其高度坐标在放样时 表1—5 各层平台符号 序号 船体结构名称 符号 序号 船体结构名称 符号 1 船体基线 H 10 起居甲板 起 2 内底板 内 11 遮阳甲板 阳 3 花钢板 花 12 游步甲板 步 4 平台甲板 天 13 露天甲板 天 5 下平台甲板 下平 14 救生艇甲板 救 6 上平台甲板 上平 15 驾驶甲板 驾 7 下甲板 下 16 罗经甲板 罗 8 上甲板 上 17 甲板上面 + 9 桥楼甲板(包括艏、艉楼) 桥 18 甲板下面 - 由内底板下边线为准;在安装时,换算至花铁板的上边线为准.花铁板上边线与内底板的下边线是等距的,无论是设备定位也好,管子定位也好,其高度尺寸均不会受内底板厚度变化的影响。对于某些单底船或有斜内底的船舶,只能以基线平面作为高度基准面。在机舱部分放样时,可根据需要换算至花铁板平面的标注高度。 2、横向基准面 横向基准面确定管路在左舷或右舷的坐标。习惯上取船体的纵中剖面作为横向基准面。纵中剖面可用符号B表示,“—"表示左舷,“+”表示右舷。例如B+200mm,即表示右舷距船体纵中剖面(船体中线)200mm处。有时,如用某一纵向舱壁作基准面,对标注放样坐标值较为方便,则可用此纵向舱壁作为横向基准面。这种情况在船体上层建筑管系放样时遇到的机会较多,因为即使标注了距船体纵剖面(距船中)尺寸,但为安装工作方便起见,还需进行尺寸换算,不如一开始就选择以某纵舱壁作为横向基准面为宜. 在某些舷侧布置的管路(如透气管、测深管等)就没有严格规定的横向基准面,因为这些管路往往与船体板走向平行,这时可用距舷侧×××mm等数字表示即可.而风道、电缆往往在平台甲板下与平台甲板平行,这时可用距平台下×××mm等数字表示即可。 3、纵向基准面 纵向基准面用以确定管路在船舶纵向坐标值,即艏、艉方向的位置.一般以船舶某一肋骨线或某横隔舱壁作为纵向基准。通常规定大号肋骨向小号肋骨的尺寸,应用符号“—"表示,例如“FR36-200"意思就是在36肋骨向35号肋骨减200mm处;自小号码肋骨向大号码肋骨的尺寸,应用符号“+”表示。 (三)尺寸标注 在管、风、电布置施工图与部件单件图上,必须标注足够的尺寸。由于这二种图纸的用途不同,对尺寸标注的要求也不相同. 管、风、电布置施工图用于安装工作,尺寸标注应满足安装的要求。一般应标注以下几项尺寸: 1、机械设备的安装定位尺寸。机械设备的定位尺寸通常都标注在机械设备布置图上.在安装管子、风道、电缆前,机械设备均已安装就绪,因此,有关的定位尺寸在施工图上可以省略;在采用区域性单元组装时,这些尺寸在区域型单元组装图上仍应标明。 2、船体结构上的开孔定位尺寸。这是指管子通至双层底舱、舷旁以及附于船体结构上的油水舱进出管的定位尺寸。安装管子前,根据图中算出的定位尺寸预先开孔。 3、管、风、电布置的定位尺寸.沿船舶纵向布置的管、风、电,在直段上须注有距船中的尺寸;沿船舶横向布置的管、风、电,在直段上注有距某肋位的尺寸;平行布置的管、风、电须注有彼此间的间距;带有弯头的管子须注出弯头两边的高度定位尺寸。 以管子为例,管子单件图(小票)用于管子的备料、弯制、校管和安装定位,因而图上的尺寸标注必须满足这三个要求。 (四)尺寸标注方法 由于管子在舾装中生产设计的复杂性,因此本节重点讨论管子的尺寸标注方法.管子零件图上的尺寸标注方法与机械制图的尺寸标注方法有所不同。为便于管子制造起见,采用封闭尺寸标注法。下面选择一些弯曲形状的管子说明管子零件图上的尺寸标注方法。 1、无支管的管子尺寸标注方法 图1-7为标注完整尺寸的斜角上别弯零件图。管段1—2及3—4平行于投影面,此二段管子不在一个平面内,所以分别在此二管段上注以H0与H235,表示它们之间的高差为235mm。根据图中所标注的尺寸及附于零件图下面表格中的所填弯角数值,即可加工这根管子。 图1-8上所示为斜角上别弯的尺寸标注。这根管子的角弯与投影面平行,而管段3—4为斜管段,不与投影面平行,因此,点4的高度坐标必须注在端点4上,注法如图所示。 从上述二个图中可知管段2—3图1-7和管段3—4(图1-8)为斜管段,尺寸190和150只表示它们的投影长度,而它们的实长还需经计算后填在零件图(小票)的附表中,如图1-9管子小票图。如果附表中未列出实长这则可用图1—8中加画辅助视图的方法标注出它的尺寸。 图1—7 斜角尺别弯 图1—8 角尺上别弯 图1-9 管子小票图 图1-10所示为一根斜定伸弯管子的尺寸标注。零件图上绘制的这根管子,相当于一根平定伸弯与投影面成某一角度后的投影.在校管时必须用这个投影图,而在弯制时又只能弯制平定伸,因此必须在图中绘出平定伸的中心距和管段2—3的实长。所以,在零件图上可注明这二个尺寸的图形,算出中心距为618mm,实长为753mm,同时顺便也把成形角α=124o注出,这样绘制后无论弯管或支管均很方便. 图1-10所示为另一根管子的标注方法。这根管子一共有四段:中间为一个别弯2—3—(4),二端为二个直角弯。右端直角弯的一根管段(1)—2指向图里,左端直角弯的一根管段(4)—5指向图外,由于均垂直于图面,所以投影均为一个圆。这时无法标注出这二个管段的实尺寸,所以通常采用附加标注符号的方法注出它们的尺寸(见图1—11)。 图1—10 斜定伸弯尺寸标注 图1-11 管子的尺寸标注 图1—12为一根带有二个定伸弯的管子。从符号看一个是直角弯1—2—(3)—4,另一个是斜定伸弯(3)—4-5-6。斜定伸弯的注法往往同图1—8;直角定伸弯中二直管段1—2与(3)—4的尺寸已在图中标出,而垂直于图面的管段2—(3)无法注出它的长度,因此用间接标注法,即在直管段1—2与(3)—4上分别注上高度坐标值H250与H600。二者之差350即为2—(3)管段的长度。这种方法是比较通用的一种尺寸标注法。 图1—12 双定伸弯管子的尺寸标注 图1—13 垂直支管尺寸标注 图1-14 垂直支管尺寸标注 图1-15 平行支管尺寸标注 (a) (b) 图 1—17 斜支管尺寸标注 图1-16 平行支管尺寸标 2、支管尺寸标注法 在管子加工过程中主管已先弯制好,支管一般是在校管或安装时装配上的,因此支管的尺寸标注应从校管(装配)方便这一点考虑。现将支管尺寸的标注方法简介如下: (1)垂直支管。支管与主管垂直,尺寸标注如图1-13所示。在投影图上支管与主管的管段2—3垂直,它装在点6处。从校管方便起见,应注出2—6段的长度为350(同时还应注出支管本身的长度为300)。当支管管径与主管管径不相同时,应在支管上注出它的管径Φ。在标注支管安装尺寸时,容易只注a的尺寸。这是不正确的,因为点3在管子成形后根本不存在,而距离2-6却可以通过测量二管子的中心距得出。当支管与投影面垂直时,尺寸标注如图1—14。 (2)平行支管。支管本身是一个直角弯,它与主管可以平行安装.图1—15所示为平行支管的尺寸标注(为清楚起见其它尺寸省略),a、b为表示支管本身的尺寸,c为支管在主管上的安装尺寸.如果左端两法兰平齐,a与c的尺寸相同,可省去a,而把尺寸线拉至两个法兰端。当平行支管垂直于投影面时,可用图1-16所示标注方法表示。从图形看,在离1点距离为c处安装一个下正直角弯支管,支管的水平长度为a,但支管尺寸b在图中没标注出,因此可采用“支HO”的标注法来间接表示该管段尺寸.由图1—16可见b=H—HO. (3)斜直支管。斜直支管的尺寸标注方法基本上与前面的方法相同.图1-17所示为不同投影图上的标注方法.(a)图中的尺寸a1、b1、a2、b2为支管坐标尺寸,支管的实长由这些尺寸计算确定;c1与c2为支管在主管上的定位尺寸。(b)图中,由于直支管与主管重叠,因而需加上标注符号“上b”与“下b",它们表示支管端点的高度坐标值。当然支管的管径与主管不同时也需加以注明。 (4)圆弧支管.图1—18所示为圆弧支管的尺寸标注法,基本上同以上支管尺寸标注法,一般情况下不会误解. 3、管子余量的尺寸标注 有一些管子必须在现场确定它的长度,如嵌补管。为此,某部分长度适当加放余量,其标注方法见图1—19中.图中550+30即为标注余量的尺寸,550是放样要求的尺寸,+30余量,实际切割长度由现场确定。 图1—18 圆弧支管尺寸 图1-19 管子余量尺寸标注 图1-20 管子安装尺寸标注 4、管子安装尺寸标注 上述管子单件图尺寸的标注,只解决了管子加工制造问题,尚不能按此直接进行安装,因此还必须标注的必要的安装符号,以利于安装. 安装符号由四个方面内容组成: (1)在船上的艏、艉位置 (2)距船的中线位置 (3)距甲板层高度位置 (4)管端方向 安装符号前三部分内容在基准面这一节中已讲述,现仅将表示管端方向符号列于表1-6中供参考。 在管子单件图上标注安装符号的方法,有的仅标注管子的一端,也有将所有支管管段都进行标注,一般以管子的两端均标注安装符号为宜。 图1—20所示为一根管子的尺寸及安装符号的标注实例,它表示了各管段的尺寸与管端A、B的安装位置。管端A安装在左舷向舷侧,纵向位置在36号肋骨处,横向距船中1500mm,高度在内底板上1500mm处,管端B安装在左舷向下,纵向在35号肋骨前50mm,横向距船中700mm,高度在内底板上700mm处。 有了上述单件图与附注的各参数,就能正确地进行弯管,校管与管子安装工作. 表1—6 管子安装符号 11
展开阅读全文

开通  VIP会员、SVIP会员  优惠大
下载10份以上建议开通VIP会员
下载20份以上建议开通SVIP会员


开通VIP      成为共赢上传

当前位置:首页 > 行业资料 > 航海/船舶

移动网页_全站_页脚广告1

关于我们      便捷服务       自信AI       AI导航        抽奖活动

©2010-2025 宁波自信网络信息技术有限公司  版权所有

客服电话:0574-28810668  投诉电话:18658249818

gongan.png浙公网安备33021202000488号   

icp.png浙ICP备2021020529号-1  |  浙B2-20240490  

关注我们 :微信公众号    抖音    微博    LOFTER 

客服