收藏 分销(赏)

某某汽车玻璃有限公司5S推行计划指导书.doc

上传人:spr****ea 文档编号:23580 上传时间:2020-07-30 格式:DOC 页数:29 大小:462KB 下载积分:0.5 金币
下载 相关 举报
某某汽车玻璃有限公司5S推行计划指导书.doc_第1页
第1页 / 共29页
某某汽车玻璃有限公司5S推行计划指导书.doc_第2页
第2页 / 共29页


点击查看更多>>
资源描述
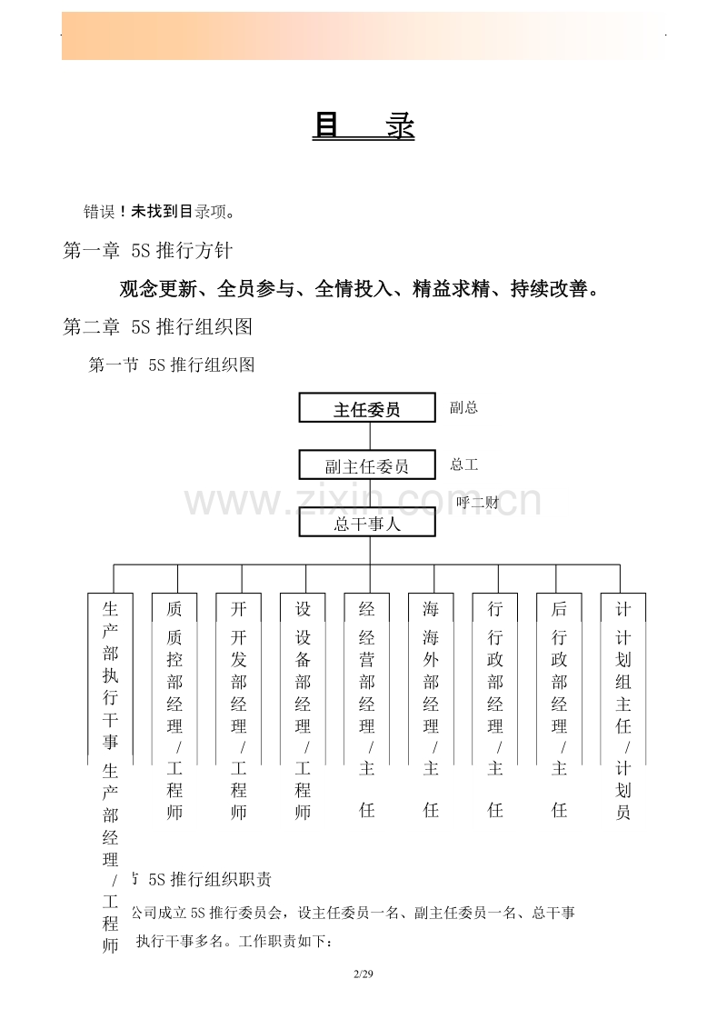
***汽车玻璃有限公司 5S推行计划指导书 编制: 呼二财 批准: 时间: 2005年2月 日 目 录 错误!未找到目录项。 第一章 5S推行方针 观念更新、全员参与、全情投入、精益求精、持续改善。 第二章 5S推行组织图 第一节 5S推行组织图 生产部执行干事 主任委员 总干事人 副主任委员 质控部执行干事 开发部执行干事 设备部执行干事 经营部执行干事 海外部执行干事 行政部执行干事 后勤组执行干事 计划组执行干事 副总 总工 生产部经理 /工程师 呼二财 计划组主任 /计划员 行政部经理 /主 任 行政部经理 /主 任 海外部经理 /主 任 经营部经理 /主 任 设备部经理 /工程师 开发部经理 /工程师 质控部经理 /工程师 第二节 5S推行组织职责 本公司成立5S推行委员会,设主任委员一名、副主任委员一名、总干事 两人、执行干事多名。工作职责如下: 一、 主任委员 1. 负责委员会整体运作; 2. 督导全公司5S组织的运作; 3. 批准5S推行计划。 二、 副主任委员 1. 辅助主任委员处理委员会事务; 2. 负责全程计划、执行和管制。 三、 总干事 1. 拟定5S推行方案; 2. 筹划、推动相关5S活动; 3. 进行全公司5S的相关培训; 4. 召集会议和整理资料; 5. 负责评比分数的统计和公布; 6. 组织召集5S检查,及评比; 7. 追踪5S纠正预防措施的执行。 四、 部门执行干事 1. 共同参与5S筹划、推动相关5S活动,确实执行主任委员之命令; 2. 负责部门5S区域规划并标识; 3. 进行部门5S活动的指导及有争议的处理; 4. 进行部门内5S培训、宣传、教育; 5. 督导部门5S的执行状况; 6. 参加5S检查及评比; 7. 定期检讨,推行持续改善。 第三章 5S推行办法 1. 目的 实施5S推行效果的检查与审核,使各相关部门在整理、整顿、清扫、清洁与素养的实施过程中,进行比对、竞争,更激发部门之间5S的参与热情及主动性,从而提高公司推行5S的整体效果。营造真正的明朗、舒适的工作、生活环境。 2 .使用范围 深圳南玻汽车玻璃有限公司的所有部门(生产部各车间、开发部、设备部、质控部、经营部、海外部、行政部、计划组)和所有职员。 3. 组织 由副总经理担任主任委员,总工程师担任副主任委员,体系主任及体系工程师担任总干事,各部门经理/工程师/主任担任执行干事(详见5S组织图/工作职责), 5S推行总干事全权跟进5S推行过程中的各项工作。 4. 现场规划 将公司所须的整理、整顿重新规划出组织、负责区域,并选出执行人员,由相应部门经理负责。工厂平面图上写明所有区域之责任人。设备标识牌,区域标示牌,写明责任人。按5S评分审核标准,进行5S活动推展。 5. 现场5S检查周期 5.1周检查(委员会检查):本年度每周一次(以后将视5S开展深入程度,再将周期适当延长),检查时间不定,由主任委员临时决定,检查前不作任何通知。 5.2 日检查(部门内部检查):由部门工程师/领班每日10:00之前巡查各区的5S状况,将不符项记录于《5S检查缺失项记录表》中,并开列CAR报告,要求相关单位改善。 6.现场5S检查方法 6.1 每次由主任委员、副主任委员、总干事、行政部执行干事/安全主任和一名执行干事(其他部门经理或工程师/主任)组成小组对每个部门进行检查,检查时间长度由主任委员决定。(主任委员如有其它工作需处理,可由副主任委员带领其他成员进行检查)。 6.2每次检查按《5S检查表》规定项目进行,不合格项目于《5S检查缺失项记录表》(见附表)中进行记录,并在《5S检查表》中扣分,严重的不符合项,用相机拍摄,并于公告栏中进行曝光; 6.3凡有本部门经理级人员参加检查的,该部门检查结果仅作参考,不记分,检查总结表中注明“自审”字样; 6.4财务部因其工作性质及场所的特殊性,故不作为评审对象; 6.5检查结束后,由总干事将《5S检查表》和《5S检查缺失项记录表》总结。将检查结果记入《5S检查结果排行表》(见附表)中,排行表必须分发至所有被评核单位,并在公告栏进行公告,同时,将拍摄的照片进行曝光; 6.6每月年对5S评分进行一次总评(按附表); 6.7公司对5S总评表现优劣的部门或单位的负责人抑或主要/所有成员分别实施奖励或惩罚。 6.8 奖罚的主要方法如下: 6.8.1 5S评分采用扣分的积分方式,以扣20分为及格基准,凡扣分超过20分的,不论排名多少,皆按6.8.3规定给予处罚; 6.8.2 奖励评定条件及方法 6.8.2.1总评成绩在前三名,且一月内每次评分的扣分≦20分(此两个条件缺一不可); 6.8.2.2奖励部门或单位锦旗一面(5S评比优胜单位),及给予一定的物质奖励(如:纪念品、奖金…,具体方式由公司确定)。 6.8.3 处罚评定条件及方法 6.8.3.1总评成绩在后三名,及一月内有三次(含)以上评比扣分超过20分的(两个条件缺一不可); 6.8.3.2 总评成绩后三名,且符合以上全部条件的,对该部门或单位给予罚款150.00元处理; 6.8.3.3 若在周期内,第一次扣分超过20分时,将在公司例会中提出批评,以促改善; 6.8.3.4 第二次扣分超过20分时,将给予公告批评,以促改善; 6.8.3.5 第三次扣分超过20分时,给予罚款100.00元; 6.8.3.6以后每次扣分超过20分时,将在上次罚款的基础上,增加50.00元给予处罚。 7. 周期(一季度)内总评结束后,任何评分不可转入下周期,下周期评分重新开始。 ˜ 第四章 5S检查安排 5S检查安排(按每季度) 周 次 主任/副主任委员 成 员 01周 副总经理 总干事、安全主任、生产部经理/工程师 02周 总工程师 总干事、安全主任、质控部经理/工程师 03周 副总经理 总干事、安全主任、开发部经理/工程师 04周 总工程师 总干事、安全主任、设备部经理/工程师 05周 副总经理 总干事、安全主任、行政部经理/工程师 06周 总工程师 总干事、安全主任、经营部经理/工程师 07周 副总经理 总干事、安全主任、海外部经理/工程师 08周 总工程师 总干事、安全主任、生产部经理/工程师 09周 副总经理 总干事、安全主任、质控部经理/工程师 10周 总工程师 总干事、安全主任、开发部经理/工程师 11周 副总经理 总干事、安全主任、设备部经理/工程师 12周 总工程师 总干事、安全主任、行政部经理/工程师 第五章 5S检查表 5S检查表(生产现场用) 部门: 周次: 委员: 成员: 检查日期: 类别 序号 检查内容 扣分 整理 SEIKI 1 工作场所的物流通道是否畅通、干净、整洁? 2 工作场所的设备、器具、物料是否常用且摆放整齐? 3 模具架、料架、货架上的物品是否摆放整齐并明确标识? 4 作业台上下、抽屉、工作柜内的资料、文件、物品是否常用且摆放整齐? 5 原料、半成品、成品是否定位放置、明确标识并搬运方便? 6 公布栏、看板上的文件是否完整、张贴整齐,看板清洁干净? 整顿 SEITON 7 设备、机器、仪器、工具是否摆放整齐、干净,最佳状态工具,采用目视管理? 8 标签是否按规定张贴并完整、干净、整洁? 9 原物料、在制品、半成品、成品是否明确标识,分类按区域摆放? 10 文件、档案是否分类保管,有目录有次序且整齐,任何人能很快的找到? 清扫 SEISO / 清洁 SEIKETSU 11 通道、作业场所是否有定时清扫,随时保持清洁干净? 12 设备\工具\仪器消防器材是否有日常维护,并随时清理,保持干净? 13 窗、墙壁、天花板是否定时清扫,并保持干净亮丽? 14 通道与作业场所是否划线清楚,地面定时清扫,保持清洁干净? 15 地面是否定时清洁,保持干净整洁? 16 洗手台是否完好,经常清洁无异味,并保持干净亮丽? 素养 SHITSUKE 17 日常 5S 活动是否进行,并积极配合5S检查工作? 18 服装穿著是否按规范穿着,并保持干净? 19 是否能遵守公司所有规定及日常行为规范,且具有团对精神? 20 时间观念是否强,并按规定时间尽力完成任务? 备注:每一项目为5分,总分100分。一个项目(按序号)如果存在2个或以上的不符合,可以连续扣分,每次扣分最高为5分,每个项目扣分最高为10分。 总扣分 5S检查表(办公室及后勤用) 部门: 周次: 委员: 成员: 检查日期: 类别 序号 检查内容 扣分 整理 SEIKI 1 资料柜是否规划适当,资料架与物品标示一致,摆放整齐? 2 桌面、桌下或抽屉内的资料物品是否常用且摆放整齐? 3 通道是否畅通、干净、整洁? 4 公布栏、看板上的文件是否完整、张贴整齐,看板清洁干净? 整顿 SEITON 5 桌面物品是否摆放整齐,人走椅子是否归位? 6 私人物品及一般消耗品是否有固定放置场所并养成随手归位的习惯? 7 文件、资料、档案夹是否分类保管、标识清楚,有目录有次序且整齐,任何人能很快的找到? 8 清洁工具、垃圾桶是否按指定位置摆放,垃圾桶是否定时清理? 清扫 SEISO / 清洁 SEIKETSU 9 设备、工具消防器材是否有日常维护,并随时清理,保持干净? 10 天花板、墙角、窗户、洗手间等处是否定时清扫,并保持干净亮丽? 11 洗手台、花盆是否定期清理,保持干净整洁? 12 地面、通道是否有专人负责清扫,并保持干净整洁? 13 桌子、椅子表面否定期清理,保持干净整洁? 14 花圃花草是否修剪整齐,无杂物,观赏很美观? 15 大件不动之物品(如消毒柜等)是否定时清洁,保持干净? 素养 SHITSUKE 16 服装是否穿著整齐干净? 17 日常 5S 活动是否进行,并积极配合5S检查工作? 18 仪容是否整理得体,感觉精神有活力? 19 是否能遵守公司所有规定及日常行为规范,且具有团对精神? 20 时间观念是否强,并按规定时间尽力完成任务? 备注:每一项目为5分,总分100分。一个项目(按序号)如果存在2个或以上的不符合,可以连续扣分,每次扣分最高为5分,每个项目扣分最高为10分。 总扣分 5S检查缺失项记录表 周次: 委员: 成员: 检查日期: 部门/单位 不符合事项 当时人 扣分 总扣分 深圳南玻汽车玻璃有限公司 5S纠正预防措施报告   制表 审核 核准 CAR 时间 部门 责任人       状 况 描 述                                                               照 片                                 签名:                         改 善 对 策                                                             改善期限:         签名:       确 认                                                             确认日期:         签名:       备 注                                                                             5S检查排行表 周次: 委员: 成员: 检查日期: 部门/区域 扣分 名次 上期名次 升降位数 备注 制表: 确认: 批准: 5S检查总评表 周期: 周至 周 总评日期: 部门/区域 总周次 总扣分 ≦20分 周 次 20分以上 周 次 总名次 奖罚 备注 制表: 确认: 批准: 第六章 5S评分标准 29/29 5S 评 分 要 点 评 分 标 准 1 分 2 分 3 分 4 分 5 分 整 理 1.资料柜 资料柜未规范好,造成空间浪费 物品摆放很凌乱 物品摆放稍乱,未分类存放 存放整齐但未用标示 规划适当,料架与物品标示一致 2.桌面、桌下或抽屉内 不用的资料或物品任意摆放 过期的资料和用品摆放整齐 偶尔有不用的文具与物品摆放 摆满要用的资料及物品稍显凌乱 桌上屉内将所需物品少到最小限度 3.通道 有很多东西,脏乱 虽能通行,但要避开 物品略占通道,可顺利运行 偶有放置一天内移走 很通畅,又整洁 4.公布栏、宣传栏 文件破损且多灰尘、版面脏 有过两周以上的文件资料 张贴不整齐,但整洁 从左到右张贴整齐,看板清洁干净 看板有美术设计,焕然一新 整 顿 5. 桌子、椅子 桌子显得凌乱随意摆东西,椅子未归位 桌子排列整齐、桌子有灰尘、油垢 桌椅整齐干净,桌面东西杂乱 桌上物品摆放整齐干净 桌面物品归位,人走椅子归位 6. 私人物品及一般消耗品 随处可见到处乱丢 对于报废不要之物品随时清理 偶有未归位的习惯 固定放置场所且清楚 人人都养成随手归位的习惯 7. 文件、资料、档案夹 文件资料随意摆放 文件资料分类存放 档案夹未作清楚之标识 过期之资料文件及时作出处理 设定保存期限,文件夹运用颜色管理 8. 清洁工具、垃圾桶 随处可见,到处摆放 清洁工具放在指定位,但太脏 有定位但无随时清理,有积存 有定位有清理,稍有异味 固定放置,干干净净 清 扫 / 清 洁 9.设备、工具消防器材 有生锈、腐蚀、多灰尘现象 有灰尘尚未生锈,但沾有油污 手摸到的地方稍有灰尘 清扫干净,感觉良好 设法不产生积堆,一有就马上清除 10.天花板、墙角、窗户、洗手间等 布满蜘蛛网、污垢、卫生工具到处乱放 偶有蜘蛛网,污垢,卫生工具固定摆放 无蜘蛛网,偶有灰尘、污垢 感觉很干净,清扫工具摆放于固定位置 四周清爽干净,用具摆放整齐 11.洗手台、花盆 上面有较多灰尘、积垢或其他杂物 定时清扫,灰尘较少或杂物 上面有较多纸图、碎屑 偶而碎屑 用手摸也难感到不洁 12.地面、通道 散落塑袋、纸或其它杂物 虽没有大垃圾,但偶有小纸屑等 定时清扫,有较多灰尘或积水 有专人负责清扫区域的维护工作 干净无积水、灰尘等 13.桌子、椅子、表面 有布满灰尘及油垢 无灰尘有较多油垢 定时清扫、无油污,有少许灰尘 专人负责进行清洁维护 干净亮丽,用手摸也无灰尘油污 14.花圃 杂乱、落满树叶及其它杂物 少许杂物,但花草很杂乱 少许杂物,花草有作适当修剪 无杂物、花草等美观度尚欠佳 花草修剪整齐,无杂物,很舒服 15.大件不动之物品(如消毒柜等) 顶上堆积其他大量物品 顶上偶尔存放其他物品 顶上无存杂物,但有灰尘及污垢 定时清扫,少有灰尘但无污垢 干净亮丽,给人予崭新之感觉 素 养 16.服装穿著 没按规定穿著 按规定穿著,但衣物很脏 衣物少些脏污 衣物干净,未挂厂牌 衣物干净,厂牌齐全 17.日常5S活动 没有活动,对5S检查结果漠不关心 虽有清扫清洁工作,但非5S计划性工作 开会时有对 5S 宣导 平时做能够做得到的 活动热列,积极配合5S活动,大家均有感受 18.仪容 不修边幅又脏 头发、胡须过长 上两项其中一项有缺点 均依规定整理 感觉精神有活力 19.行为规范 举止粗暴,口出脏言 衣衫不整,不守卫生 自己的事可做好,但缺乏公德心 公司规则均能遵守 主动精神,团队精神 20.时间观念 大部分人缺乏时间观念 稍有时间观念,开会迟到很多 不愿时间约束,但会尽力去做 约定时间全力去完成 约定时间会提早去做好 深圳南玻汽车玻璃有限公司5S评分标准(办公室及后勤用) 深圳南玻汽车玻璃有限公司5S评分标准(生产现场用) 5S 评 分 要 点 评 分 标 准 1 分 2 分 3 分 4 分 5 分 整 理 1.通道状况 有很多东西或脏乱 虽能运行,但要避开后车才能运行 摆放的物品超出通道 超出通道,但有警示牌 很畅通又整洁 2.工作场所的设备、材料 1个月以上未用物品杂乱放着 角落放置不必要的东西 放半个月后要用的东西且乱 一周内要用且整理好 3 日内要用,且整理好 3.料架、货架状况 未规范好,造成空间浪费 物品摆放很凌乱 物品摆放稍乱,未分类存放 存放整齐但未用标示 规划适当,架物标示一致 4.作业台上、下及抽屉 不使用的物品杂乱 半个月才用一次的也有整齐 有不用的文具、物品摆放 当日使用,但杂乱 桌上及屉内均最低浪废且整齐 5.原料、半成品、成品存放 塞满东西,人不易行走或阻塞走火通道 东西杂乱摆放 有定位规定但未严格执行或物品未有标示 有定位,也在管理状态但搬运不方便 任何人均易了解,搬运简单 6.公布栏、看板 文件有破损且多灰尘或书写杂乱 有过两周以上的文件 张贴(书写)不很整齐,但整洁 从左到右张贴整齐,看板清洁干净 看板有作美术设计,漂亮新颖 整 顿 7.设备、机器、仪器、工具 破损不堪,不能使用,杂乱放置 不能使用的集中在一起 能使用但脏乱缺乏保养 能使用有保养有定位放置但不整齐 摆放整齐、干净,最佳状态工具采用目视管理 8.标 签 乱贴标签、凌乱 按规定贴所需之标签 标签脏,有破损或污迹 填定项目未按规定执行 按标签管制规定运作 9.原物料、在制品、半成品、成品 合格品与不合格品混放 合格品与不合格品分开存放,标示不清楚 标示清楚,但未分类 分类摆放,且有区域标示 充分做到定位,定品有条有理 10.文件、档案 零乱放置使用时没法找 虽乱放置但可以找着 共同文件被定位,集中保管 分类保管,但无次序 有目录有次序且整齐,任何人能很快的找到 清 扫 / 清 洁 11.通道、作业场所 有烟蒂、纸屑等其他杂物 虽无脏物,但地面不平整 水渍大量灰尘不干净 通道有定时清扫,作业场所零星材料存放不要掉在地上 随时清洁、干净 12.设备\工具\仪器消防器材 有生锈 虽无生锈,但有油垢 有轻微灰尘 保持干净 使用中防止不干净措施,并随时清理 13.窗、墙壁、天花板 布满蜘蛛网、污垢、卫生工具乱放 偶有蜘蛛网、污垢、卫生工具固定摆放 无蜘蛛网,偶有灰尘及污垢 还算干净,感觉良好 干净亮丽,很是舒服 14.通道与作业场所 未能加以区别 有予区别,但未作标示 划线感觉还可 划线清楚,地面有清扫 通道与作业区感觉很舒服 15.地面 有油或水 油渍或水渍显得不干净 不是很平 经常清理没有脏物 地面干净,感觉舒服 16.洗手台 容器或设备脏乱 破坏未修补 有清理,但还有异味 经常清理没有异味 干净亮丽,感觉舒服 素 养 17.日常 5S 活动 没有活动 5S 检查时不服从 有清扫工作,但不能积极配合5S检查 开会有对 5S 宣导 平时皆能做到,且积极配合5S检查工作 活动热烈,大家均有感受 18.服装穿著 没按规定穿着 按规定穿著但衣物很脏 衣物少些脏污,纽扣或带未弄好 衣物干净,识别证未挂 衣物干净,识别证齐全 19.行为规范 举止粗暴、或在工场内吃食物或脚踩或坐在物料上 衣衫不整,不守卫生或随地吐痰,丢弃废品杂物 自己的事可做好,但缺乏公德心或插队打卡 公司规则均能遵守 主动精神,团队精神 20.时间观念 大部分人缺乏时间观念,上班迟到、早退、离岗 稍有时间观念,但会尽力去做 不愿时间约束,但会尽力去做 约定时间会全力去完成 约定时间会提早去做好 第七章 5S管理看板5S管理看板(用中英文对照) 5S组织架构图 5S区域代码及负责人 5S检查排行表 每周照片专栏 5S检查总评表 5S推行办法 5S检查项目 纠正预防措施专栏 员工评比考评栏 5S看板模型 第八章 5S培训 第一节:5S简介 20世纪80年代末,“日本制”的产品遍布世界每一个角落,导致许许多多的经济学家及管理学家都问:他们怎么啦﹖并对此进行了深入的调查与研究! 结果发现,这其中的因素很多,有因缘际会的机遇因素,更重要的是日本人不断追求效率、追求质量、追求完美,并为之不断深入研究的结果。大家知道。日本是个典型资源匮乏的国家,其资源对外依赖性特别强,这就决定了她必须节能降耗、提高资源利用率,利用引进的资源制造高质量、低消耗的产品,并以此占领市场份额,争取更大的利润,保持自身的发展空间! 在不断的追求过程中,日本的企业管理呈现了两个管理特色:循序渐进和全员参与。<5S>活动亦应运而生。 所谓5S,即: 整理(SEIKI) 整顿(SEITON) 清扫(SEISO) 清洁(SEIKETSU) 素养(SHITSUKE) 第二节:5S定义 1.整理(SEIKI) 将工作场所的所有物品区分为有用的和没有用的,作好定位存放,并做出醒目的标识。 即:将有用的和没用的物品区分开来! 目的 l 腾出空间、活用空间 l 防止误送、误用 l 营造明朗的工作场所 记住:必须有决心,将此工作在过程中持续有效地进行下去,这是5S的第一步! 2.整顿(SEITON) 将没用的物品彻底清除,并把有用按使用的重要性、频率分区、定位存放,且做出相应的标识。 即:把有用的物品整理好,方便存取! 目的: l 工作需要使用的物品可以一目了然地找到 l 消除寻找物品的时间 l 消除物品积压 l 使工作环境整整齐齐 记住:这是提高工作效率基础! 3.清扫(SEISO) 将工作场所彻底清扫,保持干净、明朗。 即:把工作场所打扫得干干凈凈! 目的: l 减少工业伤害 l 稳定质量 l 使工作场所纤尘不染 记住:这是减少异常因素、保持过程稳定的关键! 4.清洁(SEIKETSU) 维持以上整理、整顿、清扫3S的效果。 即:保持物品分区、定位、标识、卫生的效果! 目的: l 减少工作失误 l 防止异常现象突然发生 记住:能把这点做到,5S已成功了大半! 5.素养(SHITSUKE) 所有职员工在遵守公司规章制度、岗位纪律同时,并维持以 上4S成果,养成良好的工作习惯及积极主动的工作作风! 即:做个遵纪守法、敬业乐群的好员工! 目的: l 培养遵纪守法、敬业乐群的员工队伍 l 改变旧观念、养成好习惯,形成良性循环 l 营造团队精神及和谐的工作环境 l 良性循环,并加以持续改进,实现公司永续经营的目标 记住:5S能提高工作效率、减少失误、赢得尊重! 南玻“5S” 培训班 歡迎參加 第三节:5S的作用 [5S]是一种良好的管理技巧,是公司推行ISO9001质量管理标准体系及全面质量管理(TQM)的第一步。 [5S]是改善工作场所,实行文明、安全生产、工作,进而提升企业形象的一种现代经营管理手段。 [5S]活动能创造明朗、高效、安全的工作环境。 1.提升企业形象 整齐清洁的工作环境,能提高工作人员的工作士气与工作效率; l 能吸引顾客的注意力,使顾客产生兴趣,从而能得到顾客更多的订单,增强企业的市场竞争力; l 内外交和,左右逢源,口碑相传,进而形成工作的凝聚力与推动力,即增强了企业的整体竞争能力。 2.增强员工的归属感及公司凝聚力 实施[5S]能增强员工之间及员工与公司的沟通,改善人际关系,提高员工的修养。从而促进人际关系的融洽,提高职员工的工作士气及敬业精神。 l 使职员工有尊严与成就感 l 易带动改善的意愿,增强求实、创新的工作热情 l 能促使职员工与公司各方面主动付出耐心和爱心 l 从而培养全体职员工良好的工作态度与观念,使人人有素养. 3.节省资源、减少浪费、降低成本、提高效益 资源的浪费与公司增加效益是成反比的,浪费多,效益自然低,浪费低或无浪费,效益自然高。实施5S可以使公司节省资源、减少浪费、降低成本、提高效益。 l 工作过程将更加精简; l 减少人手及时间的浪费; l 减少场所及空间的浪费; l 减少材料、能源的浪费; l 减少或杜绝安全事故的发生; l 浪费减少了,效益/利润也就自然增加了。 4. 除去杂物,改善工作环境,保障生产、工作安全 工作场所宽敞、明亮,过道通畅,且地面、过道等没有杂物/多余物品放置,使工作场所畅行无阻,减少了异常事故的发生机率,从而保障了安全。 l 地面、过道不随意摆放物品; l 过道通畅,减少阻碍; l 工作场所宽敞、明朗,工作心情舒畅; l 工作安全自然就有保障。 5. 使场所整洁、对象整齐、提升工作效率 工作环境整齐有序,生产、工作人员的工作流程就简洁、明快,消除了找不到工具、文件的烦恼,工作自然愉快、热情有加,其工作效率亦自然会得到提高。 l 简洁、明快、有条有理的工作场所; l 明朗、清洁的工作环境; l 舒畅的工作心情; l 有素养的工作伙伴、融洽的人际关系; l 没有寻找物品的烦恼; l 工作效率自然会得到提高。 6. 使工作环境井然有序,产品及工作质量自然有保障 产品及工作质量的保障在于,做任何工作都必须严谨、不马虎,5S就是要除去马虎使工作质量得到保障。 7. 培养员工良好的工作与生活习惯 “5S”令我们养成良好的工作、生活习惯,使人人成为具有素养的人,并使我们终身受益。 第四节:5S的实施要诀 一、5S实施总要求 1. 将有用及无用的物品分开; 2. 将有用及无用的物品进行分区、定位存放,并做出相应标识; 3. 将无用的物品清理出工作场所; 4. 将有用的物品按其使用的重要性及频率进行定位存放,以方便存取; 5. 对工作场所进行清扫并报纸清洁; 6. 保持区分、标示、清洁的效果; 7. 文件、工具、材料等所有物品存放井井有条; 8. 按评核规定进行定期检查、评核,促进5S的持续有效实施。 二、 5S实施要诀 1. 整理 1)区分有用或无用的物品,大致有以下常用方法 A 不能用 不用 废弃处理 不再使用 B 可能会再使用(1年内) 很少使用 放进储存室 半年至1年使用1次 C 1至3个月使用1次 会用但不常用 放进储存室 D 每天都必须使用 常用 存于工作场所固定位置 2)作用 l 消除无用物品的阻碍,工作更加顺畅 l 消除无用物品的误用,提高工作质量 注: l A类物品须清出工作场所; l B类物品存于储存室且不常用的位置; l C类物品存于储存室较常用位置; l D类物品必须存于工作场所固定位置,并保持醒目的标识。 3)实例 l 仓库及办公场所的物品(材料、工具、文具等) l 生产、生活设施/设备(工作台/凳/椅、机器、运输、储存设施等) l 文件、资料、表单记录等 l 生产现场的物品(部件、半成品、成品、辅料等) l … 2. 整顿 1)将无用的物品清除出去,并把有用的物品作定位存放且加以必要标识。除了空间宽敞外,还除却了寻找物品的烦恼,更利于无用的物品不被误用。通常的做法有: A 将已确定无用的物品及时清理除去,腾出更多的空间,并加以利用 B 整理有用的物品,规划存放位置并加以标识 C 建立物品存放、管理的有效方法,使之整齐、有条理 D 对有用的物品加以合理管制,防止混乱 2)作用 l 要用的物品能及时取得 l 不光自己知道,其它人同样一目了然 3)实例 l 生产、生活、办公等所有场所或过道清除无用杂物,就有足够空间可以利用 l 对文件、档案进行分类、编号和实施颜色管理 l 材料、部件、工具、设备、仪器、半/成品的存放及标识 l 辅料或消耗性物品的定位存放及标识 3. 清扫 1)生产、工作、生活场所打扫得干干凈凈,消除污染源,通常有以下做法: A 从地面到墙壁再到天花板,对整个空间的所有角落进行彻底清扫,特别注意卫生死角的清扫(如工作台底、门窗的凸条、凹陷处) B 机器、设备/设施、工具的清洁,防止工具/手/手套等变成污染源头影响产品质量 C 机器、设备底部及转动部位是卫生的死角,尤其注意清洁 D 细心寻找污染源及消除污染源,是清洁工作的关键所在 领导人员应带头进行清洁工作 2)作用 l 工作场所清洁、明朗,心情舒畅 l 永远没有污染的烦恼 3)实例 l 生产/办公台面紊乱、多尘、水/油渍 l 机器/设备底部多垃圾,转动部位漏油 l 排油/抽尘/排气管道破损,导致废油/尘/气/水外泄 l 各类破损物品未及时修补 4.清洁 长期维持整理、整顿、清扫3S的效果,通常的做法有以下几点: A 颜色管理,使用各类醒目的颜色标签进行管理 B 3U MEMO(三不管理:不合格、不可用、不混乱) C 目视管理、看板管理 D 活用查检表 5. 素养 5S活动始于素养,终于素养。 一切工作、活动都靠人来做,假如人缺乏遵守规则的习惯,或者没有敬业乐群、主动奉献的精神,5S活动也只能是流于形势,不易持续,更不可能取得应有的成效。提高素养须依靠平时的教育训练、自我的约束及规范、民主的管理。人人都有今天“我”以龙的为荣,明天龙的以“我”为荣的观念与态度,积极、主动参与5S活动,5S才能取得辉煌的成效。 素养的实践自发于内心而行之于外,由内心观念去塑造有素养行为。 整理:中要有应有与不应有的观念,且在行为有把不应有的物品及时清理出去的习惯; 整顿:中要有应有的物品定位的观念,且在行为有把应有的物品合理标识、存放的习惯; 清扫:中要有彻底干净、不干净的环境就是可耻的观念,且在行为有主动清洁、自我清洁的习惯; 清洁:中要有时时干净、保持清洁的观念; 素养:中要有我是个有教养、素养的人的观念,且在行为上应体现自己是个有教养、素养的人; 实例 l 所有职员工应遵守公司规章制度、岗位制度; l 所有职员工须有厂兴我荣的观念 l 工作时保持良好的习惯(如:不聊天、不随意离岗、不闲坐、不带零/食品进入工作场所、不做与工作无关的事等) l 进入工作场所服装整齐、不袒胸露背、不高谈阔论 l 待人接物有诚信、有礼貌,不讲粗言秽语; l 爱护生活、生产设施、公物,节约用电、用水 l 不乱丢果皮、垃圾,不随地吐痰 l 兢兢业业工作,诚诚恳恳待人 l … 第五节:5S的实施技巧 5S看起来颇为简单,但是,真正贯彻实施却非易事,如果没用实施技巧及坚持不懈的意志,很容易半途而废或导致混乱。以下方式值得大家在实施过程中借鉴及体验。 1. PDCA循环 P(PLAN)计划:制定实施计划、目标及具体的实施方案; D(DO)做、实施:按实
展开阅读全文

开通  VIP会员、SVIP会员  优惠大
下载10份以上建议开通VIP会员
下载20份以上建议开通SVIP会员


开通VIP      成为共赢上传

当前位置:首页 > 管理财经 > 经营企划

移动网页_全站_页脚广告1

关于我们      便捷服务       自信AI       AI导航        抽奖活动

©2010-2026 宁波自信网络信息技术有限公司  版权所有

客服电话:0574-28810668  投诉电话:18658249818

gongan.png浙公网安备33021202000488号   

icp.png浙ICP备2021020529号-1  |  浙B2-20240490  

关注我们 :微信公众号    抖音    微博    LOFTER 

客服