收藏 分销(赏)

气瓶检验周期和使用年限.doc

上传人:w****g 文档编号:2328912 上传时间:2024-05-28 格式:DOC 页数:3 大小:619.65KB 下载积分:5 金币
下载 相关 举报
气瓶检验周期和使用年限.doc_第1页
第1页 / 共3页
气瓶检验周期和使用年限.doc_第2页
第2页 / 共3页


点击查看更多>>
资源描述
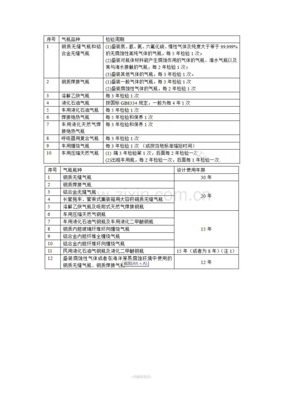
。 气瓶 气体 检验周期 使用年限 钢瓶 无缝气瓶 (高压) 活性气体: 氧气、二氧化碳、氢气、七氟丙烷 3年 30年 惰性气体: 氮气、氩气、六氟化硫 5年 30年 甲烷 3年 30年 腐蚀性气体:二氧化硫、硫化氢、二氧化氮 2年 12年 钢瓶 焊接钢瓶 (低压) 一般性气体 : 无腐蚀性气体 3年 20年 腐蚀性气体:氯气、液氨 等 2年 12年 溶解乙炔 、丙烷 3年 20年 液化石油气、液化天然气 3年 15年 铝瓶 铝合金无缝气瓶 标准气 3 年 20年 低温瓶 绝热焊接瓶 液氧 液氮 液氩 3年 20年 液氮生物容器 液氮 3年 5年以上 THANKS !!! 致力为企业和个人提供合同协议,策划案计划书,学习课件等等 打造全网一站式需求 欢迎您的下载,资料仅供参考 -可编辑修改-
展开阅读全文

开通  VIP会员、SVIP会员  优惠大
下载10份以上建议开通VIP会员
下载20份以上建议开通SVIP会员


开通VIP      成为共赢上传

当前位置:首页 > 包罗万象 > 大杂烩

移动网页_全站_页脚广告1

关于我们      便捷服务       自信AI       AI导航        抽奖活动

©2010-2025 宁波自信网络信息技术有限公司  版权所有

客服电话:0574-28810668  投诉电话:18658249818

gongan.png浙公网安备33021202000488号   

icp.png浙ICP备2021020529号-1  |  浙B2-20240490  

关注我们 :微信公众号    抖音    微博    LOFTER 

客服