收藏 分销(赏)

群塔及施工电梯施工方案.doc

上传人:天**** 文档编号:2119857 上传时间:2024-05-16 格式:DOC 页数:20 大小:443.37KB 下载积分:10 金币
下载 相关 举报
群塔及施工电梯施工方案.doc_第1页
第1页 / 共20页
群塔及施工电梯施工方案.doc_第2页
第2页 / 共20页


点击查看更多>>
资源描述
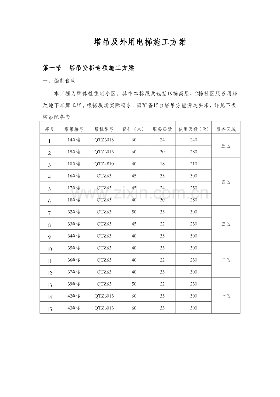
塔吊及外用电梯施工方案 第一节 塔吊安拆专项施工方案 一、编制说明 本工程为群体性住宅小区,其中本标段共包括19栋高层、2栋社区服务用房及地下车库工程,根据现场实际需求,需配备15台塔吊方能满足要求,详见下表: 塔吊配备表 序号 塔吊编号 塔机型号 臂长(米) 服务层数 使用天数(天) 服务区域 1 14#楼 QTZ6013 60 24 240 五区 2 15#楼 QTZ6013 60 30 280 3 10#楼 QTZ4810 40 18 210 四区 4 16#楼 QTZ63 45 33 300 5 17#楼 QTZ63 45 24 250 6 18#楼 QTZ63 40 30 280 7 32#楼 QTZ63 50 33 300 三区 8 33#楼 QTZ63 45 22 230 9 34#楼 QTZ63 40 33 300 10 35#楼 QTZ63 40 33 300 二区 11 36#楼 QTZ63 40 22 230 12 37#楼 QTZ63 40 33 300 13 39#楼 QTZ63 50 22 230 一区 14 42#楼 QTZ6013 60 33 300 15 43#楼 QTZ6013 60 33 300 塔吊布设见下图。 方案编制参考了《QTZ63塔吊安装使用说明书》、《QTZ4810塔吊安装使用说明书》、《QTZ6013塔吊安装使用说明书》以及业主提供的现有图纸和数据。 二、塔吊定位 塔吊现场定位必须遵循的原则: 1、 满足施工需要,尽可能不出现施工盲区; 2、 保证塔吊安拆方便,塔吊标准节边缘距离待建结构、挑檐、外架等的最外沿距离不得小于2米,塔吊起重臂位于顶升方向时,塔吊的起重臂、平衡臂等部件边缘到已有、待建结构距离不得小于1.5米。 3、 保证塔吊附着方便,塔吊中心距离附着位置距离不得大于10米。 4、 塔吊初始安装高度时,起重臂、平衡臂等可回转部件尽可能能够整周回转而不碰到周围的树木、已有建筑等实体结构。 充分考虑以上要求,并根据现场实际、施工需要、塔吊的起重性能等因素,最终确定塔吊的现场定位。 三、前期准备 塔吊入场前准备工作: 1、 根据方案在现场对塔吊进行准确定位。 2、 为满足塔吊正常工作,各塔必须分别配备专用二级电箱,电箱距塔吊中心不得大于5米(塔吊专业公司必须另配专用三级箱,距离塔吊不得大于3米)。QTZ63塔吊正常工作所需的电容量为65KVA、QTZ4810塔吊正常工作所需的电容量为70KVA、 QTZ6013塔吊正常工作所需的电容量为75KVA。 3、 提供场地,便于塔吊部件的摆放和汽车吊的入场选位。 塔吊专业公司前期准备: 技术部门制定切实可行的施工方案,技术及施工部门特定人员必须进行现场实地勘测,认真细致地考虑塔吊安装过程中可能碰到的问题,如有疑难应同监理、业主及时沟通,共同商讨解决策略,确保施工顺利安全地进行。 安装起重臂和平衡臂时常用的牵引麻棕绳。 旋紧螺栓的电动扳手以及其他扳手和装拆销轴的榔头。 运输塔吊部件所必须的车辆和汽车吊。 所有入场安拆人员必须持证上岗。 四、基础施工要求及注意事项 1、 塔吊基础为固定预埋式。 2、 塔吊基础承载力满足塔吊生产厂家提出的力学要求。 3、 留出安装作业面,大小要满足25(50)吨汽车吊站位以及塔吊起重臂的拼装。 4、 准确定位塔吊中心,标明塔吊预埋角钢(预埋螺栓)安放位置。 5、 底面夯实,防止预埋角钢、预埋螺栓及马凳下沉。 6、 绑扎塔吊承台钢筋,施工质量管理部门必须做好过程控制、施工记录、质量验收。 7、 将接地电阻(R≤4Ω)一端与预埋节点焊好,并将另一端与插于土层里的钎子用螺栓联结。 8、 安放预埋件与钢筋绑扎同步进行,埋件必须与承台主筋焊接牢固,避免因震动跑偏。 9、 基础用C35的混凝土,并捣实浇注,项目在此过程中必须随时监测预埋地脚的檐口水平度,如有变化,随时进行调整,确保塔吊预埋角钢檐口水平度。混凝土不得往一个方向浇注,以免动摇预埋节。,确保预埋角钢檐口水平度在1‰内。 10、进行塔吊基础保养,作好混凝土强度报告。 11、基础强度达70%以上并经质量安全部门及监理验收合格后,方能安装塔吊。 五、塔吊的安装 塔吊安装工序: 1、塔吊安装采用25(50)吨汽车吊,汽车吊站位根据现场情况而定。 2、安装3节标准节(标准节数量以塔吊顶升方向大臂能超过塔吊所覆盖范围内的建筑及所有实体结构为准),注意各塔顶升方向。 3、安装顶升套架,包括走道平台、扁担梁、油缸。 4、安装回转装置.在地面上安装引进大梁,然后吊装。 5、安装司机室、塔顶总成。用手动摇把合理调节回转,安装平衡臂总成。 6、连接塔吊用电线路,并缓慢回转平衡臂。 7、安装起重臂总成。起重小车的安装位置应在臂根部的限位处(止动块)。注意起重臂的重心控制。 8、安装配重。 9、穿绕各部钢丝绳。 10、按规范进行自检,并填写自检记录。 11、正式验收,合格后进行顶升。 六、施工技术资料准备 塔吊基础验收时项目应提交下列资料 1、 塔吊基础施工记录; 2、 塔吊基础砼强度报告。 七、安全措施 1、 所有参加作业人员都必须遵守现场施工的各项安全规范及本工种安全操作规程。 2、 塔吊拆装前,拆装队必须熟悉现场。拆装单位必须指定一名熟悉该类型塔吊、经验丰富的工长现场指挥。 3、 塔吊司机、塔吊拆装人员以及塔吊信号指挥都必须持有市级劳动部门签发的特殊工种操作证。 4、 塔吊司机每班作业前都必须对设备进行例行检查,塔吊的各项安全限位必须齐全可靠。 5、 接地电阻不大于 4欧姆。 6、 在塔吊运输过程中,注意塔吊部件严禁与现场高压线碰撞。 7、 塔吊在自升过程中,要合理分工,必须派专人观察顶升套架滚轮与标准节间距离,派专人负责销轴的连接,派专人负责液压油缸的操作等。 8、 塔吊在顶升过程中严禁回转起重臂。 9、 塔身标准节之间的连接销及其他任何部件之间的联接销都必须穿开口销. 10、 塔身垂直度偏差不大于4‰. 11、 塔吊安装好后,应遵循《安装质量验收制度》、《塔吊安装后验收和交付使用制度》中要求进行空载实验和重载实验,检查各工作机构、电气控制系统均处于正常工作状态,各安全保护装置齐全、可靠。 12、 严禁高空抛接零件工具等,以免落物伤人。 13、 6级风以上严禁塔吊安装作业,4级风以上严禁塔吊顶升施工作业。 14、 作业现场必须设置不小于20×20米的安全作业区。 15、 施工机械、设备出入现场,司机注意场地周围的高压电线,严格执行《施工现场用电安全管理规定》,加强电源管理,防止发生电器火灾或人身伤亡事故。严禁使用220伏及以上的电源。 16、 操作工人进入施工现场必须佩带齐全的安全防护用品,登高作业必须系好安全带。 17、 塔吊在使用过程中严禁塔吊间、塔吊与建筑物间发生碰撞。 八、塔吊拆除施工 1、 塔吊拆除准备 清理塔吊周围场地,便于塔吊拆除、装车、运输。 2、 塔吊拆除程序 塔吊拆除程序与安装程序相反,先自降标准节、拆除附墙,降至可拆除高度后,用25(50)吨汽车吊常规降拆。 3、其他未尽事宜按照相关规程执行。 第二节 群塔作业防碰撞施工方案 为满足本工程建筑结构施工需要,需在施工现场安15台臂长为60(50、45、40)m的塔吊。为避免塔吊部件间发生碰撞事故,保证塔吊正常、安全地使用,特编制此防碰撞措施。 一、防碰撞施工措施 1、塔吊在水平面方向的防碰撞措施 低位塔吊的起重臂端部与高位塔吊塔身之间防碰撞措施。 考虑到现场周围环境的限制,并结合施工的需要,确定塔吊在现场的布置,由于定位塔吊时已使两台塔吊之间的距离大于任意一台塔吊臂长5米以上,由此,可以确保2台塔吊之间的低位塔吊起重臂不与高位塔吊的塔身标准节、套架等任何部件发生碰撞。 2、塔吊在垂直方向的防碰撞措施 低位塔吊的起重臂与高位塔吊起重钢丝绳之间防碰撞措施。 由于受施工需要的影响,有可能发生低位塔吊的起重臂与高位塔吊的起重钢丝绳的碰撞事故。为杜绝此类事故发生,项目必须对每一台塔吊的工作区进行合理划分,避免出现塔吊交叉工作区。同时,配备有合格操作证的、经验丰富的信号指挥工,确保指挥塔吊回转作业时,低塔的起重臂不碰撞高塔的起升钢丝绳。当现场风速达到6级风,相当风速达到10.8~13.8米/秒时,塔吊必须停止作业。另外,正和公司要配备操作熟练、有责任心的塔司为现场服务,塔吊在每次使用后或在非工作状态下,将塔吊的吊钩升至顶端,同时将起重小车行走到起重臂根部。 3、高位塔吊起重臂下端与低位塔吊最高部件防碰撞措施 由于相邻塔吊的回转面有交叉区域,而两台塔吊距离又大于任意一台塔吊大臂的长度5米以上,小于两台塔吊大臂长度之和。所以高位塔吊的起重臂与低位塔吊的拉杆有可能发生碰撞。为防止此类事故发生,需保证任意时刻,假使两台塔吊大臂相对,高位塔吊大臂尖端距离低位塔吊在同一条垂直线内较长的拉杆上的相应交点距离大于2米。如此,能保证高位塔吊的起重臂与低位塔吊的塔尖不发生碰撞。即:保证符合塔式起重机安全规程(GB5144-2006)中的10.5之规定“两台相干起重机之间的最小架设高差应保证处于高位起重机的最低位置的部件(塔吊大臂、平衡臂等)与低位置起重机中处于最高位置的部件(塔帽、起重臂或拉杆)之间的垂直距离不得小于2m”。 4、塔吊与现场周边建筑及设施的防碰撞措施 在实际施工中,还要密切关注现场以外的情况,塔吊初次顶升要超过临近低层建筑物的高度,还要注意待建建筑及周边情况尤其是现场工人和车辆,还要避让附近电力及通讯设施,以免造成不必要的伤害或破坏,同时需要与临近工地项目协调,限定塔吊作业区域,划分工作区。 5、塔吊运行管理措施 (1)按规定对塔机例行班前检查保养、日常检查保养公司定期进行安全检查。 (2)塔吊正式投入运营后安设塔机警示灯、警示笛,操作人员应定期对塔吊上的安全装置进行检查保养。 (3)塔吊司机必须服从信号工的统一指挥,但同时,在塔吊大臂超过限位范围的情况下,塔吊司机在保证安全的原则下,有权不接受信号工的指令。 (4)在塔吊回转过程中,塔吊司机和信号工有权利和义务兼顾自身塔吊与其他塔吊大臂和平衡臂之间保持距离,避免大臂与平衡臂、大臂与大臂之间发生碰撞。 (5)塔吊进行回转在接近限位界限时,塔吊司机必须控制塔吊回转速度,避免发生异常情况。 (6)在塔吊运行的过程中,后启动回转的塔吊必须避让先启动回转的塔吊。 (7)塔吊司机和信号工在塔吊每次顶升后的第一次运行塔吊时,有责任和权利向塔吊管理单位提出意见和建议。 (8)双方塔吊使用的对讲机在使用前,双方管理人员应对对讲机核频,避免发生混频和误接受指令的问题发生。并在更频前通知对方进行核频。 综上所述,可以看出塔吊的施工环境是比较复杂的,只有按照相关规范操作,并全面考虑施工现场及周边的施工环境,合理安排施工工序和塔吊的顶升,才能实现安全、有序施工,提高施工效率,为该工程高效优质的完成施工工期奠定坚实的基础。 第三节 外用电梯及龙门架施工方案 一、编制说明 为满足本工程二次结构施工及装饰需要,拟在每栋楼安装1台外用施工电梯,为了规范施工,特编制此方案。 本工程拟18台SC系列施工升降机,型号为SCD200/200,该电梯双笼使用,单个梯笼额定载重量为2吨,单个梯笼尺寸为长3.2m×宽1.3m×高2.7m,提升速度为35米/分。电梯采用直接式附着,该电梯需要附墙15道,电梯双笼使用。且需在商业用房增加2台龙门架,满足现场施工需求。 二、方案编制依据 1、《SCD200/200施工升降机使用说明书》 2、《建筑机械安全操作规程》 3、施工蓝图 三、项目现场准备工作 1、基础制作及基础处理 电梯基础座同楼基础底板(地下车库部位,基础位于车库地板上),电梯基础采用两根H型钢梁座于地下一层底板上,在底板上预先植入化学螺栓,达到强度要求后,方能安装外用电梯。由于地下室层高较高,为保证标准节的稳定性,在地下一层楼板设置一道附墙。 2、附墙件设置 附墙连接固定件是设置在建筑物楼板上,安装附墙件时在相应楼板位置打膨胀螺栓。附墙耳板提前加工好。 3、电力准备 外用施工电梯所需电容量为40千瓦,电源应提前备好,并将外梯电源引到距离外梯中心约5米范围内。 4、现场清点 应该提供比较平整、开阔的安装现场,调整附近设施、清理走地面杂物、模板和其它东西。 5、人员准备 电梯安装当日,除电梯专业安装人员外,再安排4名架子工配合安装作业,并修改双笼电梯附着所在楼层处的外架。 6、注意事项 电梯安装后,项目需按有关规范进行电梯防护棚及施工通(马)道的施工,并核准进行防护棚及施工通(马)道施工后,现场通道是否畅通。 四、安装公司物质准备 设备准备:准备外用电梯标准节、梯笼、附墙支撑架、附墙拉杆、附墙耳板、穿墙螺栓及背板,并于施工前两天组织进场。安装前应检查各零部件,发现有变形、损坏的,及时修复或由有关人员进行鉴定,妥善处理后方可进行下步工作。 五、外用电梯的安装 电梯安装时间为主楼结构施工至十层。电梯安装前先阅读电梯说明书。电梯初始安装采用现场塔吊作为起重设备,以后的附着以及加节,电梯可自行完成。具体安装步骤如下: 1、电梯安装前先固定两根支撑钢梁并调平,根据电梯底座螺栓孔尺寸气割开孔,安装电梯底座。 2、在电梯的底座,用M24×230的螺栓连接,注意调平底座的水平度,使底座水平度达到0.2%。予紧力为350N.M。 3、安装三节标准节,连接标准节用的螺栓为M24×230,予紧力为350N.M;安装下限位及下极限行程开关碰块。 4、安装围栏。 5、安装吊笼,吊笼就位时拖动电机的直流制动器释放,就位后恢复。 6、将吊笼对重就位,下垫放适当高度方木。 7、释放传动底板上靠背轮螺母,用专用扳手转动偏心套调整传动齿轮与齿条的侧向间隙至0.3-0.5mm之间,锁紧靠背轮螺母,应注意上下两靠背轮偏心套转向相反。 8、释放各部滚轮的螺栓,转动偏心轴以调整滚轮与导轨架立柱之间的间隙,其间隙为0.3-0.5mm,调整后锁紧。 9、电气控制系统的安装。 10、电动升降试车。 11、电梯标准节的加节,每增高10米找正一次,直到垂直度符合要求为止。 12、按规范安装电梯附墙。 13、对重及对重钢丝绳的安装。 14、其余步骤必须按规范及操作规程进行安装。 15、安装完毕进行检查、试运行及调整各限位行程开关。 16、电梯安装后进行楼层通道架体及楼层防护安装。 17、进行电梯坠笼实验,一切达到要求、合格后投入使用。 六、外用电梯的拆除 1、外用电梯经过项目领导批准后方可进行拆除。 2、拆除现场设置安全警戒线。 3、场地清理留出拆除施工作业区,并需架子工配合拆除架子管。 4、外用电梯按常规拆除,回库时,注意部件的清点。 5、拆除工序如下: 1)对重钢丝绳及对重的拆除; 2)按规范采用扒杆降节、拆除电梯附墙,项目配合架子工拆除卸料平台; 3)降至最低后,采用12吨汽车吊拆除电梯笼、配重、剩余标准节; 4)电气控制系统的拆除; 5)拆除围栏; 6)电梯底座拆除。 七、安全规程 1、电梯安装进入施工现场的作业人员必须持证上岗。 2、安装时,工人必须佩带齐全的安全防护用品。 3、塔吊吊重就位时,保证吊位准确,配合一致。 4、电梯在首次吊重运行时,必须从最低层上升,严禁自上而下。当电梯梯笼升离地面1-2米时,要停车实验制动器的可靠性,如发现制动器异常,须修复后方可运行。 5、梯笼内乘人或载物时,应使载荷均匀分布,防止偏重,严禁超载荷运行。 6、操作人员与指挥人员密切配合,根据指挥信号操作。 7、电梯运行中发现机械有异常情况时,应立即停机检查,排除故障后方可继续运行。电梯在大雨、大雾和六级以上风时,应停止运行,并将梯笼降到底层,切断电源。 8、电梯运行到最上层和最下层时,严禁以行程限位开关自动停车来代替正常操作按钮的使用。 9、注意电梯导轨架垂直度的控制。 10、电梯导轨架垂直度偏差许用值 架设高度 ≤70米 70-100 100-150 150-200 ≥200 垂直度允差 架设高度1/1000 70 90 110 130 注意接地,按规范控制接地电阻阻值。 附墙架允许的最大水平倾角为±8°。 连接螺栓的强度等级不低于8.8级。 对接标准节时,必须保证各标准节立管对接处的错位阶差≤0.5毫米。如果标准节上有对重导轨,应确保导轨对接处的错位阶差≤0.5毫米。 八、技术资料准备 电梯安装完毕后,必须经相关部门验收合格后才能投入使用。验收时需提供以下资料: 电梯基础施工记录; 附录一:双笼外梯基础动载荷计算 1、基础承受的动载荷P的近似计算原始数据: 额定载重量: 2000Kg×2 护栏重量: 1480㎏ 吊笼重量: 1600㎏×2 标准节重量: 150㎏ 对重重量: 1200㎏×2 本梯高 : 81节标准节 2:电梯对基础的动载荷计算: 由以上公式算得电梯对基础的动载为: P=(1600×2+1480+150×81+1200×2+2000×2)×2.1 =48783Kg 按49吨计算 电梯基础工字钢核算书 九、说明 该工程电梯采用两条200x215x5000H型钢作为基础,为确保方案可行性,特对工字钢基础进行验算。工字钢截面如下图: 十、计算过程 1、力学模型: 由方案中工字钢的布置形式可知,工字钢可简化为两端固定铰支简力梁。 2、电梯钢梁正应力验算 由机械工业出版社2001年9月第二版《机械设计手册》中第4-51页中查得,工字钢的惯性距、抗弯模量计算公式为: = 由上式可计算本工字钢的惯性距、抗弯模量为: Ix=3.1×108 mm4 ;Wx=1.7×106mm3 梁端部支反力:由手册4-59查得 代入数值,对于该电梯,每条钢梁,P=49/2=24.5 t ;L=5m; L1=2.8 m;L2=2.2m R1=10.78 t ; R2=13.72t ; 由手册4-59查得 该工字钢最大受力弯距:=30.2t·m 计算截面正应力: 由中国建材工业出版社2000年7月第一版《钢结构设计原理》第87页中查得:此类截面塑性发展系数 γx=1.05 单向受弯构件正应力校核公式: 代入数值: σ=169.2N/mm2≤f=215 N/mm2 符合正应力条件。 十一、计算结论 经验算,电梯基础采用该工字钢能够满足现场使用。 十二、安装准备 1、在安装龙门架之前,应提前完成龙门架的基础制作及其它现场准备事项。 2、龙门架正常工作的电源电压为(380V±5%)伏特,功率为5千瓦。 3、龙门架零部件运至现场,清点零部件数量,检查构件焊缝,标准件的质量等。 4、挖砌排绳沟,卷扬机处盖操作室,准备地桩材料。 十三、龙门架参数 项目 单位 参数 架设高度 m 附着高度 92 吊笼提升高度 m 100 额定提升质量 Kg 1000 额定提升速度 m/min 15.5-25 标准节截面 mmXmm 500X500 标准节高度 m 2.5 整机质量(含卷扬机) T 4.3 吊笼净空尺寸 mm 3400(长)x1800(宽)x2000(高) 卷扬机型号 JK1.5 15.5-25m/min 电动型号、功率 Y160M-4 7.5KW 输入电压 V 380(±5%) 工作环境温度 ℃ -20~40 十四.龙门架的基础制作 对于龙门架的基础,必须达到如下要求: 1、基础承载力取8KN/㎡。 2、基础表面应平整,水平偏差不大于10毫米; 3、基础周围必须要防护措施,避免发生碰撞基础。 十五.龙门架安装 1、安装前必须作好一切准备工作。参与安装与拆卸工作的人员必须经过有关升降机方面的技术培训,详细阅读并理解升降机安装说明书和本方案。 2、龙门架安装由龙门架设备租赁公司技术人员到现场指导。安装时必须有专人指挥,所有操作人员必须服从指挥,精神集中,必须戴安全帽和安全带等安全用品,门架下和立柱周围5m内禁止站人,以防物体跌落伤人,五级风以上禁止安装作业。 3、安装步骤: 底盘→上平台→标准节→吊笼→安装卷扬机和钢丝绳→电气→继续升高架体→停车横担→附墙架→楼层门→围栏及门→限位器→试车 (1)底盘安装 将底盘与基础内升出的预埋地脚螺栓固定,校平底盘,要求底盘上平面水平度保证在1/1000以内。 (2)上平台安装 上平台抬放到底盘上,上平台两方孔对正底盘两方孔,上平台两端各放3个标准节,将其中两节标准节分别插入上平台两方孔中,用M16x30螺栓把标准节与底盘紧固在一起,确保两标准节的间距1850~1858mm,垂直度小于1/1000。摇头把杆座用M16x30螺栓紧固在上平台上,把杆插入摇头把杆座孔中。 (3)低层标准节安装 1)上平台两端各放三个标准节,分别在已固定底盘的2个标准节上口卡小额头,挂上两个1吨x3m的手拉葫芦。下面挂钩挂在上平台提升环上。工人公式拉链条,提升上平台至离第一层标准节上口15cm,打开停车器,平台停在标准节上。在平台上用撬杠调整平台方口与标准节法兰间隙,使对边间隙差小于2cm,用斜木板塞紧。 2)卸下小额头,把平台内的未安装标准节抬两节放在已装好的两个标准界上,按“(2)上平台安装”测量调整标准节内外口间距和垂直度,注意标准节接口处阶梯差小于0.8mm。达到规定值后,用螺栓紧固,按上述过程依次安装标准节至10m高。 (4)吊笼的安装 1)将吊笼抬放在两标准节之间,将导靴轮对准吊蓝立柱孔,穿上导靴轮轴,拧上螺母,调整导靴轮与标准节立柱之间的间隙,保证在3-5mm,后紧固螺母。 2)把4只停车器安装在吊栏停车器座上,取出夹卡在吊笼浮动与固定梁之间的垫木,观察断绳保险停车爪是否弹出。 (5)卷扬机和钢丝绳安装 1)卷扬机安装在消防车道的楼板上,在楼板上开设螺栓洞孔,对拉将卷扬机固定在楼板上。 2)钢丝绳直径选用6×19-12-170(直径12mm),将钢丝绳一端用压板固定在卷扬机上,绳头露出压板50mm,钢丝绳经过地槽穿过地滑轮,向上,绕过上平台定滑轮,向下,穿过吊栏动滑轮,在向上到上平台,穿过固定轴,绳头与钢丝绳并排用绳卡加紧,绳卡压板朝钢丝绳长头一边,间距是钢丝绳直径的8倍,绳卡数不少于3个。 (6)电器安装 按使用说明书上的电器控制图要求接线,安装电器装置,检查电器及电气元件的对地绝缘电阻≥0.5mΩ,电器线路对地绝缘电阻≥1mΩ。升降机结构、电动机和电器设备的金属外壳接地电阻≤4mΩ。 (7)升降机的继续升高 1)将标准节放到吊栏两端,提升吊栏至上平台下约2m处(上限位),用15m钢丝绳,一头栓在吊栏上,另一头从把杆的垂直钢管内穿过,绕过两个定滑轮,栓住吊栏内1节标准节。开动卷扬机,使吊栏下降,标准节上升,标准节高于上平台时停止,打开平台门,转动把杆到上平台。吊笼上升,标准节落在平台上,解开钢丝绳安装,重复上述步骤直至到规定高度。 (8)停层横担 因各层施工建筑楼层高度设计相同,装停车管时,把吊笼停靠在需要的楼层标高上,取1.5m长Φ48钢管2根,用扣件把它垂直扣在标准节内,粗拧螺帽,不要太紧,以便后续调整,再用一根1m长的钢管水平扣在2根钢管上,粗拧螺帽,调整停车管位置,使停车管贴在停车爪下方中间位置,如下图13,然后紧固螺帽。 严禁立管口在标准节外,否则可能导致停层器损坏。 (9)附墙架安装 附墙架在二层设第一道,以后每层设一道。垂直拉杆必须以两标准节中心为基准对称设置,具体见上图14。 (10)上、下限位器安装 上限位器:用螺栓紧固在靠吊笼一侧的标准节中间,触头方向朝着吊笼,距上平台底部距离不小于2m。 下限位器:把吊笼运行到底部,接触缓冲器,停止,转动触头,使限位开关处于断开位置,把触头贴在停车器壳体下部,用螺栓紧固在标准接上。 (11)限载器安装 将限载器安装在第三个标准节的圆管上,拆下限载器的滑轮,将钢丝绳放入轮夹板之间,再装上滑轮,放松钢丝绳,用限载器把钢丝绳拉到位离标准节约30mm处,用扣件扣紧限载器。 十六.龙门架拆除 1、龙门架拆除必须经项目负责人同意; 2、龙门架拆除步骤及方法 3、标准节上端卡上小鹅头,小鹅头上个挂手拉葫芦,从两边同时用葫芦提升上平台,然后翻转上平台停车爪,使其出标准节外,并用14#铁丝固定。再从两边同时用手拉葫芦放下上平台至下一个标准节上端15cm处,解开铁丝,停住上平台,把吊笼开至离上平台约5米处,停车,拆下小鹅头、标准节的固定螺栓,钢丝绳通过把,一头栓好拆下的标准节,另一头栓在吊笼上,开卷扬机,使吊笼下降,标准节上升,离开平台10cm时停止。拆掉防护门,转动把杆,把标准节移出平台,开卷扬机提升吊笼,标准节下降,落至吊笼内。解开钢丝绳,开卷扬机使吊笼下降,运标准节到地面。重复上述步骤即可拆除升降机。 4、龙门架拆除要用作业滑架和操作平台,使用时要注意安全。拆除龙门架时严防整体拆卸,应该自上而下逐层拆除,不得先拆除上料平台。 十七、安全施工措施 (1)基础表面应平整,水平偏差不大于10毫米。 (2)必须严格执行方案中的龙门架安拆技术要求。 (3)分电箱距卷扬机的距离不大于5米。 (4)操作人员必须按照SSE-100型门架说明书要求进行操作与施工。 (5)龙门架架身纵横两方向轴线偏差不超过1.5‰。 (6)经验收和试车合格后,方能交付使用。 (7)操作使用及注意事项 1)操作者必须持主管部门颁发的操作上岗证,熟悉本设备技术性能,能熟练掌握卷扬机操作,注意及时停机,拉断总闸,严格防止冲顶和冲底事故。 2)龙门架严禁作为运输人员使用。 3)安全装置—停控层制、超载、超高限位必须由专人管理,并按规定进行调试检查,保持灵敏可靠,不许带病作业。一般情况下,每月及暴雨后,需对架体基础、钢丝绳的磨损程度、楔块抱闸、所有销轴、滚动轮、紧固件、各种弹簧、卷扬机等易损件和关键部件及立柱垂直度进行一次全面检查,发现问题及时维修。 4)导轨表面严禁涂抹任何油脂,以防抱闸失灵。 5)升降吊篮每班首次作业时,应作空载及满载试运行,检查制动灵敏可靠后方可投入运行。 6)吊篮内铺设不小于5cm厚木板,铺满、铺严。吊篮载物升降时,应使载荷均匀分布,严禁超载、偏载运行,禁止载人运行。 7)吊篮停靠就位,联络信号要做到准确无误。 8)吊篮停好后再打开防护门,防护门开启支稳后方可上人卸料。吊篮下降时,首先必须关好防护门,插好销轴后,再明确联络信号。 9)安装时,专职的操作机手参加安装调试,以便进行使用和调整维护的技术交底。 10)禁止在5级风以上作业,严禁非操作人员启动卷扬机。 11)下班时应放下吊篮,严禁将吊篮搁置在空中长时间停放,并要拉闸断电,锁好电源箱。
展开阅读全文

开通  VIP会员、SVIP会员  优惠大
下载10份以上建议开通VIP会员
下载20份以上建议开通SVIP会员


开通VIP      成为共赢上传

当前位置:首页 > 品牌综合 > 施工方案/组织设计

移动网页_全站_页脚广告1

关于我们      便捷服务       自信AI       AI导航        抽奖活动

©2010-2026 宁波自信网络信息技术有限公司  版权所有

客服电话:0574-28810668  投诉电话:18658249818

gongan.png浙公网安备33021202000488号   

icp.png浙ICP备2021020529号-1  |  浙B2-20240490  

关注我们 :微信公众号    抖音    微博    LOFTER 

客服