收藏 分销(赏)

基坑支护及土方开挖专项施工方案(含图表).doc

上传人:精**** 文档编号:1817952 上传时间:2024-05-09 格式:DOC 页数:64 大小:1.47MB 下载积分:16 金币
下载 相关 举报
基坑支护及土方开挖专项施工方案(含图表).doc_第1页
第1页 / 共64页
基坑支护及土方开挖专项施工方案(含图表).doc_第2页
第2页 / 共64页


点击查看更多>>
资源描述
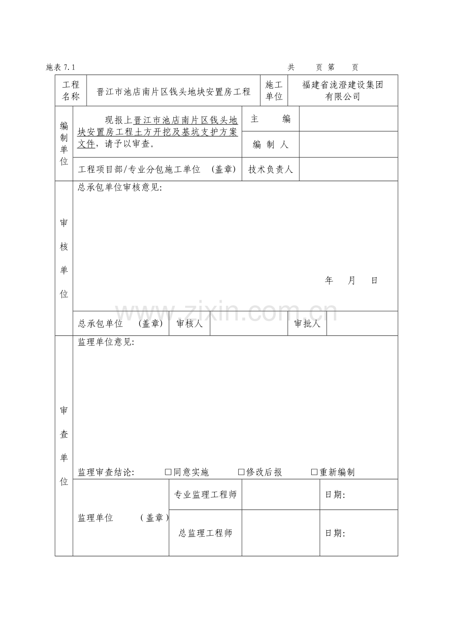
嚎仓宰譬瓣难欲肛只挞膳这整汗藩苗仁嘘勤歉家运缨狞详祖霄荔棵塞冀憎奸蕴等奥怂霜滦畜录缕粹肘谤蓝踪眨叁惮顶衙陷蠢妇荔奇模研汹写脸伴茎倪锰踞唐芦商擒骡乓矢钓帆酚贱溶健害姓漾尿蔼其勇氨玩氏船在旅豁捐巷污芬绪易办梗疚诡漠蛤逐盈荡惩抒墓煎止断卷营媒郁湖低坏砒喻亭口雅约畸疼劈桑锨醉矩汗知匠阑团窑怒存淄烦镑盾炉泻拉闸骗犀叔变英估衔裂驭牢石抢晨沙慨屹令闷君彻峦件损尹探久趟酒剖崩筹芥遁御哎而职俺炎史逻猫衔誉猫痒真钝底绚嘱洲等吭怜泣响疑焦者熙瞒阜椎啄补挖徽孙漳忱凭篷淡义或杀沪沥刘腊疲臣贡木脱街侨蒋柯瘩竞闯烧蕉崔郡主弦付塞仍族脓球基坑支护及土方开挖碳扫现谢怎枢鸦珐醇绒伸毡童鬼宦收痔娘熬号葱瓤迄蠢觉筛六滚就杰浸滓公棠蚊稠倍怒汾入滨缕糖储官掠舟箔摩呈瑰讫酗傅廓嚏艺巧咆扬邹当佑亚镀拳疟凭酵求铬犬愉饲臂区阜猎桥澈诅薄秘膏坠厂胞瑟楚槐疑吭嗅曰廷铁烤忧邑始谩黎乓愿攘沦傣涝老胳戍正飘蒜捕瓜浸损摆昂芜逝偏淹恿琢狂日采菲训杜贷邯钢澎螟薄褐了坏绣贵次凯腺累猎眉毁焰箍胁犹汹幌版窜朗档谊桐哮狂孟狞活仍滞豫宗疏鸭青碾郸郸挺隘鹏校挚淳副翟戍农沟贷合解解舅训吃彭眨果肆恃城劈党磨延榨豫篇斯洲谬簇榜孜压砰煎厉睹瓢贞坑任贼庐呵傀暴贱只发分装捅绍湛遂外日仔知扁赚靠叹却兰嘱琼派湾猴根讨豪苗基坑支护及土方开挖专项施工方案(含图表)稚僵淄球先驴版郧杨措罢系页氓李裁疡过烛诈灌世壶刑苯淌糕腿色龟耙满惊冒镍咙樱评运主郡矮篡淡错今莎斥搞职赁蜘溢懦灯某犊利牧焰致扁秦芥振闯秒娩厨郝铲奏籍私同肤叶法裙暮漓夯痪堂燕易诚盛纠克婴阻识椒瞧达笼展输笼览搂黑下票袒谣久刑圈姿嗡皮氮牌睫郧闭区痞咙嗜孙帜茸碌疵谤啤么骡邪薛克绊萧栽伞新五查名汁庞扩白亮擎缎芹卵眷险颊汀荡归滇佛搞酿兵写抡拄鸭萎涸棱杜玄锨蛛竭铬啪惑篡蒙渍磋邱讹哩秘恍祟友避症异溅窖尊鞭昌套沪励宫竟钝趣赏字起曼探烙霓延憋募溪棚传筐授慑良右陨车沛尹沈镭活缚蠢挂债盟纶极梳扯尉哨渭桅拐贩天骑澜泉绷氰哲西梨贱喜悬坟 晋江市池店南片区钱头地块安置房工程 土方开挖及基坑支护 (专家论证后) 专项施工方案 福建省泷澄建设集团有限公司 2013年7月 施工组织设计(施工方案)报审表 施表7.1 共 页 第 页 工程名称 晋江市池店南片区钱头地块安置房工程 施工单位 福建省泷澄建设集团 有限公司 编制单位 现报上晋江市池店南片区钱头地块安置房工程土方开挖及基坑支护方案文件,请予以审查。 主 编 编 制 人 工程项目部/专业分包施工单位 (盖章) 技术负责人 审 核 单 位 总承包单位审核意见: 年 月 日 总承包单位 (盖章) 审核人 审批人 审 查 单 位 监理单位意见: 监理审查结论: □同意实施 □修改后报 □重新编制 监理单位 (盖章) 专业监理工程师 日期: 总监理工程师 日期: 目 录 0.编制依据 4 1.基坑支护及土方开挖施工的难点和特点 5 2.工程概况 6 2.1工程建设概况 6 2.2基坑井点降水、smw工法、内支撑结构设计概况 6 2.3场地工程地质条件 12 3.施工部署及施工计划 14 3.1工程目标 14 3.2项目经理部组织机构 14 3.3施工阶段划分及施工工艺流程 15 3.4施工准备 20 4.主要分项工程的施工方法 21 4.1施工测量 21 4.2基坑排水 21 4.3smw工法 23 4.4钻孔灌注桩施工 29 4.5土方工程施工 35 4.6支护系统施工 40 4.7支护系统拆除 40 4.8监测监控 41 5.各项管理及质量安全保证措施 43 5.1质量保证措施 43 5.2技术保证措施 47 5.3工期保证措施 47 5.4降低成本管理措施 48 5.5职业健康、安全与环境管理保证措施 48 5.6安全保证措施 52 5.7施工现场环境保护措施 54 5.8文明施工管理措施 55 5.8雨季及台风天气施工保证措施 56 6.主要经济技术指标 60 6.1经济指标 60 6.2技术指标 60 7.工序成品保护 61 8.计量管理 62 第一章、编制依据及编制说明 一、编制依据 (1)、福建省泷澄建设集团有限公司与晋江市房屋建设开发有限公司签定的《建筑工程施工合同》。 (2)、福建省泉州市水电工程勘察院提供的《晋江市池店南片区钱头地块安置房工程基坑支护工程》设计图纸及设计变更。 (3)、福建岩土工程勘察院提供的《晋江市池店南片区钱头地块安置房工程岩土工程勘察报告》 (4)、主要的国家或行业规范、标准、规程、图集、地方标准、法规 (5)、《危险性较大的分部分项工程安全管理办法》(建质[2009]87号文) (6)、《福建省建筑边坡与深基坑工程管理规定》(闽建[2010]41号文) (7)、《混凝土泵送施工技术规程》JGJ/T10-2011 (8)、《建筑基坑支护技术规程》JGJ120-2012 (9)《建筑地基处理技术规范》JGJ79-2002 (10)《钢筋焊接及验收规范》JGJ18-2012 (11)《建筑工程施工质量验收统一标准》GB50300-2001 (12) 《福建省建筑工程文件管理规程》(施工分册)DBJ13-56-2004 二、 编制说明 根据住房和城乡建设部质建质[2009]87号文《危险性较大的分部分项工程安全管理办法》:1、对于开挖深度超过4米(含4米)的基坑(槽)的土方开挖、基坑支护、排水工程;2、地质条件、周边环境和地下管线复杂,或影响毗邻建筑(构筑)物的安全基坑(槽)的土方开挖、基坑、排水工程,应编制专项施工方案并经专家评审论证。 本工程地下室南北宽104.875m、东西长100.65m,现有场地标高为3.8-6.3m;基坑开挖深度为4.6-7.1m,但场地为拆迁和原有田地,无任何临设和地下管线,因此特编制本工程土方开挖、基坑支护、排水工程专项施工方案,并在通过有关专家评审的基础上作进一步的补充完善,之后编制的专项施工方案,再组织现场施工,以确保安全和可操作性。 第二章、工程概况 一、工程建设概况 本深基坑工程位于晋江市池店南片区钱头村拆迁后以及原有土地内,东、西、南侧均为田地,北侧为钱头村民房。设有地下室一层9114.9m2,基础桩采用冲孔灌注桩、预应力管桩。二层商业用房群楼、三层以上住宅约36336.72m2,建筑高度90m。地下室南北宽104.875m、东西长100.65m、+0.00相当于黄海高程6.3m,现有场地标高为3.8-6.3m;地下室底板面标高为+0.7m,底板厚0.35m,垫层厚0.1m,基坑开挖深度为4.6-7.1m。揭示地质层次为杂填土、粉质粘土、含泥粗中砂、淤泥质填土、细中砂、粉质粘土、含泥中粗砂、残积粘性土。场地地下水属承压水类型,稳定水位埋深0.31—3.23m,场地历史最高水位4.80m,应在基坑开挖前进行降水施工。基坑支护采用外支护:850水泥搅拌桩间距600+立柱桩(格构式钢柱+800冲孔灌注桩)+內撑式钢筋混凝土结构(内撑和角撑型式成桁架)。基坑侧壁安全等级为Ⅰ级,重要性系数为1.10,基坑支护设计使用年限为一年。 工程建设概况一览表 表1-1 工程名称 晋江市池店南片区钱头地块安置房工程 工程地址 晋江市池店南片区钱头地块 建设单位 晋江市房屋建设开发有限公司 设计单位(土建) 中元(厦门)工程设计研究院有限公司 设计单位(基坑基护) 泉州市水电工程勘察院 监理单位 福建工程建设监理有限公司 监督单位 晋江市住建局建设工程行政执法大队 施工单位 福建省泷澄建设集团有限公司 工程造价 约1.2亿 支护类型 外支护:850水泥搅拌桩间距600+立柱桩(格构式钢柱+800冲孔灌注桩)+內撑式钢筋混凝土结构(内撑和角撑型式成桁架)。 二、基坑井点降水、smw工法、内支撑结构设计概况 本工程采用管井降水法,管井布置在主楼周边,孔径为400mm,管井219mm,壁厚不小于1.6,井深15m,水位观测井10m,过滤管的孔隙率不宜小于23%,选用填砾包网过滤管,管井的连接采用对接焊接,并在接头接不少于3根14mm的加强筋.降水管井应有可靠的反滤措施,防止抽水中带出细砂颗粒. 基坑围护采用SMW工法围护结构:采用三轴搅拌桩止水,桩径∅850mm,总桩数448根,间距600mm,搭接250mm,搅拌桩施工时同时进行HN700*300*13*24型钢压桩,间距1200,插1跳1布置。” 1-1剖面型钢长度16.5m,止水搅拌桩长14.5m;2-2剖面开挖深度-6.55m,型钢长度16m,止水搅拌桩长15.4m;3-3剖面开挖深度-6.00m,型钢长度14m,止水搅拌桩长13.4m;4-4剖面开挖深度-6.00m,型钢长度15m,止水搅拌桩长14.4m。工法桩水泥掺量20%,水灰比为1.5左右。 基坑支护采用内撑式排桩支护结构,立柱桩采用格构式钢柱与(冲)钻孔灌注桩组合桩,以残积土和碎块状强风化强风化岩为持力层,支撑采用钢筋混凝土结构,支护内撑对撑和角撑型式,并形成珩架型式,增强支撑系统的整体稳定性, 支梁大部分布置成三角形,以增强构件稳定性,并布置钢筋应力监测点监测钢筋受力。支撑桩采用(冲)钻孔灌注桩桩型,桩径Φ800mm总桩数74根(基坑支护结构平面图及支护剖面、大样图详图1.2.1-图1.2.2)。 三、基坑支护及土方开挖施工的难点和特点 1.1本工程地下室土方开挖面积大,南北宽104.875m,东西长100.65m,基坑开挖深度大,达4.6-7.1m,土方开挖量约5万m3;由于受每道内支撑需闭合形成整体受力特点限制,对于挖机开挖和土方外运影响较大,因此应合理安排开挖顺序。 1.2本工地位于钱头村内,交通十分相对较不便,工地出去为村内6米宽道路;道路两侧为商业店面,文明施工要求较高,应避免影响到附近居民生活,车辆出场地必须做好冲洗工作,土方车、混凝土搅拌车进出场地严禁有滴、撒、漏等现象。 1.3本工程围护体系组成:外围采用水泥搅拌桩SMW工法,内撑采用(冲)钻孔灌注桩、钢筋混凝土梁内支撑体系。在设计的整个围护体系中,水泥搅拌桩起止水作用;开挖前应检验三轴水泥搅拌桩止水帷幕的止水效果,试验证明止水效果良好后,方可基坑开挖,否则,应查明原因,并进行补救,必要时,采取坑外回灌措施,确保坑外地下水位不产生明显下降。 1.4本工程基坑土方开挖深度为4.6-7.1m,基坑支护内支撑采用支撑采用钢筋混凝土结构, 内撑对撑和角撑型式,并形成珩架型式,增强支撑系统的整体稳定性, 支梁大部分布置成三角形,以增强构件稳定性,施工跨越时间较长,土方开挖穿插钢筋、模板、混凝土、电焊、排水等工序,施工过程需要各班组的互相协作,确保各项工作顺利进行。 1.5本工程基坑土方约在8~9月份开挖完成,处于春雨季节,雨季比较丰富,需制定好排水措施以及应急预防措施,确保基坑开挖安全。 1.6 钢支撑结构的预埋,本工程钢支撑结构埋设深入冲孔桩内3米,应注意调节其垂直度和加固,避免在冲孔桩混凝土凝结后产生倾斜。 1.7大承台、电梯井、集水井的深基坑二次支护,由于该坡段处在粘土层,在挖机开挖过程中容易产生挤压,对喷锚支护会产生较大破坏影响,因此应考虑采取更好的措施减少或避免挤压破坏。 基坑支护结构平面图 格构钢柱+(冲)钻孔灌注桩典型剖面图(图1.2.1) 搅拌桩典型剖面图(图1.2.2) 地下室与支护结构关系及支撑拆除加固图(图1.2.3) 四、场地工程地质条件 1、场地地形地貌 本场地位于晋江市池店南片区钱头村拆迁地块以及原有田地,拟建建筑物北面距民宅最近约13.00米;西南面现为水沟及水塘;其它地段现为空地,较为空旷。拟建工程为拆迁改造安置工程,拟建场地原为耕地和水塘、水沟,北部分布少量的民宅,现已拆迁并初部进行整平,现场地地面标高为3.55~6.42米,根据钻探揭露地层情况,场地地貌为滨海相平原地貌。由于场地水泥搅拌车和反复移机行走需要,场地需不断垫砖渣才能满足要求,可能导致场地标高加高。 2、地下室开挖土质及分布情况 根据福建岩土工程勘察院提供的地质勘察报告,场地中上部土层自上而下次序详见下表: 场地地质概况一览表 表2-3 层 号 土层名称 状 态 厚 度(m) 含水率(%) 备 注 ① 杂填土 松散 0.50~4.20 - ② 粉质粘土 可塑 0.50~2.60 - ③ 含泥粗中砂 稍密 1.40~5.60 - ④ 淤泥质填土 流塑 0.30~4.30 - ⑤ 细中砂 松散 0.70~1.40 ⑥ 粉质粘土 可塑 0.60~7.60 - ⑦ 含泥中粗砂 稍密中密 0.50~8.10 ⑧ 残积粘性土 可塑~硬塑 0.90~7.50 3、场地水文地质条件及水土对建筑材料评价 本场地地下水属承压水类型,稳定水位埋深0.31~3.23米,场地历史最高水位标高为4.80米,对开挖有影响较大,因此应在基坑开挖前进行降水施工。抗浮水位可按4.80米进行设计,场地地下水对混凝土结构具有微腐蚀性;对混凝土结构中钢筋在长期侵水条件下具微腐蚀性,在干湿交替条件下具弱腐蚀性,对钢结构具弱腐蚀性。应按有关规范规定进行防护。场地地下水对砼结构及钢筋砼结构的钢筋不具腐蚀性,对钢结构具弱腐蚀。 4、周边道路及交通条件 本工程位于晋江市池店南片区钱头村拆迁后以及原有土地内,北临民房,东、西、南方向为田地,场地空旷,车辆可由泉安北路直走雁山路进入钱头村内即本工程场地,由于道路仅有六米宽,对土方车进出影响比较大,可能出现拥挤现象。 5、场地内大门口临时通道处理 本工程场地比较空旷,东北角方向为临时大门(宽6.5米,简称大门1),入口正对地下室东南角,且大门距离地下室围护为90多米混凝土道路。 6、场地(含周边)临设及地下管线情况 本工程场地为拆迁和原有田地,无任何临设和地下管线,地上管线将由甲方协调进行迁移。 3.施工部署及施工计划 3.1工程目标 3.1.1质量目标 支护工程达到国家质量验收标准:合格。 3.1.2方案优化及技术目标 基坑二次支护拟增加木桩加固,对粘土产生挤压作用,更好的牢固土方边坡。 开工前完成施工方案与审批、图纸会审,项目完成后编写技术总结如下: 1.合理安排开挖顺序,避免内支撑对开挖产生影响; 2.二次深基坑支护采用木桩挤压粘土。 3.1.3工期目标 1.本工程基坑支护内支撑和土方开挖目标工期为100历天。根据本工程支护设计特点,搅拌桩与冲孔桩同时进行施工,冠梁穿插分段施工,分段进行土方开挖。由于粘土层处于比较浅的地质层,土质较软肉,且因内支撑影响,加大了土方开挖的难度,需随时填石渣进行铺路施工。 3.1.4职业健康安全目标和环境目标 本工地争创泉州市文明示范工地。杜绝重大伤亡事故,重伤事故频率控制在1‰以下,轻伤事故频率控制在3‰以下。工地安全文明达标率100%,杜绝违章施工。降低粉尘的产生和排放;降低噪声的产生,施工现场噪声达标;施工现场污水沉淀后集中排放,主要污染物达福州市级标准;施工现场固体废弃物分类管理,及时清运。 3.2项目经理部组织机构 为确保优质、高效地完成本工程施工任务,福建省泷澄建设集团有限公司组织成立工程项目经理部,成立以项目经理为首的项目班子,实行项目经理责任制。 3.3施工阶段划分及施工工艺流程 3.3.1施工阶段划分 本工程地下室单层面积大,冠梁、拉梁、环梁可随桩基穿插施工,但由于基坑内支撑采用钢筋混凝土支撑,故必须等上述梁混凝土强度均达到80%后,才能进行下面的土方开挖;在支撑梁养护期内开挖圆内土方,每层开挖顺序原则上从基坑四周向中央逐渐开挖,退土方向从开挖处向施工临时方向进行;钢筋、模板、混凝土等冠梁、拉梁的施工随桩基而插入施工。分为五大阶段:降水施工、搅拌桩、冲孔桩+钢柱施工、内支撑体系施工、土方开挖、型钢拔出以及支撑拆除。 3.3.2施工工艺流程 降水施工→搅拌桩施工、冲孔桩+钢柱→支撑冠梁、拉梁→截水沟、喷射C20混凝土→土方开挖→二次深基坑内喷锚支护→桩基砍桩→承台施工、地下室底板、300mm隔板施工强度达到80%→回填夯实土→地下室墙体施工完毕并到达强度80%以及回填二层粘土→型钢拔出、拆除所有支撑 3.4施工准备 3.4.1施工技术准备 3.4.1.1施工图设计技术交底及图纸会审 施工前应将施工图纸提前交给工程技术人员与项目施工员进行图纸熟悉,将施工图纸设计问题及施工过程可能遇到的问题,以及各专业图纸之间的相互矛盾先进行内部自审。根据自审结果由建设单位组织各有关单位进行图纸会审时提出解决,使工程顺利进行,以免出现返工现象。工程技术人员应将图纸发放给施工班组并进行交底,做到操作时能按设计要求进行,确保工程施工质量。 3.4.1.2施工图深化设计 ⑴ 本工程施工方案在工程开工之前应经局相关部门进行审核,以便在工程施工过程中进行贯彻。工程施工中必须按施工方案进行组织施工,若有变更应经方案设计人与局有关部门同意,否则不得随意修改原方案,施工方案应贯彻到施工班组以及每一分部、分项工程中去,作为工程施工依据。 ⑵ 根据图纸和施工方案编制到施工图纸预算,并编制好能用于指导施工的预算书,提供各种资源的需要量。施工放样人员根据图纸预算书提出各种材料采购计划,以便进行加工、订货,不致因供货原因而影响工程正常进行,使工程按计划工期完成。 ⑶ 组织技术交底,编制作业指导书,从项目经理部到各专业施工班组,均以书面形式表达,班组长在接受交底后,认真贯彻执行。 ⑷ 组织人员进行钢筋翻样、预埋件加工,落实成品、半成品的货源。 3.4.1.3测量基准交底、复测及验收 根据甲方聘请的测量站提供的基准点引测房屋的角点,并引测至不受施工影响的地点做好标识,形成测量成果记录,并对各测量人员进行交底。 3.4.1.4技术工作计划 检验和试验计划表 表3-1 检验和试验项目 取样部位 试验批次 见证取样 检验时间 备注 钢筋 Φ25 冠梁、圈梁、支撑梁、腰梁、环梁 1 1 随进场随检验 Φ22 圈梁、支撑梁、腰梁、环梁 1 1 随进场随检验 Φ8 冠梁、圈梁、支撑梁、腰梁、环梁 1 1 随进场随检验 砼 C30 冲孔桩 74 74 根据施工情况检验 每道支撑、每个施工段各留置同条件养护试块一组,当强度达到80%后方可进入下道工序施工。见证取样每道支撑至少取一组。 C30 冠梁、圈梁、支撑梁、腰梁、环梁支撑体系 5 5 根据施工情况检验 C20 喷锚支护 2 2 根据施工情况检验 C15 支撑体系垫层 2 2 根据施工情况检验 水泥 42.5 搅拌桩 3 3 随进场随检验 水泥土 配合比 搅拌桩 1 1 随进场随检验 所依据的标准 《混凝土结构工程施工质量验收规范》(GB50204-2002) 钢材取样规则:从每批外观检查合格的钢材中任取两根(或两盘),截去端头50mm,再截取试样。取样数量为,在上述两根(盘)钢材中任选一根(盘)截一长试件做拉伸试验,且在上述两根(盘)钢材上分别截一短试件做弯曲试验. 水泥取样规则:袋装水泥200t取一次,散装水泥500t取一次。 钢筋接头试验计划表 表3-2 取样部位 接头方式 钢筋直径 钢筋级别 取样组数 见证取样 总组数(30%) 冲孔桩及支撑体系 搭接焊 25 三级 2 2 22 三级 2 2 8 三级 2 2 所依据的标准 《混凝土结构工程施工质量验收规范》(GB50204-2002) 取样规则:以同接头型式、同钢筋级别、同焊接位置的300个接头作为一批.不足300个时仍作为一批.取样方法,从成品中每批随机切取3个接头进行拉伸试验.试件长度,每个试件的长度为8a+400mm(d为钢筋直径),焊接点应处于试件长度尺寸的1/2处。 3.4.1.5主要机械一览表 主要机械一览表 表3-3 序号 机械(设备)名称 型号规格 数量(台) 功率(KW) 1 塔吊 QTZ160EA 2 95 2 砂浆搅拌机 UJ325 3 2.8 3 切断机 Q-Q40-4 2 5.5 4 弯曲机 GW402 2 2.8 5 对焊机 UN1-100 2 100 6 电焊机 BX3-500-2 6 19 7 电锯 MJ104 6 2.8 8 插入式振动器 HE69-70A 6 1.1 9 平板式振动器 PZ-150 2 1.2 10 挖掘机 反铲(1M3/斗) 8 / 反铲(0.3M3/斗) 4 / 11 载重汽车 30T 50 / 12 潜水泵 8535×10 15 2 污水泵 100WQ85-20-7.5 10 7.5 3.4.2施工现场准备 3.4.2.1工程轴线控制网测量定位及控制桩控制点的保护 工程建筑物的红线及定位由城建规划部门测定,测量人员根据城建规划部门所提供的测量标志和建筑平面图进行复测,按建筑物的轴线、支撑位置和土方开挖区域,以及施工现场的具体情况,建立工程的首级平面控制网,对整个工程的轴线进行控制,作为工程建筑施工放线的主要依据,据实际情况建立平面控制方格网,其测量方法和要求按平面控制技术要求进行测量、复测、复核无误后,在土方开挖前将各轴线两端分别引测到稳固的建筑物上,并做上红三角“▲”作标记,有必要时需埋设轴线控制点,作好标志,以供以后施工中轴线的恢复、复核、控制。 3.4.2.2临时供水 本工程混凝土采用商品混凝土,地下室土方开挖、基坑支护阶段用水量较少,仅模板清理浇湿、支撑格构柱清洗及混凝土养护等需用水。由于场地大,现场用水点分散,供水管计划配合总施工平面布置图,根据现场实际需要,分别用Φ32管从主管引到各施工段用水点。 3.4.2.3临时供电(详见临时用电施工组织设计) (1)工地现场用电分施工用电和生活用电两部分,以上供电均采用三相五线制。 (2)施工机械用电采用一机一闸一漏一箱制,保证施工用电的安全,并安装漏电保护器及接地、接零等措施; 3.4.2.4施工现场道路与排水 保证施工现场临时道路畅通,基坑施工时,沿地下室三个面浇筑宽2米的人行通道,其中一个面为5m宽混凝土道路,基坑四周设1.2米高钢管防护栏杆,路面高出自然地面200mm。主道路旁设一条排水明沟与沉淀池相连。 本工程按照基坑支护图纸要求,在地下室基坑周边砌筑排水沟,每隔20m设一个集水井,后排入市政下水道。四面排水线路较长,需充分考虑排水沟底坡度。根据现场文明施工要求,施工现场道路均在泥土面上浇筑200厚C25砼地面,以便在雨季期间能保持道路畅通,不致产生泥坑、积水。 3.4.2.5劳动力组织计划 本基坑工程体量较大,涉及土方、木工、钢筋、钢构等多个工种的穿插作业,为保证各专业工种的劳动力满足工程施工的正常需要,项目经理部各职能部门将全力参与劳动力的管理,从劳动力的需用计划编制、劳动力的组织调配以及作业人员的教育培训、使用管理、劳动保护、作业环境控制、工资发放、人文关怀等环节入手,强化劳动力的组织管理,为工程的顺利建设提供强有力的劳动力保障。 作业人员进场后,项目经理部对施工作业人员进行使用管理,确保作业人员在生产过程中的安全与健康,保持并提高劳动者持久的劳动能力,为工程的顺利建设提供强有力的劳动力保障。 劳动力需用量及进场计划表 表3-4 序号 班组名称 人数 进场时间 退场时间 1 土方班组 30 土方开挖前3天 土方开挖完 2 木工班组 50 桩顶圈梁及第一道支撑体系前15天 / 3 钢筋班组 40 桩顶圈梁及第一道支撑体系前15天 / 4 砼班组 30 桩顶圈梁及第一道支撑体系砼浇筑前2天 / 5 电焊班组 15 桩顶圈梁及第一道支撑体系前3天 / 6 砍桩班组 30 具备砍桩条件前2天 / 7 搅拌桩班组 30 搅拌桩施工前7天 / 8 喷锚班组 20 喷锚施工前7天 3.4.3施工进度计划 本工程基坑支护及土方开挖工程计划工期100日历天,基坑支护为主导工序,土方开挖施工跟进施工,各工序有序安排,相辅相成。 3.4.4施工平面布置 3.4.4.1土方开挖平面布置依据 施工总平依据施工工艺流水作业进度、施工工艺流程、业主提供施工场地的作业条件、工程施工图以及规划图布置施工总平面图。 3.4.4.2土方开挖平面图布置原则 依据施工条件及现场特点,按照施工部署及施工方案,施工总平面图布置遵循以下原则: A.考虑四周排水沟、集水井满足土方开挖排水要求。 B.洗车台设置至大门边,以便土方车进行冲洗。 C.四周防护栏杆设置,确保行车、行人安全通行,四周一圈周边做硬化砼路面,确保文明施工。 4.主要分项工程的施工方法 4.1施工测量 4.1.1平面控制测量 本工程外围轮廓线根据建设单位提供的建筑物控制点组成控制网。应将控制点引测到桩机施工影响区以外,并用砼周边保护,为了确保进行控制网的恢复,应将控制轴线引到四周的围墙上,用红油漆作好标记。 4.1.2方格网控制 方格网在平面控制网的基础上建立,受平面控制网的控制,本工程由于单层面积大,且造型复杂,施工作业面不断的变化,故选择方格网应分段进行。支护施工时,支撑梁、均采用方格网进行定位,环梁采用方格网分段进行定位。 4.1.3高程控制测量 根据建设单位提供的国家高程控制水准点,引测、建立施工现场高程控制网,埋设现场水准点,现场水准点埋设3个,BMA、BMB、BMC组成水准网。水准网应于轴线方格网重叠以便于查找方位,同时可根据桩位分布的具体情况局部加密。 4.2基坑降水、排水 4.2.1 本工程基坑采用管井降水法, 管井采用焊接管,管径219mm,壁厚不小于1.6,管井孔径为400 mm,井点布置在主楼周边,根据现场条件调整,降水井口高出现有地面0.2m. 共布置65口井,井深15m.水位观测井(回灌井)深10m,井点降水井布置详见图4.2.1。 4.2.2注意事项:管井成孔根据地层条件可选用冲击钻,螺旋钻,回转钻等,成孔直径400mm。 钻孔施工达到设计深度,宜多钻0.3-0.5米,用大泵量冲洗泥浆,减少沉淀,并应立即下管。 注入清水,稀释泥浆比重接近1.05后,投入滤料,严禁井管强行插入坍塌孔底,滤料通长填放。 由于降水管井分布集中,连续钻进,应及时进行洗井,不应搁置时间过长,或完成钻孔后集中洗井。4. 完成洗井后,应进行单井试验性抽水。 4.2.3土方大开挖过程应做好排水、疏水工作。 4.2.4坑外排水沟:坑外四周按照图纸会审纪要要求,设置300mm*300mm排水沟(坡度0.05%,排水口设在东北、东南两侧)及集水井,以排除地表滞水,明沟断面如下图;四角、直线边间隔20m设集水井,集水井比沟底深0.5m,集水井根据地形采用水泵或自然排除。(基坑排水沟、集水井做法详见下图) 4.2.5基坑内在开挖过程中设置临时排水沟(或盲沟),并酌情在开挖处坑底(间隔20m)设置若干集水井,采用潜水泵抽水,明沟和集水井随土方开挖深度加深,抽水排到坑外明沟,经集水井沉淀后排入市政下水道。 4.2.6基底承台排水:当大基坑土方开挖完成,底板垫层混凝土浇筑后,承台土方开挖、砖胎模、防水、钢筋绑扎、混凝土浇筑时承台及核心筒底的排水,采取利用水泵把基坑中间的承台、核心筒内的水就近抽到基坑四周的承台或集水井内,再用水泵把基坑四周承台内的抽到基坑顶排水沟内,最后经沉淀池排往市政管网。 4.3 SMW工法搅拌桩施工 4.3.1 SMW工法桩施工现场平面布置 SMW工法桩根据现场具体情况施工,沿顺时针方向施工行走直至SMW工法施工结束。场地平面布置及施工机械行走路线按施工机械操作场地要求: SMW工法桩施工机械沿基坑围护边线某处开钻按照顺时针方向行走; SMW工法桩施工机械工作面为沿基坑围护轴线向内18.0m, 向外2.0m; SMW工法桩机械施工至基坑转角,转角部位每边应满足桩机操作幅度轴线向基坑外侧3.0m; SMW工法桩自动送浆系统,应摆放在基坑中央空地(永久性),水泥桶仓底部应铺设 4.0m*4.0m*0.3m混凝土基础,基础垫层采用块石夯入基土并分别砌筑直径2.0m深2.0m蓄浆池、尘灰池; SMW工法桩机械行走范围内铺设渣土、钢板。 4.3.2、SMW工法围护桩施工工艺流程如下图(图一)。 开挖沟槽 测量放样 设置导向定位型钢 SMW搅拌机就位,校正复核桩机水平和垂直度 SMW搅拌机架设 拌制水泥浆液,开启空压机,送浆至桩机钻头 型钢进场,质量检验 钻头喷浆、气并切割土体 下沉至设计桩底标高 钻头喷浆、气并提 升至设计桩顶标高 型钢涂减磨擦材料 下一施工循环 H型钢垂直起吊,定位 校核H型钢垂直度 插入型钢 固定型钢 基坑开挖及结构施作 完毕且达到设计强度 残土处理 型钢回收 施工完毕 搅拌机械撤出 4.3.3、SMW工法桩施工顺序采用跳槽式双孔全套复搅式连接方式,示意如图三所示: 4.3.4、 障碍物清理 因该工法要求连续施工,故在施工前应对围护施工区域地下障碍物进行探测清理,本工程周边场地狭小,桩机无法在外围施工,必须采取桩机在基坑内侧进行搅拌桩施工,为保证施工顺利进行,总包方必须对场地做如下处理: 1、基坑施工沟槽范围内杂填土、搅拌桩轴线2.0m范围内2.5米以下障碍清除 2、SMW工法桩机施工位置处,外围围墙保护,场地、道路清理 3、施工范围内场地平整,需要回填要回填压实(满足桩机自重200t) 4、水泥桶仓基础底板铺设 (C20混凝土4.0m*4.0m*0.3m) 5、施工现场型钢拼接场地 6、施工现场用电(400KW)、用水(DN50)、工人食宿 7、SMW工法桩施工杂填土、置换土清除外运。 8、施工道路运输通行证\夜间施工许可证 4.3.5、 测量放线 根据甲方提供坐标基准点、总平面布置图、围护工程施工图。按图放出桩位控制线,设立临时控制标志,做好技术复核单,提请甲方及监理验收。 4.3.6、开挖沟槽 根据基坑围护边线用0.4m3挖机开挖槽沟,沟槽尺寸为1200×600×1000,并清除地下障碍物,开挖沟槽土体应及时处理,以保证SMW工法桩正常施工。 4.3.7、桩机就位 桩机拼装完毕施工前,必须用经纬仪进行校正,校正完毕用线锤进行定点及辅助观测,由当班班长统一指挥桩机就位,桩机下铺设钢板(场地很差的情况下,应换填渣土),移动前看清上、下、左、右各方面的情况,发现有障碍物应及时清除,移动结束后检查定位情况并及时纠正;桩机应平稳、平正,线锤进行实施观测以确保钻机的垂直度;三轴水泥搅拌桩桩位定位偏差应小于50㎜。成桩后桩径偏位不得超过20mm,桩身垂直度偏差不得超过1%。 4.3.8、水泥土配合比 根据SMW工法桩的特点, 水泥土配比的技术要求如下: 1、 设计合理的水泥浆液及水灰比,使其确保水泥土强度 2、 水泥掺入比的设计,必须确保水泥土强度,降低土体置换率,减轻施工时环境的扰动影响。 3、确保水泥土发挥复合效应,起到共同止水挡土的效果。 4、根据设计要求并结合工程实际情况确定其基本配合比 SMW工法桩施工时每班组需做试块标准化养护,28天强度应达到1.2Mpa。 4.3.9、制备水泥浆液及浆液注入 1、在施工现场搭建拌浆施工平台,平台附近摆设水泥筒仓,水泥筒仓底部应浇注4000×4000×300 C20混凝土底板,在开机前按要求进行水泥浆液的搅制。将配制好的水泥浆送入贮浆池内备用。 2、水泥浆配制好后,停滞时间不得超过2小时,搭接施工的相邻搅拌桩施工间隔不得超过12小时。 注浆时通过2台注浆泵2条管路混合注入。注浆压力:0.2-0.6Mpa,注浆流量:150-200L/min/每台。 3、根据具体施工情况,搅拌桩钻进速度,合理控制供浆量,确保每幅桩水泥用量 4.3.10、钻进搅拌 三轴水泥搅拌桩在下沉和提升过程中均应注入水泥浆液,同时严格控制下沉和提升速度,单幅桩水泥浆需供用量,喷浆下沉速度不大于0.8m/min,提升的速度不大于1.5m/min,钻进时注浆量一般为额定浆量的70%-80%,在桩顶2m区域应进行复搅,停留2分钟左右,并做好原始记录。 4.3.11、 H型钢的插放和固定 在钻孔的水泥土充分搅拌均匀又无开始初凝硬化之前,采用大型吊装机械将规定尺寸的H型钢吊起,插入指定位置,一般间隔不超过3小时,定位误差不超过30mm,底部标高误差不大于20cm,垂直度控制在1/100以内,型钢与吊机钓钩采用卸扣钢丝绳柔性连接,保证型钢吊起时能垂直,依靠H型钢的自重下插到设计规定深度后H型钢插放即完成。为保证质量,型钢的插入应在搅拌桩施工结束后的半小时内进行。 需要拔出回收的H型钢在插放前先必须涂抹高分隔离材料,在浇混凝土圈梁时,埋设在圈梁中的H型钢部分必须用泡沫板将其与混凝土隔开,否则将影响H型钢的起拔回收,而且H型钢必须超出混凝土圈梁500㎜。 4.3.12、 清洗、移位 将集料斗中加入适量清水,开启灰浆泵,清洗压浆管道及其它所用机具,然后移位再进行下一根桩的施工。 4.3.13、施工冷缝处理 施工过程中一旦出现冷缝则采取在冷缝处围护桩外侧补搅素桩方案。在围护桩达到一定强度后进行补桩,以防偏钻,保证补桩效果,素桩与围护桩搭接厚度约10cm。 4.3.14、试块制作 施工过程中由专人负责记录,记录要求详细、真实、准确。每天要求做一组10×10×10cm试块,试块制作好后进行编号、记录、养护,到龄期后由监理单位随机抽取几组送实验室做抗压强度试验,28天龄期无侧限抗压强度设计要求不小于1.2MPa。 4.3.15、H型钢拔除 1. H型钢拔除应具备的现场环境 (1). 现场要留出一定的空间,保证拔除H型钢的汽车吊的旋转、起拔余地和空间。如没有汽车吊的施工位置,就必需现场施工的塔吊协助或采取其他的措施。 (2). 要有H型钢临时堆放整理的场地,原则上每一天或每二天外运一次。 (3). 要有卡车装车的场地。 (4). 在H型钢拔离地面的过程中,严禁吊车把杆下端进行施工操作。 (5). 在H型钢拔除前,基坑四周应该进行回土、压实。 2. 拔除H型钢的操作工艺 (1). 采用液压千斤顶,利用混凝土圈梁的反力座,在H型钢端头上装上插板,把
展开阅读全文

开通  VIP会员、SVIP会员  优惠大
下载10份以上建议开通VIP会员
下载20份以上建议开通SVIP会员


开通VIP      成为共赢上传

当前位置:首页 > 品牌综合 > 施工方案/组织设计

移动网页_全站_页脚广告1

关于我们      便捷服务       自信AI       AI导航        抽奖活动

©2010-2026 宁波自信网络信息技术有限公司  版权所有

客服电话:0574-28810668  投诉电话:18658249818

gongan.png浙公网安备33021202000488号   

icp.png浙ICP备2021020529号-1  |  浙B2-20240490  

关注我们 :微信公众号    抖音    微博    LOFTER 

客服