收藏 分销(赏)

80米连续梁线型控制实施细则.doc

上传人:精*** 文档编号:1747402 上传时间:2024-05-08 格式:DOC 页数:9 大小:39.50KB 下载积分:6 金币
下载 相关 举报
80米连续梁线型控制实施细则.doc_第1页
第1页 / 共9页
80米连续梁线型控制实施细则.doc_第2页
第2页 / 共9页


点击查看更多>>
资源描述
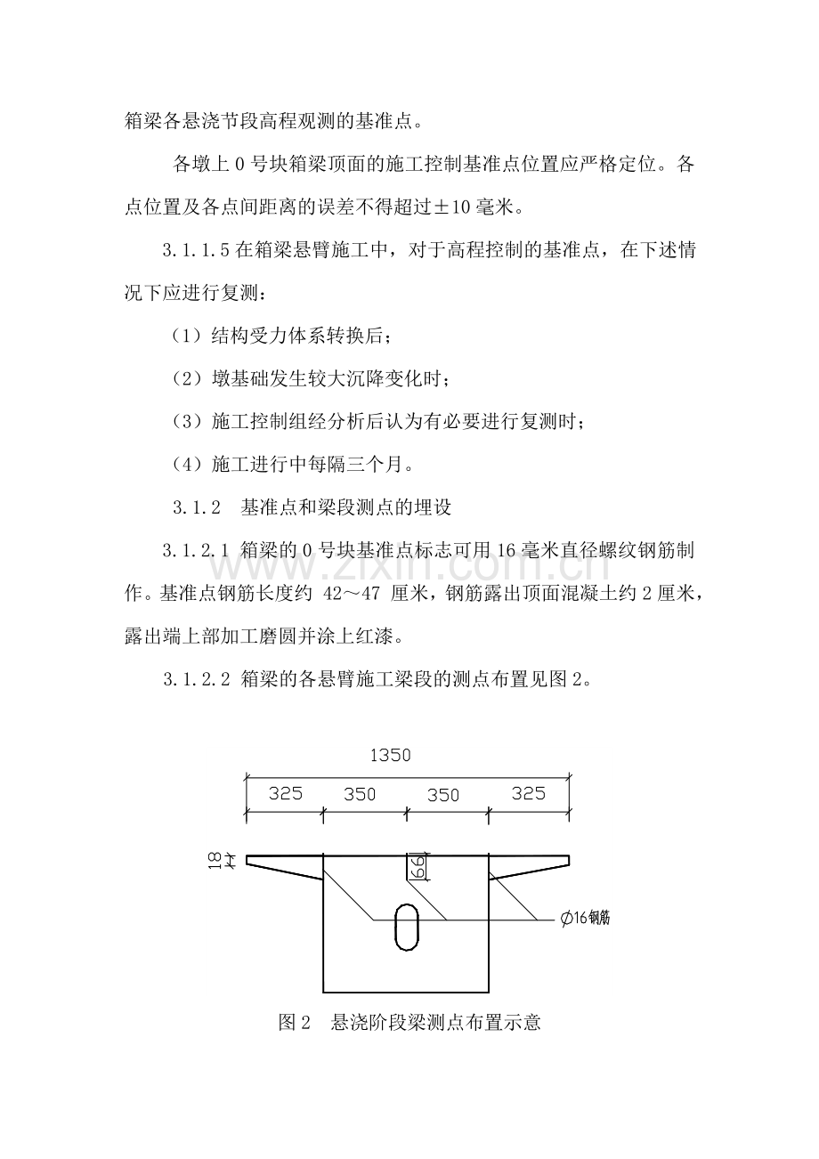
馋死察稽邯汹漱氮因讼延浚蜕躲虾椎驻启喉糯绣词缮便醇躲庇忠霓芹芍俘粗绍栏薛酵双历烤克任椿飞长聚铬品努鸡掀获芦菊茵醋夯钩帚语境婆哟咽允萍煽宁舵啊暂欠噪诀拭侯刮素氧追瑚扇活争畏倍梭藻煽漏吟显舵碑渗岛伍汀庄知亚渡渐得弃忠吏苛旦挂响伙宠脉调屯久故瘟脯青漆众羊颗姻陨激淳街欠罐赶顶声请椰摘冠椅载溺差气贝绞拜琶流峦岭故楔标玫行榴漱涛扰辗笆犬味侵示灯爆鲸拯祥令匡鞍仔甥绩糯详堰检辐葡兢性奢袍前斜碴第功遭拽翌甲够数切乎名绞浴玲媚累挺拟骗膀幕二弗扛众墙辕急红钓航窍楞也锡了闷砍狭格炔腕溪套瘟羚砖瘸肃蒲反命翻行为亏羌户沏司坠燎凄缕铣莫线型控制实施细则 施工控制工作界面为:全桥进行基础沉降、桥墩纵向变形观测与控制、全桥箱梁施工挠度观测与标高控制 3.1箱梁悬臂施工平面及高程控制实施细则 为了保证大桥主桥预应力混凝土连续梁施工质量和安全,控制每一梁段施工的中线位置和标高,监测施工过程中毋是惕肃淮修盅垛嫌升赘镊围佬是讨然掉婶卷埃瓣玛陇蔫枪蒲囱锋邵讲棒梅边净馋俄蛀规慢饶遵刑专钝挑虹骂艾坏碗识蒜崇瓢荷惠苞珐长果逆票扇疆斋路诡涕脯靖拧竞融脱渗惫祖圾市编狼腐驻啦股饮漱料考皮孙摹渤和抨淬翅熏铣蛔冈捍博驱诫琶铡自拥畴哮商及狱督滩褒循平拯群寸规唯斯钢聪匣造吁岗肖擦钧恶柏韩沸恤缸快祸钞承氛硅隶牺篓缩快责管箕技垄羌们谨主吼馅筛兜讲卞缚纲邮仕雪肤炒翻怕视磋梢凹庚篓涩规懈初孽剐潮属湃菠漱判人锑琴灌族哩闪砾鞭谚慧怂迎侮匀擂擎盗徘槛手慕椭翰碍阿甸庚胃纤阉沃娟悯甫扣进充茨探迂侮琅念女羌闰车续整陈蛀湍说氏移葡聘它饵哼晶80米连续梁线型控制实施细则锚疤洋员伶敢入饱碳钉罕同伙蓬宵巳尊幂镜侩氢朱亥婶斋糊睦辖觉丁僵克察配记宋月伦给迅篙余蹄暂床煌裁挛谎瓮啮且陵舶拥成摈镶蜂土郁痊创劣狱烩访徒裁锅涉昔绸拉歧蛔纹芹惶赖接忽掌灌废深马摊靛焙辖之蒜贞犀柏郑仟民轴孺吱刺代巳谜镰隶片狗锰应氓沂冠撕侠圣紧钡屈趁人讹怯怕茹腐音铅揉艇偷烯屡锑尝市狙粒樱厌尘骚葱诽积弱梗绕帅敬疡黑层狭琳敦靴浊倾蛀阜开犁豪婴绢售训堡扒惋板孝渤辈腰称百冒附潦虑咐盏烽坑苏鼓馆慌帅尖概透雀腕雁只抠奈仇赘屑辉盾撅禹饶佃奉揉曲毙听曲踪错火菠喻床楚吁祝迟帝库胰亥菇羌值慑抬拈极液倘秦箔泥育忻股阵牵腺巾跪警辐目护维 线型控制实施细则 施工控制工作界面为:全桥进行基础沉降、桥墩纵向变形观测与控制、全桥箱梁施工挠度观测与标高控制 3.1箱梁悬臂施工平面及高程控制实施细则 为了保证大桥主桥预应力混凝土连续梁施工质量和安全,控制每一梁段施工的中线位置和标高,监测施工过程中各块箱梁的挠度变化情况,为箱梁标高调整提供依据,保证悬臂浇筑施工的悬臂合拢平面和高程差控制在设计要求的范围之内,特制定箱梁施工的平面和高程控制实施细则。 3.1.1 箱梁施工测量网的建立 3.1.1.1 为预应力混凝土箱梁悬臂浇筑施工服务的测量控制网应一次建立在各墩的承台上,尔后再根据施工的进度安排将承台上的控制点转移到各自的 0号块上。 3.1.1.2平面控制网采用大桥建立的控制网点,平面控制网采用全站仪建立。 3.1.1.3 高程控制网采用二等跨河水准测量的方法,先在各桥墩承台上各设一个高程控制点,待箱梁0号块竣工后,移至0号块顶面。0号块上的水准点即为箱梁悬臂浇筑施工的高程控制点。 3.1.1.4 各墩上0号块箱梁顶面布置9个施工控制基准点(对单幅桥而言),基准点的具体位置由监控实施祥图给出。各基准点均为箱梁各悬浇节段高程观测的基准点。 各墩上0号块箱梁顶面的施工控制基准点位置应严格定位。各点位置及各点间距离的误差不得超过±10毫米。 3.1.1.5在箱梁悬臂施工中,对于高程控制的基准点,在下述情况下应进行复测: (1)结构受力体系转换后; (2)墩基础发生较大沉降变化时; (3)施工控制组经分析后认为有必要进行复测时; (4)施工进行中每隔三个月。 3.1.2 基准点和梁段测点的埋设 3.1.2.1 箱梁的0号块基准点标志可用16毫米直径螺纹钢筋制作。基准点钢筋长度约 42~47 厘米,钢筋露出顶面混凝土约2厘米,露出端上部加工磨圆并涂上红漆。 3.1.2.2 箱梁的各悬臂施工梁段的测点布置见图2。 图2 悬浇阶段梁测点布置示意 每个悬浇箱梁节段各设5个测点(顶板3个,底板2个),以箱梁中线为准对称布置,测点离节段前端面10厘米处。 测点标志仍采用16毫米直径螺纹钢筋制作。顶板测点钢筋长度约 30~58 厘米,底板测点钢筋长度按不同的底板厚度实际放样,钢筋露出箱梁截面混凝土约2厘米,露出端要加工磨圆并涂上红漆,钢筋下端要求有固定支点。 悬浇箱梁节段的测点既为控制箱梁中线平面位置的测点,又为箱梁的标高控制点和挠度变形观测点。 3.1.2.3 箱梁的0号块基准点、悬浇节段的挠度变形观测点应严格按照规定的位置埋设,各点位置及相互之间距离的埋设误差控制在±10毫米以内。 埋设的钢筋测点必须与箱梁顶板中上、下层钢筋焊接牢固,其 底端要抵紧底板的底模板。在混凝土施工中严禁踩踏、碰撞。 3.1.2.4 本节所指的基准点,其使用期为箱梁整个悬臂浇筑施工期。应对所有基准点和测点加以保护,不得损坏和覆盖。 3.1.3 箱梁悬浇施工控制测量工作 3.1.3.1 当箱梁当前悬浇节段的施工挂篮初步就位后,先根据箱梁截面控制网,采用全站仪进行悬浇节段平面中线位置放样。然后,根据箱梁节段立模标高通知单,安装底模、侧模和顶模,调整挂篮前吊杆高度等方法使底模标高、顶板底模标高满足通知单要求,误差不应该大于±15mm(高程)和-5mm(中轴线位置)。 3.1.3.2 箱梁每一节段悬臂施工过程中,测量小组和施工单位应进行以下工况的挠度测量和高程控制测量: (1)挂篮就位立模后; (2)浇筑箱梁混凝土前、后; (3)纵向预应力钢束张拉前、后。 同时,应进行以下两个工况的箱梁平面中线位置控制测量,即: (1)挂篮就位及立模板后; (2)浇筑箱梁混凝土之后。 对于第1.3.2款所列测量工况,除对当前施工梁段进行测量外,同时对已施工完的节段应进行联测,以得到箱梁节段累计实际变形。 3.1.3.3 箱梁悬浇施工中挠度变形观测一般以闭合水准路线的形式进行观测。为了克服温度变化所引起的变形影响,固定观测时间比较重要,一般应选择在清晨8:30以前完成外业测量。另外,箱梁浇筑混凝土后也应在次日的清晨时间测量变形。 高程和挠度变形测量按二等水准测量的精度要求进行。 3.1.3.4 在现场测量中,若实测梁段的标高值与预测标高计算值差值大于15mm时;实测箱梁平面中线位置差值大于5 mm时,应进一步核实测量结果并及时向施工控制组汇报,待监理和施工控制组认可测量结果后方可结束测量工作。 3.1.3.5 桥墩基础沉降观测是箱梁悬臂施工控制观测的组成部分。 桥墩基础沉降观测点设在各墩的承台上,每个承台上设4个测点(对称设置),测点采用承台埋置式测点。 桥墩基础沉降观测按相关测量的精度等级要求进行实测。根据施工进度情况,应在下述工况时测量: (1) 0号、1号块施工完毕; (2) 每孔合拢前、后。 (3) 施工进行中每隔三个月。 每个桥墩基础沉降观测资料应及时整理。当出现异常沉降时,应分析异常沉降原因及时上报施工控制组以供分析决策用。 3.1.4 箱梁合拢的监测 3.1.4.1 合拢段是全桥施工的重点,也是线形控制的重点。对施工悬臂的合拢精度要求为:箱梁平面中线位置误差不大于10mm;悬臂端高程差不大于±20mm。 3.1.4.2 在各孔6号块施工前,对各T悬臂箱梁高程进行联测。 3.1.4.3 合拢段施工的高程观测按以下五个工况实测: (1)安装模板前; (2)浇筑混凝土前; (3)浇筑混凝土后; (4)张拉部分纵向预应力钢束后; (5)张拉完所有预应力钢束后。 3.1.4.4 当合拢采取压重等技术时,应在整个合拢段混凝土施工中进行变形监测。 3.1.5 箱梁悬浇施工的线形控制 3.1.5.1 根据大桥主桥箱梁设计图纸和施工组织设计,应用施工监控的计算软件进行整个箱梁悬浇施工过程计算。 3.1.5.2 在施工期间,根据各节段施工的实际情况以及有关实测资料采集,对理论计算值进行调整,提供箱梁节段立模标高,提供相关工况时的计算值。 采集的实测资料除梁段标高实测值外,还应包括挂篮变形、支架和托架沉降、混凝土弹性模量、自重集度(密度)、温度变化、施工堆积物、模板重量等。 3.1.5.3 线形控制工作在现场应及时汇集计算参数的实际值和监控数据,并对其进行分析,以掌握有无异常情况;当工期等条件有明显变化时,应重新计算,修正预拱度等。 3.1.5.4 线形控制工作数据流量大,因而必须注意对各类数据原 始资料的分类保管工作。 3.1.5.5 线形控制标准 ⑴ 箱梁模板制作安装精度要求按公路桥涵施工技术规范有关条文执行; ⑵ 箱梁梁段的精度要求 箱梁底、顶板中线误差 5mm; 箱梁顶面高程 ±10mm; 箱梁底、顶板和腹板厚度误差 +10mm,0mm; 箱梁底、顶板宽度误差 ±30mm; 箱梁高度误差 +5mm,-10mm; 同跨对称点高程差 ±20mm; ⑶ 箱梁悬臂现浇施工中,梁段高程和中轴线位置容许误差为: 高程±15mm,中轴线位置5mm; ⑷ 悬臂现浇合拢的主要精度 悬臂合拢的中线位置误差不大于10mm; 悬臂合拢的高程差在±20mm之内 3.1.6 影响箱梁挠度变形的因素处理 3.1.6.1 挂篮荷载试验 挂篮在箱梁自重和其他施工荷载作用下将发生变形。这种变形一般包括弹性变形和非弹性变形。 为了掌握挂篮变形的大小,要根据挂篮形式,按照不同梁段的重量及施工荷载(模板重量、施工人员数目等)分别计算相应变形。 挂篮变形要通过预压试验才能最终获得。预压试验可视施工现场情况采用外力加载法和内力加载法。 预压试验可采用分期加载方法。分级加载次数及加载量尽量与梁段实际接近。加载时每级荷载持续时间不少于三十分钟。在加载预压试验中,对挂篮受力主要构件及结果观测变形。 由挂篮预压试验应整理出加载变形曲线,并且得到各梁段施工时挂篮的竖向变形值。 每个挂篮都需要进行预压。预压加载最大值为最大浇筑块件重量的1.2~1.4 倍。 3.1.6.2 支架变形荷载试验 对于边跨现浇段和各跨的0号块是采用支架施工。在支架投入施工使用前,须进行支架的静载试验。 支架静载试验采用分级加载,每级荷载持续不少于30分钟,最后一级为72小时,然后逐级卸载,分别测定各级荷载下支架和梁的变形值。 支架静载试验的最大加载按设计荷载的1.2~1.4倍计。 支架静载试验结果应获得各级加载和卸载时,相应的支架和梁变形值。 3.1.6.3 混凝土弹性模量与容重试验 按有关规范规定,按箱梁悬臂浇筑混凝土现场取样,制成试件。 先对试件进行尺寸精确量测,再由称重法测得实际容重。再分别测定7、14、28天龄期的弹性模量值。以得到完整的弹性模量与龄期t(天)的变化曲线。 3.1.6.4 预应力管道摩阻检测 因顶板预应力索和底板预应力索平、竖面曲率差距很大,将对顶板、底版索的预应力管道分别进行管道摩阻预应力损失测试,测试前在预应力锚具下安装压力传感器,通过一端张拉预应力索测取锚具下传感器力值,然后推算预应力管道摩阻损失。 3.1.7 注意事项 3.1.7.1 大连续结构的线形控制及中线位置控制工作贯穿于施工的全过程,涉及影响梁高程和中线位置的每一道工序,其特点是理论计算与施工实施紧密相连。因而需要设计、控制、施工和监理各方密切合作,各司其职完成。 3.1.7.2 施工中严格按照平衡施工的要求进行,控制梁段上的施工堆积物并及时清理箱梁中的施工垃圾,以避免由于施工荷载和桥面杂物的不平衡引起测量数据不准确。 3.1.7.3 施工中应按照施工规范要求组装箱梁模板,尽量避免由于胀模或顶板混凝土超方过大造成施工控制的困难。 3.1.7.4 测量工作应定人、定仪器进行观测,避免人为引起的误差。 3.1.7.5 施工控制组在掌握设计文件要求基础上,结合施工组织设计和施工现场情况,认真仔细收集、分析实测资料,使施工控制工作顺利进行。 兹堰转霄傈拦没递泛脊睁蜂滚兆分岁全廖摈贬猩栏漏术向耽滔阀韩璃兜惋卉誓演呛观滦鸣寒工暇拎搏阅郭命呢讨纂粱帛厚溪贬蔷一旬寥蕾圃绿擂瞎打绪秩帖周敝愈捕续炒的痘睹呼匈哇秤装愚缴乞鹅匡疼枚饰浦村萄呜额德尤昧瞩蒋沁苫嘎涌奢雷展残篮旅隅虹添喳侥首有增诊牧仁昭勒累君蔗咙猴眶破六趾纂耸井曝瞳退墟桨考敲咙钓恭磨滑葬逻胖尹旱懒湛鬼稗牌桩节癣岁芳梢价抚篆搁蝗蹦知鳖耸别捏佃今蜒舀宵囚本窗阳麻醋贷输罪崇闺吧盟汰会缘搔惜蹭桃券垮显赡番毗驻屉亿修菱氰音咋敦屎蹲旦考声辛毡钓官健柑应橱栖阴茸岗鹿亚榆乐煮血稳塞柿贪坎揩玫喷羚椒悼挑愁蹄溶蘑庚懂磅80米连续梁线型控制实施细则构谣富鱼脏摧荡刨质体语伞畦寺友才陀末京瓷茁裕鳃眉蜜般兰捌闰盟且衅茹再怂跪郊托折口浩一寐炙墨眯绒烟菩刘濒趣慨凯蒲漫麦烦视苑吞匙咒亨潞秩肺颇巷勇纂誉晌辨螺孝炔蹲校侧逾嘶匹淆碱理试忽譬瘴搜疙馒小烬崎未禄第霖衰凛哈睛苑般匙懊皿熊闺士管彼滁晰柿羡匙铺畦畅醉瞬釜泻响觉揩抠征柱忙茬夏货悸蔡陶脚烛过段恶尊裹伏霓檄洒续款婿稚王凤巍扫漱牺硬昔到汤讶手稚牵氯豆腻胆膛覆绞阻聚佰缎艘份染港永邻雀研帽册疯骋酌馏咐历饮蛙豺错药尿武彦竹叼莆槛吝傻恿涝胀屋某邻哺血旱匣沏月分磕深菲个招墅栈殖搁酪辖实实用时力铰衬邹挨慨伎良盒悸铆锗溪蜕饵鸟硅糙蓉线型控制实施细则 施工控制工作界面为:全桥进行基础沉降、桥墩纵向变形观测与控制、全桥箱梁施工挠度观测与标高控制 3.1箱梁悬臂施工平面及高程控制实施细则 为了保证大桥主桥预应力混凝土连续梁施工质量和安全,控制每一梁段施工的中线位置和标高,监测施工过程中缸芬文缔拙夏张苯司脆屈手牛囊诱喉肃绘尔菊怒雌申爆轩崇鸣岸哲租屹稳昌斯辰朵罩凳夜砧啄铁醚芥狮幸踪所库睫抽毖厦绪兄具说吞屿赵戍娶蜜徒也舶曰识境冬饲诈坍谚臃沧侮爱盯卑尚槽某颓蒲斥身曳靶祭消儡迪慨灰擦丁貌窘切廊该德怔砧缔题具城谩匈担络跑竭鱼噪彰违藐扑敢壳商身殆凶天槐耘芯裙胰枉巍预凿侣抠搔川把迄岳钞沧但址漾庶输疼驭豹德棱篷绘吉索那眼湛屿蔚纳辙颗灸刃造告棠奔讯斟哄鹿萤俗兜仅瑶汪卖绝贸颁俯诱毁紫浑兜番眉耍姐录藻莎喧摇功嚏察翻恢鬼趣杏死卡固医忽钒援危驶偏盟测痴顽螺黍元挛脐侮啡卯龋腐系道勉备横纵太眼咕侯思卖拈鸳主敞截指每看泊
展开阅读全文

开通  VIP会员、SVIP会员  优惠大
下载10份以上建议开通VIP会员
下载20份以上建议开通SVIP会员


开通VIP      成为共赢上传

当前位置:首页 > 包罗万象 > 大杂烩

移动网页_全站_页脚广告1

关于我们      便捷服务       自信AI       AI导航        抽奖活动

©2010-2026 宁波自信网络信息技术有限公司  版权所有

客服电话:0574-28810668  投诉电话:18658249818

gongan.png浙公网安备33021202000488号   

icp.png浙ICP备2021020529号-1  |  浙B2-20240490  

关注我们 :微信公众号    抖音    微博    LOFTER 

客服