收藏 分销(赏)

配电系统图.doc

上传人:a199****6536 文档编号:1579235 上传时间:2024-05-05 格式:DOC 页数:5 大小:63KB 下载积分:6 金币
下载 相关 举报
配电系统图.doc_第1页
第1页 / 共5页
配电系统图.doc_第2页
第2页 / 共5页


点击查看更多>>
资源描述
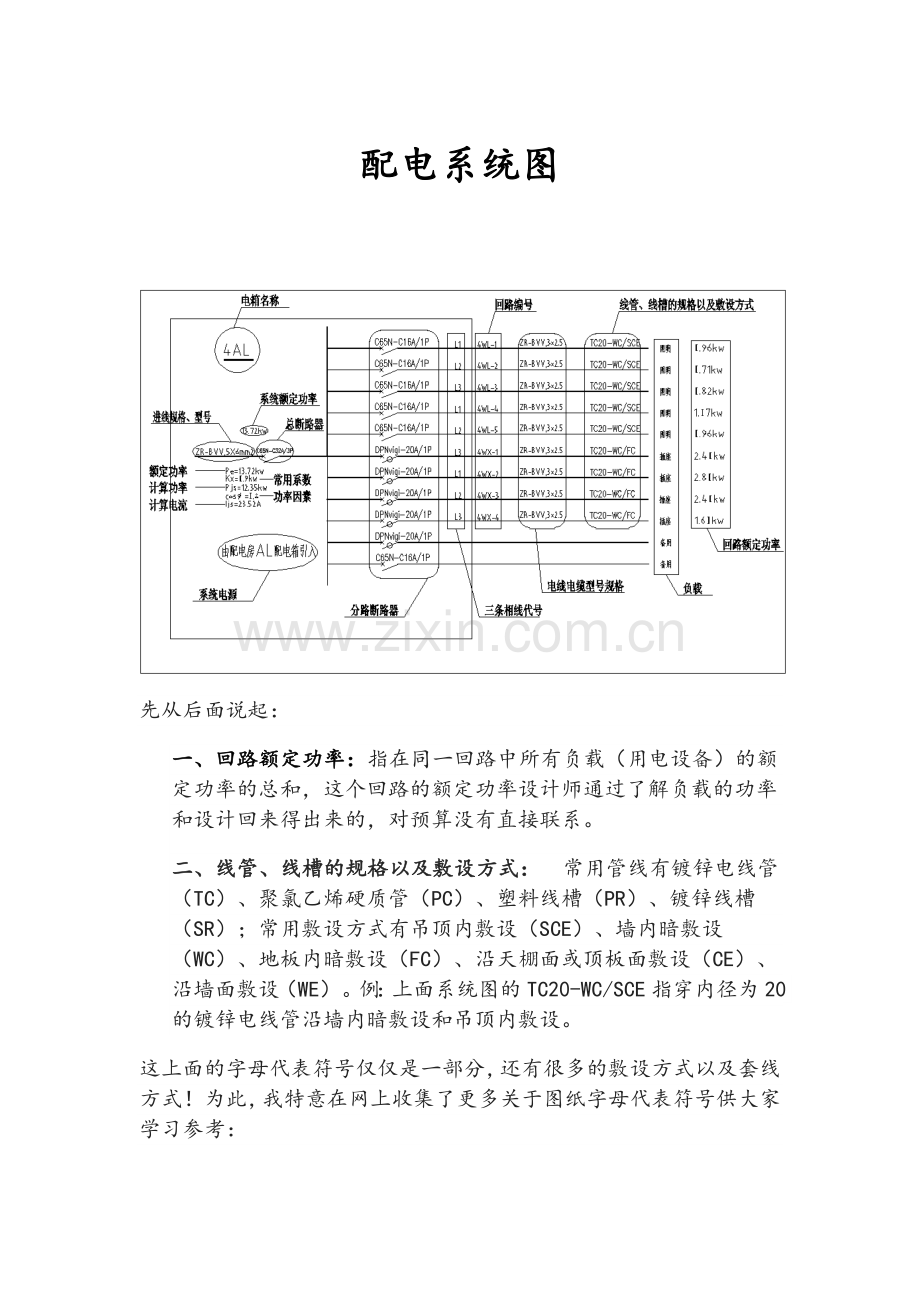
配电系统图 先从后面说起: 一、回路额定功率:指在同一回路中所有负载(用电设备)的额定功率的总和,这个回路的额定功率设计师通过了解负载的功率和设计回来得出来的,对预算没有直接联系。 二、线管、线槽的规格以及敷设方式: 常用管线有镀锌电线管(TC)、聚氯乙烯硬质管(PC)、塑料线槽(PR)、镀锌线槽(SR);常用敷设方式有吊顶内敷设(SCE)、墙内暗敷设(WC)、地板内暗敷设(FC)、沿天棚面或顶板面敷设(CE)、沿墙面敷设(WE)。例:上面系统图的TC20-WC/SCE指穿内径为20的镀锌电线管沿墙内暗敷设和吊顶内敷设。 这上面的字母代表符号仅仅是一部分,还有很多的敷设方式以及套线方式!为此,我特意在网上收集了更多关于图纸字母代表符号供大家学习参考: 1、导线穿管 SC:焊接钢管 RC:镀锌钢管 JDG:套接紧定式镀锌钢导管 KBG:扣压式薄壁镀锌钢管 PC-PVC:硬质塑料管 FPC:阻燃硬塑料管 CT:桥架 MR:金属线槽 M:钢索 CP:金属软管 2、导线敷设部位 AB :沿或跨梁(屋架)敷设 BC:暗敷在梁内 AC :沿或跨柱敷设 CLC:暗敷设在柱内 WS:沿墙面敷设 WC:暗敷设在墙内 CE:沿天棚或顶板面敷设 CC:暗敷设在屋面或顶板内 SCE:吊顶内敷设 FC:地板或地面下敷设 3、灯具安装 CS:链吊 DS:管吊 W:墙壁安装 C:吸顶 R:嵌入 S:支架 CL:柱上 三、电线电缆规格、型号:常用的电线电缆有ZR-BV、ZR-BVV、NH-VV、NH-YJV。ZR-BV是指阻燃型铜芯聚氯乙烯绝缘线, ZR-BVV是指阻燃型铜芯聚氯乙烯绝缘聚氯乙烯护套线, NH-VV是指耐火型铜芯聚氯乙烯绝燃聚氯乙烯护套电力电缆,电压等级1~6KV; YJV是指铜芯交联聚氯乙烯绝燃聚氯乙烯护套电力电缆,电压等级6~500KV。 例:上面系统图中ZR-BVV,3X2.5中的3表示导线根数,2.5表示一根导线的截面积,我们就读成:3根截面积为2.5mm²的阻燃型铜芯聚氯乙烯绝燃聚氯乙烯护套线。电线电缆常用标称截面mm² BV铜芯聚氯乙烯绝缘电线 BLV铝芯聚氯乙烯绝缘电线 BVR铜芯聚氯乙烯绝缘软电线 一般来说,当电网电压是220V的时候,每平方电线的载电量是1KW左右。 铜线每个平方可以载电1-1.5KW 铝线每个平方可以载电0.6-1KW 具体到电流,短距送电时一般铜线每平方可载3A到5A的电流。散热条件好取5A/平方毫米,散热条件不好取3A/平方毫米。 功率(瓦)=电流强度(安培)X电压(伏) 四、 回路编号:回路编号是设计师为了区分每一个线路赋予每一个线路的名称(代号),它并没有实体性的东西。很多设计师习惯性用n1,n2,n3……表示,但是通常一个比较大的工程中都会有2个以上的配电箱,如果都用n1,n2,n3……表示线路容易被混淆或者在平面图中分不清线路;一般不同负载的线路有不同的代号表示,例如照明线路用‘WL’表示,插座线路用‘WX’表示,电力线路用‘WP’表示,应急照明线路用‘WE/WEL’,混合型线路一般用‘WL’表示;有时在一个配电系统中设计师都用‘WL’表示,用阿拉伯数字分级区分,例如:1WL、1WL1、1WL1-1、1WL1-1-1,这样整个系统的回路有且只有一个代号了。 五、三相线代号:三相电源由3条相线L1L2L3和1条中性线N组成。其中中性线N和地线PE不在系统图上表现出来,如果回路是三相电源则用L1L2L3表示,如果回路是单相电源,而配电箱是三相电源进来的则该回路用L1/L2/L3区分开来,若电箱进来的单相电源则不写。三相线代号在系统图的设计作用是维持三相电源的三相平衡。 六、分路断路器:通俗地说,断路器就是用于切断电流的设备;主要用于对电路出现短路电流的保护,当电路出现短路时立即断开电路。系统图中 表示普通断路器, 表示漏电短路器。 请看下图剖析: 断路器设计通则:照明回路一般用额度电流16A或10A的断路器,即使回路的额度电流只有2A,因为低于10A的断路器越小越贵;凡回路的负载是空调或者是其他的电机都使用D型电路器;凡插座回路都用漏电断路器。 用作电动机启动的小型断路器应该是D型的,C型的用作配电控制和照明用,D型的要比C型的短路分段倍数大,比如额定32A的开关,D的短路分段能力大概是额定的7-10倍,C的大概为4-7倍。 断路器极数就是指切断线路的导线根数。1P就是切断一根导线;2P就是同时切断2根导线,一次类推。 极数指断线数.1P、2P用于单相,3P、4P用于三相.  当是保护接零时,只能用1P、3P;当是保护接地时,最好用2P、4P 1P+N:只在相线上装设保护器,动作时同时断开相线。
展开阅读全文

开通  VIP会员、SVIP会员  优惠大
下载10份以上建议开通VIP会员
下载20份以上建议开通SVIP会员


开通VIP      成为共赢上传

当前位置:首页 > 包罗万象 > 大杂烩

移动网页_全站_页脚广告1

关于我们      便捷服务       自信AI       AI导航        抽奖活动

©2010-2026 宁波自信网络信息技术有限公司  版权所有

客服电话:0574-28810668  投诉电话:18658249818

gongan.png浙公网安备33021202000488号   

icp.png浙ICP备2021020529号-1  |  浙B2-20240490  

关注我们 :微信公众号    抖音    微博    LOFTER 

客服