收藏 分销(赏)

青岛市酒店企业安全生产标准化评定标准.docx

上传人:夏天****快要... 文档编号:127461 上传时间:2022-08-31 格式:DOCX 页数:60 大小:97.73KB 下载积分:8 金币
下载 相关 举报
青岛市酒店企业安全生产标准化评定标准.docx_第1页
第1页 / 共60页
青岛市酒店企业安全生产标准化评定标准.docx_第2页
第2页 / 共60页


点击查看更多>>
资源描述
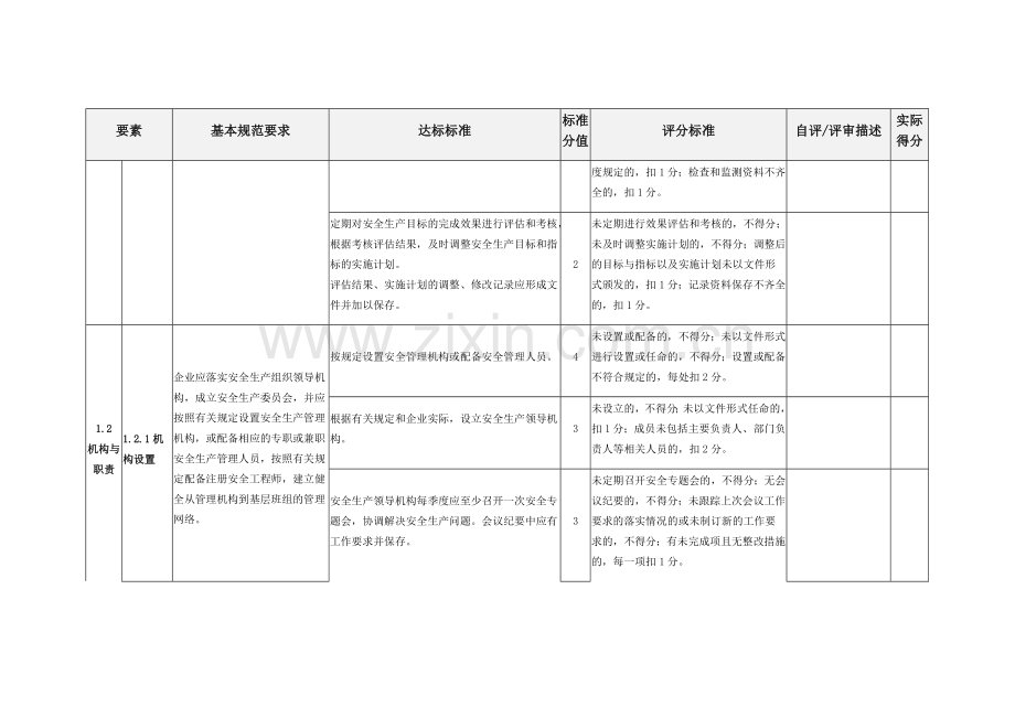
青岛市酒店企业安全生产标准化评定标准 要素 基本规范要求 达标标准 标准分值 评分标准 自评/评审描述 实际得分 1.目标职责 1.1 目标 企业应根据自身安全生产实际,制定文件化的总体和年度安全生产目标,并纳入企业总体生产经营目标。明确目标的制定、分解、实施、检查、考核等环节要求,并按照所属基层单位和部门在生产经营活动中所承担的职能,将目标分解为指标,确保落实。 建立安全生产目标的管理制度,明确目标与指标的制定、分解、实施、考核等环节内容。 2 无该项制度的,不得分;未以文件形式发布生效的,不得分;安全生产目标管理制度缺少制定、分解、实施、绩效考核等任一环节内容的,扣1分;未能明确相应环节的责任部门或责任人相应责任的,扣1分。 按照安全生产目标管理制度的规定,制定文件化的年度安全生产目标与指标。 3 无年度安全生产目标与指标的,不得分;安全生产目标与指标未以正式文件印发的,不得分。 企业定期对安全生产目标、指标实施情况进行评估和考核,并结合实际及时进行调整。 根据所属基层单位和部门在安全生产中的职能,分解年度安全生产目标与指标,并制定实施计划和考核办法。 3 无年度安全生产目标与指标分解的,不得分;无实施计划或考核办法的,不得分;实施计划无针对性的,不得分;每缺一个基层单位和职能部门的指标实施计划或考核办法的,扣1分。 按照制度规定,对安全生产目标和指标实施计划的执行情况进行监测,并保存有关监测记录资料。 2 无安全目标与指标实施情况的检查或监测记录的,不得分;检查和监测不符合制度规定的,扣1分;检查和监测资料不齐全的,扣1分。 定期对安全生产目标的完成效果进行评估和考核,根据考核评估结果,及时调整安全生产目标和指标的实施计划。 评估结果、实施计划的调整、修改记录应形成文件并加以保存。 2 未定期进行效果评估和考核的,不得分;未及时调整实施计划的,不得分;调整后的目标与指标以及实施计划未以文件形式颁发的,扣1分;记录资料保存不齐全的,扣1分。 1.2 机构与职责 1.2.1机构设置 企业应落实安全生产组织领导机构,成立安全生产委员会,并应按照有关规定设置安全生产管理机构,或配备相应的专职或兼职安全生产管理人员,按照有关规定配备注册安全工程师,建立健全从管理机构到基层班组的管理网络。 按规定设置安全管理机构或配备安全管理人员。 4 未设置或配备的,不得分;未以文件形式进行设置或任命的,不得分;设置或配备不符合规定的,每处扣2分。 根据有关规定和企业实际,设立安全生产领导机构。 3 未设立的,不得分;未以文件形式任命的,扣1分;成员未包括主要负责人、部门负责人等相关人员的,扣2分。 安全生产领导机构每季度应至少召开一次安全专题会,协调解决安全生产问题。会议纪要中应有工作要求并保存。 3 未定期召开安全专题会的,不得分;无会议纪要的,不得分;未跟踪上次会议工作要求的落实情况的或未制订新的工作要求的,不得分;有未完成项且无整改措施的,每一项扣1分。 1.2.2主要负责人及管理层职责 企业主要负责人全面负责安全生产工作,并履行相应责任和义务。 分管负责人应对各自职责范围内的安全生产工作负责。 各级管理人员应按照安全生产责任制的相关要求,履行其安全生产职责。 建立、健全安全生产责任制,并对落实情况进行考核。 4 未建立安全生产责任制或未以文件形式发布生效的,不得分;每缺一个部门、岗位的责任制的,扣1分;责任制内容与岗位工作实际不相符的,每处扣1分;没有对安全生产责任制落实情况进行考核的,扣1分。 企业主要负责人应按照安全生产法律法规赋予的职责,全面负责安全生产工作,并履行安全生产义务。 3 主要负责人的安全生产职责不明确的,不得分;未按规定履行职责的,每项扣3分。 各级人员应掌握本岗位的安全生产职责。 3 未掌握岗位安全生产职责的,每人扣1分。 1.3 全员参与 企业应建立健全安全生产责任制,明确各级部门和从业人员的安全生产职责,并对职责的适宜性、履行情况进行定期评估和监督考核。 建立、健全安全生产责任制度,制度应包括沟通、培训、评审、修订及考核等环节内容。 2 无该项制度的,不得分; 未以文件形式发布生效的,不得分; 制度中每缺一个环节内容的,扣1分。 建立、健全安全生产责任制,并对落实情况进行考核。 3 未以文件形式建立安全生产责任制,不得分; 每缺一个纵向、横向安全生产责任制,扣2分; 责任制内容与岗位工作实际不相符,每个扣1分; 未对安全生产责任制落实情况进行考核,不得分。 对各级管理层进行安全生产责任制与权限的有效沟通,确保全员熟知各自的安全职责。 2 无沟通证据的,不得分; 被抽查人员对责任制不清楚,每人扣1分。 定期对安全生产责任制进行适宜性评审与更新。 2 未定期进行适宜性评审或无评审记录,不得分; 更新后未以文件形式发布,扣1分。 企业应为全员参与安全生产工作创造必要的条件,建立激励约束机制,鼓励从业人员积极建言献策,营造自下而上、自上而下全员重视安全生产的良好氛围,不断改进和提升安全生产管理水平。 建立员工参与的激励制度,鼓励员工积极参与公司各项安全管理活动。 2 未建立员工参与激励制度,不得分。 未提供员工参与激励记录,扣2分 员工参与包括但不限于:危险源辨识与风险评估、隐患排查及整改、应急演练、培训学习、安全意识提升活动等,保留相关参与证据或记录。 4 现场抽查,未提供参与危险源辨识与风险评估、隐患排查及整改、应急演练、培训学习、安全意识提升活动等证据,每项扣1分,扣完为止。 1.4 安全生产投入 企业应建立安全生产投入保障制度,按照有关规定提取和使用安全生产费用,并建立使用台账。 建立安全生产费用提取和使用管理制度。 3 无该项制度的,不得分;制度中职责、流程、范围、检查等内容,每缺一项扣1分。 保证安全生产费用投入,专款专用,并建立安全生产费用使用台账。 3 未保证安全生产费用投入的,不得分;财务报表中无安全生产费用归类统计管理的,扣2分;无安全费用使用台账的,不得分;台账不完整齐全的,扣1分。 制定并实施包含以下方面的安全生产费用的使用计划: 1.完善、改造和维护安全防护设施设备。 2.安全生产教育培训和配备个体防护装备。 3.安全评价、重大危险源监控、事故隐患排查和治理。 5.设备设施安全性能检测检验。 6.应急救援器材、装备的配备及应急救援演练。 7.安全标志。 8.其他与安全生产直接相关的物品或者活动。 4 无该使用计划的,不得分;计划内容缺失的,每缺一个方面扣2分;未按计划实施的,每一项扣2分; 企业应按照有关规定,为从业人员缴纳相关保险费用。 企业应按规定要求投保安全生产责任保险。 足额缴纳工伤保险费。 3 未缴费或无缴费相关资料证据的,不得分。 保障死亡、受伤员工获取相应的保险与赔付。 3 有关保险评估、年费、返回资料、赔偿等资料不全,每一项扣1分; 未进行伤残等级鉴定,不得分; 伤残等级鉴定每少一人,扣1分; 赔偿不到位,不得分。 1.5 安全文化建设 企业应开展安全文化建设,确立本企业的安全生产理念及行为准则,并教育、引导全体人员贯彻执行。 采取多种形式的活动来促进企业的安全文化建设,促进安全生产工作。 12 未开展企业安全文化建设的,不得分;安全文化建设与《企业安全文化建设导则》(AQ/T9004)不符的,每项扣2分。 1.6 安全信息化建设 企业应根据自身实际情况,利用信息化手段加强安全生产管理工作,开展安全生产电子台账管理、重大危险源监控、应急管理、安全风险管控和隐患自查自报、安全生产预测预警等信息系统的建设。 建立并有效实施信息化体系,用于安全生产电子台账管理、重大危险源监控、应急管理、安全风险管控和隐患自查自报、安全生产预测预警等信息汇总。 5 未建立和实施信息化管理系统,不得分; 安全信息化系统未有效运行,扣2分。 小计 80 2.制度化管理 2.1 法规、标准识别 企业应建立安全生产法律法规、标准规范的管理制度,明确主管部门,确定获取的渠道、方式,及时识别和获取适用、有效的法律法规、标准规范,建立安全生产法律法规、标准规范清单和文本数据库。 建立识别、获取、评审、更新安全生产法律法规、标准规范与其他要求的管理制度。 5 无该项制度的,不得分;缺少识别、获取、评审、更新等环节要求以及部门、人员职责等内容的,每缺少一项扣1分;未以文件形式发布生效的,扣2分。 各职能部门和基层单位应定期、及时识别和获取本部门适用的安全生产法律法规、标准规范与其他要求,向归口部门汇总,并发布清单。 5 未定期识别和获取的,不得分;不及时的,每次扣1分;每少一个部门和基层单位定期识别和获取的,扣1分;未及时汇总的,扣1分;无清单的,不得分;每缺一个安全生产法律法规、标准规范与其他要求文本或电子版的,扣1分。 企业应将适用的安全生产法律法规、标准规范的相关要求转化为本企业的规章制度、操作规程,并及时传达给相关从业人员,确保相关要求落实到位。 及时将有关新的安全生产法律法规、标准规范与其他要求融入到企业安全生产管理制度中。 5 未及时融入的,每项扣2分;制度与安全生产法律法规与其他要求不符的,每项扣2分。 及时将适用的安全生产法律法规、标准规范与其他要求传达给从业人员,并进行相关培训和考核。 5 未传达的,不得分;未培训考核的,不得分;无培训考核记录的,不得分;缺少培训和考核的,每人次扣1分。 2.2 规章制度 企业应建立健全安全生产规章制度,并征求工会及从业人员意见和建议,规范安全生产管理工作。 按照相关规定建立和发布健全的安全生产规章制度,至少包含下列内容:安全生产目标管理、安全生产责任制、安全生产费用管理、法律法规标准规范管理、岗位安全操作规程、文件和档案管理、风险评估和控制管理、安全教育培训管理、特种作业人员管理、设备设施安全管理、建设项目安全设施“三同时”管理、生产设备设施验收和报废拆除管理、危险作业管理、施工和检维修安全管理、危险物品及重大危险源管理、安全标志、相关方及外用工(单位)管理、个体防护装备管理、安全检查及隐患排查治理、应急管理、事故管理、安全绩效评定管理、安全生产考核及奖惩制度、消防管理、女职工劳动保护管理、大型活动安全管理、装饰装修安全管理、安全值班检查巡查管理、租赁承包安全资质审查及管理等。 15 未以文件形式发布的,不得分;每缺一项制度,扣2分(其他考评内容中已有的不重复扣分);制度内容不符合规定或与实际不符的,每项制度扣1分;无制度执行记录的,每项制度扣1分。 企业应确保从业人员及时获取制度。 将安全生产规章制度发放到相关工作岗位,员工应掌握相关内容。 5 制度未发放的,扣2分;发放不到位的,每处扣1分;员工未掌握相关内容的,每人次扣1分。 2.3 操作规程 企业应按照有关规定,结合本企业生产工艺、作业任务特点以及岗位作业安全风险,编制齐全适用的岗位安全生产操作规程,发放到相关岗位员工,并严格执行。 基于岗位风险辨识,编制完善、适用的岗位安全操作规程。 10 无岗位安全操作规程的,不得分;岗位操作规程不完善、不适用的,每缺一个扣2分;内容缺少没有风险分析、评估和控制的,每个扣1分。 企业应确保从业人员参与岗位安全生产操作规程的编制和修订工作。 向员工下发岗位安全操作规程,员工应掌握相关内容。 5 未发放至岗位的,不得分;发放不到位的,每处扣1分;员工未掌握相关内容的,每人次扣1分。 企业应在新技术、新材料、新工艺、新设备设施投入使用前,组织制修订相应的安全生产操作规程,确保其适宜性和有效性。 员工操作要严格按照操作规程执行。 5 现场发现违反操作规程的,每人次扣1分。 2.4 文档管理 2.4.1记录管理 企业应建立文件和记录管理制度,明确安全生产规章制度、操作规程的编制、评审、发布、使用、修订、作废以及文件和记录管理的职责、程序和要求。 建立文件和档案的管理制度,明确职责、流程、形式、权限及各类安全生产档案及保存要求等事项。 5 无该项制度的,不得分;未以文件形式发布的,不得分;未明确安全规章制度和操作规程编制、使用、评审、修订等责任部门或人员、流程、形式、权限等的,每处扣1分;未明确具体档案资料、保存周期、保存形式等的,每处扣1分。 确保安全规章制度和操作规程编制、使用、评审、修订的效力。 5 未按文件管理制度执行的,不得分;缺少环节记录资料的,每处扣1分。 企业应建立健全主要安全生产过程与结果的记录,并建立和保存有关记录的电子档案,支持査询和检索,便于自身管理使用和行业主管部门调取检査。 对下列主要安全生产管理相关资料实行档案管理:主要安全生产文件、安全生产会议记录、隐患管理信息、培训记录、资格资质证书、检查和整改记录、管理记录、安全活动记录、法定检测记录、关键设备设施档案、相关方信息、应急演练信息、事故管理记录、绩效评定记录、维护和校验记录、技术图纸等。 10 未实行档案管理的,不得分;档案管理不规范的,扣2分;每缺少一类档案,扣1分。 2.4.2评估 企业应每年至少评估一次安全生产法律法规、标准规范、规章制度、操作规程的适用性、有效性和执行情况。 每年至少一次对安全生产法律法规、标准规范、其他要求规章制度、操作规程的执行情况和适用情况进行检查、评估。 10 未进行检查、评估的,不得分;无评估报告的,不得分;评估报告每缺少一个方面内容的,扣1分;评估结果与实际不符的,扣2分。 2.4.3修订 企业应根据评估结果、安全检査情况、自评结果、评审情况、事故情况等,及时修订安全生产规章制度、操作规程。 根据评估情况、安全检查反馈的问题、生产安全事故案例、绩效评定结果等,对安全生产管理规章制度和操作规程进行修订,确保其有效和适用。 10 应组织修订而未组织进行的,不得分;该修订而未修订的,每项扣1分;无记录资料的,扣5分。 小计 100 3.教育培训 3.1 教育培训管理 企业应建立健全安全教育培训制度,按照有关规定进行培训。 培训大纲、内容时间应满足有法规和关标准的规定。 企业应明确安全教育培训主管部门,定期识别安全教育培训需求,制定、实施安全教育培训计划,并保证必要的安全教育培训资源。 企业应如实记录全体从业人员的安全教育和培训情况,建立安全教育增训档案和从业人员个人安全教育培训档案,并对培训效果进行评估和改进。 建立安全教育培训的管理制度。 5 无制度的,不得分;未以文件形式发布的,不得分;制度中每缺少一类培训规定的,扣1分;培训要求不符合《生产经营单位安全培训规定》(国家安全监管总局令第3号)和《特种作业人员安全技术培训考核管理规定》(国家安全监管总局令第30号)等有关规定的,每处扣1分。 确定安全教育培训主管部门,定期识别安全教育培训需求,制定各类人员的培训计划。 企业每名员工掌握安全消防的基本知识和技能,遇到突发事件可以快速、安全地救援和逃生。 5 未明确主管部门的,不得分;无培训计划的,不得分;未定期识别需求的,扣1分;识别不充分的,扣1分;培训计划中每缺一类培训的,扣1分。 按计划进行安全教育培训,对安全培训效果进行评估和改进。做好培训记录,并建立档案。 10 未按计划进行培训的,每次扣2分;记录不完整的,每缺一项扣1分;未进行效果评估的,每次扣1分;未根据评估作出改进的,每次扣1分;未实行档案管理的,扣5分;档案资料不完整的,每个扣1分。 3.2 人员教育培训 3.2.1主要负责人和安全管理人员 企业的主要负责人和安全生产管理人员应具备与本企业所从事的生产经营活动相适应的安全生知识与能力。 企业应对各级管理人员进行教育培训,确保其具备正确履行岗位安全生产职责的知识与能力。 法律法规要求考核其安全生产知识与能力的人员,应按照有关规定经考核合格。 主要负责人和安全生产管理人员,必须具备与本单位所从事的生产经营活动相应的安全生产知识和管理能力,须经考核合格后方可任职,并应按规定进行再培训。 10 主要负责人未经考核合格上岗的,不得分;主要负责人未按有关规定进行再培训的,扣2分;安全管理人员未经培训考核合格或未按有关规定进行再培训的,每人次扣2分。 3.2.2从业人员 企业应对从业人员进行安全生产教育培训,保证从业人员具备满足岗位要求的安全生产和 知识,熟悉有关的安全生产和 法律法规、规章制度、操作规程,掌握本岗位的安全操作技能、安全风险辨识和管控方法,了解事故现场应急处置措施,并根据实际需要,定期进行复训考核。 未经安全教育培训合格的从业人员,不应上岗作业。 企业应对新上岗的临时工、合同工、劳务工、轮换工、协议工等进行强制性安全培训,保证其具备本岗位安全操作、自救互救以及应急处置所需的知识和技能后,方能安排上岗作业。 企业的新入职从业人员上岗前应经过公司、车间、班组三级安全培训教育,岗前安全教育培训学时和内容应符合国家和行业的有关规定。 在新工艺、新技术、新材料、新设备设施投入使用前,企业应对有关从业人员进行专门的安全生产和 教育培训,确保其具备相应的安全操作、事故预防和应急处置能力。 从业人员在企业内部调整工作岗位或离岗半年以上重新上岗时,应重新进行车间(工段、区、队)和班组级的安全教育培训。 从事特种作业、特种设备作业的人员应按照有关规定,经专门安全作业培训,考核合格,取得相应资格后,方可上岗作业,并定期接受复审。 企业专职应急救援人员应按照有关规定,经专门应急救擾培训,考核合格后,方可上岗,并定期参加复训。 其他从业人员每年应接受再培训,再培训时间和内容应符合国家和地方政府的有关规定。 对操作岗位人员进行安全教育和生产技能培训和考核,考核不合格的人员,不得上岗。 对新上岗人员进行岗前安全教育培训。 在新工艺、新技术、新材料、新设备设施投入使用前,应对有关操作岗位人员进行专门的安全教育和培训。 操作岗位人员转岗、离岗半年以上重新上岗者,应进行所在基层单位(部门和班组)级的安全教育培训,经考核合格后,方可上岗工作。 15 未经培训考核合格就上岗的,每人次扣2分; 未进行岗前安全教育培训的,每人次扣2分; 未达到规定的学时数的,每人次扣2分; 在新工艺、新技术、新材料、新设备设施投入使用前,未对岗位操作人员进行专门的安全教育培训的,每人次扣2分; 未按规定对转岗、离岗者进行培训考核合格就上岗的,每人次扣2分。 从事特种作业的人员应取得特种作业操作资格证书,方可上岗作业。 10 无特种作业操作资格证书上岗作业的,每人次扣3分; 证书过期未及时审核的,每人次扣2分; 缺少特种作业人员档案资料的,每人次扣1分。 3.2.3其他人员教育培训 企业应对进入企业从事服务和作业活动的承包商、供应商的从业人员和接收的中等职业学校、高等学校实习生,进行入厂安全教育培训,并保存记录。 外来人员进人作业现场前,应由作业现场所在单位对其进行安全教育培训,并保存记录。主要内容包括:外来人员人厂有关安全规定、可能接触到的危害因素、所从事作业的安全要求、作业安全风险分析及安全控制措施、应急知识等。 企业应对进人企业检査、参观、学习等外来人员进行安全教育,主要内容包括:安全规定、可能接触到的危险有害因素、应急知识等。 义务消防员应参加消防安全培训;必须经过有资质的专业培训单位组织的消防安全培训。 企业应对相关方的作业人员进行安全教育培训。作业人员进入作业现场前,应由作业现场所在单位对其进行进入现场前的安全教育培训。 对外来参观、学习等人员进行有关安全规定、可能接触到的危害及应急知识等内容的安全教育和告知,并由专人带领。 对于房客、就餐及其他进行业务活动的客户,应在明显或易于客户获取的位置设置安全告知、急救逃生等信息。 15 抽查有关岗位从业人员证书,没有培训的,每缺一人扣5分。扣完该项标准分为止。 未对相关方作业人员进行培训的,扣10分。相关方作业人员未经安全教育培训进入作业现场的,每人次扣2分;对外来人员未进行安全教育和危害告知的,每人次扣2分;内容与实际不符的,每处扣1分;未按规定正确使用个体防护用品的,每人次扣1分;无专人带领的,扣3分。 对于房客、就餐及其他进行业务活动的客户,无设置安全告知、急救逃生等信息的,每处扣3分。 小计 70 4.现场管理 4.1 设备设施管理 4.1.1 设备设施建设 企业总平面布置应符合GB50187的规定,建筑设计防火和建筑灭火器配置应分别符合GB50016和GB50140的规定;建设项日的安全设施应与建设项目主体工程同时设计、同时施工、同时投人生产和使用。 企业应按照有关规定进行建设项目安全生产评价,严格履行建设项目安全设施设计审査、施工、试运行、竣工验收等管理程序。 新改扩工程应建立建设项目安全设施“三同时”管理制度。 5 无该项制度的,不得分;制度不符合有关规定的,每处扣1分。 4.1.2 设备设施验收 企业应执行设各设施采购、到货验收制度,购置、使用设计符合要求、质量合格的设备设施。设备设施安装后企业应进行验收,并对相关过程及结果进行记录。 严格执行 “三同时”管理制度,根据项目情况按有关规定进行安全生产条件论证、安全评价提交审查和竣工验收及备案等工作。 使用、开业前或改建、扩建、装修和改变用途应依法申报,办理行政审批手续。 10 未执行“三同时”要求的,不得分;未依法申请办理行政审批的,不得分;手续不全的,不得分。按照有关规定需要进行安全条件论证、安全评价、提交审查和竣工验收及备案等工作的,每缺少一个扣3分。 4.1.3 设备设施运行 企业应对设备设施进行规范化管理,建立设备设施管理台账。 企业应有专人负责管理各种安全设施以及检测与监测设备,定期检查维护并做好记录。 企业应针对高温、高压和生产、使用、储存易燃、易爆、有毒、有害物质等高风险设备,建立运行、巡检、保养的专项安全管理制度,确保其始终处于安全可靠的运行状态。 安全设施不应随意拆除、娜用或弃置不用;确因检维修拆除的,应采取临时安全措施,检维修完毕后立即复原。 1.客房: (1)应在显著位置放置中英文对照的 “宾客安全须知”、应急疏散图及相关说明。 (2)客房地面、墙面、天花板应无破损、无开裂、无脱落。 (3) 配置的电气用品完好、有效、安全、可靠。 (4) 客房卫生间须采取有效防滑措施,浴缸应配备防滑垫,并有“小心滑倒”等警示标志;浴室扶手无松动、脱落;排风扇完好、有效。 (5)客房内应配备应急手电筒、防烟面具等逃生器材及使用说明。 2.客房楼层 (1)楼层通道(消防通道)疏散指示标志清晰。 (2)公共区域地面打蜡或拖地时必须放置警示牌。 (3)按照标准配备消防器材。 (4)疏散通道的门应向疏散方向开启,并保持关闭状态,不得上锁。 (5)疏散通道不得堆放杂物。 3.餐厅及会议场所 (1)服务人员在清理卫生时应注意检查所有烟头是否完全熄灭。 (2)出入通道和楼梯口应保持畅通,以备疏散。 (3)大宴会厅和大型会议室等人员集中的场所应具有两个以上的安全疏散通道,客人数量不能超出核定的范围。 (4)二层以上的餐厅,营业面积大于80平方米,其疏散楼梯应不少于2个。 (5)按照标准配备消防器材。 4.娱乐场所(歌厅、舞厅、演艺厅等) (1)卡拉OK厅及其包间内应当设置声音或者视、像警报,保证在火灾发生初期,将各卡拉OK房间的画面、音响消除,播送火灾警报,引导人们安全疏散。设置的电源线路应当符合国家标准或者行业标准;临时用电线路应当采取有效防护措施;电气设备应当安装漏电和过载保护装置。舞台幕布、银幕、窗帘等应当采用经过防火处理的材料。 (2)娱乐场所应当保证安全出口的畅通;不得封闭、堵塞安全出口;安全出口处不得设置门槛。 (3)疏散门应当向疏散方向开启,不得采用卷帘门、转门、吊门、侧拉门。门内和门外1.4米范围内不得设置踏步。 (4)娱乐场所内设置的包间、包厢,应当在房门上安装高度适宜、面积不小于0.2平方米、能够展现室内整体环境的透明窗口,不得设置内锁和套间、卫生间;设置长明灯,不得设置可调灯光。 (5)娱乐场所的出入口、主要通道应当安装闭路电视监控设备,并保证闭路电视监控设备在营业期间正常运行,不得中断。 (6)娱乐场所的营业区域内的安全出口、疏散通道和重点部位应当设置应急照明灯。应急照明灯的连续照明时间不得少于20分钟,其地面最低照度不得低于0.5勒克斯。 (7)娱乐场所的核定人数按照营业区域面积计算,平均每人不得小于1.5平方米。核定人数在500人以上的歌舞娱乐场所,应当安装人员流量统计装置。 (8)娱乐场所应当设置报警系统,并在包间、包厢的视频设备上设置开机安全提示语。 (9)按照标准配备消防器材。 5.健身场所 (1)健身房的健身器材应符《健身器材的安全通用要求》(GB 17498)的要求,器材质量稳定,安全可靠,整洁卫生。 (2)健身房应保证所提供的健身服务符合保障健身人员人身财产安全的要求,器材醒目处张贴有器材名称、具体用途、使用说明或图示;对使用不当、容易造成器材损坏或可能危及人身财产安全的器材、设施等应做出真实的说明和明确的警示,并说明正确使用的方法。 6.洗浴场所 (1)各厅室须设置电源控制分闸,电源线与可燃结构的安全距离>10厘米,或设非燃隔离层。 (2)配电线路须穿金属管线保护。 (3)禁止拉临时电线; (4)凡移动的电器设备,其电源线必须采用符合国家和行业标准的产品、电缆,并严格按产品使用说明书进行操作,不得超负荷运载; (5)应定期对用电设备进行检修维护,保证用电安全; (6)按照标准配备消防灭火器等消防器具。 (7)场所内设置中英文对照的《宾客安全须知》及有关警示标志。 7.游泳场所 (1)水上救生员数量:人工游泳池(水面面积≤250平方米,配备专职水上救生员数量≥2名,水面面积每增加250平方米,配备专职水上救生员数量增加1名);天然游泳池(水面面积≤360平方米,配备专职水上救生员数量≥2名,水面面积每增加360平方米,配备专职水上救生员数量增加1名); (2)游泳池营业期间应配备经过专业培训,且取得合格证书的专职救生人员及救生设备;救生员应当持证上岗,并佩带明显标识。 (3) 要有水深标志。 (4) 按规定对次氯酸钠等消毒物品进行保存和使用。 8.其他娱乐场所 (1)各种设备设施应符合相关规定的要求,并保持完好、有效的状态。 (2)按规定设置安全标志。 (3)保持疏散通道畅通。 (4)按照标准配备消防器材。 (5)按规定配备应急设备设施,并保持完好状态。 50 现场检查、查阅资料,不符合要求、 或资料不全的,每发现一处扣2分。 建立设备、设施运行、检修、维护、保养管理制度。 5 无该项制度的,不得分;缺少内容或操作性差的,扣1分。 建筑物: 1.建筑物符合国家相关规定,并经有关部门验收合格。 2.室内装修、装饰,应当按照消防技术标准的要求,使用不燃、难燃材料。装修、装饰施工应当符合消防有关规定。 3.不得在设有营运场所或仓库的建筑内设员工宿舍。 4.楼层管道井应当封闭。 5.建筑物应按规定安装避雷装置。 6.安全出口、疏散通道、疏散门、应急照明和标志符合有关规定。 10 查阅资料和现场检查相结合,现场不符合要求的,每一处扣5分。 仓储设施: 1.库房的房顶、墙壁、地面要坚固,门窗有防护装置,闷顶不得与其他房间相通;库房钥匙应当由专人保管使用;严禁无关人员入内;贵重物品库房应当安装报警装置。 2.应在明显位置设立“严禁吸烟和使用明火及携带火种进入仓储房”的警示牌。 3.仓储房内存放的物品要分类、分跺码放、堆放整齐,码放面积要符合相关规定。 4.仓储房内的照明灯具及线路必须完好,禁止乱拉临时线,超负荷用电,防止线路老化。 5.仓储房内电气线路敷设要符合相关规定,不得使用电炉、电取暖器、电熨斗、电烙铁等电器设备。 6.电源开关箱应设立在库房外,不得使用闸刀开关。 7.仓库内除了固定的照明外,不允许使用其它电器。 8.可燃物品库房不应设置卤钨灯等高温照明设备。 9.酒品、洗涤和消毒用品、皮草间等储存应按有关规定执行。 10.库房内严禁留人住宿。 5 查阅资料和现场检查相结合,现场不符合要求的,每一处扣2分。 消防设备: 1.消防设备的选用及安装应符合国家标准和有关规定,设备档案完整,安全状态良好。 2.建筑消防设施的产权单位或者使用单位应当建立和落实消防设施的管理、检查、检测、维修、保养、建档等工作制度,对建筑消防设施、电器设备、电气线路每年至少进行一次全面检测,检测报告存档备查。 3.消防控制室的门应向疏散方向开启,且入口处应设置明显标志。消防控制室应设置单独的外线电话。 4.有完整的报警记录和设备运转情况记录。 5.设备各项联动、操控及显示等功能运行良好。 6.设备、设施、工具、配件等完整无缺陷,处于正常工作状态。 7.设备的防护、保险、信号等安全装置无缺陷。 8.应当配有中文(涉外单位还应配有英文)紧急疏散广播录音或书面的广播词,广播应覆盖所有营业区域。 10 现场检查、查阅资料,不符合要求或资料不全的,每发现一处扣2分;有缺陷的,每发现一处,扣2分。 注:对设备抽查以在册数(H)按比例抽取,抽查的数量应覆盖所有种类的设备,抽查数量按下列规定: H≤10,抽查H台; 10<H≤100,抽查10台; 100<H≤500,抽查15台; 500<H≤1000,抽查20台; H>1000,抽查30台。 闭路电视监视系统: 在酒店的大堂、客房走廊等公共区域应安闭路电视监控设备,对公共安全部位进行监控,闭路电视监控区域应覆盖主要出入口,前厅、电梯间、客房通道和贵重物资集中场所(如收银处、仓库等),商场、地下车库及其他区域。 5 现场检查、查阅资料,不符合要求或资料不全的,每发现一处扣2分;有缺陷的,每发现一处,扣2分。 计算机房设备: 1.设备选用及安装符合国家标准和有关规定。 2.设备档案完整,安全保密性能良好。 3.机房的环境符合设备正常运行的安全要求,各项操控及显示等功能状态良好。 4.设备、设施、工具、配件等完整无缺陷。 5.设备的防护、保险、信号等安全装置无缺陷。 6.有完整的工作记录。 5 现场检查、查阅资料,不符合要求或资料不全的,每发现一处扣2分;有缺陷的,每发现一处,扣2分。 空调机房: 1.机房中制冷剂储存量不应超过150千克,严禁易燃易爆的制冷剂储存在机房中。 2.盛装回收制冷剂的容器其盛装量不得超过允许盛装量。 3.应定期检测循环冷却水和冷冻水,水质标准符合国家GB50050标准;冷却水系统应具有过滤、缓蚀、阻垢、杀菌、灭藻等水处理功能。 4.压力容器的使用、管理必须符合《压力容器安全技术监察规程》要求。 5.制冷剂钢瓶必须离明火10米以上。 6.不得对瓶体进行焊接,不得使用报废的钢瓶;不得自行处理瓶体内的残液。 7.制冷剂钢瓶内残留不少于0.5~1%规定充注量的制冷剂。 8.制冷机组压力控制安全防护装置经调整、校验后,应做好记录,压力表、安全阀进行铅封处理。 9.压缩机水套、水冷冷凝器、蒸发式冷凝器、冷水机组蒸发器、冷冻水、冷却水系统应设断水保护装置。 10.氨制冷机房所有电器必须都是防爆型,并采用双电源供电。 11.外露运动部件和直通大气的进、出口,必须装设防护罩(或防护网)。 12.制冷作业单位负责人、安全管理人员、操作人员、制冷剂充装人员必须经过专门的培训,持证上岗。 13.有完整的运行记录。 5 现场检查、查阅资料,不符合要求或资料不全的,每发现一处扣2分;有缺陷的,每发现一处,扣2分。 厨房设备: 1.机械运转部位有完好可靠的防护装置。 2.搅拌操作的容器必须加盖密封且盖机联锁。 3.PE(N)线连接可靠,电源线路完好。 4.每台设备应有单独控制开关。 5.凡有碾、绞、压、挤、切伤可能的部位均应有可靠防护。 6.抽风和给排水系统完好无缺陷。 7.使用和备用的液化石油气瓶标定总重量超过100千克或者气瓶总数超过30瓶的,应当按照有关规定设置气瓶间。高层建筑内的餐饮场所不得使用瓶装液化石油气。 8.气瓶间内不得设置电器开关,不得放置易燃物品等杂物,应有通风设施。瓶库周围应划定禁火区、设置明显的安全警示标志,并配备相应数量的干粉灭火器。 9.操作间使用液化石油气的,灶具与气瓶之间的净距离不得小于0.5米,灶具与气瓶连接的软管长度不得超过2米。软管应当经常检查,定期更换。 10.用气场所应当按照有关规定安装可燃气体浓度报警装置,配备干粉灭火器等消防器材。 11.对燃气管道、燃气管道自动切断阀、调压装置、燃气灶具、阀门等进行定期检查,并做好记录。 12.厨房灶台及油烟机应保持清洁无油垢,厨房灶台照明应使用防潮灯,厨房的烟道按规定清洗并留有记录,灶台附近应配备灭火毯和消防器材。 13.灭菌、消毒、防疫设备设施及用具符合相关规定。 10 现场检查、查阅资料,不符合要求或资料不全的,每发现一处扣2分;有缺陷的,每发现一处,扣2分。 洗涤设备: 1.机械运转部位有完好可靠的防护装置。 2.洗涤操作的容器必须加盖密封且盖机联锁,铰位灵活。 3.PE(N)线连接可靠,电源线路完好。 4.每台设备应有单独控制开关。 5.凡有碾、绞、压、挤、切伤可能的部位均应有可靠防护。 6.地毯机的泡箱出泡口畅通、泡箱内的隔网无堵塞,地毯刷完整、锁位无破损。 7.高速磨光机的针盘完整、配针坚固、磨光垫选用正确无烂损。 8.吸水泵应设有控制开关和漏电保护装置,应装设与负荷匹配的熔断器。 9.蒸汽管道和阀门必须有保温装置,防止烫伤;水、汽管路无滴漏现象。 5 现场检查、查阅资料,不符合要求或资料不全的,每发现一处扣2分;有缺陷的,每发现一处,扣2分。 梯台及防护栏杆: 1.焊接处应无裂纹和可见的表面气孔。 2.结构的外型不应有歪斜、扭曲、变形,以及明显的锈蚀等缺陷。 3.梯台及防护栏杆的结构连接及固定支撑牢固。 4.在室外安装的梯台及防护栏杆的防雷电保护、防雷电连接和接地附件应符合GB50057的要求。 3 现场检查、查阅资料,不符合要求或资料不全的,每发现一处扣2分;有缺陷的,每发现一处,扣2分。 电气设备的选用及安装符合国家标准和有关部门规定,设备档案完整。 1.变配电系统 (1)变配电室的门应向外开,相邻配电室的门应双向开,高压配电间的窗、门应装防护网,防护网的网孔尺寸应小于10×10毫米。(2)高、低压配电柜的母线相序标志正确,应设置接地母排和接地端子,且与接地系统连接,并有接地标志。(3)电气运行指示仪表显示正确,控制装置完好,操纵机构和联锁机构可靠。(4)双电源供电或自有发电应设有联锁安全装置。(5)空气开关灭弧罩应完整。(6)电力电容器外壳无膨胀,无漏
展开阅读全文

开通  VIP会员、SVIP会员  优惠大
下载10份以上建议开通VIP会员
下载20份以上建议开通SVIP会员


开通VIP      成为共赢上传
相似文档                                   自信AI助手自信AI助手

当前位置:首页 > 行业资料 > 酒店餐饮

移动网页_全站_页脚广告1

关于我们      便捷服务       自信AI       AI导航        抽奖活动

©2010-2026 宁波自信网络信息技术有限公司  版权所有

客服电话:0574-28810668  投诉电话:18658249818

gongan.png浙公网安备33021202000488号   

icp.png浙ICP备2021020529号-1  |  浙B2-20240490  

关注我们 :微信公众号    抖音    微博    LOFTER 

客服