收藏 分销(赏)

哈六中高二3月月考物理试题(无答案).docx

上传人:x****s 文档编号:12692153 上传时间:2025-11-25 格式:DOCX 页数:5 大小:79.60KB 下载积分:15 金币
下载 相关 举报
哈六中高二3月月考物理试题(无答案).docx_第1页
第1页 / 共5页
哈六中高二3月月考物理试题(无答案).docx_第2页
第2页 / 共5页


点击查看更多>>
资源描述
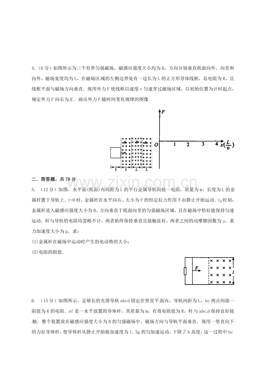
哈六中2025届高二下学期3月阶段检查 物理试卷 一.填空、作图题,共22分 1.(6分)如图所示,磁场与线圈平面垂直,先后以速度v1和v2匀速把一矩形线圈拉出有界匀强磁场区域,v1=3v2.在先后两种情况下, 线圈中的感应电流之比为____________线圈中产生的焦耳热之比为____________通过线圈某截面的电荷量之比为____________ 新*课*标*第*一*网] 2. (6分)在如图甲所示的电路中,R1、R2均为定值电阻,且R1=100Ω,R2阻值未知,R3是一滑动变阻器,当其滑片从左端滑至右端时,测得电源的路端电压随电流的变化图线如图乙所示,其中A、B两点是滑片在变阻器的两个不同端点得到的,则电源的电动势为________内阻为___________定值电阻R2的阻值为__________ 3. (4分)长为L的水平极板间有垂直纸面向里的匀强磁场,如图所示.磁感应强度为B,板间离也为L,极板不带电.现有质量为m、电荷量为q的带正电粒子(不计重力),从左边极板间中点处垂直磁感线以速度v水平射入磁场,欲使粒子不打在极板上,粒子的速度范围为_____________[来源:学_科_网] 4. (6分)如图所示为三个有界匀强磁场,磁感应强度大小均为B,方向分别垂直纸面向外、向里和向外,磁场宽度均为L,在磁场区域的左侧边界处有一边长为L的正方形导体线框,总电阻为R,且线框平面与磁场方向垂直.现用外力F使线框以速度v匀速穿过磁场区域,以初始位置为计时起点,规定外力F向右为正.画出外力F随时间变化规律的图像 二.简答题,共78分 5. (12分)如图,水平面(纸面)内间距为L的平行金属导轨间接一电阻,质量为m、长度为L的金属杆置于导轨上.t=0时,金属杆在水平向右、大小为F的恒定拉力作用下由静止开始运动.t0时刻,金属杆进入磁感应强度大小为B、方向垂直于纸面向里的匀强磁场区域,且在磁场中恰好能保持匀速运动.杆与导轨的电阻均忽略不计,两者始终保持垂直且接触良好,两者之间的动摩擦因数为μ.重力加速度大小为g.求: (1)金属杆在磁场中运动时产生的电动势的大小; (2)电阻的阻值. 6. (15分)如图所示,足够长的光滑导轨abcd固定在竖直平面内,导轨间距为L,bc两点间接一阻值为R的电阻.ef是一水平放置的导体杆,其质量为m,有效电阻值为R,杆与abcd保持良好接触.整个装置放在磁感应强度大小为B的匀强磁场中,磁场方向与导轨平面垂直.现用一竖直向下的力拉导体杆,使导体杆从静止开始做加速度为1.5g的匀加速运动,下降了h高度,这一过程中bc间电阻R产生的焦耳热为Q,g为重力加速度,不计导轨电阻及感应电流间的相互作用.求: (1)导体杆下降h过程中通过杆的电荷量; (2)导体杆下降h时所受拉力F的大小; (3)导体杆下降h过程中拉力做的功. 7. (12分)如图所示,质量m=0.1 g的小球,带有q=5×10-4C的正电荷,套在一根与水平方向成θ=37°角的绝缘杆上,小球可以沿杆滑动,与杆间的动摩擦因数μ=O.4,这个装置放在磁感应强度B=O.5 T的匀强磁场中,求小球无初速度释放后沿杆下滑的最大加速度和最大速度.(g取10 N/kg) 8. (13分)如图,两个共轴的圆筒形金属电极,外电极接地,其上均匀分布着平行于轴线的四条狭缝a、b、c和d,外筒的外半径为r0.在圆筒之外的足够大区域中有平行于轴线方向的均匀磁场,磁感应强度的大小为B,在两极间加上电压,使两圆筒之间的区域内有沿半径向外的电场.一质量为m、带电量为+q的粒子,从紧靠内筒且正对狭缝a的S点出发,初速度为零.如果该粒子经过一段时间的运动之后恰好又回到出发点S,则两极之间的电压U应是多少?(不计重力,整个装置在真空中.) 9. (12分)一根长为L的丝线吊着一质量为m、电荷量为q的带电小球静止在水平向右的匀强电场中,如图所示,丝线与竖直方向成37°角,现突然将该电场方向变为竖直向下且大小不变,不考虑因电场的改变而带来的其他影响(重力加速度为g),求: (1)匀强电场的电场强度的大小; (2)小球经过最低点时受到的拉力的大小. [来源:学§科§网Z§X§X§K] [来源:学#科#网Z#X#X#K] 10. (14分)如图所示的真空管中,质量为m、电量为q的电子从灯丝F发出,经过电U1加速后沿中心线射入相距为d的两平行金属板B、C间的匀强电场中,通过电场后打到荧光屏上,设B、C间电压为U2,B、C板长为L1,平行金属板右端到荧光屏的距离为L2,求:电子打到荧光屏上的位置偏离屏中心距离. 不用注册,免费下载!
展开阅读全文

开通  VIP会员、SVIP会员  优惠大
下载10份以上建议开通VIP会员
下载20份以上建议开通SVIP会员


开通VIP      成为共赢上传

当前位置:首页 > 教育专区 > 高中物理

移动网页_全站_页脚广告1

关于我们      便捷服务       自信AI       AI导航        抽奖活动

©2010-2026 宁波自信网络信息技术有限公司  版权所有

客服电话:0574-28810668  投诉电话:18658249818

gongan.png浙公网安备33021202000488号   

icp.png浙ICP备2021020529号-1  |  浙B2-20240490  

关注我们 :微信公众号    抖音    微博    LOFTER 

客服