收藏 分销(赏)

高压喷射注浆法旋喷桩法施工工艺标准.doc

上传人:w****g 文档编号:12597737 上传时间:2025-11-08 格式:DOC 页数:11 大小:83.04KB 下载积分:8 金币
下载 相关 举报
高压喷射注浆法旋喷桩法施工工艺标准.doc_第1页
第1页 / 共11页
高压喷射注浆法旋喷桩法施工工艺标准.doc_第2页
第2页 / 共11页


点击查看更多>>
资源描述
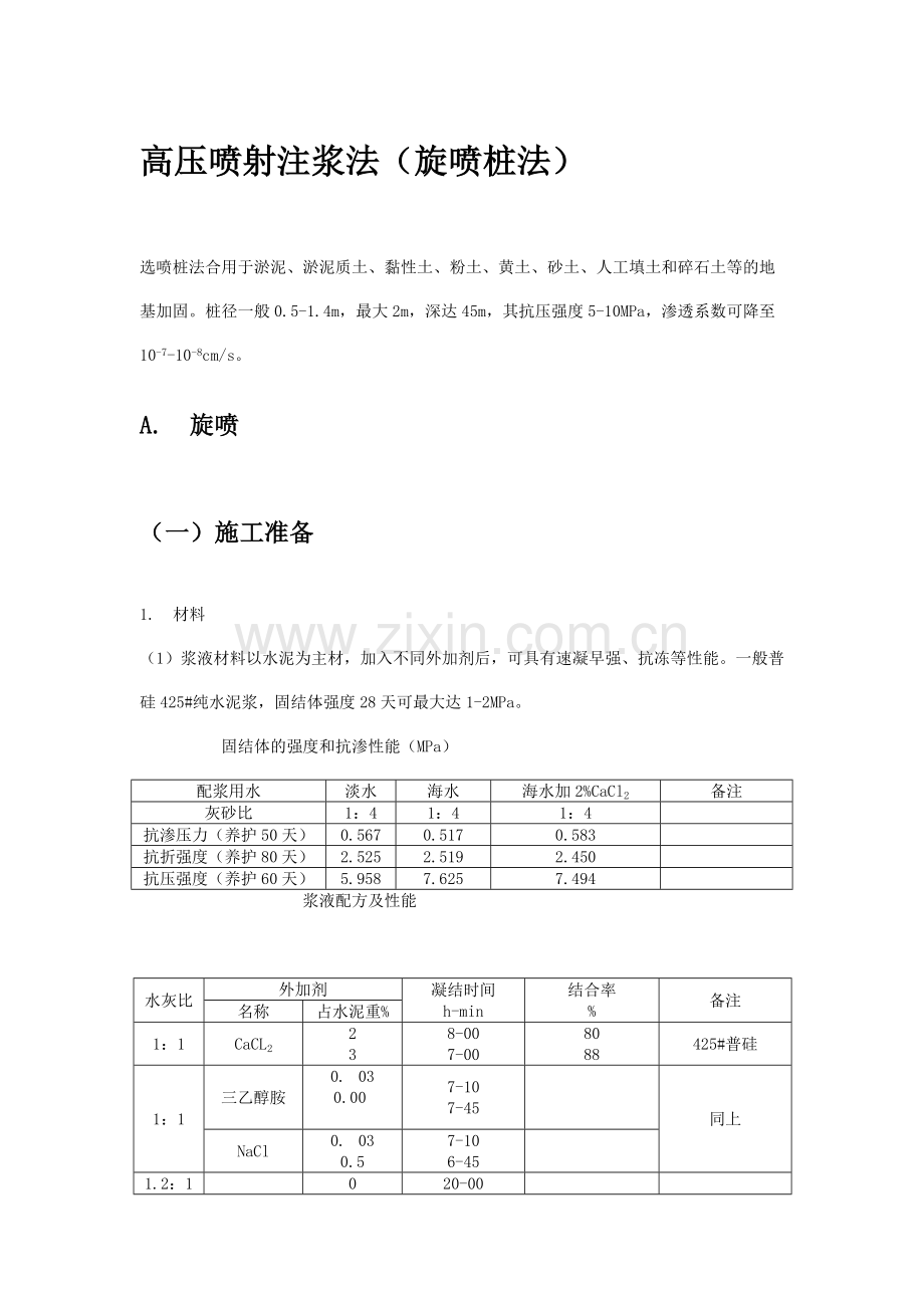
高压喷射注浆法(旋喷桩法) 选喷桩法合用于淤泥、淤泥质土、黏性土、粉土、黄土、砂土、人工填土和碎石土等的地基加固。桩径一般0.5-1.4m,最大2m,深达45m,其抗压强度5-10MPa,渗透系数可降至10-7-10-8cm/s。 A. 旋喷 (一)施工准备 1. 材料 (1)浆液材料以水泥为主材,加入不同外加剂后,可具有速凝早强、抗冻等性能。一般普硅425#纯水泥浆,固结体强度28天可最大达1-2MPa。 固结体的强度和抗渗性能(MPa) 配浆用水 淡水 海水 海水加2%CaCl2 备注 灰砂比 1:4 1:4 1:4 抗渗压力(养护50天) 0.567 0.517 0.583 抗折强度(养护80天) 2.525 2.519 2.450 抗压强度(养护60天) 5.958 7.625 7.494 浆液配方及性能 水灰比 外加剂 凝结时间 h-min 结合率 % 备注 名称 占水泥重% 1:1 CaCL2 2 3 8-00 7-00 80 88 425#普硅 1:1 三乙醇胺 0. 03 0.00 7-10 7-45 同上 NaCl 0. 03 0.5 7-10 6-45 1.2:1 0 20-00 CaCl2 3 12-00 76-85 三乙醇胺 0.05 14-00 75-80 NaCl 0.5 14-00 75-80 (2)喷浆量可按下列两种方法计算取大值) (3)对地下水丰富的工程需要在水泥浆中掺入速凝早强剂,通常有氯化钙、水玻璃及三乙醇胺等,用量为水泥用量的2%-4%,初期强度能提高1.6-2.4倍。 (4)旋喷固结体的平均抗压强度为20MPa以上高强型,一般注浆用的水泥规定不低于525号普硅水泥,通常掺入高效能扩散剂有NNO、NR3、NaNa2、Na2SiO3等。 (5)对于有抗渗规定的旋喷固体,不宜使用矿渣水泥,如仅规定抗渗而无抗冻规定的可使用火山灰水泥,在水泥浆中掺入2%-4%的水玻璃,注浆用的水玻璃模数规定在2.4-3.4较为合适,浓度要在30-45波美度为宜。 (6)对改善型,在水泥浆中掺入膨润土,使浆液悬浮性增长,微减小水泥颗粒沉淀量,以至浆液的析水率减小,稳定性强,其配方为: 水:水泥:陶土:碱(水玻璃)=1:1:3:0.0009 (7)在水泥浆中掺入其它外加剂,如铝酸钠、三乙醇胺(NR3)、β-萘磺酸盐甲醛缩合物(NF)、氧节——节树脂磺酸盐(CRS)、亚甲基二萘磺酸钠(NNO)、沸石粉等,按不土规定的流定性和稳定度凝结时间或提高抗压强度作适当选择。 2. 作业条件 选喷注浆加固方案拟定前需要进行实验性调查及工作准备。 (1) 工程地质资料,各钻孔柱状图及地质剖面图,有各土层的物理力学特性,化学成分,各种规定参数齐全。 (2) 旋喷体作端承桩时,应注意持力层顶面的起伏变化情况,用作摩擦桩的注意土层不均匀性,有无软弱夹层。 (3) 室内配方,为了解喷射注浆后桩体也许有的强度和决定浆液合理配合比,必须取现场各层土样,在室内按不同的含水量和配合比进行配方实验,优选出最合理的浆液配方。 (4) 根据估算喷射直径来选用喷射注浆的种类和喷射方式。 (5) 旋喷桩其桩距L以旋喷直径2-3倍为宜,布置形式按工程需要而定。 (二)操作工艺 旋喷桩是在普通化学注浆法的基础上发展起来的加固土体的一种新方法,是采用高压射水掘削岩土的一项技术。用高压泵(一般为15-25MPa)把水泥系或水玻璃系浆液通过钻杆端头的特殊喷嘴,以高速喷入土层,喷嘴在喷浆液时,一面缓慢旋转(20r/min)、一面渐渐提高(一般为15-30cm/min)高压浆液的水平射流,不断切削土层,并使强制切削下来的土与浆液进行混合,最后在喷射力的有效射程范围内形成一个由圆状混合物连续堆积成圆形凝柱体。 1. 旋喷是高压射浆中的一种,在土中也许形成圆柱状、盘状、壁状和扇状等单一形状或两种综合固结体(水泥-土体)、旋喷注浆旋工工艺流程如下图: 高 压 喷 射 注 浆 作 业 插 管 钻 孔 调 整钻架角度 钻 机 就 位 器 械 清 洗 拔 管 喷 射 结 束 试 管 打 管 泥浆的排池解决作业 2. 一般都是先把浆液管下(打)到预定加固范围最深点,然后自上而下进行高压喷射注浆(加凝固剂)切割土体,将开孔和灌注桩体同时进行,一次成桩,其工作环节为: (1) 钻机就位:钻机需平置于牢固坚实的地方,钻杆(注浆管)对准孔位中心,偏差不超过10cm,打斜管时需按设计调整钻架角度。 (2) 钻孔下管或打管:钻孔的目的是将注浆管顺利置入预定位置,可先钻孔后下管,亦可直接打管,在下(打)管过程中,需防止管外泥砂或管内水泥浆小块堵塞喷嘴。 (3) 试管:当注浆管置入土层预定深度后应用清水试压,若注浆设备和高压管路安全正常,则可搅拌制作水泥浆开始高压注浆作业。 (4) 高压注浆作业:浆液的材料、种类和配合比,要视加固对象而定,在一般情况下,水泥浆的水灰比为1:1-0.5,若用以改善灌注桩桩身质量,则应减小水灰比或采用化学浆。 高压射浆自上而下连续进行,注意检查浆液初凝时间、注浆流量、风量、压力、旋转和提高速度等参数,应符合设计规定。喷射压力高即射流能量大,加固长度大,效果好,若提高速度和旋转速度适当减少则加固长度,随之增长,在射浆过程中参数可随土质不同改变,若参数不变,则容易使浆量增大。 (5) 喷浆结束与拔管:喷浆由下而上至设计高度后,拔出喷浆管,喷浆即告结束,拔浆液填入注浆孔中,多余的清除掉,但需防止浆液凝固时产生收缩的影响,拔管要及时,切不可久留孔中,否则浆液凝固后不能拔出。 (6) 浆液冲洗:当喷浆结束后,立即清洗高压泵、输浆管路、注浆管及喷头。 3. 旋喷法形式有单管法、二重管法、三重管法、多重管法、干喷法,各具特色,可根据工程规定和土质任意选用。 (1) 单管法:单独喷射高压水泥浆的单管法,使用φ42mm或φ50mm的地质钻杆为注浆管、喷射流为浆液,以20Mpa压力从喷嘴中喷出,直接冲击切削土体,直径一般0.3-0.8m,深度达45m。 (2) 二重管法:高压水泥浆液和压缩空气同轴喷射的二重管法,使用了双通道的二重管,分别输送浆液和空气二种介质,喷射流为浆液及空气,以20Mpa的高压浆液喷射流外围绕一圈0.7Mpa 空气喷射流,在它们共同作用下破坏土体。桩径介于单管与三重管之间,一般为0.8-1m,深度达20m。 (3) 三重管法:高压水、压缩空气和水泥浆同时喷射的三重管法,施工时预先用钻机(或振动桩机)钻成直径为φ150-219mm的孔,然后将三重旋喷管(TY-301型)插入孔内旋喷,使用三根管子重合在一起,互不相通的三重管,分别输送水、空气和浆液三种介质,喷射流为水和空气,即以20Mpa的水喷射流,外围绕一圈0.7Mpa的空气,浆液填充喷射流导致的空隙,桩径一般为1-2m,深度达30m。 4. 清水开孔、二次成桩旋喷新工艺 清水开孔喷注浆是将开孔与成桩工艺分开进行,开孔使用高压清水由上至下,即钻机立好以后,喷嘴即喷出压力为20Mpa以上高压清水,用高压水冲切土,旋转钻杆,并按每分钟20cm的速度往下钻,使喷射流成扁平的螺旋形冲切钻杆周边土体,形成圆柱形的空孔,钻杆不断往下钻,由高压水冲切出的泥浆不断上冒,钻孔不断加深,钻孔下至预定设计孔深,钻孔便即告完毕。待钻杆下至预定深度后,浆喷射高压水换成喷射高凝固浆液(水泥浆或水泥化学浆)进行旋转,并渐渐提高钻杆,借喷射旋转的提高的协调作用,将凝固浆液和原钻孔重的沉渣以及新的冲切土体旋转成一体,从而固化成桩,钻杆提高到那里,桩体就在那里形成。 (三)质量标准 1.保证项目 (1) 旋喷桩使用的水泥品种、标号、水泥浆的水灰比和外加剂的品种、单量必须符合设计规定。 检查方法:检查出厂证明、合格证、实验报告。 (2) 现场载荷实验:拟定单桩承载力。 (3) 开挖检查:旋喷桩体凝固7天后,经开挖作直观检查、现场取样、加工成标准试块立方体,检查单轴抗压强度。 2.基本项目 (1) 旋喷桩深度、直径、整体性、桩体强度等及其物理力学性能必须符合设计规定。 检查方法:钻孔取样检查和标准贯入实验,平板载荷实验、开挖检查和检查施工日记。 (2) 冒浆体试块实验,取施工过程中冒浆体实验其物理性能,作为判断强度参数,所取冒浆应选取喷射后期的即水泥与土混合状态较接近地下实际混合状态的冒浆。 (3) 检查桩体均匀性,钻孔取芯,并可检查抗压强度。 (4) 标贯实验,成桩后两周内进行实验,根据触探击数N10用对比法来判断桩身强度。 3. 允许偏差 旋喷桩的质量允许偏差和检查方法应符合下表的规定。 检查数量:按桩数抽5%。 项目 允许偏差 检查方法 桩体中心位置 50 拉线及尺量检查 钻孔垂直度 1.5H/100 用测斜仪或吊线和尺量检查 (四)施工注意事项 1. 避免工程质量通病 (1) 钻机就位后应进行水平、垂直校正,钻杆应与桩位吻合,偏差控制在10mm内。 (2) 旋喷桩施工前必须拟定旋喷参数(旋喷速度、提高速度、喷最直径)。 旋喷施工重要技术参数 项目 单管法 二重管法 三重管法 参 数 喷嘴直径(mm) φ2-3 φ2-3 φ2-3 喷嘴个数(个) 2 1-2 1-2 旋喷速度(r/min) 20 10 5-15 提高速度(m/min) 20-25 10 5-15 机 具 性 能 高压泵 压力(Mpa) 20-40 20-40 20-40 流量(L/min) 60-120(浆液) 60-120(浆液) 60-120(水) 空压机 压力(Mpa) — 7 7 流量(L/min) — 1-3 1-3 泥浆泵 压力(Mpa) — - 20-50 流量(L/min) — — 100-150 浆液配合比 水:水泥:陶土:碱=1.5:1:0.03:0.0009 旋喷深层长桩,倘若单一固定旋喷参数形成直径不均,上部较粗,下部较细的固结体,严重影响旋喷固结体的质量和抗渗作用,则应根据不同深度、不同土质情况变化,选择合适的旋喷参数,才干获得均匀密实的长度。 旋喷注浆加固土体的直径(m ) 单管法 二重管法 三重管法 多重管法 黏性土 0<N<10 10<N<20 20<N<30 1. 2±0.2 0. 8±0.2 0.6±0.2 1.6±0.3 1.2±0.3 0.8±0.3 2-4 砂性土 0<N<10 10<N<20 20<N<30 1.0±0.2 0.8±0.2 0.6±0.2 1.4±0.3 1.2±0.3 1.0±0.3 砂砾 20<N<30 0.6±0.2 1.0±0.3 注:1.定喷加固土的长度为旋喷长度的1倍。 2.N为标准贯入值。 (3)旋喷桩管达成预定深度后,应进行高压射水实验,合格后方可喷射浆液,待达成预定压力排量后,再逐渐提高旋喷管,深层旋喷时应先喷浆后旋喷和提高,防止注浆管扭断。 喷注种类 固结体性质 单管法 二重管法 三重管法 单桩垂直极限荷载(N) 500-600 1000-1200 2023 单桩水平极限荷载(N) 30-40 最大抗压强度(Mpa) 砂类土10-20,黏性土5-10,黄土5-10,砾砂8-20 平均抗拉/抗压强度 1/5-1/10 弹性模量(Mpa) K×103 干密度(g/cm3) 砂类土1.6-2.0 黏性土1.4-1.5 黄土1.3-1.5 渗透系数(cm/s) 砂类土10-5-10-6 黏性土10-6-10-7 砾砂10-6-10-7 C(MPa) 砂类土0.4-0.5 黏性土0.7-1.0 φ(角度) 砂类土30-40 黏性土20-30 N(击数) 砂类土30-50 黏性土20-30 弹性波速 (km/s) P波 砂类土2-3 黏性土1.5-20 S波 砂类土1.0-1.5 黏性土0.8-1.0 化学稳定性能 较好 (4) 旋喷冒浆解决 1) 冒浆:旋喷时高压喷射在地基中切削土体,其加固范围就是喷射距离加上渗透部分长度为半径的圆柱体。一部分细小的土粒被喷射浆液所置换,随着液流被带到地面上(俗称冒浆),其余与浆液搅拌混合。 2) 在旋喷过程中往往有一定数量土粒随着一部分浆液沿着注浆管冒出地面,通过对冒浆观测,冒浆量小于注浆量20%为正常现象,超过20%或完全不冒浆者,应查明因素,采用相应的措施。 3) 地层中有较大的空隙而引起不冒浆,则可在浆液中掺加适量的速凝剂,缩短固结时间,使浆液在一定范围内凝固。此外,还可在空隙地段增大注浆量,填满空隙,再继续正常旋喷。 4) 冒浆量过大是有效喷射范围与注浆量不适应所致,可采用提高喷射压力;适当缩小喷嘴直径;加快提高和旋喷速度等措施,减小冒浆量。 5) 冒出地面浆液应通过虑、沉淀和调整浓度后才干回收运用,但回收难免没有砂粒,故仅有二重管旋喷法可运用回收的冒浆再注浆。 (5) 在插管旋喷过程中,要注意防止喷嘴被堵,水、汽、浆、压力和流量必须符合设计值,否则要拔管清洗,再重新进行插管和旋喷。使用双喷嘴时,若一个喷嘴被堵,则用复喷方法继续施工。插管过程中,为防止泥砂堵塞,可边射水边插管,水压力控制在1Mpa,高压水喷嘴要用塑料布包裹,以免泥土堵塞。 (6) 选用水泥应经实验及过筛,其细度应在标准筛(孔径0.08mm)的筛余量不大于15%,浆液搅拌后不得超过4小时,当超过时应经专门实验,证明其性能符合规定方可使用。 (7) 钻杆的旋转和提高必须连续不中断,拆卸钻杆要保持钻杆有0.1m以上搭接长度,以免使旋喷固结体脱节,半途机械发生故障,应停止提高、钻杆和旋喷,以防止桩体中断,并应立即检查,排除故障,为提高旋喷桩承载能力,在桩底部1m范围内应采用较长连续时间的措施。 (8) 当采用水泥浆进行旋喷时,在浆液与土搅拌混合的凝固过程中,由于浆液析水作用,一般均有不同限度收缩,导致固结时出现凹陷(凹陷通常在桩顶0.3-1m之间),深度随土质、浆液析出、固体直径等因素而异,当桩头凹陷量大对土加固及防渗影响大,应采用静压注浆补强。 (9) 相邻桩施工间距宜大于4m,相邻两桩施工间隔时间(桩距2D)应小于48小时。 (10) 作为端承桩,应进一步持力层2m为宜。 (11) 旋喷旋喷高压射浆可解决灌注桩质量问题,具体措施: 1) 砼灌注桩有裂缝、孔洞、断桩等质量问题时,可在原桩位钻孔,取出桩芯,在钻孔内注射高压浆液,使桩体获得浓水泥浆填充,增长其整体性。 2) 当砼桩长局限性,桩尖未达成持力层或泥渣土过厚的灌注桩,可采用接桩解决,在灌注桩下端至持力层范围内高压射浆,使柱状固结体与灌注桩相连。 3) 当灌注桩有缩颈、桩体横截面积小,在原桩位旁边喷一个至数个旋喷桩相连,增大原桩截面,提高桩承载力。 4) 对摩阻力小软土层的灌注桩采用旋喷,可改变软土性质,增大桩摩阻力。 2. 重要安全技术措施 旋喷施工的动力泵采用高压喷射为主的手段,尤应注意安全措施。 (1) 高压泥浆泵应全面检查和清洗干净,防止泵体的残渣和铁屑存在,各密封圈完整无泄漏,安全阀中的安全销要进行试压检查,保证能在额定最高压力时断销卸压,压力表应定期检查,保证正常使用。一旦发生故障,要停泵停机排除故障。 (2) 司钻人员需纯熟操作技能,了解注浆全过程及钻机旋喷注浆作用。 (3) 浆液材料不要受潮或变质,使用水泥不受潮,不用结块或过期水泥,对外加剂要分别存放。浆液材料及外加剂均应采用无毒材料。 (4) 高压胶管不能超过压力范围使用,使用时屈弯不小于规定的弯曲半径,防止高压胶管破裂。 3. 产品保护 旋喷桩施工完毕后,不能随意堆放重物,防止旋喷桩变形。 B. 定喷 定喷是一种常用的防渗方法,例如防水帷幕,在喷射时,钻杆只提高不旋转,即所谓定向喷射。根据工程需要,由于定喷喷射出板墙薄而长,形成片状,其整体连续性好,成本较旋喷低。 2. 相邻孔定喷形式 (a) 单喷嘴单墙首尾连接 (b) 双喷嘴单墙前后连接 (c) 双喷嘴单墙折线连接 (d) 双喷嘴双墙折线连接 (e) 双喷嘴夹角单墙连接 (f) 单喷嘴扇形单墙首尾连接 (g) 双喷嘴单墙前后对接 (h) 双喷嘴扇形单墙折线连接。 为了保证定喷墙连接成一帷幕,各板墙间要搭接。 2.定喷重要工艺:定喷时高压喷射灌浆的喷嘴不旋转,只作水平的固定方向喷射,并逐渐向上提高,使在土中冲成一条沟槽,把浆液灌进槽中,从土体上冲落下来的土粒,一部分随着水流与气流被带出地面,其余的颗粒与浆液搅拌混合,最后形成一个板状固结体。
展开阅读全文

开通  VIP会员、SVIP会员  优惠大
下载10份以上建议开通VIP会员
下载20份以上建议开通SVIP会员


开通VIP      成为共赢上传

当前位置:首页 > 品牌综合 > 技术交底/工艺/施工标准

移动网页_全站_页脚广告1

关于我们      便捷服务       自信AI       AI导航        抽奖活动

©2010-2026 宁波自信网络信息技术有限公司  版权所有

客服电话:0574-28810668  投诉电话:18658249818

gongan.png浙公网安备33021202000488号   

icp.png浙ICP备2021020529号-1  |  浙B2-20240490  

关注我们 :微信公众号    抖音    微博    LOFTER 

客服