收藏 分销(赏)

施工组织设计客土喷播.doc

上传人:精**** 文档编号:12597672 上传时间:2025-11-08 格式:DOC 页数:7 大小:53.04KB 下载积分:6 金币
下载 相关 举报
施工组织设计客土喷播.doc_第1页
第1页 / 共7页
施工组织设计客土喷播.doc_第2页
第2页 / 共7页


点击查看更多>>
资源描述
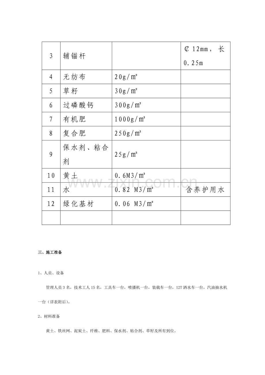
客土喷播施工方案 一、工程概况 本段以粉质粘土土质为主,强风化少量页岩。拟采用4-6cm厚客土喷播的方式进行生态防护,缩短边坡裸露时间,保持边坡稳定,避免因边坡塌方带来的安全隐患,尽快实现绿化景观效果。 二、技术方案 项目部根据边坡土质情况及工程具体情况,本边坡拟采用4-6cm厚客土喷播工艺。安排一个喷播施工班组负责喷播,一个养护班组负责养护管理。 客土喷播施工流程框图: 1、边坡清理 2、测量放线 3、挂网施工 工 5、材料搅拌 料 部门紧密联系 部门紧密联系 部门紧密联系 经理部 6、客土喷射 7、盖无纺布 8、养护管理 4、锚杆施工 客土喷播重要材料规格: 4-6cm厚客土喷播 序号 材料名称 规格 备注 1 机编镀锌铁丝网 丝径¢2.0mm,孔径5x5cm 2 主锚杆 ¢16mm,长0.6m 3 辅锚杆 ¢12mm,长0.25m 4 无纺布 20g/㎡ 5 草籽 30g/㎡ 6 过磷酸钙 300g/㎡ 7 有机肥 1000g/㎡ 8 复合肥 250g/㎡ 9 保水剂、粘合剂 25g/㎡ 10 黄土 0.6M3/㎡ 11 水 0.82 M3/㎡ 含养护用水 12 绿化基材 0.06 M3/㎡ 三、施工准备 1、人员、设备 管理人员3名,技术工人15名,工具车一台,喷播机一台,装载车一台,12T洒水车一台,汽油抽水机一台(详表附后)。 2、材料准备 黄土、铁丝网、泥炭土、纤维、肥料、保水剂、粘合剂、草籽及所有到位。 四、计划工期 计划 年 月底完毕。 五、施工要点 1、客土喷播施工方法 客土喷播是将客土、纤维、保水剂、长效缓释性肥料和种子等按一定比例配合,加入专用设备中充足混合搅拌后,通过机械喷射到坡面上形成所需要的生育基础。该技术形成的耐侵蚀性生育基础使边坡尽快恢复草本群落成为也许,从而达成防护及绿化边坡的目的。客土喷播是目前解决石质边坡绿化的最佳办法,其具有以下几个优点。一是使边坡面不具有植物生长条件的高边坡完全可以实现绿化;二是由于客土的应用,为灌木和树木的根系提供了良好的生长基础,可以实现草、灌、乔合理的植物群落配比,达成建成后路域植被与自然植被融为一体的效果;三是采用机械化操作,施工效率高;四是可以快速建立植被,防止水土流失,景观效果较好。 具体设计中根据边坡的土质情况分别采用不同的客土厚度,只是客土厚度的不同,其工艺流程完全相同,不同厚度客土分别相应相应边坡。本边坡施工按照4-6cm客土喷播。 ①、客土喷播的边坡清理 ⑴目的:尽也许将坡面平整,以利于客土喷播施工,同时增长坡面绿化效果。 ⑵清理对象:岩面碎石、松散层等,防止垮塌。 ⑶施工前坡面的凹凸度:平均为±8cm,最大不超过±20cm,如有稳定的自然石头可以保存。 ⑷坡面修整:对于光滑岩面需要加垫麻布卷或竹桩等措施进行加糙解决,以免客土下滑。解决坡面排水。对坡面径流、涌水进行解决,通过设立泻水管,将涌水引至坡底,设立好坡面平台排水设施,使平台水从坡面两头排出,引至坡底;对坡面残存植物,在不防碍施工的情况下应心量保存;对过于平滑的坡面,应建造一定的凹凸粗糙面,以营造植物的生存空间,防止基材流失。 ②测量放线 测量放线使用水平仪及卷尺一方面按纵横间距2米放点,拟定锚杆位置,再在相邻的主锚杆之间中点上插次要锚杆。 ③挂网施工 ⑴铁丝网的规格及性能:基本材料:镀锌低碳铁丝,菱形结构。基本尺寸:丝径¢2.0mm,菱形网格,包装规格:宽2.5m×20m。 ⑵挂网施工方法:先自上而下放卷,再把相邻两卷镀锌网分别用¢2.0铁丝连接,两张铁丝网重叠处≥10cm,锚杆与镀锌网接触呈90°。菱形网和铺设应保持坡顶处及坡体两侧覆盖不小于2m,小于2m的应用更多的锚杆固定,局部不平整处应加密锚杆。 ④锚杆施工 ⑴目的:对岩石表层进行加固,防止边坡表层发生局部崩塌,同时也可有效地固定用作客土喷播基础的镀锌网。 ⑵锚杆间距和深度:主锚杆间距4.0M,辅锚杆间距4.0M。 ⑶锚杆规格:主锚杆采用直径16mm,长度60cm,辅锚杆采用直径12mm,长度25cm。对于局部砂性岩面的边坡适当加大锚杆长度,保证挂网稳定,用部分木桩代替辅锚杆,木桩规格及间距根据现场土质情况拟定,以保证铁丝网稳定不会脱落为宜。 ⑤材料规定 ⑴种子:按照设计规定,种子干净均匀发芽率在80%以上。由于季节及气温因素,设计图纸上许多备选物种无法在现在的季节发芽成活,所以本次喷播施工种子配比按照业重规定选用白三叶3g/㎡、矮生高羊茅3g/㎡,野菊20g/㎡、狗牙根1g/㎡。 ⑵特制绿化剂:重要由保水剂(400倍以上)、高分子凝结剂等组成,10克/平方米。 ⑶长效复合绿化专用肥:采用本地生产的富含N、P、K及微量元素的肥料自己调配而成,N、P、K比例为6:36:6(120克/平方米),为保证木本群落的生长,含P量要高,含N量不宜过高。可由复合肥与两倍过磷酸钙混合而成。 ⑷粘合剂:采用高分子聚合物及天然植物加工而成,使喷播材料在其作用下互相紧密连接形成一定厚度的喷播层,并与坡面表面粘结在一起而不下滑流失,形成良好的团粒结构。 ⑸植物纤维:植物纤维(草纤维或木纤维),长度2-4cm,吸水性好,约4公斤/平方米。 ⑹水:普通植物生长所需水分,采用无污染水。 ⑺客土材料:以土壤为主体,混入特制绿化剂、长效复合绿化专用肥、粘合剂、植物纤维及泥碳土(或者有机肥料)组成客土材料。 ⑥喷射作业 ⑴喷射施工时,喷附者应自上而下对坡面进行喷射、并尽也许保证喷出口与坡面垂直,距离保持在2m-3m,一次喷附宽度8m-10m。事先准备好检测尺,施工者做到经常对喷附厚度进行有效管理。 ⑵严格执行设计喷附厚度(坡比大于1:0.75,基材厚度为6cm;坡比大于1:0.5,基材厚度为8cm)。将准确称量配比好的基材与植被种子混合物充足搅拌混合后,采用喷射机喷射到需防护的工程坡面,并保持喷附面薄厚均匀。 (三)客土喷播的养护管理 由于上边坡条件恶劣,后期植被的养护管理是建植优良植被的重要条件,也是维持植物群落持久性的基本保证。在喷播实行2个月左右,进行一次施肥,规定营养全面,我们会根据植被生长情况和生长季节灵活调配。 六、安全措施 (1)施工前,组织全体施工人员学习,加强安全教育,强化安全意识,每人必须签定安全教育卡。 (2)全体施工人员在喷播作业进行时必须戴安全帽、穿作业保护鞋,边坡上喷播必须系安全带、安全绳,并检查所用工具是否完好无损。 (3)铺草皮时施工人员须系安全绳,安全绳固定物体为钢钎、树木等,并保证稳固。 (4)施工现场要有明显安全标志。与别的施工队交叉作业时,应协调好双方之间的合作。 (5)施工前对坡面要进行具体调查发现不稳定的坡体有时告知监理工程师,同时做好人员疏散设立警告标记。 七、环境保护措施 环境保护是我国的一项基本国策,在公路建设中,应作好公路建设的环境保护工作,减轻因公路建设导致的环境污染,保护自然,维护生态平衡。 项目部在施工中将严格执行《公路建设项目环境保护设计规定》及《环境保护法》有关规定,将严格遵守国家和地方所有控制环境污染的法律和法规。采用必要的措施防止施工中的燃料、油、化学物质、污水、废料和垃圾以及土方等有害物质对沟渠、池塘的污染,防止灰尘、噪音和汽油等物质对大气层的污染。并采用规范化的施工,把施工对环境,附近财产和居民生活的影响减少到最低限度。 项目部将积极积极地与本地环保部门联系,定期向他们报告工作,取得本地环保部门的支持和对我们工作的指导,加强对全体职工、民工的环保思想教育,重视环境保护,文明施工。 经理部将委任一名环保负责人,经常对所属工地进行检查、评选,奖优罚劣,把环保工作当成一项重要的、经常性的工作来抓。 水冲刷或水污染 1、临时性的冲刷水和污水排放和本协议已竣工的永久性防治工程相结合,以便在施工期内和运营期间有效、经济、连续地控制水冲刷和水污染。 2、在施工中尽量避开生活水源,假如施工区位于或靠近生活水派,则用沟濠同生活水源隔开,在施工期间或拆除这些堤坝时,特别注意避免污染生活水源。 3、冲洗用的水或其它施工废水,在排入河流以前应通过过滤、沉淀或其它有效方法解决,以减少沉淀物对河流的污染。 4、施工临时用地应注意设立涵管,临时占地注意不堵塞原有河沟,以保证雨季施工时地面水的排除。 污水,废油 1、来自生活区、办公区和施工区的污水通过净化解决,并经检查符合环保标准后才干排放。 2、加强对施工机械的维修保养,碰到漏油、漏水的机械必须修好后方可继续参与施工,废油回收后集中存放,统一解决。 施工废物 1、施工和生活中的废物集中放置,并及时解决后运至监理工程师和本地环保部门都批准的地点放置,如无法及时解决或运走,则必须加以掩盖以防散失。 2、假如废弃材料有毒的话,应将监理工程师和环保部门批准设立的永久性废料弃置区予以封闭,以防污染地表水。 3、加强对筑路材料运送车辆的管理,所载松散性材料不准高出货箱顶部。 4、当运送飞扬的材料时,应加以覆盖以防尘土飞扬,储存松散和易于飞扬材料地点应当位于避风处。 5、及时清理施工现场,安排专人、专车加强对所需机耕道、便道的清扫养护,在干燥季节进行路堤施工时应伴以洒水,以保证材料潮湿,避免尘土飞扬。
展开阅读全文

开通  VIP会员、SVIP会员  优惠大
下载10份以上建议开通VIP会员
下载20份以上建议开通SVIP会员


开通VIP      成为共赢上传

当前位置:首页 > 品牌综合 > 施工方案/组织设计

移动网页_全站_页脚广告1

关于我们      便捷服务       自信AI       AI导航        抽奖活动

©2010-2026 宁波自信网络信息技术有限公司  版权所有

客服电话:0574-28810668  投诉电话:18658249818

gongan.png浙公网安备33021202000488号   

icp.png浙ICP备2021020529号-1  |  浙B2-20240490  

关注我们 :微信公众号    抖音    微博    LOFTER 

客服