收藏 分销(赏)

四层钢筋混凝土框架结构办公楼设计 毕业设计.pdf

上传人:曲**** 文档编号:12488007 上传时间:2025-10-18 格式:PDF 页数:82 大小:3.24MB 下载积分:12 金币
下载 相关 举报
四层钢筋混凝土框架结构办公楼设计 毕业设计.pdf_第1页
第1页 / 共82页
四层钢筋混凝土框架结构办公楼设计 毕业设计.pdf_第2页
第2页 / 共82页


点击查看更多>>
资源描述
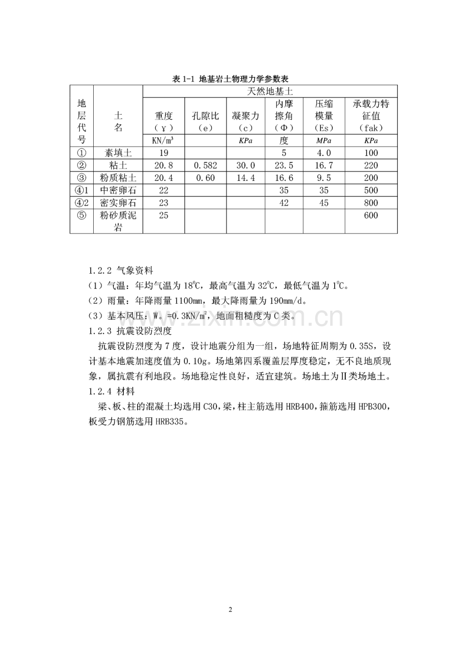
第1章设计依据1.1 工程概况办公楼为四层钢筋混凝土框架结构体系,位于绵阳市内。建筑面积约为 3300m2o办公楼各层建筑平在图,剖面图,楼梯详图等请见建筑施工图。一层建 筑层高为3.9m。二层到四层层高均为3.6m。室内外高差0.45m。建筑设计使用年 限为50年。1.2 设计资料1.2.1工程地质条件(1)根据地质勘查报告,拟建建筑场地平整,自地表向下依次为:素填土:厚约1.2m,浅黄一褐黄色,松散,稍湿一湿,以粘性土为主,另含少量基岩风化物。粘土:厚2.03.6m,褐黄色,稍湿一坚硬状(IL0.00),含铁镜质氧 化物及少量钙质结核,韧性高,干强度高。粉质粘土:厚L03.ini,褐黄色,稍湿,硬塑状(IL10击。粉砂质泥岩:紫红色,中等风化粉砂泥质结构,岩石呈块状,岩体裂隙 不发育,岩性稍硬,揭露厚度0.7m。(2)地下水位较深,可不考虑,对硅无侵蚀性。表1-1地基岩土物理力学参数表地 层 代 号土 名天然地基土重度(Y)孔隙比(e)凝聚力(c)内摩 擦角()压缩 模量(Es)承载力特 征值(fak)KN/m3KPa度MPaKPa素填土1954.0100粘土20.80.58230.023.516.7220粉质粘土20.40.6014.416.69.52001中密卵石2235355002密实卵石234245800粉砂质泥A 石256001.2.2气象资料(1)气温:年均气温为18C,最高气温为32C,最低气温为1C。(2)雨量:年降雨量H00mm,最大降雨量为190mm/d。(3)基本风压:Wo=0.3KN/m2,地面粗糙度为C类。1.2.3抗震设防烈度抗震设防烈度为7度,设计地震分组为一组,场地特征周期为0.35S,设 计基本地震加速度值为0.10g。场地第四系覆盖层厚度稳定,无不良地质现 象,属抗震有利地段。场地稳定性良好,适宜建筑。场地土为n类场地土。1.2.4材料梁、板、柱的混凝土均选川C30,梁,柱主筋选川HRB400,箍筋选川HPB300,板受力钢筋选用HRB335o2第二章结构平面布置2.1结构平面布置图根据建筑功能要求及框架结构体系,通过分析荷载传递路线确定梁系布置方案,本工程一、二、三层结构平面图如图2-1所示,四层如图2-2所示:nn450045004500450045004600460045004500450045004500图2-1第一、二、三层结构平面布置图F,4l450045004500450045004500450045004500450045004500.图2-2第四层结构平面布置图2.2框架梁柱截面尺寸确定2.2.1框架梁截面尺寸初步估计(1)横向框架梁(计算过程见表2T)3表2-1位置跨度长lo(m)h=(1/8-1/12)lo(m)取h(m)b=(1/21/3)(m)取b(m)hXb(m)A-B跨8.71087.5725800400266.7350350X800B-C跨6.3787.5525650325216350350X650(2)纵向框架梁(计算过程见表2-2)表2-2位置跨度长lo(m)h=(1/8-1/12)lo(m)取h(m)b=(1/21/3)(m)取b(m)hXb(m)A跨4.5563375550275183250250X550B跨4.5563375550275183250250X550C跨4.5563375550275183250250X550(3)纵向次梁(计算过程见表2-3)表2-3位置跨度长lo(m)h=(1/8-1/12)lo(m)取h(m)b=(1/21/3)(m)取b(m)hXb(m)A跨4.5563375500250167200200X500B跨4.5563375500250167200200X500C跨4.5563375500250167200200X500(4)楼梯次梁(计算过程见表2-4)表2-4位置跨度长lo(m)h=(1/8-1/12)lo(m)取h(m)b=(1/21/3)(m)Wb(m)hXb(m)楼梯4.5563375400200133.3200200X4002.2.2框架柱截面尺寸初步估计(1)按轴压比要求初步估计框架柱截面尺 寸框架柱的受荷面积如图2-3所示,框架柱选 川C30混凝土,fc=14.3N/mm2,框架抗震等级为 四级,轴压比二0.90。由轴压比初步估算框架 柱截面尺寸时,可按公式2.1来计算,即:Ac=bchcN/u wfc(2.1)柱轴向压力设计值N按公式2.2估算,即:N=GqSn a i a(2.2)45004500450045004表2-5(2)计算过程(见表2-5)参数 位置宽(m)长(m)区域面积S(m2)n(层)N(kN)N/pJc(mm2)JN(mm2)hXb(mm)中 柱D(3/B)4.54.35+3.1533.7542480.63192744.76439.03600X600边柱C(3/C)4.53.1514.17541041.8680952.80284.52600X600A(1/B)2.254.5+3.1516.87541240.3196372.38310.44600X600E(3/A)4.54.3519.57541438.76111791.96334.35600X600角柱B(1/C)2.253.157.08754520.9340476.40201.19600X600角柱F(1/A)2.254.359.78754719.3855895.98236.42600X600说明:由于边柱受偏心力荷载,角柱承受双向偏心荷载,受力复杂,所以取跟中柱一样的尺寸都为600mm X 600mmo截面校核按构造要求框架柱截面的边长不宜小于400mm。为避免发生剪切破坏,柱净高与截面长边之比宜大于4。取二层较短 柱高,Hn=3.6m,则:Hn/h=3.6/0.6=64 框架柱截面高度和宽度一般可取层高的l/10-l/15o(1/10-1/15)H0=(l/10-l/15)X4900mm=490mm-327mm(取底层柱iWj 为 4900niin)故:所选框架柱截面尺寸均满足构造要求。5第三章楼板设计及结构做法3.1板的厚度确定本设计的所有板长宽之比均小于2,都为双向板,故该设计板厚hNl/35义 3150=90mll1,取 h=100mm。卫生间板厚取 80mm。屋顶取 120mm。3.2板的恒荷载确定及结构做法(1)不上人屋面恒荷载(120mm板厚)见表3T表3-1 不上人屋面恒荷载(板厚120mln)构造层面荷载(kN/m?面层:40厚C20细石混凝土1防水层(柔性):三毡四油0.4找平层:20厚水泥砂浆0.02X20=0.40找坡层:40厚水泥石灰焦渣砂浆0.003找平0.04X14=0.56保温层:80厚矿渣水泥0.08X14.5=1.16结构层:120厚现浇钢筋混凝土板0.12X25=3抹灰层:10厚混合砂浆0.01X17=0.17合计6.69取7.0(2)标准层楼面恒荷载(100mm板厚)见表3-2表3-2 标准层楼面恒荷载(板厚100mm)构造层而荷载(kN/W)板面装修荷载1.1结构层:100厚现浇钢筋混凝土板0.1X25=2.5抹灰层:10厚混合砂浆0.01X17=0.17合计3.77取4.0(3)标准层楼面恒荷载(100mm板厚)见表3-3表3-3 卫生间恒荷载(板厚80mll1)构造层而荷载(kN/ii?)板面装修荷载1.1找平层:15厚水泥砂浆0.015X20=0.30结构层:80厚现浇钢筋混凝土板0.08X25=2.0防水层0.3蹲位折算荷载(考虑局部20厚炉渣填高)1.5抹灰层:10厚混合砂浆0.01X17=0.17合计5.37取5.563.3板的活荷载确定表3-4 活荷载取值活荷载的取值见表3-4序号类别而荷载(kN/W)1不上人屋面活荷载0.52办公楼一般房间活荷载23走廊、门厅、楼梯活荷载2.54卫生间活荷载27第四章 恒荷载作用下框架受力计算4.1 一根横向框架简图确定由于各层的柱截面是不变的,故框架梁的跨度等于柱截面形心之间的距离。建筑图中的A、B、C轴之间的距离是按墙体定义的,取框架简图时框架梁的跨度 是截面形心的距离,所以考虑柱偏心后,轴间距离见表4-1。表4-1 横向框架轴间距离确定A、B轴间距离8700-200+200=8700mmB、C轴间距离6300-200-200=5900mm图4-1 2轴线横向框架简图底层柱高从基础顶面算至二楼楼 而,根据地质条件,室内外高差为 0.450m,基础顶面至室外地坪取0.55m,二楼楼面标高为+3.900m,故底层柱高 为 3.9+0.45+0.55=4.9m,其余各层都 为3.6m。所以得到2轴横向框架简图 如图4-1所示。000X000S 9 X 0 0 9 009X009 009X009 层 层 层 层 四 三 二 一 第 第 第 第350X800 350X650350X800ssoxsnn350X800000X000009X009009X009350X650000X000000X000000X000o工;co009X0098700 手 5900图4T009X00986.4.2 第一层框架计算简图第一层楼面 梁布置图如图4-2;第一层楼面板布置 图如图4-3。且在图 中标示出梁和板的 名称。图4一2图4-384.3 第2轴线第一层框架简图先分析图4-2和图4-3荷载传递,2轴线第一层框架计算简图如图4-4所示:图4一4图4-4 2轴线第一层框架计算简图图中集中力作用点有A,B,C,D,E,F六个,分别由KL-4,LL-3,LL-2,KL-2,LL-1KL1传递至相应点。且qAB三角形二QbC三角形;qDE三角形二qEF三角形;Fll-1=Fll-3;Fkl-1=Fkl-4;4.4第2轴线第一层框架荷载分析计算表4-2 分布荷载计算过程及结果荷载名称荷载描述板面(梁 墙)荷载(kN/m2)抹灰层重(kN/m2)梁宽(m)梁高(m)板厚(m)墙宽(m)墙高(m)墙s(m)荷载最大值(kN/m)Qab三角形板D传递40.112.6Qbc三角形板D传递40.112.6Qcd三角形板C传递40.19.6Qde三角形板E传递40.111.8Qef三角形板E传递40.111.8Qac均布KL-9梁自重+抹灰层重+KL-9墙体重250.010.350.800.15.72.7517.32514.5175Qcd均布KL-9梁自重+抹灰层重250.010.350.800.16.8175Qdf均布KL-6梁自重+抹灰层重+KL-9墙体重250.010.350.650.15.32.9517.40513.25959分布荷载的计算结果及过程见表4-2,集中力计算结果及过程见表4-3到4-8o注:抹灰算上下两层,厚为0.01m。计算相关简图见图4-5到图4-10。表4-3 Fk集中力计算过程及结果相关 参数梁宽(m)梁高(m)板厚(m)梁墙容重(kN/m)抹灰容重(kN/m)窗宽(m)窗高(m)窗S(m2)窗个数(个)一跨长(m)0.250.550.1251721.83.614.5A传1.2B传1.575F传1.475双边2板荷载4FkL-4KL-4 梁传 递集 中力Q均布梁自重(kN/m)2.8125q均布合计10.0755Fkl 一 4计算63,76725抹灰(kN/m)0.153墙体(kN/m)7.11q梯形最大板B传(kN/m)6.3Q梯形合计6.3表4-4 Fll一3集中力计算过程及结果相关 参数梁宽(m)梁高(m)板厚(m)梁墙容重(kN/m)抹灰容重(kN/m)门宽(m)门高(m)门S(m2)门个数(个)一跨长(m)0.20.50.1251700004.5A传1.2B传1.575F传1.475双边2板荷载4FlL-3LL-3 梁传 递集 中力Q均布梁自重(kN/m)2q均布合计2.136Fll 一 3计算46.467抹灰(kN/m)0.136墙体(kN/m)0Q梯形2板B传(kN/m)12.6表4-5 Fll 一 2集中力计算过程及结果梁宽(m)梁高(m)板厚(m)梁墙容重(kN/m)抹灰容重(kN/m)门宽(m)门高(m)门S(m2)门个数(个)一跨长(m)4 1=1 人参数0.20.50.1251712.12.114.5A传1.2B传1.575F传1.475双边2板荷载4FlL-2LL-2 梁传 递集 中力Q均布梁自重(kN/m)2q均布合计9.719333333Fll 一 2计算78.0045抹灰(kN/m)0.136墙体(kN/m)7.583333333Q梯形板A传(kN/m)4.8板B传(kN/m)6.3表4-6 Fkl一2集中力计算过程及结果10木日梁宽(m)梁高(m)板厚(m)梁墙容重(kN/m)抹灰容重(kN/m)门宽(m)门高(m)门S(m2)窗个数(个)一跨长(m)4日人 参数0.250.550.1251712.12.114.5A传1.2B传1.575F传1.475双边2板荷载4FkL-2KL-2 梁传 递集 中力Q均布梁自重(kN/m)2.8125q均布合计10.40883333Fkl 一 2计算80,52725抹灰(kN/m)0.153墙体(kN/m)7.443333333Q梯形板A传(kN/m)4.8板F传(kN/m)5.9表4-7 Fl-集中力计算过程及结果相关 参数梁宽(m)梁高(m)板厚(m)梁墙容重(kN/m)抹灰容重(kN/m)门宽(m)门高(m)门S(m2)门个数(个)一跨长(m)0.20.50.1251700004.5A传1.2B传1.575F传1.475双边2板荷载4FlltLL-1 梁传 递集 中力Q均布梁自重(kN/m)2q均布合计2.136Fllt计算45.307抹灰(kN/m)0.136墙体(kN/m)0Q梯形2板F传(kN/m)11.8表4-8 Fklt集中力计算过程及结果相关 参数梁宽(m)梁高(m)板厚(m)梁墙容重(kN/m)抹灰容重(kN/m)窗宽(m)窗高(m)窗S(m2)窗个数(个)一跨长(m)0.250.550.1251721.83.614.5A传1.2B传1.575F传1.475双边2板荷载4Fkl-1KL-4 梁传 递集 中力Q均布梁自重(kN/m)2.8125q均布合计10.0755Fklt计算63.18725抹灰(kN/m)0.153墙体(kN/m)7.11q梯形最大板F传(kN/m)5.911FKL-4图4-5:KL-4计算简图FlL-3图4-6:LL-3计算简图FlL-2图4-7:LL-2计算简图12图4-8:KL-2计算简图Fll-iLL-1计算简图图4-9:Fkl-i图4-10:KL-1计算简图4.5 第2轴线第一层框架最终计算简图分析总结上述计算得出的荷载及集中力大小,如表4-9所示。整理据,可以 画出第2轴第一层框架最终恒荷载计算简图如图4-11所示。13恒荷载第一二三层数据整理表4-9Qab三角形Qbc三角形Qcd三角形Qde三角形Qef三角形Qac均布Qcd均布12.6012.609.6011.8011.8014.526.82Qdf均布FkL-4FlL-3FlL-2FkL-2Fll-iFkL-113.2663.7746.4778.0080.5345.3163.194.6 第2轴线第二、三层框架在恒荷载作用下计算第二、三层楼面梁布置图如图4-2;第二、三层楼面板布置图如图4-3。且 在图中标示出梁和板的名称。由于二、三层跟第一层完全相同,所以计算过程省 略,详细请参考第一层。450045004.7 第2轴线第四层框架在恒荷载作用下计算第四层楼面梁布置图可参考第一层,如 图4-2;第四层楼面板布置图由于板传递荷 载不同,参考图4-12,只是改荷载值。在图OLC 6Z86Z 三O-L二X中标示出梁和板的名称。a8 图4-12第四层板布置图14表4-10 第四层恒载作用下分布荷载计算荷载名 称荷载描述板面(梁墙)荷 载(kN/m2)抹灰层重(kN/m2)梁宽(m)梁高(m)板厚(m)荷载最大值(kN/m)Qab三角形板d传递70.1222.05Qbc三角形板d传递70.1222.05Qcd三角形板c传递70.1216.8Qde三角形板e传递70.1220.65Qef三角形板e传递70.1220.65Qac均布KL-9梁自重+抹灰层重+KL-9墙体重25170.350.850.126.6357Qcd均布KL-9梁自重+抹灰层重25170.350.850.126.6357Qdf均布KL-6梁自重+抹灰层重+KL-9墙体重25170.350.650.124.8177集中力荷载计算过程及结果如表4-11到4-16所示。表4-11 Fk集中力计算过程及结果相关 参数梁宽(m)梁高(m)板厚(m)梁墙容 重(kN/m)抹灰容重(kN/m)窗宽(m)窗高(m)窗S(m2)窗个数(个)一跨长(m)0.250.550.1251721.83.614.5A传1.2B传1.575F传1.475双边2板荷载7FkL-4KL-4 梁传 递集 中力Q均布梁自重(kN/m)2.8125Q均布合计5.9655Fki计算58.499775抹灰(kN/m)0.153女儿墙(kN/m)3Q梯形最大板 B 传(kN/m)11.025Q梯形合计11.025表4-12 Fg集中力计算过程及结果相关 参数梁宽(m)梁高(m)板厚(m)梁墙容重(kN/m)抹灰容重(kN/m)门宽(m)门高(m)门S(m2)门个数(个)一跨长(m)0.20.50.1251700004.5A传1.2B传1.575F传1.475双边2板荷载7FlL-3LL-3 梁传 递集 中力Q均布梁自重(kN/m)2q均布口计2.136Fll 一 3计算73.62765抹灰(kN/m)0.136墙体(kN/m)0Q梯形2板B传(kN/m)22.05表4-13 Fll一2集中力计算过程及结果15相关 参数梁宽(m)梁高(m)板厚(m)梁墙容重(kN/m)抹灰容重(kN/m)门宽(m)门高(m)门S(m2)门个数(个)一跨长(m)0.20.50.1251712.12.114.5A传1.2B传1.575F传1.475双边2板荷载7FlL-2LL-2 梁传 递集 中力Q均布梁自重(kN/m)2q均布口计2.136Fll 一 2计算69.099525抹灰(kN/m)0.136墙体(kN/m)0Q梯形板A传(kN/m)8.4板B传(kN/m)11.025表4-14 Fkl一2集中力计算过程及结果相关 参数梁宽(m)梁高(m)板厚(m)梁墙容重(kN/m)抹灰容重(kN/m)门宽(m)门高(m)门S(m2)窗个数(个)一跨长(m)0.250.550.1251712.12.114.5A传1.2B传1.575F传1.475双边2板荷载7FkL-2KL-2 梁传 递集 中力Q均布梁自重(kN/m)2.8125q均布合计2.9655Fkl 一 2计算71.704775抹灰(kN/m)0.153墙体(kN/m)0Q梯形板A传(kN/m)8.4板F传(kN/m)10.325表4T5 Fg集中力计算过程及结果相关 参数梁宽(m)梁高(m)板厚(m)梁墙容重(kN/m)抹灰容重(kN/m)门宽(m)门高(m)门S(m2)门个数(个)一跨长(m)0.20.50.1251700004.5A传1.2B传1.575F传1.475双边2板荷载7FlL-1LL-1 梁传 递集 中力Q均布梁自重(kN/m)2q均布口计2.136计算71.59765抹灰(kN/m)0.136墙体(kN/m)0Q梯形2板F传(kN/m)20.65表4-16 Fklt集中力计算过程及结果相关 参数梁宽(m)梁高(m)板厚(m)梁墙容重(kN/m)抹灰容重(kN/m)窗宽(m)窗高(m)窗S(m2)窗个数(个)一跨长(m)0.250.550.1251721.83.614.5续表4-16A 传|1.2 1.5751.475|双边2板荷载7A传1.2B传1.575F传1.475双边2板荷载716Fkl-1KL-4 梁传 递集 中力Q均布梁自重(kN/m)2.8125q均布合计5.9655Fklt计算57.484775抹灰(kN/m)0.153女儿墙(kN/m)3Q梯形最大板F传(kN/m)10.325综上所述,可整理得出第四层荷载如表4-17所示。表4-17 恒荷载作用下第四层数据整理Qab三角形Qbc三角形Qcd三角形Qde三角形Qef三角形Qac均布Qcd均布22.0522.0516.8020.6520.656.646.64Qdf均布FkL-4Fll-3FlL-2Frl-2Fll-iFkl-i4.8258.5073.6369.1071.7071.6057.484.8 第2轴线第四层框架最终计算简图分析总结上述计算得出的荷载及集中力大小,如表4-17所示。整理据,可 以画出第2轴第四层框架最终恒荷载计算简图如图4-13所示。4.9 2轴线横向框架在恒荷载作用下的计算简图汇总前面各层的计算简图,画出恒荷载作用下的横向框架计算简图如图174-14所示。QaB三角形二包。三角形二22.05口机均布=6.64FkL-4=58 5 FlL-3=73.63/qCDEftjfF16-8QaD均布=6.64=63.77QaB三角形二(fee三角形=12.6qDE三角形二qEF三角形二20.65OnF 均布=4.85FlL-1=717 Ax14 9517.4503.850O1=63.00o=63.19 00QaB三角形二(fee三角形二12.6 qD三角标9.6q AC 均吸=14.52 q AD均布=6.82FlL-346 4V|FlL-278 0=63.77Qde三角形二Qef三角形二0均布=13.26Fll-i=45.31QaB三角形二比。三角形二12.6 q0D三角形二9 6。品均矢=14.52 qAlSfi:6.82FlL-346 4V Fu-2二78.=63.77口机均布=14.52 f Fli-3=46.47y15751 1575.1575,15756300/zqD三角形二96 QaD均布=6.822400,24001460011.051、/-Qde三角形二Qef三角股二 5)F 均布二 13.26Fll-i-45-Qde三角形二Qef三角形二0)尸均布=13.26 Fill 二的O1=63.1475,1475 t 1475,14755900/o6 F图4T4第一层框架最终恒荷载计算简图(单位:F:kN q:kN/m)第五章活荷载作用下框架受力计算185.1 2轴线下一根横向框架简图确定由于活荷载和恒荷载的荷载平面传递方式相同,所以活荷载下的楼面梁布置 图,楼面板布置图可以参考图4-2,4-3,4-12o分析图中荷载传递方式,2轴线所有层的框架简图如图5-1所示。图5-1 2轴线第一层框架简图5.2分布荷载计算分布荷载的计算结果及过程见表5T及5-2,集中力计算结果及过程略。计 算过程跟恒荷载作用下的相似,所以参考图4-5到图4-10o表5-1 第一二三层活载作用下分布荷载计算荷载名称荷载描述板面(梁墙)荷载(kN/m2)板厚(m)荷载最大值(kN/m)Qab三角形板D传递20.16.3Qbc三角形板D传递20.16.3Qcd三角形板C传递2.50.16Qde三角形板E传递20.15.9Qef三角形板E传递20.15.9表5-2 第四层活载作用下分布荷载计算荷载名称荷载描述板面(梁墙)荷 载(kN/m2)板厚(m)荷载最大值(kN/m)Qab三角形板d传递0.50.121.57519集中力荷载不在全部给出过程,具体过程可参考恒载,也可见附件表格数据。这里直接给出整理后的数据见表5-3,表5-4。Qbc三角形板d传递0.50.121.575Qcd三角形板c传递0.50.121.2Qde三角形板e传递0.50.121.475Qef三角形板e传递0.50.121.475表5-3 第一二三层数据整理Qab三角形Qbc三角形Qcd三角形Qde三角形Qef三角形Qac均布Qcd均布6.36.36.005.905.900.000.00Qdf均布FkL-4Fll-3FlL-2FkL-2Fll-iFkL-10.009.2118.4319.1118.8217.858.92表5-4 第四层数据整理Qab三角形Qbc三角形Qcd三角形Qde三角形Qef三角形Qac均布Qcd均布1.581.581.201.481.480.000.00Qdf均布FkL-4Fll-3FlL-2Frl-2Fll-iFkL-10.002.34.614.284.214.462.235.3 2轴线横向框架在活荷载作用下的最终计算简图汇总前面各层的计算简图,画出活荷载作用下的横向框架计算简图如图5-2 所示。q*B三角形 Rk三角形二第六章重力荷载作用216.1重力荷载取值依据对于楼层,重力荷载取100%恒荷载和50%楼面活荷载,对于屋面,重力荷载 取100%恒荷载和50%雪荷载(基本雪压为0.30kN/m2)o6.2第一二三层重力荷载取值确定根据表4-9及表5-3可以得到2轴框架下第一二三层重力荷载作用的相关取值,详细请见表6T(详细过程见附件表格公式)表6-1 重力作用下第一二三层数据整理Qab三角形Qbc三角形Qcd三角形Qde三角形Qef三角形Qac均布Qcd均布15.7515.7512.6014.7514.7514.526.82Qdf均布FkL-4Fll-3FlL-2FkL-2Fll-iFkl-113.2668.3755.6887.5689.9454.2367.65计算雪荷载过程见附件表格,这里给出计算结果见表6-2。表6-2 雪荷载作用下第四层数据整理Qab三角形Qbc三角形Qcd三角形Qde三角形Qef三角形Qac均布Qcd均布0.950.950.720.890.890.000.00Qdf均布FkL-4Fll-3FlL-2FkL-2Fll-iFkl-i0.001.382.772.572.532.681.34根据表6-2的结果以及表4-16可以得到重力荷载下的数据见表6-3o表6-3 重力荷载作用下第四层数据整理Qab三角形Qbc三角形Qcd三角形Qde三角形Qef三角形Qac均布Qcd均布22.5222.5217.1621.0921.096.646.64Qdf均布FkL-4Fll-3FlL-2FkL-2Fll-iFkl-i4.8259.1975.0170.3872.9772.9458.156.3 2轴线横向框架在重力荷载作用下的最终计算简图汇总前面各层的计算简图,画出重力荷载作川下的横向框架计算简图如图 6-1所示。2258三角形二小(:三角形二22.52q哂布二6.64FkL-4=59 19/FlL-3=75 01%D二角形二17T6 QdE三角形二QeF三角形二江。9QaI物0 04.82FKIr2=72.9小 FLL-1 二立.14.95FkL-4Qde三角形二Qef三角形二 Qd 网i=13.26/FlL-1=54.=68.37“B三角形二小C三角形二15.75%d二仔形二区6QACfi=14.52 QAl5y?fi=6.82 应-2=8工OE令0011.05FkL-45b三角形二QbC三角形二75%d母形二6q哂布二14.52 口晶是6.821 07-85 74-10861-192.25134 40-5t.7l 67 9?K58.74卜28 73LhI.43)-57;io2 14635 g 24fejBF-1_77.241521.86B“49 04,圜 872.74黑图7-3轴力图.83,82二352。195.04二314.65 29.2428.6811.88397 4462349-890-1,13598.40936.49-412.8042.1815()6796.661256.67-54873第八章2轴横向框架在活荷载作用下的内力计算8.1 用弯矩二次分配法计算弯矩根据“图5-2活荷载作用下横向框架的计算简图”,用弯矩二次分配法计算 272轴线框架在恒载作用下的弯矩。由第七章已经知道框架梁柱的线刚度、相对线 刚度和弯矩分配系数,所以直接计算固端弯矩。8-1-1计算固端弯矩表8-1 活荷载作用下固端弯矩计算过程固端弯矩位置各部分产4E固端弯矩值最终固端弯矩Qab三角形Qbc三角形Qcd三角形Qde三角形Qef三角形Fll-3FlL-2Fll-i第四 层框 架梁Mad-2.467-2.411-0.229-5.910-2.052-13.068Mda0.6352.8431.2213.3545.38613.440Mdf-1.644-0.637-3.700-5.981Mfd0.6371.6441.2333.514第一二三层框 架梁Mad-9.795-9.612-1.144-23.626-9.162-53.338Mda2.53211.3376.10613.40924.05057.435Mdf-6.552-2.540-14.810-23.902Mfd2.5406.5524.93714.0298-1-2弯矩二次分配过程详细过程参考第七章,也可见附件表格。此处省略。8.2 绘制内力图活荷载作用下的弯矩图,剪力图,轴力图分别见图8-1.8-2.8-3。28图8-1 活荷载作用下的弯矩图图8-2剪力图图8-3轴力图29第九章2轴横向框架在重力荷载作用下的内力计算根据“图6-1活荷载作用下横向框架的计算简图”,用弯矩二次分配法计算 2轴线框架在恒载作川下的弯矩。由第七章已经知道框架梁柱的线刚度、相对线 刚度和弯矩分配系数,所以直接计算固端弯矩。具体过程参照第七章,只改变恒 荷载的值即可得到重力荷载下的固端弯矩,再根据二次分配法可得出重力荷载作 用下的弯矩,画出弯矩图、剪力图、轴力图如图9T.9-2.9-3所示。图9-1 重力荷载作用下弯矩图30图9-2 重力荷载作用下剪力图139 07图9-3 重力荷载作用下轴力图31第十章 横向框架水平地震作用下的内力和位移计算10.1重力荷载代表值计算本设计建筑高度小于40m,以剪切变形为主,且质量和高度均匀分布,故可 采川底部剪力法计算水平地震作川。首先计算重力荷载代表值。屋面处重力荷载代表值二结构和构配件自重标准值+0.5 X屋面雪荷载标准值楼面处重力荷载代表值二结构和构配件自重标准值+0.5 X楼面雪荷载标准值 其中结构和构配件自重取楼面上、下各半层层高范围内(屋面处取顶层的一 半)的结构及构配件自重。10-1-1第4层重力荷载代表值计算(详细过程见附表)(1)女儿墙的自重标准值G 女儿墙二3.0义2义(54+15)=414(kN)(2)第4层屋面板结构层及构造层自重标准值。G 层面板=7.0X15.2X54.2=5766.88(kN)(3)第4层梁自重标准值。G梁二1787.03(kN)(4)第4层柱自重标准值(取50%)。G柱=294.84(kN)(5)第4层墙自重标准值(取50%)。G墙二1109.46(kN)(6)屋顶雪荷载标准值(取50%)。Q雪=123.58(kN)(7)第4层重力荷载代表值汇总。二G女儿墙+G层面板+G梁+G柱+G墙+Q雪=9495.79(kN)(8)第4层重力荷载设计值。设计=1.2 X(G女儿墙+G层面板+G梁+G柱+G墙)+1.4X 2 XQ雪二11110.93(kN)10-1-2第3层重力荷载代表值计算。(详细过程见附表)(1)第3层屋面板结构层及构造层自重标准值。G 层面板=4.0X15.2X54.2=3465.46(kN)(2)第3层梁自重标准值(取50%)G梁二1854.68(kN)(3)第3层柱自重标准值(取50%)。G柱=614.25(kN)32(4)第3层墙自重标准值(取50%)。G墙二2218.92(kN)(5)第3层活荷载标准值(取50%)。Q活二876.64(kN)(6)第3层重力荷载代表值汇总。Gs=G 层面板+G 梁+G 柱+G 墙+Q 精=9029.95(kN)(7)第3层重力荷载设计值。G3设计=1.2 义(G 层面板+G 梁+G 柱+G 墙)+1.4X 2 X Q 活=12238.56(kN)10-1-3第2层重力荷载代表值计算。(详细过程见附表)(1)第3层屋面板结构层及构造层自重标准值。G w=4.0X 15.2 X 54.2=3465.46(kN)(2)第2层梁自重标准值(取50%)G梁二1854.68(kN)(3)第2层柱自重标准值(取50%)。G柱=614.25(kN)(4)第2层墙自重标准值(取50%)。G墙二2218.92(kN)(5)第2层活荷载标准值(取50%)。Q活二876.64(kN)(6)第2层重力荷载代表值汇总。G2二G 层面板+G 梁+G 柱+G 墙+Q 活二9029.95(kN)(7)第2层重力荷载设计值。G2设计=1.2义(G层面板+G梁+G柱+G墙)+1.4义2义Q活二12388.65(kN)10-1-4第1层重力荷载代表值计算。(详细过程见附表)(1)第1层屋面板结构层及构造层自重标准值。G 层面板=4.0X15.2X54.2=3465.46(kN)(2)第1层梁自重标准值(取50%)G梁二1854.68(kN)(3)第1层柱自重标准值(取50%)。G柱=640.58(kN)(4)第1层墙自重标准值(取50%)。G墙二2327.99(kN)(5)第1层活荷载标准值(取50%)。Q活二876.64(kN)(6)第1层重力荷载代表值汇总。Gi=G 层面板+G 梁+G 柱+G 墙+Q 活二9165.34(kN)(7)第2.3层重力荷载设计值。Gi设计=1.2 义(G 层面板+G 梁+G 柱+G 墙)+1.4X2XQ活=124。1.。4(kN)10.2横向框架的水平地震作用和位移计算3310-2-1框架梁柱线刚度计算考虑现浇楼板对梁刚度的加强作用,故对中框架梁的惯性矩乘以2.0,对边框架梁的惯性矩乘以1.5。框架梁的线及柱的线刚度见表10-lo表10-1 框架梁柱的线刚度计算框架柱位置截面混凝土弹性模量Ec(kN/m2)高度L(m)矩形截面Kc=Edc/L(kN*m)b*h(m2)强度等级惯性矩Ic(m4)底层柱600X600C303.0E+074.90.01086.6E+04二三四层柱600X600C303.0E+073.60.01089.0E+04框架梁位置截面混凝土弹性模量Ec(kN/m2)跨度L(m)矩形截面按系数扩大Kbi=EcIb/Lb*h(m2)强度等级惯性矩Io(m4)(kN*m)边框架梁0.35*0.85C303.0E+078.70.017910.02689.2E+040.35*0.65C303.0E+075.90.0080990.01035.2E+04中框架梁0.35*0.85C303.0E+078.70.017910.035812E+040.35*0.65C303.0E+075.90.0080990.01377.0E+0410-2-2侧移刚度D计算表10-2 柱的侧移刚度D值计算考虑梁柱的线刚度比,用D值法计算侧移刚度,计算过程见表10-2所示。楼层KcKCLD=12a Kc/h2(kN/m)根数一i 般层:取=Kbi/2KCA一般层:。二K/(2+忆)A A底层:底=跖/及底层:(0.5+K)/(2+)A A四层二屋A轴边框柱900001.0270.33928270.0422A轴中框边柱900000.5820.22518781.91111B轴边框中柱900001.6090.44637149.1732_ IBB轴中框中柱900002.1460.51843130.63811-J AC轴边框边柱900000.5820.22518781.9112C轴中框边柱900000.7740.27923251.86911ED1105210.847一层A轴边框边柱660001.4000.55918434.3902A轴中框边柱660001.8700.61220202.30111B轴边框中柱660002.1940.64221187.8582B轴中框中柱660002.9260.69522941.51311C轴边框边柱660000.7940.4
展开阅读全文

开通  VIP会员、SVIP会员  优惠大
下载10份以上建议开通VIP会员
下载20份以上建议开通SVIP会员


开通VIP      成为共赢上传

当前位置:首页 > 包罗万象 > 大杂烩

移动网页_全站_页脚广告1

关于我们      便捷服务       自信AI       AI导航        抽奖活动

©2010-2026 宁波自信网络信息技术有限公司  版权所有

客服电话:0574-28810668  投诉电话:18658249818

gongan.png浙公网安备33021202000488号   

icp.png浙ICP备2021020529号-1  |  浙B2-20240490  

关注我们 :微信公众号    抖音    微博    LOFTER 

客服