收藏 分销(赏)

给排水图标图集(清晰版图集图例)汇总.doc

上传人:a199****6536 文档编号:1216663 上传时间:2024-04-18 格式:DOC 页数:13 大小:611.01KB 下载积分:8 金币
下载 相关 举报
给排水图标图集(清晰版图集图例)汇总.doc_第1页
第1页 / 共13页
给排水图标图集(清晰版图集图例)汇总.doc_第2页
第2页 / 共13页


点击查看更多>>
资源描述
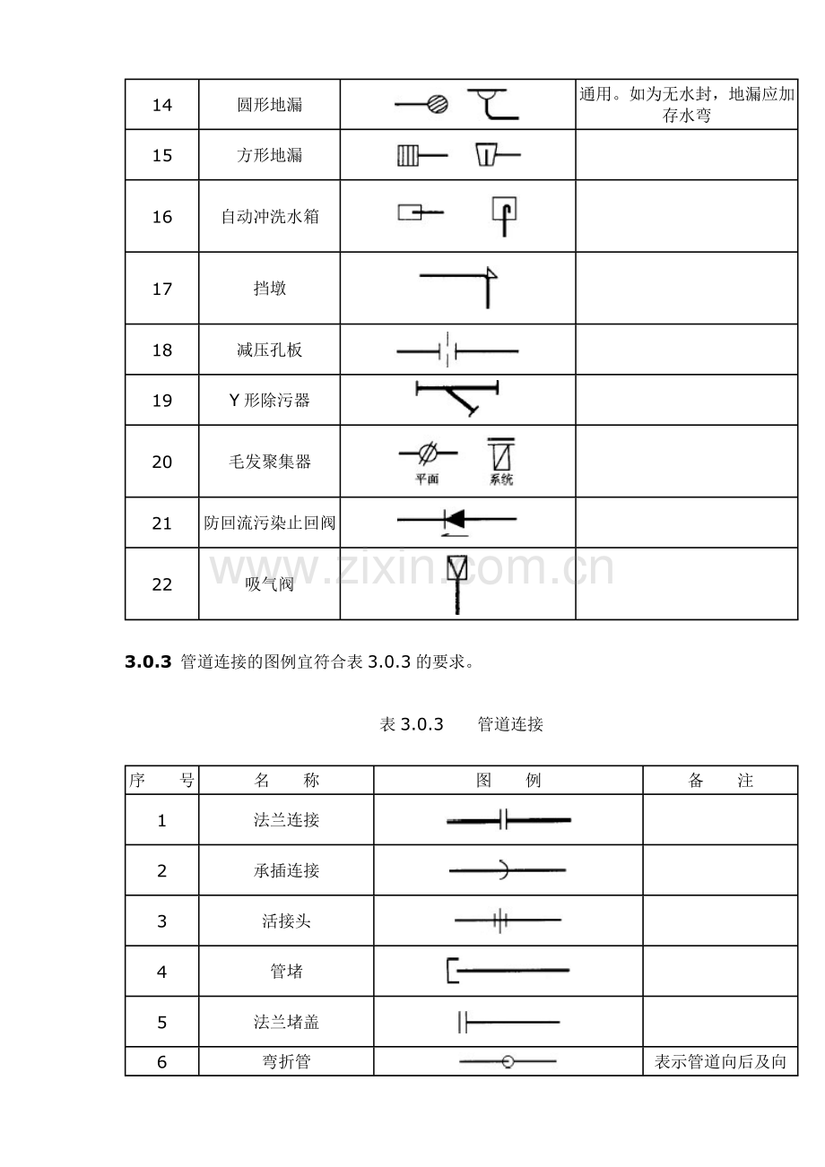
表3.0.2 管道附件 序  号 名  称 图  例 备  注 1 套管伸缩器   2 方形伸缩器   3 刚性防水套管   4 柔性防水套管   5 波纹管   6 可曲挠橡胶接头   7 管道固定支架   8 管道滑动支架   9 立管检查口   10 清扫口   11 通气帽   12 雨水斗   13 排水漏斗   14 圆形地漏 通用。如为无水封,地漏应加存水弯 15 方形地漏   16 自动冲洗水箱   17 挡墩   18 减压孔板   19 Y形除污器   20 毛发聚集器   21 防回流污染止回阀   22 吸气阀   3.0.3 管道连接的图例宜符合表3.0.3的要求。 表3.0.3  管道连接 序  号 名  称 图  例 备  注 1 法兰连接   2 承插连接   3 活接头   4 管堵   5 法兰堵盖   6 弯折管 表示管道向后及向下弯转90° 7 三通连接   8 四通连接   9 盲板   10 管道丁字上接   11 管道丁字下接   12 管道交叉 在下方和后面的管道应断开 3.0.4 管件的图例宜符合表3.0.4的要求。                 表3.0.4  管件 序  号 名  称 图  例 备  注 1 偏心异径管   2 异径管   3 乙字管   4 喇叭口   5 转动接头   6 短管   7 存水弯   8 弯头   9 正三通   10 斜三通   11 正四通   12 斜四通   13 浴盆排水件     3.0.5 阀门的图例宜符合表3.0.5的要求。                 表3.0.5  阀门 序  号 名  称 图  例 备  注 1 闸阀   2 角阀   3 三通阀   4 四通阀   5 截止阀   6 电动阀   7 液动阀   8 气动阀   9 减压阀 左侧为高压端 10 旋塞阀   11 底阀   12 球阀   13 隔膜阀   14 气开隔膜阀   15 气闭隔膜阀   16 温度调节阀   17 压力调节阀   18 电磁阀   19 止回阀   20 消声止回阀   21 蝶阀   22 弹簧安全阀   23 平衡锤安全阀   24 自动排气阀   25 浮球阀   26 延时自闭冲洗阀   27 吸水喇叭口   28 疏水器     3.0.6 给水配件的图例宜符合表3.0.6的要求。                   表3.0.6  给水配件 序  号 名  称 图  例 备  注 1 放水龙头 左侧为平面,右侧为系统 2 皮带龙头 左侧为平面,右侧为系统 3 洒水(栓)龙头   4 化验龙头   5 肘式龙头   6 脚踏开关   7 混合水龙头   8 旋转水龙头   9 浴盆带喷头混合水龙头     3.0.7 消防设施的图例宜符合表3.0.7的要求。               表3.0.7  消防设施 序  号 名  称 图  例 备  注 1 消火栓给水管   2 自动喷水灭火给水管   3 室外消火栓   4 室内消火栓(单口) 白色为开启面 5 室内消火栓(双口)   6 水泵接合器   7 自动喷洒头(开式)   8 自动喷洒头(闭式) 下喷 9 自动喷洒头(闭式) 上喷 10 自动喷洒头(闭式) 上下喷 11 侧墙式自动喷洒头   12 侧喷式喷洒头   13 雨淋灭火给水管   14 水幕灭火给水管   15 水炮灭火给水管   16 干式报警阀   17 水炮   18 湿式报警阀   19 预作用报警阀   20 遥控信号阀   21 水流指示器   22 水力警铃   23 雨淋阀   24 末端测试阀   25 末端测试阀   26 推车式灭火器   注:分区管道用加注角标方式表示:如XH1、XH2、ZP1、ZP2……。   3.0.8 卫生设备及水池的图例宜符合表3.0.8的要求。            表3.0.8  卫生设备及水池 序  号 名  称 图  例 备  注 1 立式洗脸盆   2 台式洗脸盆   3 挂式洗脸盆   4 浴盆   5 化验盆、洗涤盆   6 带沥水板洗涤盆 不锈钢制品 7 盥洗槽   8 污水池   9 妇女卫生盆   10 立式小便器   11 壁挂式小便器   12 蹲式大便器   13 坐式大便器   14 小便槽   15 淋浴喷头     3.0.9 小型给水排水构筑物的图例宜符合表3.0.9的要求。              表3.0.9  小型给水排水构筑物 序  号 名  称 图  例 备  注 1 矩型化粪池 HC为化粪池代号 2 圆型化粪池   3 隔油池 YC为除油池代号 4 沉淀池 CC为沉淀池代号 5 降温池 JC为降温池代号 6 中和池 ZC为中和池代号 7 雨水口 单口 双口 8 阀门井 检查井   9 水封井   10 跌水井   11 水表井     3.0.10 给水排水设备的图例宜符合表3.0.10的要求。               表3.0.10  给水排水设备 序  号 名  称 图  例 备  注 1 水泵   2 潜水泵   3 定量泵   4 管道泵   5 卧式热交换器   6 立式热交换器   7 快速管式热交换器   8 开水器   9 喷射器 小三角为进水端 10 除垢器   11 水锤消除器   12 浮球液位器   13 搅拌器     3.0.11 给水排水专业所用仪表的图例宜符合表3.0.11的要求。                表3.0.11  仪表 序  号 名  称 图  例 备  注 1 温度计   2 压力表   3 自动记录压力表   4 压力控制器   5 水表   6 自动记录流量计   7 转子流量计   8 真空表   9 温度传感器   10 压力传感器   11 pH值传感器   12 酸传感器   13 碱传感器   14 余氯传感器   2008-10-22 9:12:20 给水排水制图标准 序  号 名  称 图  例 备  注 1 生活给水管   2 热水给水管   3 热水回水管   4 中水给水管   5 循环给水管   6 循环回水管   7 热媒给水管   8 热媒回水管   9 蒸汽管  
展开阅读全文

开通  VIP会员、SVIP会员  优惠大
下载10份以上建议开通VIP会员
下载20份以上建议开通SVIP会员


开通VIP      成为共赢上传

当前位置:首页 > 环境建筑 > 设备安装设计/排水设计

移动网页_全站_页脚广告1

关于我们      便捷服务       自信AI       AI导航        抽奖活动

©2010-2025 宁波自信网络信息技术有限公司  版权所有

客服电话:0574-28810668  投诉电话:18658249818

gongan.png浙公网安备33021202000488号   

icp.png浙ICP备2021020529号-1  |  浙B2-20240490  

关注我们 :微信公众号    抖音    微博    LOFTER 

客服