收藏 分销(赏)

钢管落地卸料平台技术交底.doc

上传人:w****g 文档编号:1156683 上传时间:2024-04-17 格式:DOC 页数:5 大小:104.51KB 下载积分:6 金币
下载 相关 举报
钢管落地卸料平台技术交底.doc_第1页
第1页 / 共5页
钢管落地卸料平台技术交底.doc_第2页
第2页 / 共5页


点击查看更多>>
资源描述
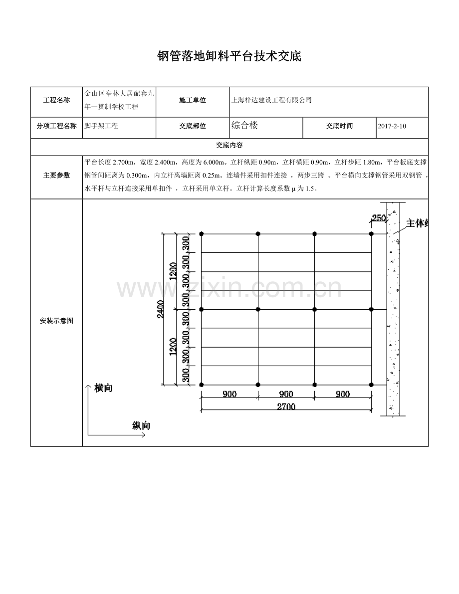
钢管落地卸料平台技术交底 工程名称 金山区亭林大居配套九年一贯制学校工程 施工单位 上海梓达建设工程有限公司 分项工程名称 脚手架工程 交底部位 综合楼 交底时间 2017-2-10 交底内容 主要参数 平台长度2.700m,宽度2.400m,高度为6.000m。立杆纵距0.90m,立杆横距0.90m,立杆步距1.80m,平台板底支撑钢管间距离为0.300m,内立杆离墙距离0.25m。连墙件采用扣件连接 ,两步三跨 。平台横向支撑钢管采用双钢管 ,水平杆与立杆连接采用单扣件 ,立杆采用单立杆。立杆计算长度系数μ为1.5。 安装示意图 施工工艺流程 场地平整、夯实→基础承载力实验、材料配备→定位设置通长脚手板、底座→纵向扫地杆→立杆→横向扫地杆→水平横杆→水平纵杆→剪刀撑→连墙件→铺脚手板→扎防护栏杆→扎安全网 质量要求 脚手架搭设的技术要求、允许偏差与检验方法 项次 项目 技术要求 允许偏差 (mm) 示意图 检查方法 1 地基基础 表面 坚实平整 - 观察 排水 不积水 垫板 不晃动 底座 不滑动 不沉降 -10 2 单、双排与满堂脚手架立杆垂直度 最后验收立杆垂直度(20~50m) - ±100 用经纬仪或吊线和卷尺 下列脚手架允许水平偏差(mm) 搭设中检查偏差的高度(m) 总高度 50m 40m 20m H=2 ±7 ±7 ±7 H=10 ±20 ±25 ±50 H=20 ±40 ±50 ±100 H=30 ±60 ±75 H=40 ±80 ±100 H=50 ±100 中间档次用插入法 3 单双排、满堂脚手架间距 步距 - ±20 钢板尺 纵距 - ±50 横距 - ±20 4 纵向水平杆高差 一根杆的两端 - ±20 水平仪或水平尺 同跨内两根纵向水平杆高差 - ±10 5 剪刀撑斜杆与地面的倾角 45°~60° - 角尺 6 脚手板外伸长度 对接 a=(130~150)mm l≤300mm - 卷尺 搭接 a≥100mm l≥200mm - 卷尺 7 扣件安装 主节点处各扣件中心点相互距离 a≤150mm - 钢板尺 同步立杆上两个相隔对接扣件的高差 a≤300mm - 钢卷尺 立杆止的对接扣件至主节点的距离 a≤h/3 纵向水平杆上的对接扣件至主节点的距离 a≤la/3 - 钢卷尺 扣件螺栓拧紧扭力矩 (40~65)N.m - 扭力扳手 质量保证措施 1、脚手架的各种材料,在进入施工现场时,应进行检查验收,经检查验收不合格的材料应及时清除出场; 2、主要受力杆件的规格、杆件设置应符合专项施工方案的要求; 3、地基应符合专项施工方案的要求,应平整坚实,垫板必须铺放平整,不得悬空; 4、连墙件应设置牢固; 5、剪刀撑、斜撑等的加固杆件应设置齐全,连接可靠; 6、搭设过程中门洞、转角等部位的构造应符合《建筑施工扣件式钢管脚手架安全技术规程》JGJ130-2011的规定 7、在使用过程中,应对竹脚手架经常性的检查与维护,并应及时清理架体上的垃圾和杂物。 安全保证措施 1、脚手架搭设人员必须是经过国家现行标准<<特种作业人员安全技术考核管理规则>>考核合格的专业架子工。搭设脚手架人员必须戴安全帽、安全带,穿防滑鞋。 2、脚手架搭设时应按下列阶段进行质量检查,发现问题应及时校正。 1)基础完工后及脚手架搭设前; 2)作业层上施加荷载前; 3)每搭设完6m~8m高度后; 4)达到设计高度后; 5)遇有六级强风及以上风或大雨后;冻结地区解冻后; 6)停用超过一个月。 3、使用阶段 1)操作层上的施工荷载应符合设计要求,不得超载; 2)不得将模板支撑、缆风绳、泵送混凝土管等固定在脚手架上,严禁任意悬挂起重设备; 3)六级及六级以上大风和雾、雨天应停止脚手架作业,雨后上架操作应有防滑措施。 4)在脚手架使用期间,严禁拆除下列杆件:主节点处的纵、横向水平杆,纵、横向扫地杆;连墙件; 5)当在脚手架使用过程中开挖脚手架基础下的设备基础或管沟时,必须对脚手架采取加固措施; 6)在脚手架上进行电、气焊作业时,必须有防火措施和专人看守; 7)工地临时用电线路的架设及脚手架接地、避雷措施等应按国家现行标准执行。 8)立杆底座应安放厚度不小于50mm的木垫板,也可采用槽钢等。垫板与混凝土板接触紧密平整。 4、脚手架的拆除 1)接收到项目部脚手架架体拆除任务书后方可进行拆除作业工作。 2)拆除现场设警戒区域,挂醒目的警戒标志。警戒区域内严禁非操作人员通行或在脚手架下方继续施工,监护人员履行职责,配备良好的通讯装置。 3)仔细检查吊运机械包括夹具是否安全可靠,吊运机械不允许搭设在脚手架上,另立设置。 4)拆除人员进入岗位以后,先进行检查,加固松动部位,清除步层内留的材料、物件及垃圾块,所有清理物安全输送至地面,严禁高处抛掷。 5)按搭设的反程序进行拆除,即安全网—竖脚手板—垫铺脚手板—防护栏杆—搁栅—剪刀撑杆—连墙杆—纵向水平杆—横向水平杆—立杆—底排的纵向水平杆、搁栅、平杆、斜撑杆。(即先搭后拆,后搭先拆的顺序进行拆除。) 6)不允许分立面拆除或上、下二步同时拆除,认真做到一步一清、一杆一清。 7)所有连墙杆、剪刀撑杆件、隔立板、登高措施必须随脚手架步层拆除同步进行下降。不准先行拆除。 8)所有杆件与扣件,在拆除时分离,不允许杆件上附着扣件输送到地面或两杆同时拆下输送地面。 9)所有铺脚手板拆除时,自外向里竖立,搬运防止自里向外翻起。严禁脚手板上的垃圾物件直接从高处坠落伤人。 10)当日完工后,仔细检查岗位周围情况,如发现留有隐患的部位,及时进行修复或继续完成至一个程序,一个部位的结束,方可撤离岗位。 注意事项 1、立杆接长除顶层顶步外,其余各层各步接头必须采用对接扣件连接。 2、主节点处必须设置一根横向水平杆,用直角扣件扣接且严禁拆除。 3、脚手架必须配合施工进度搭设,一次搭设高度不应超过相邻连墙件以上两步。 4、严禁将外径不同规格的钢管混合使用。 5、剪刀撑、横向斜撑搭设应随立杆、纵向和横向水平杆等同步搭设。 6、开口型双排脚手架的两端均必须设置横向斜撑。 7、对高度在24m以下的单、双排脚手架,宜采用刚性连墙件与建筑物可靠连接,亦可采用拉筋和顶撑配合使用的附墙连接方式。严禁使用仅有拉筋的柔性连墙件。对高度24m以上的双排脚手架,必须采用刚性连墙件与建筑物可靠连接。 8、拆除作业必须由上而下逐层进行,严禁上下同时作业。 9、连墙件必须随脚手架逐层拆除,严禁先将连墙件整层或数层拆除后再拆脚手架,分段拆除高度不应大于两步,如高差大于两步,应增设连墙件加固。 10、各构配件严禁抛至地面。 交底人 被交底人
展开阅读全文

开通  VIP会员、SVIP会员  优惠大
下载10份以上建议开通VIP会员
下载20份以上建议开通SVIP会员


开通VIP      成为共赢上传

当前位置:首页 > 品牌综合 > 技术交底/工艺/施工标准

移动网页_全站_页脚广告1

关于我们      便捷服务       自信AI       AI导航        抽奖活动

©2010-2026 宁波自信网络信息技术有限公司  版权所有

客服电话:0574-28810668  投诉电话:18658249818

gongan.png浙公网安备33021202000488号   

icp.png浙ICP备2021020529号-1  |  浙B2-20240490  

关注我们 :微信公众号    抖音    微博    LOFTER 

客服