收藏 分销(赏)

kV城南变电站改造工程土建工程质量检验评定范围划分表.doc

上传人:快乐****生活 文档编号:10974113 上传时间:2025-06-24 格式:DOC 页数:35 大小:607.50KB 下载积分:12 金币
下载 相关 举报
kV城南变电站改造工程土建工程质量检验评定范围划分表.doc_第1页
第1页 / 共35页
kV城南变电站改造工程土建工程质量检验评定范围划分表.doc_第2页
第2页 / 共35页


点击查看更多>>
资源描述
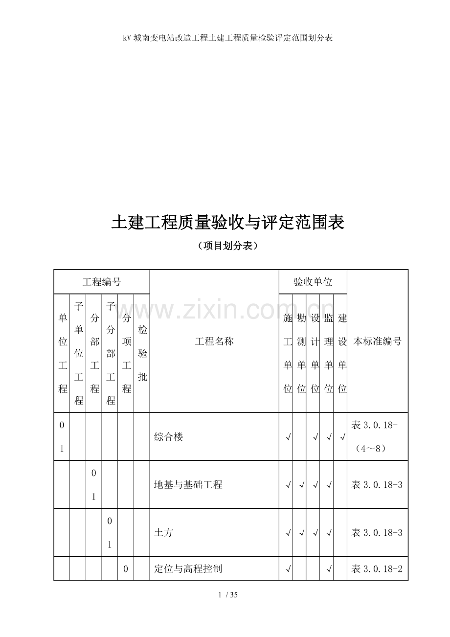
kV城南变电站改造工程土建工程质量检验评定范围划分表 土建工程质量验收与评定范围表 (项目划分表) 工程编号 工程名称 验收单位 本标准编号 单位工程 子单位工程 分部工程 子分部工程 分项工程 检验批 施工单位 勘测单位 设计单位 监理单位 建设单位 01           综合楼 √   √ √ √ 表3.0.18-(4~8)     01       地基与基础工程 √ √ √ √   表3.0.18-3       01     土方 √ √ √ √   表3.0.18-3         01   定位与高程控制 √     √   表3.0.18-2           01 定位与高程控制 √     √   表5.2.1         02   挖方 √     √   表3.0.18-2           01 开挖 √     √   表5.3.1         03   填方 √     √   表3.0.18-2           01 土方回填 √     √   表5.3.2       02     桩基工程 √     √   表3.0.18-3         01   钢筋混凝土预制桩(打桩) √     √   表3.0.18-2           01 钢筋混凝土预制桩(打桩) √     √   表5.4.20       03     混凝土基础 √   √ √   表3.0.18-3         01   垫层 √     √   表3.0.18-2           01 垫层 √     √   表5.12.7         02   基础模板 √     √   表3.0.18-2           01 模板安装 √     √   表5.10.1           02 模板拆除 √     √   表5.10.3         03   基础钢筋 √     √   表3.0.18-2           01 钢筋加工 √     √   表5.10.4           02 钢筋安装 √     √   表5.10.5         04   基础混凝土 √     √   表3.0.18-2           01 混凝土施工 √     √   表5.10.7 表4.0.1-1(续) 工程编号 工程名称 验收单位 本标准编号 单位工程 子单位工程 分部工程 子分部工程 分项工程 检验批 施工单位 勘测单位 设计单位 监理单位 建设单位           02 混凝土外观与结构尺寸偏差 √     √   表5.10.8       04     沟道 √   √ √   表3.0.18-3         01   沟道垫层 √     √   表3.0.18-2           01 垫层 √     √   表5.12.7         02   沟道模板 √     √   表3.0.18-2           01 模板安装 √     √   表7.3.2           02 模板拆除 √     √   表5.10.3         03   沟道钢筋 √     √   表3.0.18-2           01 钢筋加工 √     √   表5.10.4           02 钢筋安装 √     √   表7.3.5         04   沟道砌体 √     √   表3.0.18-2           01 沟道砌体 √     √   表7.3.1         05   沟道混凝土 √     √   表3.0.18-2           01 混凝土施工 √     √   表5.10.7           02 混凝土沟道外观尺寸偏差 √     √   表7.3.8 06   沟道一般抹灰 √     √   表3.0.18-2   01 沟道一般抹灰 √     √   表5.13.1 07   钢构件焊接 √     √   表3.0.18-2   01 钢构件焊接 √     √   表5.11.1         08   盖板钢筋 √     √   表3.0.18-2           01 钢筋加工 √     √   表5.10.4           02 钢筋安装 √     √   表5.10.5         09   盖板混凝土 √     √   表3.0.18-2           01 混凝土施工 √     √   表5.10.7           02 混凝土盖板外观尺寸偏差 √     √   表7.3.15         10   钢盖板制作 √     √   表3.0.18-2           01 钢盖板制作 √     √   表7.3.16         11   盖板安装 √     √   表3.0.18-2           01 盖板安装 √     √   表7.3.17     05      主变基础 √   √ √   表3.0.18-3         01   垫层 √     √   表3.0.18-2           01 垫层 √     √   表5.12.7         02   模板 √     √   表3.0.18-2           01 模板安装 √     √   表6.6.1           02 模板拆除 √     √   表5.10.3         03   钢筋 √     √   表3.0.18-2           01 钢筋加工 √     √   表5.10.4           02 钢筋安装 √     √   表5.10.5         04   混凝土 √     √   表3.0.18-2           01 混凝土施工 √     √   表5.10.7           02 混凝土外观与结构尺寸 √     √   表6.6.7       06     支架基础 √   √ √   表3.0.18-3         01   垫层 √     √   表3.0.18-2           01 垫层 √     √   表5.12.7         02   模板 √     √   表3.0.18-2           01 模板安装 √     √   表6.2.2           02 模板拆除 √     √   表5.10.3         03   钢筋 √     √   表3.0.18-2           01 钢筋加工 √     √   表5.10.4           02 钢筋安装 √     √   表5.10.5         04   混凝土 √     √   表3.0.18-2           01 混凝土施工 √     √   表5.10.7           02 混凝土外观与结构尺寸 √     √   表6.2.10     02       主体工程 √   √ √   表3.0.18-3       01     混凝土结构 √   √ √   表3.0.18-3         01   模板 √     √   表3.0.18-2           01 模板安装 √     √   表5.10.1           02 模板拆除 √     √   表5.10.3         02   钢筋 √     √   表3.0.18-2           01 钢筋加工 √     √   表5.10.4           02 钢筋安装 √     √   表5.10.5         03   混凝土 √     √   表3.0.18-2           01 混凝土施工 √     √   表5.10.7           02 混凝土外观与结构尺寸 √     √   表5.10.8       02     砌体工程 √   √ √   表3.0.18-3         01   砖砌体 √     √   表3.0.18-2           01 砖砌体 √     √   表5.9.1     03       建筑装饰装修 √   √ √   表3.0.18-3       01     地面 √   √ √   表3.0.18-3         01   基层 √     √   表3.0.18-2   01 基层 √ √ 表5.12.8         02   面层 √     √   表3.0.18-2           01 面层 √     √   表5.12.17、22       02     抹灰 √   √ √   表3.0.18-3         01   一般抹灰 √     √   表3.0.18-2           01 一般抹灰 √     √   表5.13.1       03     门窗 √   √ √   表3.0.18-3         01   木门安装 √     √   表3.0.18-2           01 木门安装 √     √   表5.14.2         02   金属门窗安装 √     √   表3.0.18-2           01 金属门窗安装 √     √   表5.14.3、4 03   特种门安装 √     √   表3.0.18-2   01  特种门安装 √     √   表5.14.7       04     饰面砖 √   √ √   表3.0.18-3         01   饰面砖粘贴 √     √   表3.0.18-2           01 饰面砖粘贴 √     √   表5.17.2       05     涂饰 √   √ √   表3.0.18-3 01 水性涂料涂饰 √ √ 表3.0.18-2           01 水性涂料涂饰 √     √   表5.19.1       06     细部 √   √ √   表3.0.18-3         01   护栏和扶手制作与安装 √     √   表3.0.18-2           01 护栏和扶手制作与安装 √     √   表5.20.4     04       建筑屋面 √   √ √   表3.0.18-3         01   屋面找平层 √     √   表3.0.18-2           01 屋面找平层 √     √   表5.21.1         02   屋面卷材防水层 √     √   表3.0.18-2           01 屋面卷材防水层 √     √   表5.21.3 03 屋面涂膜防水层 √ √ 表3.0.18-2           01 屋面涂膜防水层 √     √   表5.21.4         04   屋面细石混凝土防水层 √     √   表3.0.18-2           01 屋面细石混凝土防水层 √     √   表5.21.5         05   屋面工程细部构造 √     √   表3.0.18-2           01 屋面工程细部构造 √     √   表5.21.10         06   架空屋面 √     √   表3.0.18-2           01 架空屋面 √     √   表5.21.11     05       建筑给水、排水 √   √ √   表3.0.18-3       01     室内给水系统 √   √ √   表3.0.18-3         01   室内给水管道与配件安装 √     √   表3.0.18-2           01 室内给水管道与配件安装 √     √   表5.23.1       02     室内排水系统 √   √ √   表3.0.18-3 01 室内排水管道与配件安装 √ √ 表3.0.18-2           01 室内排水管道与配件安装 √     √   表5.23.4         02   雨水管道与配件安装 √     √   表3.0.18-2           01 雨水管道与配件安装 √     √   表5.23.5       03     卫生器具与配件安装 √   √ √   表3.0.18-3         01   卫生器具安装 √     √   表3.0.18-2           01 卫生器具安装 √     √   表5.23.6         02   卫生器具给水配件安装 √     √   表3.0.18-2           01 卫生器具给水配件安装 √     √   表5.23.7         03   卫生器具排水配件安装 √     √   表3.0.18-2           01 卫生器具排水配件安装 √     √   表5.23.8     06       建筑电气 √   √ √   表3.0.18-3       01     电气照明安装工程 √   √ √   表3.0.18-3         01   动力、照明配电箱(盘)安装 √     √   表3.0.18-2           01 动力、照明配电箱(盘)安装 √     √   表5.24.1         02   电线导管、电缆导管和线槽敷设 √     √   表3.0.18-2           01 电线导管、电缆导管和线槽敷设 √     √   表5.24.2         03   电线、电缆穿管和线槽敷线 √     √   表3.0.18-2           01 电线、电缆穿管和线槽敷线 √     √   表5.24.3         04   电缆头制作、接线和线路绝缘测试 √     √   表3.0.18-2           01 电缆头制作、接线和线路绝缘测试 √     √   表5.24.5         05   普通灯具安装 √     √   表3.0.18-2 01 普通灯具安装 √ √ 表5.24.6 06 专用灯具安装 √ √ 表3.0.18-2           01 专用灯具安装 √     √   表5.24.7         07   开关、插座安装 √     √   表3.0.18-2           01 开关、插座安装 √     √   表5.24.8         08   建筑物照明通电试运行 √     √   表3.0.18-2           01 建筑物照明通电试运行 √     √   表5.24.9     07       通风与空调工程 √   √ √   表3.0.18-3 01 通风机安装 √ √ 表3.0.18-2           01 通风机安装 √     √   表5.25.5     08       支架安装 √   √ √   表3.0.18-3         01   支架吊装 √     √   表3.0.18-2           01 支架吊装 √     √   表6.4.4 02           事故油池与排油管 √   √ √ √ 表3.0.18-(4~6、8)     01       事故油池与排油管 √   √ √   表3.0.18-3         01   垫层 √     √   表3.0.18-2         01 垫层 √     √   表5.12.7         02   模板 √     √   表3.0.18-2           01 模板安装 √     √   表5.10.1           02 模板拆除 √     √   表5.10.3         03   钢筋 √     √   表3.0.18-2           01 钢筋加工 √     √   表5.10.4           02 钢筋安装 √     √   表5.10.5         04   混凝土 √     √   表3.0.18-2           01 混凝土施工 √     √   表5.10.7           02 混凝土外观与结构尺寸 √     √   表5.10.8         05   砌体 √     √   表3.0.18-2           01 砖砌体 √     √   表5.9.1         06   抹灰 √     √   表3.0.18-2           01 一般抹灰 √     √   表5.13.1         07   排油管道安装 √     √   表3.0.18-2           01  排油管道安装 √     √   表8.3.1 03           站区道路、电缆沟、照明与其他工程 √   √ √ √ 表3.0.18-(4~8)     01       地基工程 √ √ √ √   表3.0.18-3       01     土方 √ √ √ √   表3.0.18-3         01   定位与高程控制 √     √   表3.0.18-2           01 定位与高程控制 √     √   表5.2.1         02   挖方 √     √   表3.0.18-2           01 开挖 √     √   表5.3.1         03   填方 √     √   表3.0.18-2           01 土方回填 √     √   表5.3.2       02     桩基工程 √ √ √ √   表3.0.18-3         01   钢筋混凝土预制桩(打桩) √     √   表3.0.18-2           01 钢筋混凝土预制桩(打桩) √     √   表5.4.20     02       站区道路 √   √ √   表3.0.18-3         01   路基 √     √   表3.0.18-2           01 路基 √     √   表7.2.1         02   基层 √     √   表3.0.18-2           01 基层 √     √   表7.2.2~ 表7.2.6         03   面层 √     √   表3.0.18-2           01 混凝土施工 √     √   表5.10.7           02 水泥混凝土路面 √     √   表7.2.7         04   预制块(地砖)路面 √     √   表3.0.18-2           01 预制块(地砖)路面 √     √   表7.2.9     03       电缆沟 √   √ √   表3.0.18-3       01     砖砌体沟道 √   √ √   表3.0.18-3         01   垫层 √     √   表3.0.18-2           01 垫层 √     √   表5.12.7         02   模板 √     √   表3.0.18-2           01 模板安装 √     √   表7.3.2           02 模板拆除 √     √   表5.10.3         03   钢筋 √     √   表3.0.18-2           01 钢筋加工 √     √   表5.10.4           02 钢筋安装 √     √   表7.3.5         04   混凝土 √     √   表3.0.18-2           01 混凝土施工 √     √   表5.10.7           02 混凝土外观与结构尺寸 √     √   表7.3.8         05   沟道砌筑 √     √   表3.0.18-2           01 沟道砌筑 √     √   表7.3.1         06   一般抹灰 √     √   表3.0.18-2           01 一般抹灰 √     √   表5.13.1       02     混凝土沟道 √   √ √   表3.0.18-2         01   垫层 √     √   表3.0.18-2 01 垫层 √     √ 表5.12.7         02   模板 √     √   表3.0.18-2           01 模板安装 √     √   表7.3.2           02 模板拆除 √     √   表5.10.3         03   钢筋 √     √   表3.0.18-2           01 钢筋加工 √     √   表5.10.4           02 钢筋安装 √     √   表7.3.5         04   混凝土 √     √   表3.0.18-2           01 混凝土施工 √     √   表5.10.7           02 混凝土外观与结构尺寸 √     √   表7.3.8       03     盖板制作与安装 √   √ √   表3.0.18-3 01 钢构件焊接 √     √   表3.0.18-2 01 钢构件焊接 √     √   表5.11.1         02   钢筋 √     √   表3.0.18-2           01 钢筋加工 √     √   表5.10.4           02 钢筋安装 √     √   表5.10.5         03   混凝土 √     √   表3.0.18-2           01 混凝土施工 √     √   表5.10.7           02 混凝土外观与结构尺寸 √     √   表7.3.15         04   钢盖板制作 √     √   表3.0.18-2           01 钢盖板制作 √     √   表7.3.16         05   盖板安装 √     √   表3.0.18-2           01 盖板安装 √     √   表7.3.17     04       站区照明 √   √ √   表3.0.18-3         01   电缆沟内电缆敷设 √     √   表3.0.18-2           01 电缆沟内电缆敷设 √     √   表7.4.2         02   配电箱(盘)安装 √     √   表3.0.18-2           01 配电箱(盘)安装 √     √   表5.24.1         03   电线导管、电缆管线槽敷设安装 √     √   表3.0.18-2           01 电线导管、电缆管线槽敷设安装 √     √   表7.4.4         04   电线、电缆穿管和线槽敷线 √     √   表3.0.18-2           01 电线、电缆穿管和线槽敷线 √     √   表5.24.3         05   普通灯具安装 √     √   表3.0.18-2           01 普通灯具安装 √     √   表5.24.6         06   电缆头制作、接线和线路绝缘测试 √     √   表3.0.18-2           01 电缆头制作、接线和线路绝缘测试 √     √   表5.24.5         07   建筑物景观照明灯和庭院灯安装 √     √   表3.0.18-2           01 建筑物景观照明灯和庭院灯安装 √     √   表7.4.8         08   照明通电试运行 √     √   表3.0.18-2           01 照明通电试运行 √     √   表5.24.9 04           消防水池 √   √ √ √ 表3.0.18-(4~6、8)     01       地基与基础工程 √ √ √ √   表3.0.18-3       01     土方 √ √ √ √   表3.0.18-3         01   定位与高程控制 √     √   表3.0.18-2           01 定位与高程控制 √     √   表5.2.1         02   挖方 √     √   表3.0.18-2           01 开挖 √     √   表5.3.1         03   填方 √     √   表3.0.18-2           01 土方回填 √     √   表5.3.2       02     桩基工程 √     √   表3.0.18-3         01   钢筋混凝土预制桩(打桩) √     √   表3.0.18-2           01 钢筋混凝土预制桩(打桩) √     √   表5.4.20       03     混凝土基础 √   √ √   表3.0.18-3         01   垫层 √     √   表3.0.18-2           01 垫层 √     √   表5.12.7         02   基础模板 √     √   表3.0.18-2           01 模板安装 √     √   表5.10.1           02 模板拆除 √     √   表5.10.3         03   基础钢筋 √     √   表3.0.18-2          
展开阅读全文

开通  VIP会员、SVIP会员  优惠大
下载10份以上建议开通VIP会员
下载20份以上建议开通SVIP会员


开通VIP      成为共赢上传

当前位置:首页 > 环境建筑 > 其他

移动网页_全站_页脚广告1

关于我们      便捷服务       自信AI       AI导航        抽奖活动

©2010-2026 宁波自信网络信息技术有限公司  版权所有

客服电话:0574-28810668  投诉电话:18658249818

gongan.png浙公网安备33021202000488号   

icp.png浙ICP备2021020529号-1  |  浙B2-20240490  

关注我们 :微信公众号    抖音    微博    LOFTER 

客服