收藏 分销(赏)

法兰盘工序卡片.doc

上传人:天**** 文档编号:10963738 上传时间:2025-06-23 格式:DOC 页数:25 大小:363.50KB 下载积分:10 金币
下载 相关 举报
法兰盘工序卡片.doc_第1页
第1页 / 共25页
法兰盘工序卡片.doc_第2页
第2页 / 共25页


点击查看更多>>
资源描述
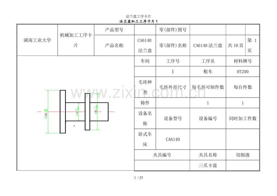
法兰盘工序卡片 法兰盘加工工序卡片1 湖南工业大学 机械加工工序卡片 产品型号 零(部件)图号 产品名称 CA6140法兰盘 零(部件)名称 CA6140法兰盘 共10 页 第1页 车间 工序号 工序名 材料牌号 Ⅰ 粗车 HT200 毛坯种类 毛坯外形尺寸 每毛坯可制件数 每台件数 铸件 1 1 设备名称 设备型号 设备编号 同时加工件数 卧式车床 CA6140 夹具编号 夹具名称 切削液 三爪卡盘 工位器具编号 工位器具名称 工序工时(s) 准终 单件 工步号 工 步 内 容 工 艺 装 备 主轴转速 (r/s) 切削速度 (m/min) 进给量 (mm/r) 背吃刀量 (mm) 进给 次数 工步工时(s) 机动 辅助 1 粗车Φ100端面 8 158.6 0.9 4 1 5.88 2 粗车Φ100外圆柱面 8 132 0.9 1 2 6 3 粗车B面 6.7 126 0.9 2 15 75 4 粗车Φ90外圆柱面 3.05 51.7 0.76 4 1 0.20 5 粗车Φ45端面 9.22 89 0.8 1.2 1 3.6 6 粗车Φ45外圆柱面 12.5 89 0.8 1.1 2 5.4 7 粗车Φ90端面 8 122 0.8 1.2 1 4.2 设计 (日期) 审核 (日期) 标准化 (日期) 会签 (日期) 更改文件号 标记 处数 签字 日期 标记 处数 更改文件号 签字 日期 25 / 25 法兰盘加工工序卡片2 潍坊学院 机电工程学院 机械加工工序卡片 产品型号 零(部件)图号 产品名称 CA6140法兰盘 零(部件)名称 CA6140法兰盘 共 10 页 第 2 页 车间 工序号 工序名 材料牌号 Ⅱ 钻孔 HT200 毛坯种类 毛坯外形尺寸 每毛坯可制件数 每台件数 铸件 1 1 设备名称 设备型号 设备编号 同时加工件数 立式钻床 Z525 夹具编号 夹具名称 切削液 三爪卡盘 工位器具编号 工位器具名称 工序工时(s) 准终 单件 工步号 工 步 内 容 工 艺 装 备 主轴转速 (r/s) 切削速度 (m/min) 进给量 (mm/r) 背吃刀量 (mm) 进给 次数 工步工时(s) 机动 辅助 1 钻Φ18的孔 9.25 35 0.3 37,8 2 扩Φ19.8的孔 4.53 16.9 0.5 46.8 设计 (日期) 审核 (日期) 标准化 (日期) 会签 (日期) 标记 处数 更改文件号 签字 日期 标记 处数 更改文件号 签字 日期 法兰盘加工工序卡片3 湖南工业大学 机械加工工序卡片 产品型号 零(部件)图号 产品名称 法兰盘 零(部件)名称 法兰盘 共 10 页 第 3页 车间 工序号 工序名 材料牌号 Ⅲ 精铰 HT200 毛坯种类 毛坯外形尺寸 每毛坯可制件数 每台件数 铸件 1 1 设备名称 设备型号 设备编号 同时加工件数 夹具编号 夹具名称 切削液 工位器具编号 工位器具名称 工序工时(s) 准终 单件 工步号 工 步 内 容 工 艺 装 备 主轴转速 (r/s) 切削速度 (m/min) 进给量 (mm/r) 背吃刀量 (mm) 进给 次数 工步工时(s) 机动 辅助 1 精铰Φ20的孔 5 19.3 0.5 43.8 设计 (日期) 审核 (日期) 标准化 (日期) 会签 (日期) 标记 处数 更改文件号 签字 日期 标记 处数 更改文件号 签字 日期 法兰盘加工工序卡片4 湖南工业大学 机械加工工序卡片 产品型号 零(部件)图号 产品名称 法兰盘 零(部件)名称 法兰盘 共 10 页 第 4页 车间 工序号 工序名 材料牌号 Ⅳ 半精车 HT200 毛坯种类 毛坯外形尺寸 每毛坯可制件数 每台件数 铸件 1 1 设备名称 设备型号 设备编号 同时加工件数 卧式车床 CA6140 夹具编号 夹具名称 切削液 工位器具编号 工位器具名称 工序工时(s) 准终 单件 工步号 工 步 内 容 工 艺 装 备 主轴转速 (r/s) 切削速度 (m/min) 进给量 (mm/r) 背吃刀量 (mm) 进给 次数 工步工时(s) 机动 辅助 1 半精车Φ100端面 8 158.6 0.5 0.7 1 26.4 2 半精车Φ100外圆柱面 8 132 0.2 0.55 1 10.2 3 半精车B面 6.7 126 0.5 1.1 1 135 4 半精车Φ90外面柱面 4.67 51.7 0.28 0.55 1 9.6 5 半精车Φ45端面 9.2 187 0.2 1.2 1 15.6 6 半精车Φ45外圆柱面 9.6 96 0.2 0.7 1 22.2 7 半精车Φ90端面 7.6 134 0.2 0.7 1 16.8 8 车Φ100柱倒角 1.245 74.7 1.5 1 1.8 9 Φ45过渡圆弧 1.78 60.8 5 1 1.8 10 Φ90柱体倒角 1.1 67 1.5 1 1.8 11 Φ20右倒角 7.2 27 1 1 2.16 12 3*2退刀槽 5.37 55.78 0.41 3.0 1 2.7 设计 (日期) 审核 (日期) 标准化 (日期) 会签 (日期) 标记 处数 更改文件号 签字 日期 标记 处数 更改文件号 签字 日期 法兰盘加工工序卡片5 湖南工业大学 机械加工工序卡片 产品型号 零(部件)图号 产品名称 法兰盘 零(部件)名称 法兰盘 共 10 页 第5 页 车间 工序号 工序名 材料牌号 Ⅴ 精车 HT200 毛坯种类 毛坯外形尺寸 每毛坯可制件数 每台件数 铸件 1 1 设备名称 设备型号 设备编号 同时加工件数 卧式车床 CA6140 夹具编号 夹具名称 切削液 工位器具编号 工位器具名称 工序工时(s) 准终 单件 工步号 工 步 内 容 工 艺 装 备 主轴转速 (r/s) 切削速度 (m/min) 进给量 (mm/r) 背吃刀量 (mm) 进给 次数 工步工时(s) 机动 辅助 1 精车Φ100左端面 8 158.6 0.2 0.8 1 26.4 2 精车Φ100外圆柱面 8 132 0.2 0.55 1 19.8 3 精车B面 8 126 0.2 0.55 1 282 4 精车Φ45外圆柱面 9.75 96 0.2 0.15 2 45 5 精车Φ90端面 7.6 134 0.2 0.3 1 18.6 设计 (日期) 审核 (日期) 标准化 (日期) 会签 (日期) 标记 处数 更改文件号 签字 日期 标记 处数 更改文件号 签字 日期 法兰盘加工工序卡片6 湖南工业大学 机械加工工序卡片 产品型号 零(部件)图号 产品名称 法兰盘 零(部件)名称 法兰盘 共 10 页 第 6 页 车间 工序号 工序名 材料牌号 Ⅵ 粗铣 HT200 毛坯种类 毛坯外形尺寸 每毛坯可制件数 每台件数 铸件 1 1 设备名称 设备型号 设备编号 同时加工件数 组合机床 夹具编号 夹具名称 切削液 工位器具编号 工位器具名称 工序工时(s) 准终 单件 工步号 工 步 内 容 工 艺 装 备 主轴转速 (r/s) 切削速度 (m/min) 进给量 (mm/r) 背吃刀量 (mm) 进给 次数 工步工时(s) 机动 辅助 1 粗铣距中心线34mm的平面 0.37 6.9 0.3 5 2 135 2 粗铣距中心距24mm的平面 0.37 6.9 0.3 5 4 360 设计 (日期) 审核 (日期) 标准化 (日期) 会签 (日期) 标记 处数 更改文件号 签字 日期 标记 处数 更改文件号 签字 日期 法兰盘加工工序卡片7 湖南工业大学 机械加工工序卡片 产品型号 零(部件)图号 产品名称 法兰盘 零(部件)名称 法兰盘 共 10 页 第 7 页 车间 工序号 工序名 材料牌号 Ⅶ 精铣 HT200 毛坯种类 毛坯外形尺寸 每毛坯可制件数 每台件数 铸件 1 1 设备名称 设备型号 设备编号 同时加工件数 组合机床 夹具编号 夹具名称 切削液 工位器具编号 工位器具名称 工序工时(s) 准终 单件 工步号 工 步 内 容 工 艺 装 备 主轴转速 (r/s) 切削速度 (m/min) 进给量 (mm/r) 背吃刀量 (mm) 进给 次数 工步工时(s) 机动 辅助 1 精铣Φ90两平面 0.6 11.4 0.2 1 2 135 设计 (日期) 审核 (日期) 标准化 (日期) 会签 (日期) 标记 处数 更改文件号 签字 日期 标记 处数 更改文件号 签字 日期 法兰盘加工工序卡片8 湖南工业大学 机械加工工序卡片 产品型号 零(部件)图号 产品名称 法兰盘 零(部件)名称 法兰盘 共 10 页 第8 页 车间 工序号 工序名 材料牌号 Ⅷ 钻孔 HT200 毛坯种类 毛坯外形尺寸 每毛坯可制件数 每台件数 铸件 1 1 设备名称 设备型号 设备编号 同时加工件数 立式钻床 Z525 夹具编号 夹具名称 切削液 工位器具编号 工位器具名称 工序工时(s) 准终 单件 工步号 工 步 内 容 工 艺 装 备 主轴转速 (r/s) 切削速度 (m/min) 进给量 (mm/r) 背吃刀量 (mm) 进给 次数 工步工时(s) 机动 辅助 1 钻4*Φ9孔 17.68 30 0.13 26.4 设计 (日期) 审核 (日期) 标准化 (日期) 会签 (日期) 标记 处数 更改文件号 签字 日期 标记 处数 更改文件号 签字 日期 法兰盘加工工序卡片9 湖南工业大学 机械加工工序卡片 产品型号 零(部件)图号 产品名称 CA6140法兰盘 零(部件)名称 法兰盘 共 10 页 第 9 页 车间 工序号 工序名 材料牌号 Ⅸ 钻、扩 HT200 毛坯种类 毛坯外形尺寸 每毛坯可制件数 每台件数 铸件 1 1 设备名称 设备型号 设备编号 同时加工件数 立式钻床 Z525 夹具编号 夹具名称 切削液 工位器具编号 工位器具名称 工序工时(s) 准终 单件 工步号 工 步 内 容 工 艺 装 备 主轴转速 (r/s) 切削速度 (m/min) 进给量 (mm/r) 背吃刀量 (mm) 进给 次数 工步工时(s) 机动 辅助 1 钻Φ4mm孔 39.8 30 0.13 4.8 2 扩Φ6mm孔 26.53 30 0.13 4.2 设计 (日期) 审核 (日期) 标准化 (日期) 会签 (日期) 标记 处数 更改文件号 签字 日期 标记 处数 更改文件号 签字 日期 法兰盘加工工序卡片10 湖南工业大学 机械加工工序卡片 产品型号 零(部件)图号 产品名称 法兰盘 零(部件)名称 CA6140法兰盘 共 10 页 第 10 页 车间 工序号 工序名 材料牌号 Ⅹ 磨 HT200 毛坯种类 毛坯外形尺寸 每毛坯可制件数 每台件数 铸件 1 1 设备名称 设备型号 设备编号 同时加工件数 轻型外圆磨床 MQ1350A 夹具编号 夹具名称 切削液 工位器具编号 工位器具名称 工序工时(s) 准终 单件 工步号 工 步 内 容 工 艺 装 备 主轴转速 (r/s) 切削速度 (m/min) 进给量 (mm/r) 背吃刀量 (mm) 进给 次数 工步工时(s) 机动 辅助 1 磨B面 44.5 18 0.998 0.0157 1 150 2 磨距离Φ90轴线24mm的侧平面 44.5 41.94 0.01 0.015 1 31.8 设计 (日期) 审核 (日期) 标准化 (日期) 会签 (日期) 标记 处数 更改文件号 签字 日期 标记 处数 更改文件号 签字 日期
展开阅读全文

开通  VIP会员、SVIP会员  优惠大
下载10份以上建议开通VIP会员
下载20份以上建议开通SVIP会员


开通VIP      成为共赢上传

当前位置:首页 > 包罗万象 > 大杂烩

移动网页_全站_页脚广告1

关于我们      便捷服务       自信AI       AI导航        抽奖活动

©2010-2025 宁波自信网络信息技术有限公司  版权所有

客服电话:0574-28810668  投诉电话:18658249818

gongan.png浙公网安备33021202000488号   

icp.png浙ICP备2021020529号-1  |  浙B2-20240490  

关注我们 :微信公众号    抖音    微博    LOFTER 

客服