收藏 分销(赏)

吊顶龙骨隐蔽工程验收记录.doc

上传人:a199****6536 文档编号:10953775 上传时间:2025-06-23 格式:DOC 页数:14 大小:586KB 下载积分:8 金币
下载 相关 举报
吊顶龙骨隐蔽工程验收记录.doc_第1页
第1页 / 共14页
吊顶龙骨隐蔽工程验收记录.doc_第2页
第2页 / 共14页


点击查看更多>>
资源描述
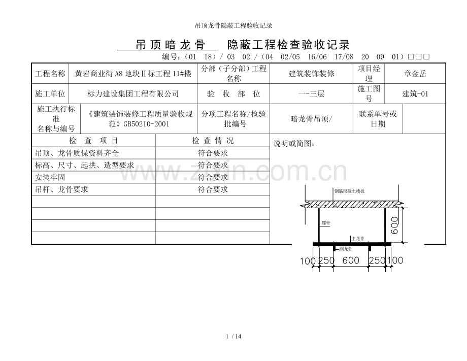
吊顶龙骨隐蔽工程验收记录 吊顶暗龙骨 隐蔽工程检查验收记录 编号:(01-18)/ 03-02 /(04-02/05-16/06-17/08-20/09-01)□□□ 工程名称 黄岩商业街A8地块Ⅱ标工程11#楼 分部(子分部)工程名称 建筑装饰装修 项目经理 章金岳 施工单位 标力建设集团工程有限公司 验 收 部 位 一-三层 施工图号 建筑-01 施工执行标准 名称与编号 《建筑装饰装修工程质量验收规范》GB50210-2001 分项工程名称/检验批编号 暗龙骨吊顶/ 联系单号或日期 检 查 项 目 检 查 情 况 说明或简图: 吊顶、龙骨质保资料齐全 符合要求 标高、尺寸、起拱、造型要求 符合要求 安装牢固 符合要求 吊杆、龙骨要求 符合要求 检 查 验 收 意 见 施工单位 项目专业质量检查员(签名): 项目专业技术负责人(签名): 年 月 日 专业监理工程师(签名): (建设单位项目专业技术负责人) 年 月 日 吊顶暗龙骨 隐蔽工程检查验收记录 编号:(01-18)/ 03-02 /(04-02/05-16/06-17/08-20/09-01)□□□ 工程名称 黄岩商业街A8地块Ⅱ标工程11#楼 分部(子分部)工程名称 建筑装饰装修 项目经理 章金岳 施工单位 标力建设集团工程有限公司 验 收 部 位 四-六层 施工图号 建筑-01 施工执行标准 名称与编号 《建筑装饰装修工程质量验收规范》GB50210-2001 分项工程名称/检验批编号 暗龙骨吊顶/ 联系单号或日期 检 查 项 目 检 查 情 况 说明或简图: 吊顶、龙骨质保资料齐全 符合要求 标高、尺寸、起拱、造型要求 符合要求 安装牢固 符合要求 吊杆、龙骨要求 符合要求 检 查 验 收 意 见 施工单位 项目专业质量检查员(签名): 项目专业技术负责人(签名): 年 月 日 专业监理工程师(签名): (建设单位项目专业技术负责人) 年 月 日 吊顶暗龙骨 隐蔽工程检查验收记录 编号:(01-18)/ 03-02 /(04-02/05-16/06-17/08-20/09-01)□□□ 工程名称 黄岩商业街A8地块Ⅱ标工程11#楼 分部(子分部)工程名称 建筑装饰装修 项目经理 章金岳 施工单位 标力建设集团工程有限公司 验 收 部 位 七-九层 施工图号 建筑-01 施工执行标准 名称与编号 《建筑装饰装修工程质量验收规范》GB50210-2001 分项工程名称/检验批编号 暗龙骨吊顶/ 联系单号或日期 检 查 项 目 检 查 情 况 说明或简图: 吊顶、龙骨质保资料齐全 符合要求 标高、尺寸、起拱、造型要求 符合要求 安装牢固 符合要求 吊杆、龙骨要求 符合要求 检 查 验 收 意 见 施工单位 项目专业质量检查员(签名): 项目专业技术负责人(签名): 年 月 日 专业监理工程师(签名): (建设单位项目专业技术负责人) 年 月 日 吊顶暗龙骨 隐蔽工程检查验收记录 编号:(01-18)/ 03-02 /(04-02/05-16/06-17/08-20/09-01)□□□ 工程名称 黄岩商业街A8地块Ⅱ标工程11#楼 分部(子分部)工程名称 建筑装饰装修 项目经理 章金岳 施工单位 标力建设集团工程有限公司 验 收 部 位 十-十二层 施工图号 建筑-01 施工执行标准 名称与编号 《建筑装饰装修工程质量验收规范》GB50210-2001 分项工程名称/检验批编号 暗龙骨吊顶/ 联系单号或日期 检 查 项 目 检 查 情 况 说明或简图: 吊顶、龙骨质保资料齐全 符合要求 标高、尺寸、起拱、造型要求 符合要求 安装牢固 符合要求 吊杆、龙骨要求 符合要求 检 查 验 收 意 见 施工单位 项目专业质量检查员(签名): 项目专业技术负责人(签名): 年 月 日 专业监理工程师(签名): (建设单位项目专业技术负责人) 年 月 日 吊顶暗龙骨 隐蔽工程检查验收记录 编号:(01-18)/ 03-02 /(04-02/05-16/06-17/08-20/09-01)□□□ 工程名称 黄岩商业街A8地块Ⅱ标工程11#楼 分部(子分部)工程名称 建筑装饰装修 项目经理 章金岳 施工单位 标力建设集团工程有限公司 验 收 部 位 十三-十五层 施工图号 建筑-01 施工执行标准 名称与编号 《建筑装饰装修工程质量验收规范》GB50210-2001 分项工程名称/检验批编号 暗龙骨吊顶/ 联系单号或日期 检 查 项 目 检 查 情 况 说明或简图: 吊顶、龙骨质保资料齐全 符合要求 标高、尺寸、起拱、造型要求 符合要求 安装牢固 符合要求 吊杆、龙骨要求 符合要求 检 查 验 收 意 见 施工单位 项目专业质量检查员(签名): 项目专业技术负责人(签名): 年 月 日 专业监理工程师(签名): (建设单位项目专业技术负责人) 年 月 日 吊顶暗龙骨 隐蔽工程检查验收记录 编号:(01-18)/ 03-02 /(04-02/05-16/06-17/08-20/09-01)□□□ 工程名称 黄岩商业街A8地块Ⅱ标工程11#楼 分部(子分部)工程名称 建筑装饰装修 项目经理 章金岳 施工单位 标力建设集团工程有限公司 验 收 部 位 十六-十八层 施工图号 建筑-01 施工执行标准 名称与编号 《建筑装饰装修工程质量验收规范》GB50210-2001 分项工程名称/检验批编号 暗龙骨吊顶/ 联系单号或日期 检 查 项 目 检 查 情 况 说明或简图: 吊顶、龙骨质保资料齐全 符合要求 标高、尺寸、起拱、造型要求 符合要求 安装牢固 符合要求 吊杆、龙骨要求 符合要求 检 查 验 收 意 见 施工单位 项目专业质量检查员(签名): 项目专业技术负责人(签名): 年 月 日 专业监理工程师(签名): (建设单位项目专业技术负责人) 年 月 日 吊顶暗龙骨 隐蔽工程检查验收记录 编号:(01-18)/ 03-02 /(04-02/05-16/06-17/08-20/09-01)□□□ 工程名称 黄岩商业街A8地块Ⅱ标工程11#楼 分部(子分部)工程名称 建筑装饰装修 项目经理 章金岳 施工单位 标力建设集团工程有限公司 验 收 部 位 十九-二十一层 施工图号 建筑-01 施工执行标准 名称与编号 《建筑装饰装修工程质量验收规范》GB50210-2001 分项工程名称/检验批编号 暗龙骨吊顶/ 联系单号或日期 检 查 项 目 检 查 情 况 说明或简图: 吊顶、龙骨质保资料齐全 符合要求 标高、尺寸、起拱、造型要求 符合要求 安装牢固 符合要求 吊杆、龙骨要求 符合要求 检 查 验 收 意 见 施工单位 项目专业质量检查员(签名): 项目专业技术负责人(签名): 年 月 日 专业监理工程师(签名): (建设单位项目专业技术负责人) 年 月 日 吊顶暗龙骨 隐蔽工程检查验收记录 编号:(01-18)/ 03-02 /(04-02/05-16/06-17/08-20/09-01)□□□ 工程名称 黄岩商业街A8地块Ⅱ标工程11#楼 分部(子分部)工程名称 建筑装饰装修 项目经理 章金岳 施工单位 标力建设集团工程有限公司 验 收 部 位 二十二-二十四层 施工图号 建筑-01 施工执行标准 名称与编号 《建筑装饰装修工程质量验收规范》GB50210-2001 分项工程名称/检验批编号 暗龙骨吊顶/ 联系单号或日期 检 查 项 目 检 查 情 况 说明或简图: 吊顶、龙骨质保资料齐全 符合要求 标高、尺寸、起拱、造型要求 符合要求 安装牢固 符合要求 吊杆、龙骨要求 符合要求 检 查 验 收 意 见 施工单位 项目专业质量检查员(签名): 项目专业技术负责人(签名): 年 月 日 专业监理工程师(签名): (建设单位项目专业技术负责人) 年 月 日 吊顶暗龙骨 隐蔽工程检查验收记录 编号:(01-18)/ 03-02 /(04-02/05-16/06-17/08-20/09-01)□□□ 工程名称 黄岩商业街A8地块Ⅱ标工程11#楼 分部(子分部)工程名称 建筑装饰装修 项目经理 章金岳 施工单位 标力建设集团工程有限公司 验 收 部 位 二十五-二十七层 施工图号 建筑-01 施工执行标准 名称与编号 《建筑装饰装修工程质量验收规范》GB50210-2001 分项工程名称/检验批编号 暗龙骨吊顶/ 联系单号或日期 检 查 项 目 检 查 情 况 说明或简图: 吊顶、龙骨质保资料齐全 符合要求 标高、尺寸、起拱、造型要求 符合要求 安装牢固 符合要求 吊杆、龙骨要求 符合要求 检 查 验 收 意 见 施工单位 项目专业质量检查员(签名): 项目专业技术负责人(签名): 年 月 日 专业监理工程师(签名): (建设单位项目专业技术负责人) 年 月 日 吊顶暗龙骨 隐蔽工程检查验收记录 编号:(01-18)/ 03-02 /(04-02/05-16/06-17/08-20/09-01)□□□ 工程名称 黄岩商业街A8地块Ⅱ标工程11#楼 分部(子分部)工程名称 建筑装饰装修 项目经理 章金岳 施工单位 标力建设集团工程有限公司 验 收 部 位 二十八-三十层 施工图号 建筑-01 施工执行标准 名称与编号 《建筑装饰装修工程质量验收规范》GB50210-2001 分项工程名称/检验批编号 暗龙骨吊顶/ 联系单号或日期 检 查 项 目 检 查 情 况 说明或简图: 吊顶、龙骨质保资料齐全 符合要求 标高、尺寸、起拱、造型要求 符合要求 安装牢固 符合要求 吊杆、龙骨要求 符合要求 检 查 验 收 意 见 施工单位 项目专业质量检查员(签名): 项目专业技术负责人(签名): 年 月 日 专业监理工程师(签名): (建设单位项目专业技术负责人) 年 月 日 吊顶暗龙骨 隐蔽工程检查验收记录 编号:(01-18)/ 03-02 /(04-02/05-16/06-17/08-20/09-01)□□□ 工程名称 黄岩商业街A8地块Ⅱ标工程11#楼 分部(子分部)工程名称 建筑装饰装修 项目经理 章金岳 施工单位 标力建设集团工程有限公司 验 收 部 位 三十一-三十二层 施工图号 建筑-01 施工执行标准 名称与编号 《建筑装饰装修工程质量验收规范》GB50210-2001 分项工程名称/检验批编号 暗龙骨吊顶/ 联系单号或日期 检 查 项 目 检 查 情 况 说明或简图: 吊顶、龙骨质保资料齐全 符合要求 标高、尺寸、起拱、造型要求 符合要求 安装牢固 符合要求 吊杆、龙骨要求 符合要求 检 查 验 收 意 见 施工单位 项目专业质量检查员(签名): 项目专业技术负责人(签名): 年 月 日 专业监理工程师(签名): (建设单位项目专业技术负责人) 年 月 日 14 / 14
展开阅读全文

开通  VIP会员、SVIP会员  优惠大
下载10份以上建议开通VIP会员
下载20份以上建议开通SVIP会员


开通VIP      成为共赢上传

当前位置:首页 > 包罗万象 > 大杂烩

移动网页_全站_页脚广告1

关于我们      便捷服务       自信AI       AI导航        抽奖活动

©2010-2025 宁波自信网络信息技术有限公司  版权所有

客服电话:0574-28810668  投诉电话:18658249818

gongan.png浙公网安备33021202000488号   

icp.png浙ICP备2021020529号-1  |  浙B2-20240490  

关注我们 :微信公众号    抖音    微博    LOFTER 

客服