收藏 分销(赏)

航站楼防水工程施工方案.doc

上传人:快乐****生活 文档编号:10861923 上传时间:2025-06-19 格式:DOC 页数:20 大小:3.87MB 下载积分:10 金币
下载 相关 举报
航站楼防水工程施工方案.doc_第1页
第1页 / 共20页
航站楼防水工程施工方案.doc_第2页
第2页 / 共20页


点击查看更多>>
资源描述
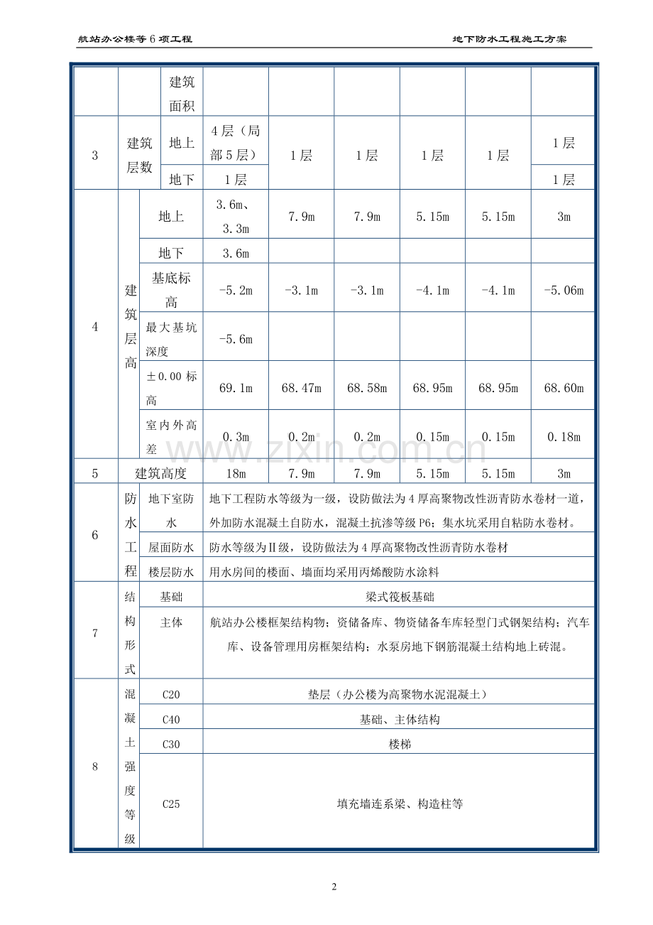
航站办公楼等6项工程 地下防水工程施工方案 1、编制依据 序号 文 件 名 称 文件编号 实施日期 1 《建筑工程施工质量验收统一标准》 GB50300-2013 2014.06.01 2 《地下工程防水技术规范》 GB50108-2008 2009.04.01 3 《建筑地基基础工程施工质量验收规范》 GB50202-2002 2002.05.01 4 《地下防水工程质量验收规范》 GB50208-2011 2012.10.01 5 《混凝土结构工程施工质量验收规范》(2011版) GB50204-2002 2011.08.01 6 《弹性体改性沥青防水卷材》 GB18242-2008 2008 7 《建筑安装分项工程施工工艺规程》 DBJ/T01-26-2003 2004.03.01 8 《北京市建筑工程资料管理规程》 DB11T695-2009 2009.04.01 9 《建筑构造通用图集-地下工程防水》 08BJ6-1 10 《建筑构造通用图集-变形缝》 88JZ3 11 《地下建筑防水构造》 10J301 12 《航站办公楼等6项工程施工组织设计》 13 《航站办公楼等6项工程施工图》 2.1工程概况 2.1工程设计概况 序号 项目 内容 航站办公楼 物资储备库 物资储备车库 汽车库 设备管理用房 水泵房 1 工程类别 房屋建筑 2 建筑面积 总建筑面积 5172㎡ 1975㎡ 1519㎡ 319㎡ 235㎡ 125㎡ 地上建筑面积 4150㎡ 1975㎡ 1519㎡ 319㎡ 235㎡ 10㎡ 地下建筑面积 1022㎡ 0㎡ 0㎡ 0㎡ 0㎡ 110㎡ 3 建筑层数 地上 4层(局部5层) 1层 1层 1层 1层 1层 地下 1层 1层 4 建筑层高 地上 3.6m、3.3m 7.9m 7.9m 5.15m 5.15m 3m 地下 3.6m 基底标高 -5.2m -3.1m -3.1m -4.1m -4.1m -5.06m 最大基坑深度 -5.6m ±0.00标高 69.1m 68.47m 68.58m 68.95m 68.95m 68.60m 室内外高差 0.3m 0.2m 0.2m 0.15m 0.15m 0.18m 5 建筑高度 18m 7.9m 7.9m 5.15m 5.15m 3m 6 防水工程 地下室防水 地下工程防水等级为一级,设防做法为4厚高聚物改性沥青防水卷材一道,外加防水混凝土自防水,混凝土抗渗等级P6;集水坑采用自粘防水卷材。 屋面防水 防水等级为Ⅱ级,设防做法为4厚高聚物改性沥青防水卷材 楼层防水 用水房间的楼面、墙面均采用丙烯酸防水涂料 7 结构 形式 基础 梁式筏板基础 主体 航站办公楼框架结构物;资储备库、物资储备车库轻型门式钢架结构;汽车库、设备管理用房框架结构;水泵房地下钢筋混凝土结构地上砖混。 8 混凝土强度等级 C20 垫层(办公楼为高聚物水泥混凝土) C40 基础、主体结构 C30 楼梯 C25 填充墙连系梁、构造柱等 2.2 分项工程概况 地下结构防水工程由混凝土结构自防水、自粘型聚合物改性沥青卷材防水层及细部构造防水等几方面组成。 序号 措 施 内 容 1 结构自防水 基础底板地梁、地下室外墙、地下层顶板的室外部分,消防水池的侧壁及顶盖、电话机房地面均采用抗渗混凝土,其抗渗等级为P6。 2 SBS卷材防水 地下室底板、外墙采用4mm厚聚合物改性沥青防水卷材; 4 细部构造防水 止水条、聚合物水泥防水砂浆、沥青密封膏 2.3工程特点及难点 地下工程防水面积大,施工过程控制难度大,施工中对防水材料、施工工艺的过程控制及成品的保护,是本工程施工的重点。 3、施工安排 3.1 单位工程质量目标:合格 分项工程质量目标: 地下室防水 地下工程防水等级为一级,设防做法为4厚高聚物改性沥青防水卷材一道,外加防水混凝土自防水,混凝土抗渗等级P6; 屋面防水 防水等级为Ⅱ级,设防做法为4厚高聚物改性沥青防水卷材 3.2 工期安排: 地下防水工程总工期控制: 计划开工日期:2015年3月1日 计划竣工日期:2016年6月10日 3.3 任务安排及劳动组织 3.3.1 防水卷材施工由北京森桦建业防水工程有限公司公司施工,单位资质符合要求,证件齐全,管理规范,并具有一定技术力量。设专人负责施工管理与现场协调。 3.3.2 混凝土施工:根据现场分区设置1名专项工长,安排1名试验人员(经过专业培训考核,持证上岗),由混凝土班组施工,地下结构配备15名混凝土工。 3.3.3 具体操作人员配备详见下表: 工 种 人 数 混凝土工 20 防 水 工 15 砌 筑 30 杂 工 20 3.4验收程序安排 防水工程施工中,每道工序完成后都须按以下验收程序进行验收:专业施工队自检→工长自检→质检员验收→监理验收,经监理工程师验收合格后方可进行下一道工序的施工。 4、施工准备 4.1 技术准备 4.1.1 施工前,专项工长根据施工组织设计及施工方案对作业班组进行全面施工技术及安全交底,说明施工方法、技术要点及质量标准。 4.1.2根据施工图纸和生产安排,技术员编制试验计划,在施工过程中严格执行。原材料进场后,现场技术员应及时做好原材的试验交底工作。试验工进行防水卷材外观检测,然后取样送试。 4.1.3技术部门收集齐全分包单位资质,特殊工种上岗人员的上岗证等。 4.2 现场准备 4.2.1现场道路做好硬化,使现场排水流畅,并专设清理人员清扫。做好现场施工照明准备。 4.2.2 现场做好消防准备工作,防止施工发生事故。 4.2.3 按照施工现场平面布置图堆放防水材料,配备灭火器,并与易燃易爆物品隔离。 4.2.4地下防水混凝土浇筑前检查并清理模板内残留杂物,用水冲净。检查电源、线路并做好照明准备工作。浇筑混凝土的架子、马道支搭完毕,并有良好的安全措施。 4.2.5 混凝土工长根据商品混凝土质量技术要求,提前与搅拌站联系,明确浇筑部位、浇筑时间、混凝土供应速度,并协调车辆调配工作,做好混凝土的浇筑、泵车、泵管加固、支设等准备工作。 4.3 材料准备 4.3.1材料部门在防水施工前制定备料计划,并组织材料进场,其中卷材由分包单位负责提供,主要防水材料如下表: 序号 材料名称 单位 数量 进场日期 1 4mm厚聚合物改性沥青防水卷材 m2 7086 随地下结构混凝土施工 2 基层处理剂 Kg 200 3 防水混凝土 m3 700 4 止水条 m 200 4.3.2材料检验 Ø 每批防水材料进场前,材料部门应提前报验,并提供材料质量证明文件材料、国家法定机构出具的检测报告等。经过总包、监理、业主三方对其外观进行对比检查,材料符合要求方可进场,否则,按不合格品处理。 Ø 防水材料应提前集中进场,监理会同业主、总包、分包按规范要求共同抽样送检复试,复试结果由总包交业主、监理审查备案,如该批材料合格,即可进场使用,如检测结果为不合格,应按相关物资检验程序立即退场,并做好书面记录。 4.3.3 混凝土结构防水工程 Ø 基础工程用水泥、砂石、外加剂、掺合料等混凝土用建筑材料,必须具有由市技术监督局核定的法定检测单位出具的含有碱含量和碱集料活性数据的检测报告及氯离子含量检测报告,无碱含量数据检测报告的混凝土禁止在基础工程中使用。 Ø 抗渗混凝土技术指标要求见下表: 材料名称 水灰比 砂率 灰砂比 坍落度 初凝时间 底板、顶板 墙体 抗渗混凝土 0.4-0.55 38%~42% 1:2~1:2.5 160±20mm 180±20mm 6-8小时 混凝土其它指标要求详见《混凝土施工方案》。 4.3.4 自粘聚合物改性沥青防水卷材 Ø 防水卷材外观质量 、品种规格应符合现行国家标准:成品卷材卷紧卷齐,表面平整度允许偏差小于5mm;在4~50℃任一温度下展开,在距卷芯1000mm长度外不应有10mm以上的裂纹或粘结;胎基应浸透,不应有未被浸渍的条纹;卷材表面必须平整,不允许有孔洞、缺角和裂口;每卷接头处不应超过1个,较短的一段不应少于1000mm,接头应剪切整齐,并加长100mm;卷材应具有良好的耐水性、耐久性、耐腐蚀穿刺性、耐腐蚀性、耐菌性;卷材的主要物理性能应符合以下要求:纵横向拉力≥800N/50mm,最大拉力时纵横延伸率≥40% 。低温柔度-25℃时无裂缝,压力0.3Mpa时保持30min不透水。 Ø 防水卷材进场后同一型号、同一进场批次作一检验批进行复试,首先进行外观检查,每组随机抽取4卷进行外观检查,并取每4卷中最轻的一卷进行复试,以此确定该验收批的卷材,并全部为见证试验,复试合格后方可进行施工。 4.3.5 细部构造防水 Ø 沥青密封膏外观应为均匀膏状物、无结皮结块、无不易分散的析出物,两组分应有明显色差。适用期:2~6h,表干时间:≤24h。 4.3.6材料存放 Ø 水泥、防水材料应入库存放,或选择干燥通风的高处,其底部要垫高并做防潮处理,现场准备塑料布,阴雨天及时铺盖压实,不得水浸或雨淋。卷材应立式码放,高度不超过两层,避免雨淋、日晒、受潮,注意通风。 4.4 主要机具准备: 机具名称 数量 机具名称 数量 小平铲、扫帚、钢丝刷 10 剪刀、篦子刀 20 钢卷尺(50m、30m),5m卷尺 2 小白线、彩色粉笔、彩色粉 2盒 流动刷、油漆刷、刮板 10 喷灯 8 小油桶、导管 5 铁管滚(φ200×100mm)、压板(小型) 5 其它:滚刷、扫帚、吹风机、手锤、钢凿、线坠、卷尺、弹线盒、橡胶刮板等。 4.5 防水材料试验取样计划详见试验计划方案 4.5.1要求:施工现场100%见证取样,且保证有不少于100%的试件送至见证试验室进行检测。 4.5.2见证取样的时间根据工程的进度由见证取样人及时通知监理。 4.5.3见证取样部位:原材在现场取样。 4.6施工作业条件要求 4.7.1 卷材防水层施工作业条件 Ø 防水找平层必须平整、牢固。 Ø 防水基层表面尘土、砂层等杂物清扫干净,且不得有凹凸不平、松动空鼓、起砂、开裂等缺陷。 Ø 基层表面平整度为:用2m长靠尺检查,基层与直尺之间的最大空隙不超过5mm,且每米长度内不多于1处,空隙允许平缓变化。 Ø 基层表面的阴阳角处,均应做成圆弧形或钝角,阴阳角圆弧半径为50mm。 Ø 铺贴卷材前应使基层表面干燥,满粘法施工要求基层含水率小于9%,新作业面施工前先用简易法测基层含水率,即用1m2的卷材覆盖3小时后察看凝结水情况,若无凝结水即可进行卷材的铺贴。 Ø 考虑地下工程工期紧,且防水层上压有较厚的底板防水混凝土,底板防水层可采用点粘或空铺,此时基层干燥程度可适当放宽。 4.7.3 后浇带和施工缝防水施工作业条件 Ø 已浇筑混凝土抗压强度不应小于1.2Mpa。 Ø 清除后浇带和施工缝部位垃圾、水泥薄膜、表面上松动砂石和软弱混凝土层,同时加以凿毛,并用水冲洗干净并充分湿润,混凝土表面不得有明水。 5、施工方法 5.1具体流水段划分 楼号 段数 流水段部位 流水顺序 办公楼 2 1段(1-5/A-E轴) 2段(6-10/A-E轴) 1段→2段 物资储备车库 2 1段(1-6/A-D轴) 2段(6-10/A-D轴) 1段→2段 物资储备库 2 1段(1-7/A-D轴) 2段(7-13/AD轴) 1段→2段 5.1.1流水段划分图 办公楼以伸缩缝为界划分2个流水段 12 设备管理用房、汽车库、水泵房面积小,不划分流水段 5.2 抗渗混凝土结构自防水 地下室墙体混凝土为抗渗混凝土,地下室外墙竖向及导墙水平施工缝采用遇水膨胀止水条。 5.2.1 工艺流程 Ø 基础底板 钢筋、模板、水电及止水条验收→联系确定混凝土供应及泵车→泵车就位→核定配合比、检查混凝土坍落度→输送与混凝土同配合比的砂浆润滑输送管内壁→分层浇筑,分层振捣→留置施工缝→压实、抹面→养护→成品保护 Ø 墙体混凝土 钢筋、模板、水电及止水条或止水条验收→清理施工缝并湿润施工缝及模板→联系确定混凝土供应及泵车→泵车就位→核定配合比,检查混凝土坍落度→先浇筑50mm厚同混凝土配合比砂浆→分层浇筑,分层振捣→留置施工缝→拆模、养护及成品保护 5.2.2 施工要点 Ø 地下混凝土全部采用预拌混凝土,由混凝土输送泵进行运输。其中使用抗渗混凝土的部位有基础底板、地下室外墙采用P6抗渗混凝土。 Ø 基础底板以后浇带断开分别浇筑,浇注过程中混凝土的全部间歇时间小于2小时。 Ø 基础底板及地下室外墙后浇带处分别用比底板及地下室外墙高一级的微膨胀防水混凝土浇筑。 5.2.3 其它要点 Ø 抗渗混凝土施工前,必须做好施工缝清理的隐检工作,模内无杂物,火烧丝甩头向内不得贴模,止水条连续且固定牢固。 Ø 外墙混凝土浇筑前,应浇筑50mm厚与抗渗混凝土同配比的防水砂浆,且铺匀振实,不得出现夹渣现象。 Ø 混凝土分层浇筑,分层振捣,分层厚度不得大于500mm,且振捣棒不得触动止水条。 Ø 抗渗混凝土终凝后应立即进行养护,养护时间不得少于14天,14天后测试含水率,含水率合格后做卷材防水。 Ø 其它详见《混凝土施工方案》。 5.3 卷材防水施工 根据基础垫层施工进度,基础底板自西向东、自南向北铺设。底板防水层采用满粘法,外墙防水层采用满粘法。 5.3.1工艺流程 基层处理→基层含水率检测→基层隐检→涂刷水泥浆→对阴阳角部位进行附加增强处理→弹线→铺贴卷材→搭接边封口→嵌缝密封→防水层隐检→做保护层 5.3.2施工做法 Ø 基础底板外防水采用外防内贴法。基础底板防水保护墙厚240mm,高度从底板上皮上返350mm,采用MU15蒸压粉煤灰砖压顶。内侧抹20厚1:2.5水泥砂浆找平层。卷材甩茬完成后在保护墙上干压一皮砖压顶。永久性保护墙范围内卷材点粘,且其靠结构一侧表面抹20厚1:2.5水泥砂浆,表面甩胶灰拉毛处理。各部位做法如图所示: Ø Ø 穿墙管道处防水构造: Ø 集水坑防水做法如下图: Ø 外墙防水采用外防外贴:防水保护层采用60mm厚聚苯板,防水卷材端部采用1.2厚卤化丁基橡胶粘结胶带进行收头。具体做法见下图: Ø 铺贴外墙卷材之前,应先将接茬部位的各层卷材揭开,并将其表面清理干净,如卷材有局部损伤,应及时进行修补后方可继续施工,卷材的接茬长度不小于 100mm,错开距离不得小于500mm。 5.3.3 施工要点 Ø 基础底板防水采用外防外贴法,地下外墙防水采用外防外贴法。 Ø 施工前,将永久性保护墙砌筑在同一垫层上,墙厚240mm,防水保护墙高出基础底板300mm,采用灰砂砖砌筑,保护墙内表面用M5水泥砂浆抹面找平。 Ø 防水基层必须牢固、无松动、起砂现象,表面平整、光滑、均匀一致。基层若高低不平或凹坑较大,将凸出基层的异物等铲除,并清扫干净,用1:3水泥砂浆抹平,阴阳角、管根等部位应更加仔细清理。阴、阳角处做圆弧处理,半径R=50mm。大面平整度不大于5mm。 Ø 防水基层含水率不大于9%,用1m2卷材平铺在找平层上,静置3小时后掀开检查,找平层覆盖部位与卷材上未见水印,即可铺设防水层。 Ø 铺贴卷材之前首先在基层上均匀涂刷一层冷底子油,待干了之后再开始卷材铺贴。 Ø 防水卷材铺贴采用热熔法施工,底板采用空铺法,外墙采用满粘法。 Ø 先铺贴阴阳角等部位的加强层,经质检和监理检查之后方可进行大面积铺贴。 Ø 先将地坑、后浇带等处的防水卷材铺贴完毕后再铺大面,其上部卷材收头处要留出不小于600mm与大面卷材进行搭接。 Ø 先铺平面,后铺立面,交叉处应交叉搭接。 Ø 两幅卷材长、短边搭接均不少于100mm, 在立面与平面的转角处,卷材的接缝应留在平面上,距立面不应少于600mm。同一层相邻两幅卷材的横向接缝应彼此错开1500mm以上。 Ø 铺贴时将贴有标签的卷材表面朝上。 Ø 粘贴卷材应展平压实,卷材与基层、各层卷材间必须粘结紧密,搭接缝必须粘贴封严,无裂缝、损伤、气泡、脱层或滑动。 Ø 铺贴后卷材应平整顺直,搭接尺寸正确,不得有扭曲。 Ø 外墙防水卷材采取由下而上的施工顺序,要求接头处上层卷材下压下层卷材的长度不得少于350mm。 Ø 外墙防水卷材由下而上施工时,为防止卷材下滑脱落,采用木方在卷材上部临时支顶的方法,并要求保护层和底部回填土及时跟上。 Ø 保护层施工:卷材施工完毕,经隐检合格后,应立即进行保护层施工,以保护卷材免受损伤。平面做50mm厚细石混凝土保护层,要求表面平整,强度可靠,且细石混凝土保护层表面要求搓毛。肥槽回填灰土前外墙防水层贴5mm厚聚乙烯泡沫塑料片材防水保护层。 5.3.4细部做法 Ø 后浇带处防水做法如下图: Ø 基础底板导墙处水平施工缝采用遇水膨胀止水条进行防水,止水条居中布置,埋入25mm,在施工缝以上露出25mm高,搭接不少于150mm。使用水泥钉固定在导墙中间。 地下外墙模板全部采用加焊70×70mm,5mm厚止水片的止水螺栓,拆模后,螺栓孔内抹1:2膨胀水泥砂浆抹面找平。作法见下图: Ø 铺贴转角、阴阳角等部位,先用水泥砂浆进行倒圆角处理,用500mm宽单层卷材做附加层增强处理。如下图所示: 5.4 回填土 5.4.1肥槽:1000mm范围内采用2:8灰土回填,1000mm范围以外采用素土回填,在回填将基槽、坑内的渣土、杂物等有机材料清理干净,并经过监理检查验收,回填前应由专人负责拌合,拌合要均匀按2:8的体积拌合。 5.4.2在基坑边坡四周每隔3m钎一个木橛子,以控制回填土的高度。 5.4.3回填土要分层铺摊,每层虚铺厚度为250mm,每层铺摊后,用铁锹耙平。 5.4.4回填土每层至少要夯打三遍,虚铺250mm,夯实后200mm,打夯应一夯压半夯,夯夯相接,纵横交叉。严禁用“水夯法”。 5.4.5每层夯实后,必须通知试验工进行环刀取样测试干密度,试验合格后方可进行下一层回填。 5.4.6分段交接处应填成阶梯形,梯形的高宽比一般为1:2,上下层错开距离不小于1m。 5.4.7回填土要连续进行,尽快完成。 5.4.8肥槽回填土时,靠近卷材部位必须用木夯,由人工进行夯实。 5.4.9回填土其它要求详见《回填土施工方案》。 5.4.10本工程回填土施工恰逢冬期施工,冬施回填相关要求详见《冬期施工方案》。 5.5 季节性施工 5.5.1混凝土工程 Ø 本工程地下混凝土冬施施工采用暖棚法养护。 Ø 框架柱、地下外墙模板外挂两层阻燃草帘被进行保温。在顶板混凝土表面覆盖一层塑料布,再挂两层阻燃草帘被进行保温养护。 Ø 根据试验及测温情况,确定混凝土拆除模板及保温时间。 Ø 对混凝土泵及泵管用防火草帘进行保温。混凝土出罐温度在10℃以上,入模温度在5℃以上。 Ø 在浇筑混凝土前,清除钢筋和模板上的冰雪和污垢。 Ø 混凝土的浇筑尽量安排在上午9:00至下午16:00之间进行,合理安排好施工进度,寒流到来时,避免浇筑混凝土。 Ø 雪停后,要及时派人清理钢筋及模板外侧上的积雪。 Ø 混凝土浇筑后及时覆盖保温,在拆保温前不得上人。 Ø 混凝土工程其它要求详见《冬期施工方案》。 5.5.2防水工程 Ø 冬施期间防水工程在施部位主要为防水层和地下结构外墙防水层,采用4mm厚自粘型SBS改性沥青防水卷材。 Ø 防水层施工前,表面应清理干净,无冰雪、保温材料等杂物。防水找平层的基层含水率必须符合要求不大于9%,用1m2的卷材铺在基层上,静置3-4小时后,观察卷材以及找平层表面均无水珠即可施工。找平层施工时要边施工边覆盖,防止混凝土受冻。 Ø 防水卷材采用热熔法施工,铺贴卷材严禁在雨雪天施工,五级风及其以上不得施工。施工时间选择在上午10:00左右到下午4:00左右,环境温度较高的时间段,施工的环境温度不得低于-10℃。 Ø 防水工程其它要求详见《冬期施工方案》。 5.5.3回填土工程 Ø 在填土前,应清除基底上的冰雪、渣土等杂物。 Ø 冬期回填土中冻土含量不得超过15%,其粒径不得大于150mm,回填土有机质含量应小于5%,回填后的夯实系数不小于0.94。回填土粒径素土不得大于50mm,灰土不得大于15mm。不得使用冻土回填、土中不得有雪、冰块等。 Ø 回填采用蛙式打夯机,铺填冻土块应分散开,并逐层夯实,虚铺厚度每层为200mm,夯实后的每层厚度为150mm。 Ø 回填土施工要连续进行并夯实,随回填随用防火草帘覆盖,防止基土和回填土受冻。 Ø 当气温低于-10℃,遇雪天时不宜进行回填施工。 Ø 当平均气温在-5℃以下时,填土高度不得超过3.5m。 Ø 当遇雨雪天气时,应停止回填土工作,并对已回填的部位用塑料布加防火草帘覆盖,待天晴后及时将积雪清理干净。 Ø 回填土工程其它要求详见《冬期施工方案》。 6 质量标准及要求 6.1防水保护墙砌筑 6.1.1主控项目 Ø 砖和砂浆的强度等级必须符合设计要求。 Ø 砌砖水平灰缝的砂浆饱满率不得小于80%。 Ø 砖砌体的转角处和交接处应同时砌筑,严禁无可靠措施的内外墙分砌施工,对不能同时砌筑而又必须留置的临时间断处应砌成斜槎,斜槎水平投影长度不应小于高度的2/3。 Ø 砌砖的允许偏差为:位置偏移为10㎜,垂直度为5㎜。 6.1.2一般项目 Ø 砖砌体组砌方法应正确,上、下错缝,内外搭砌。 Ø 砖砌体的灰缝应横平竖直,厚薄均匀。水平灰缝厚度宜为10㎜,但不小于8㎜,也不应大于12㎜。 Ø 砌砖的一般尺寸允许偏差为:顶面标高:±15㎜;表面平整度:8㎜;水平灰缝平直度:10㎜。 6.2卷材防水层 6.3.1主控项目 Ø 防水卷材及主要配套材料必须符合设计要求。 Ø 卷材防水层及其转角处、变形缝、穿墙管道等细部做法均符合设计要求。 6.3.2一般项目 Ø 卷材防水层的基层应牢固,基面应洁净、平整,不得有空鼓、松动、起砂和脱皮现象;基层阴阳角处应作成圆弧型。 Ø 卷材防水层的搭接缝应粘结牢固,密封严密,不得有皱折、翘边、鼓泡等缺陷。 Ø 侧墙卷材防水层的保护层与防水层应粘结牢固,结合紧密,厚度均匀一致。 Ø 卷材搭接宽度的允许偏差为-10mm。 6.3细部构造 6.3.1主控项目 Ø 细部构造所用的止水条、聚合物水泥基复合防水涂料、缓膨型遇水膨胀橡胶条、聚合物水泥防水砂浆、聚氨酯嵌缝膏和接缝密封材料必须符合设计要求。 6.3.2一般项目 Ø 接缝处的混凝土表面应密实、洁净、干燥,密封材料应嵌填严密,粘结牢固,不得有开列、鼓泡和下塌的现象。 6.4检验批的划分 6.4.1基础底板防水工程检验批按照施工流水段进行划分。 6.4.2外墙立面卷材防水层检验批分层分段划分。 7安全措施 7.1所有人员必须戴好安全帽,系好下额带。现场内禁止吸烟,严禁酒后上岗作业。 7.2各种防水材料均使用环保材料,降低施工及使用过程中的污染。 7.3基层处理剂涂刷完毕经过8小时以上,达到干燥程度方可进行卷材的热熔施工,以免失火。 7.4清除现场易燃、易爆物品和材料,配备足够数量的灭火器,保证消防道路畅通。实行用火申请制,明火施工前,施工操作人员必须向总包方的安全管理部门申请用火证。 7.5作业高度在2m和2m以上时,必须设置安全防护设施。 7.6砌筑使用的砖块等要堆放整齐、平稳、边用边运,砌筑时要稳拿稳放,废料、边角料严禁随意抛掷。 7.7施工人员严禁打闹、嬉戏或大声喧哗。 7.8材料存放于专人负责的库房,严禁烟火并挂有醒目的警告标志和防火措施。 7.9施工现场和配料场地应通风良好,操作人员应穿软底鞋、工作服、扎紧袖口,并应配戴手套及鞋盖。必须戴防毒口罩和防护眼镜,外露皮肤应涂擦防护膏,操作时严禁用手直接揉擦皮肤。 7.10患有皮肤病、眼病、刺激过敏者,不得参加防水作业。施工过程中发生恶心、头晕、过敏等,应停止作业。 7.11使用液化气喷枪及汽油喷灯,点火时,火嘴不准对人。汽油喷灯加油不得过满,打气不能过足。 7.12下班清洗工具。未用完的溶剂,必须装入容器,并将盖盖严。 7.13使用液化气喷枪及汽油喷灯,点火时,火嘴不准对人。汽油喷灯加油不得过满,打气不能过足。 7.14回填土时要做好边坡的安全防护工作。 7.15派专人进行现场车辆的协调工作,保证行车安全 8注意事项 8.1成品保护 8.1.1缓膨型遇水膨胀橡胶条敷设完毕后,应立即进行聚合物水泥防水砂浆的施工,以免橡胶条被雨淋或其它因素影响,造成提前膨胀。 8.1.2底板卷材防水层施工时,施工人员和检查人员必须穿软底鞋。进入卷材施工区时须穿鞋套。 8.1.3防水卷材采用人工搬运,当使用塔吊时,严禁吊物直接吊至卷材施工区,可吊至找平层上,再由人工搬运至施工区。 8.1.4基础底板卷材防水层施工完毕后,应注意成品保护;验收合格后,应及时进行防水保护层的施工,防止结构施工碰损防水层。外墙防水层施工完后应按设计做好保护层,并及时进行回填土的施工。 8.1.5基础底板防水保护层施工前,应在防水层上用脚手板铺设小推车行车路线,防止对卷材防水层造成破坏。 8.1.6基础底板防水保护层施工时,严禁使用铁锹等尖锐工具,应使用木耙扒平,木抹子拍实搓平。泵管架子底部应铺好脚手板,拆除的泵管及卡子应随时运走,不得放在卷材上。 8.1.7地下卷材防水层部位预埋的管道,在施工中不得碰损和堵塞杂物。 8.1.8平面卷材防水层施工时,不得在防水层上放置材料及作为施工运输车道。 8.1.9底板施工绑扎钢筋时,勿将钢筋直接放置在桩头及桩的附近,严禁在此范围内拉动钢筋,以免破坏聚合物水泥防水砂浆层。 8.1.10顶板、楼梯踏步混凝土浇筑完毕后,不能过早上人。 8.1.11混凝土浇筑完毕,应及时清理漏、溅在墙及楼板上的混凝土浆,确保混凝土面的清洁。 8.1.12浇筑混凝土时配备看筋人员,及时将钢筋复位,同时配备看模板人员,避免出现跑模、跑浆等。 8.1.13混凝土浇灌前必须搭设600mm宽的马道,防止踩踏钢筋。 8.1.14混凝土浇筑后,应及时采取有效养护措施,严防脱水和收缩裂缝。 8.1.15混凝土后浇带两侧混凝土浇筑后,应用盖板封闭严密,避免杂物和雨水进入,污染钢筋。 8.1.16已浇筑完的顶板混凝土强度达到上人无脚印时,才能在上人作业。 8.2环保及文明施工 8.2.1加强环保、宣传工作,使环保意识深入人心,提高环保自检和内业资料的整理水平。 8.2.2建立健全环保工作制度,使环保工作落实到人,严格执行有关环保工作规定。 8.2.3现场内设专人打扫卫生、洒水,保持现场干净整洁,无扬尘。 8.2.4在施工现场设立统一的垃圾站,所有施工垃圾首先进行筛选,将有用的回收利用,混凝土渣土做施工现场道路、暂设、材料场的垫层用,其它垃圾一律装袋,堆放在垃圾站,统一及时运往市政垃圾站。 8.2.5对大气、噪声、水污染实行定期的监测。 8.2.6五级以上大风,停止防水卷材的热熔施工。 8.2.7施工残留的边角料不得随处乱扔,由专人负责收集,统一回收。 8.2.8施工人员必须服装统一 、整洁、穿软底鞋。 8.2.9在承接该工程土方回填时,积极与城管部门、交通部门等办理好各种手续,主动接受检查,保证回填土方工作顺利进行。 8.2.10卸车时必须做好降尘、降噪、环保的各钟措施,此项工作由专职人员负责。
展开阅读全文

开通  VIP会员、SVIP会员  优惠大
下载10份以上建议开通VIP会员
下载20份以上建议开通SVIP会员


开通VIP      成为共赢上传

当前位置:首页 > 品牌综合 > 施工方案/组织设计

移动网页_全站_页脚广告1

关于我们      便捷服务       自信AI       AI导航        抽奖活动

©2010-2025 宁波自信网络信息技术有限公司  版权所有

客服电话:0574-28810668  投诉电话:18658249818

gongan.png浙公网安备33021202000488号   

icp.png浙ICP备2021020529号-1  |  浙B2-20240490  

关注我们 :微信公众号    抖音    微博    LOFTER 

客服