收藏 分销(赏)

园林绿化景观工程资料表格汇总(六).doc

上传人:快乐****生活 文档编号:10780756 上传时间:2025-06-13 格式:DOC 页数:9 大小:201KB 下载积分:6 金币
下载 相关 举报
园林绿化景观工程资料表格汇总(六).doc_第1页
第1页 / 共9页
园林绿化景观工程资料表格汇总(六).doc_第2页
第2页 / 共9页


点击查看更多>>
资源描述
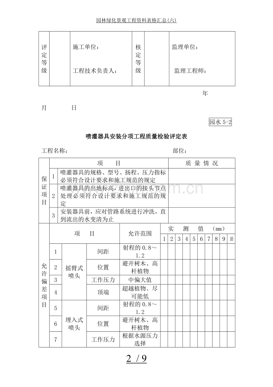
园林绿化景观工程资料表格汇总(六) 园水5-1 潜水泵安装分项工程质量检验评定表 工程名称: 部位: 保证项目 项 目 质 量 情 况 1 潜水泵的规格、型号、扬程指标必须符合设计要求和施工规范的规定 2 潜水泵座的标高,泵进出口的接头节点处理必须符合设计要求和施工规范的规定 允许偏差项目 项 目 允许偏差 (mm) 实 测 值 (mm) 1 2 3 4 5 6 7 8 9 10 1 水泵座预埋高程 ±2 2 水泵座预埋水平度 0。1 3 进水门流道中心线 与水泵中心偏差 3 4 相邻水泵间距偏差 ±5 5 电源与信号线路进出孔密封 符合设计要求 6 电源线完整、无损伤、接头密封 符合设计要求 检查结果 保证项目 允许偏差项目 实测 点,其中合格 点,合格率 % 评定等级 施工单位: 工程技术负责人: 核定等级 监理单位: 监理工程师: 年 月 日 园水5-2 喷灌器具安装分项工程质量检验评定表 工程名称: 部位: 保证项目 项 目 质 量 情 况 1 喷灌器具的规格、型号、扬程、压力指标必须符合设计要求和施工规范的规定 2 喷灌器具的出地标高,进出口的接头节点处理必须符合设计要求和施工规范的规定 3 安装器具前,应对管路系统进行冲洗,直到流出的水变清为止 允许偏差项目 项 目 允许范围 实 测 值 (mm) 1 2 3 4 5 6 7 8 9 10 1 摇臂式喷头 间距 射程的0.8~1.2 2 位置 避开树木、高杆植物 3 工作压力 中偏大值 4 顶端 超越植物、尽可能低 5 埋入式喷头 间距 射程的0.8~1.2 6 位置 避开树木、高杆植物 7 工作压力 根据水源压力选择 8 连接 采用铰接接头 9 顶盖 保持竖直、地面平齐 10 电磁阀 上游 加装一个手动阀门 11 阀门井 直径不小于80cm 12 阀门离地 不小于20cm 13 导线 采用防水接头 14 过滤器 安装位置 便于拆洗、清理 15 快速取水阀 顶盖 地面平齐 16 阀门箱 顶盖 地面平齐 检查结果 保证项目 允许偏差项目 实测 点,其中合格 点,合格率 % 评定等级 施工单位: 工程技术负责人: 核定等级 监理单位: 监理工程师: 年 月 日 园水5-3 园林灯具安装分项工程质量检验评定表 工程名称: 部位: 保证 项目 项 目 质量情况 1 灯具的规格、型号、性能指标必须符合设计要求和施工规范的规定 2 灯座的标高,电线进出口的接头节点处理必须符合设计要求和施工规范的规定 3 潮湿环境、水下灯具必须使用24伏以下的低压 4 潮湿、水下环境必须使用防水接头 基本项目 项 目 质 量 情 况 等级 1 2 3 4 5 6 7 8 9 10 1 灯位正确 2 基础稳固 3 灯向正确、固定牢靠 4 灯杆垂直 5 电线连接牢固 6 下部接线箱橡胶圈、 盖板齐全 7 接地良好,防松装置齐全 8 线管内径不小于 电缆外径的1.5倍 9 电缆埋设深度 符合设计要求 10 电缆与树木的间距要求 乔木主干1.5m 灌木丛0.5m 古树名木3.0m 11 接地线、接零线必须分开 12 电缆的金属护层 不得当作接地线 检查结果 保证项目 基本项目 检查 项,其中优良 项,优良率 % 评定等级 施工单位: 工程技术负责人: 核 定 等 级 监理单位: 监理工程师: 年 月 日 园水5-4 排疏板排水系统安装分项工程质量检验评定表 工程名称: 保证 项目 项 目 质量情况 1 排水材料的规格、型号、性能指标必须符合设计要求和施工规范的规定 2 排水材料的接头节点处理必须符合设计要求和施工规范的规定 3 波纹管、多孔管、集水管等配件均应符合设计要求和施工规范的规定 基本项目 项 目 质 量 情 况 等级 1 2 3 4 5 6 7 8 9 10 1 铺设面清除凸起物、清扫 2 填平凹坑、砂浆找平 3 一端开始、搭接延伸 4 垂直面固定牢固 5 搭接处底板、无纺布 分别搭接 6 边沿处无纺布反折, 包住底板 7 管接处连同管头完全包住 8 回填土与时均匀 检查结果 保证项目 基本项目 检查 项,其中优良 项,优良率 % 评定等级 施工单位: 工程技术负责人: 核 定 等 级 监理单位: 监理工程师: 年 月 日 园水--5 塑料管线(给水)安装分项工程质量检验评定表 工程名称: 部位: 保证项目 项 目 质 量 情 况 1 管线材料品种、型号、规格、性能应符合设计要求和质量标准 2 管线材料品种、型号、规格、性能应与质保单的数据相符,并具有出厂合格证 3 阀门、接头、喷头的型号、规格、耐压强度应符合设计要求 4 管槽开挖中心位置、槽底高程应符合设计和规范要求 基本项目 项 目 质 量 情 况 等级 1 2 3 4 5 6 7 8 9 10 1 管线铺设 管道平顺放入 回填土要分层压实 2 管线连接 热熔对接树脂均匀 熔接牢固不渗水 3 管阀连接 管阀连接牢固紧密 水流方向正确 不得悬空和扭曲 4 竖井 位置正确 顶盖标高符合要求 5 喷头 安装位置正确 喷头标高符合使用要求 允许偏差项目 项 目 允许偏差(mm) 实 测 值 (mm) 1 2 3 4 5 6 7 8 9 10 1 管槽开挖 槽底标高 0、–30 2 中心线两侧宽度 不小于设计规定 3 槽底边坡 不小于设计规定 4 管道铺设 管道标高 ±10 5 中线位移 15 6 垂直位移 ±2 7 阀门 垂直度 ±2 8 喷头 标高要求 ±2 9 垂直度 ±2 检查结果 保证项目 基本项目 检查 项,其中优良 项,优良率 % 允许偏差项目 实测 点,其中合格 点,合格率 % 评定等级 施工单位: 工程负责人: 核定等级 监理单位: 监理工程师: 年 月 日 园水--6 塑料管线(排水)安装分项工程质量检验评定表 工程名称: 部位: 保证项目 项 目 质 量 情 况 1 管线材料品种、型号、规格、性能应符合设计要求和质量标准 2 管线材料品种、型号、规格、性能应与质保单的数据相符,并具有出厂合格证 3 管槽开挖中心位置、槽深和坡降应符合设计和规范要求 4 管道铺设不得有逆坡,管身不得起伏不平 5 回填土不得有石块、砖屑等杂物 基本项目 项 目 质 量 情 况 等级 1 2 3 4 5 6 7 8 9 10 1 管线铺设 管道平顺放入 回填土要分层压实 2 管线连接 热熔对接树脂均匀 熔接牢固不渗水 不得悬空和扭曲 3 窨井 位置正确 顶盖标高符合要求 4 出口 安装位置正确 标高符合使用要求 允许偏差项目 项 目 允许偏差(mm) 实 测 值 (mm) 1 2 3 4 5 6 7 8 9 10 1 管槽开挖 槽底标高 0、–30 2 中心线两侧宽度 不小于设计规定 3 槽底边坡 不小于设计规定 4 管道铺设 管道标高 ±10 5 中线位移 15 6 纵向坡降 符合设计要求 7 窨井 长、宽 ±20 8 底高 ±10 9 顶高 ±10 检查结果 保证项目 基本项目 检查 项,其中优良 项,优良率 % 允许偏差项目 实测 点,其中合格 点,合格率 % 评定等级 施工单位: 工程负责人: 核定等级 监理单位: 监理工程师: 年 月 日 9 / 9
展开阅读全文

开通  VIP会员、SVIP会员  优惠大
下载10份以上建议开通VIP会员
下载20份以上建议开通SVIP会员


开通VIP      成为共赢上传

当前位置:首页 > 环境建筑 > 园林绿化

移动网页_全站_页脚广告1

关于我们      便捷服务       自信AI       AI导航        抽奖活动

©2010-2026 宁波自信网络信息技术有限公司  版权所有

客服电话:0574-28810668  投诉电话:18658249818

gongan.png浙公网安备33021202000488号   

icp.png浙ICP备2021020529号-1  |  浙B2-20240490  

关注我们 :微信公众号    抖音    微博    LOFTER 

客服