收藏 分销(赏)

路监理规划.doc

上传人:綻放 文档编号:10583870 上传时间:2025-06-03 格式:DOC 页数:18 大小:132KB 下载积分:9 金币
下载 相关 举报
路监理规划.doc_第1页
第1页 / 共18页
路监理规划.doc_第2页
第2页 / 共18页


点击查看更多>>
资源描述
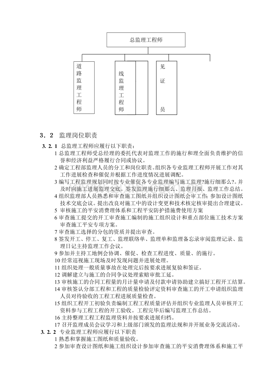
路监理规划 1、工程概况 1.1 工程简介 1.2 主要工程量 1.3 工程特点 1.4 参建 2、监理工作范围、目的和根据 2.1 监理工作范围 根据监理合同本工程监理工作范围为 路施行施工阶段监理。 2.2 监理工作目的 1质量目的: 2工目的: 3目的: 2.3 监理工作根据 1建立与承包签订的施工合同及监理委托合同建立指。 2施工图纸、设计变更、设计交底纪要及会审记录。 3城镇道路工程施工与质量验收 CJJ1-2021 4政排水渠工程质量检验评定 CJJ3-90 5政桥梁工程质量检验评定 CJJ2-90 6城道路路基工程施工及验收 CJJ44-91 7粉煤灰石灰道路基层施工及验收规程 CJJ4-97 8沥青路面施工及验收 GB50092-96 9给排水道工程施工及验收 GB50268-97 10公路桥涵施工技术 JTJ041-2000 11政根底设施工程施工技术理规定 建城〔2002〕221 12常州武进区建立工程质量监视站?政工程质量监视程序? 13建立工程监理 GB50319-2002 14江苏建立工程施工阶段监理现场用表〔第四版〕 3、监理组织机构、人员装备、岗位职责及进退场方案 3.1 监理组织机构员装备 组建了 工程监理部人员装备如下: 总监理工程师 线 监 理 工 程 师 见 证 员 师 道 路 监 理 工 程 师 资 料 员 3.2 监理岗位职责 3.2.1 总监理工程师应履行以下职责: 1总监理工程师受总经理的委托代表对监理工作的施行和理全面负责维护的信誉和经济利益严格履行合同或协议。 2确定工程部监理人员的分工和岗位职责。组织各专业监理工程师开展工作对其工作进展检查和催促并根据工作进度情况进展调配。 3编写工程监理规划同时按专业催促各专业监理编写施工监理?施行细那么?。并及时向施工进展监理交底。签发监理施行细那么、监理月报、监理工作总结。 4组织监理部人员熟悉和审查施工图纸并组织设计图纸会审工作;参加设计图纸技术交底会议。提出改良对施工中的设计变更和技术核定核审提出合理建议。 5 审核施工的平安消费理体系和工程平安防护措施费使用方案 6审查施工提交的开工审查施工编制的施工组织设计和重点部位施工技术方案审查施工平安专项方案。 7审查施工选择的分包的资质并提出审查。 8签发开工、停工、复工、监理联络单、监理单和监理备忘录审阅监理记录、监理日记主持监理工作会议。 9参加并主持工地例会协调、催促、检查工程进度、质量、的施行。 10经常巡视施工现场及时发现问题并进展处理。 11组织处理一般质量事故在处理完后按要求进展复验和签证。 12调解建立与施工的合同争议处理索赔审批工延。 13审核施工的合同工程量的月计量申请及付款申请协助建立搞好工程开工结算。 14审核签认分部工程和工程的质量检验评定资料审查施工的开工申请组织监理人员对待验收的工程工程进展质量检查。 15组织工程开工初验负责编制工程工程质量评估并组织专业监理人员审核开工资料参与工程工程的开工验收。工程完毕后编写监理工作总结。 16主持整理工程工程监理资料并按要求进展归档。 17召开监理成员会议学习和上级部门颁发的监理法规和并开展业务交流活动。 3.2.2 专业监理工程师应履行以下职责 1熟悉和掌握施工图纸和质量验收。 2参加审查设计图纸和施工组织设计参加审查施工的平安消费理体系和施工平安专项方案。负责编写?监理施行细那么?。 3审查重点部位施工技术方案和承包采用的新技术和新工艺催促施工进度的制定与落实。 4审批确认承包已进场的施工机具和设备的性能、规格、数量。 5核查进场材料、成品、半成品构配件、设备的原始合格证、检测等质量证明及其质量情况。根据实际情况认为有必要时应对其进展质量抽验或试验合格时予以签认。 6复核施工施工放样和予埋件、予留孔放样工作做到在工序进展中的质量检查和监视。在施工自检合格的根底上检查验收并签认质量报验单〔隐蔽工程验收记录〕批准下道工序施工。 7提出质量事故整改单处理施工施工生的一般质量事故参与重大质量事故的调查并提供发惹事故的有关情况。 8审查施工提供的工程计量申报表或工程月付款申报表提供确实数据供总监审核签认。 9发现问题及时处理并向总监汇报。 10参与施工申请索赔和延的理由情况调查审查索赔和延申请单并报总监审核签认。 11编写监理工作记录〔日志〕按职责范围处理监理日记中记录的问题同时向总监汇报工作情况按时参加工地会议。 12对工程平安、文明施工进展催促检查。 13检查、催促施工及时、齐全、准确地完成各种资料。 14及时完成各种监理资料做到、正确、。 3.2.3 监理员应履行以下职责 1认真学习设计图纸及设计正确理解设计意图严格按照监理程序、监理根据进展检查、验收。 2施工对工程基准线、控制点、水准点复测报验后对其进展复核对各道工序的施工放样、轴线、高程进展复核。 3检查承包投入工程工程的人力、材料、主要设备及其使用、运行状况并做好检查记录。 4复核或从施工现场直接获取工程计量的有关数据并签认原始凭证。 5按设计图及有关对承包的工艺过程或施工工序进展检查和记录对加工制作及工序施工质量检查结果进展记录。 6担任旁站工作发现问题及时指出并向专业监理工程师。 7做好监理日记和有关的监理记录工程开工后按理要求进展监理资料的整理并按有关规定做好归档及移交工作。 8对有关试验工程直接进展抽检、试验工作并催促施工按工程的频率要求及时见证取样和送验。 3.2.4 监理人员理职能分配表〔见附表〕 3.3 监理部进退场方案 在施工办公场地具备办公条件时监理部将进驻施工现场待工程工程开工交付使用后撤离施工现场。现根据甲方工要求和施工现场目前状况初定监理部于×年×月×日进驻现场×年×月×日撤离现场。 4、监理工作内容、与措施 4.1 监理工作内容 4.1.1 质量控制 1审定施工的施工组织设计施工技术方案及平安文明措施。 2审查施工所用原材料、半成品、成品的质量除检查其有否〔出厂〕合格证外对水泥、砂、碎石、钢材及其他按规定必须复验的原材料在使用之前必须进展质量抽样复试检验经有资质的试验检验合格后才能使用。 3审查总承包提出的分包工程工程的分包的资质。 4认真组织施工设计图会审工作参加建立主持的设计交底会并提出问题或建议供建立、设计参考。 5与建立共同处理有关的设计变更、合同条款和索赔等事项。 6审核施工对控制点的复测成果及各道工序的施工放样测量成果。 7对原材料的复试及各工序中的各项送检试验工程做好见证取样工作。 8?工程建立强迫条文?是监理施行质量控制时首先要进展监理的内容是监理工作的重点一定要严格把关。 9监视施工完善各项施工工艺并催促施工人员严格按照现行施工、规程、和设计要求组织施工控制工程质量。对特殊工种人员应审查其资质。 10监视施工做好工序质量自检工作和工序报验手续。监理人员应进展审核复查验收工作在上道工序验收合格后才允许进展下道工序施工。 11催促施工做好施工记录加强技术资料理及时、正确、完好地提供各项技术资料及开工资料。并应按照质监及部门的规定要求进展整理、归档。 12审核和催促处理质量问题和质量事故。处理的方案必须技术可靠处理的结果要消除隐患并保证工程质量和使用功能。经监理验收合格前方能进展下道工序施工。 13检查验收分项分部工程核查已完成的合格工程量。对隐蔽工程进展复验签证。 14组织开工初验工作提出工程质量评估。工程工程完成后监理根据全过程的积累资料和掌握的情况做出对工程质量综合性的评估报送建立、质监站。 4.1.2 进度控制 1审定施工提出的施工方案和施工进度方案包括施工总进度方案和月进度方案。 2按照月度方案监理人员催促检查各种相关设备材料机具等能否满足方案进度的要求。一旦发现问题须责成施工制定解决方案限落实。 3除工地例会上讨施工进度外为了确保分部或分项工程的施工进度必要时协助甲方召开专门的工进度方案会议分析方案完不成的原因并制定相应的补救措施协调解决存在的问题。 4.1.3 控制 1催促施工按批准的进度方案完成工程。 2核查施工完成的分局部项工程数量审核施工的进度付款申请表。 3控制额外工程量签证凡发生额外工程量均必须附图标明部位和几何尺寸并必须经施工、监理、甲方、审计四方共同签证前方可生效。做到发生时及时签认过不补签。 4.1.4 合同理 1?施工合同?是监理人员进展监理工作的根据之一必须熟悉和理解?合同?主要条款和精。在监理的全过程中始终要按?合同?的条款精办事秉公执法维护双方利益。 2未经建立的事先同意施工不得将?合同?转让给第三方。 3经建立同意施工由于某些原因将自已承当的一局部工程分包给另外的施工施工分包的资质必须经监理工程师审查批准后方可签订分包合同。 4.1.5 信息理 1及时掌握现场的施工状况并做出详细记录需要及时处理的必须在最短时间内将情况给有关员。 2有关工程的变更必须全面弄清情况。理解提出变更的理由提出、人员和日及时给有关和人员。对下发的设计变更要及时施工和人员遵照执行并检查落实情况。 3做好各种资料的搜集理工作便于需要时查阅和提供。 4.1.6 平安与文明施工 1、协助并催促做好施工现场平安工作尤其要重视平安的事先预控工作。施工中催促施工人员严格按操作规程施工严格劳动纪律。 2、监视协助施工在工程范围内落实实在可行的临时排水措施。施工临时通道应平整、无坑塘和积水。使有关人员、车辆通行时方便、平安。 3、催促施工应做到现场平面布置合理;机械、设备停放平安、有序;物品、材料堆放整齐文明。 4、审核施工现场平安防护是否符合时承诺和?建筑施工现场环境与卫生?等要求。 4.1.7 协调工作 1当建立与施工在执行?合同?过程生矛盾和纠纷时监理工程师应根据?合同?的原那么精与双方接触进展有效的协调工作。首先采取和蔼的劝解使双方能获得谅解劝解不成时那么应秉公执法发出业务联络单文字诚恳但不离原那么使有关的双方承受监理工程师的协调。假设不能解决问题那么由仲裁甚至经法庭审理。一般情况下监理工程师应尽可能防止采取后两种措施。为使双方合作愉快尽量做好耐心细致的说明工作。 2施工过程中做好参建的各施工间的协调工作。 3监理人员与各方关系 监理人员无从事任何工程的监理工作都必须理清与各方面的工作关系并在工作中认真处理特别要注意赢得各方面的支持。 〔1〕.监理人员与建立的工作关系。 委托与被委托的合同关系。 监理人员根据监理合同、施工承包合同、的法律、法规、设计图纸和、业务联络单有关的技术和操作规程公正开展工作。监理人员必须承受建立在其职责范围中所发生的各项指并根据指开展工作。 〔2〕.监理人员与设计的工作关系。 监理人员与设计没有合同关系。 设计的设计图纸和是监理工作的主要根据。设计和监理人员都应为工程目的的实现而团结协作共同努力互相配合认真工作。 〔3〕.监理人员与施工的工作关系 监理人员与总承包是监理与被监理关系。 施工总承包必须承受工程监理组的监视检查并为工程监理组开展工作提供方便与各施工分包亦是监理与被监理的工作关系但是工作关系是由分包通过总包来实现的即各分包的施工方案、技术复核、隐蔽工程验收、质量上的签证认可等项均应通过总包向工程监理组签证。工程监理组始终以质量、平安、文明施工为主在建立受权范围内按以后编制的?监理细那么?进展监视催促施工按施工合同、图纸、、和批准的施工组织设计进展施工工程监理组亦要按时、按方案做好监理工作并应自觉维护监理权威。 〔4〕.监理人员与监视的关系 监视是机构根据法律、法规、方针、体系及技术、。对被理和被监视者〔所有参建各方〕进展强迫性监视和执法对工程建立行为性进展宏观控制。对施工质量参与监视检查和验收在本工程监理过程中监理人员应自觉承受监视部门的监视理。 〔5〕.监理人员与工程施工相关联的相关的关系 所谓与工程施工相关联的相关是指施工中所影响到的水、电、煤气、、交通运输等各种。监理人员在处理这种关系时主要是做好各在施工中线位置发生矛盾时给予协调解决。以减少互相干扰和影响。 4.2监理工作与措施 4.2.1 监理工作 1旁站监视:监理人员对关健部位、工程的隐蔽部位、易发生质量缺陷的工程、不易补救的部位必须进展全过程旁站监视发现问题要及时处理。 2巡视监理:监理人员还应对所有的施工面和工程工程进展巡视监理发现问题及时纠正。 3现场测量。包括几何尺寸、高程、位移等工程测量。 4监理抽检监理人员对施工的各种抽检频率取样及试验进展检查必要时应进展抽检试验以鉴定施工的抽样试验结果是否、可靠。 4.2.2 监理工作措施 1贯彻执行ISO9001:2000贯标施行顺序及有关要求。 2严格监控: 在监理操作的全过程中要严格按照合同、法规、和验收办事。 〔1〕严格控制施工质量对施工组织设计或施工方案、施工理制度、质量保证体系、施工分包资质、工程上使用的原材料、半成品、成品和设备的质量以及工程复核与验收签证等严格把关。坚持事前预控、事中监控、事后验收防患质量事故于未然。 〔2〕严格控制进度方案的贯彻执行当工程进度与方案进度不符时应向有关提出要求调整方案及采取相应措施力争工程进度目的的实现。 〔3〕严格控制额外签证。 3积极参与 〔1〕认真学习设计图纸和有关理解设计意图尽量将图纸中的问题或疑点及时提出需要时可配合设计共同商量解决。对某些不合理处也应提出修改。 〔2〕在施工组织设计或施工方案审查时从实际出发积极提出改良使之更为完善、合理。 〔3〕经常对方案完成情况作客观分析找出主要原因提出对策和建议力争总进度方案如或提早完成。 4热情效劳 〔1〕尽力为参建解忧排难做好协调和效劳工作。 〔2〕遇到问题尽可能及时解决于现场不拖拉、不推诿。 〔3〕对施工上的一些技术复杂难题尽可能予以提供帮助。 〔4〕根据实际情况提出合理化建议以节约。 5、监理工作制度、监理程序 5.1监理工作制度 为保证监理工作的有效施行特制定以下监理工作制度: 5.1.1 施工图会审及交底制度: 1.在总工指导下各科室负责人、总监及全体监理部人员认真熟图领会设计意图熟悉、掌握相关验收、。 2.收图一周内审查施工图纸中有否疑问〔错、漏、碰、缺等〕作好记录以书面形式报建立及相关部门。 3.在建立、设计返回信息的根底上整理设计图纸交底纪要由总监组织图纸设计交底工作监理部全体人员参加。特殊工程及重点工程由总工或科室负责人共同参与。 4.整理后的图纸设计交底纪要交总监审核经各有关签证盖章一周内下发。 5.1.2 施工组织设计审核制度: 1.要求施工在开工前三天报施工组织设计〔必须具有针对性及可操作性〕。 2.各专业监理工程师审核后提出审核交总监。 3.由工程总监根据现场实际情况审核施工的施工组织设计并签署。 4.大型复杂工程及可预见性较差的工程施工组织设计可分部、分项报批。 5.重点工程或特殊部位的施工组织设计经总监初审报分指导同意后由总监签发。 6.施工组织设计中凡牵涉超出招范围及其它特殊情况的须视情况预先报业主同意其它情况下的施工组织设计也应报业主同意。 5.1.3 工程开工申请制度: 1.现场已具备施工开工条件。 2.施工已按要求报工程开工申请表及附件。 3.总监理工程师必须在收到工程开工申请表48小时内严格审查条件具备签发开工。 4.施工有不利于质量控制的行为时总监理工程师有权行使质量控制权必要请建立后下达停工。 5.施工已将质量问题排除且填报复工申请单经总监工程师复查相关认可后下达复工。 5.1.4 工程材料〔设备〕、半成品〔设备〕检验制度: 1.进入施工现场的工程材料〔设备〕、半成品〔设备〕必须符合以下要求: 〔1〕具有出厂合格证、准用证、答应证等; 〔2〕具有的编、文字说明; 〔3〕到达或行业规定的合格。 2.在施工对材料〔设备〕、半成品〔设备〕检验合格的根底上填报材料〔设备〕、半成品〔设备〕使用报验单同时附有关资料。 3.监理人员在验收报验单48小时内施工或供货进展抽样检验不合格的应立即出书面材料予以退换。 4.未对任何检验或检验不合格的材料〔设备〕、半成品〔设备〕擅自用于工程的一切后果和责任由施工承当监理出书面材料有关。 5.国外进口材料〔设备〕、半成品〔设备〕材料以商检为准未经商检不得使用、安装。 5.1.5 隐蔽工程分项工程验收制度: 1.隐蔽工程验收是防止质量隐患保证工程工程质量的重要措施;隐蔽工程验收后要验收手续和签证列入工程;对验收中提出的不符合要求的问题要认真处理;处理后应再经复核并注明处理情况。 2.隐蔽工程施工过程中监理工程师应进展旁站或巡视检查确保隐蔽工程内在质量。 3.未经历收或验收不合格不得进展下一道工序施工。 5.1.6 技术复核制度: 1. 技术复核制度是行使技术证及决策的重要制度各监理部在遇到新材料、新工艺的应用、施工技术难点设计图纸质量及执行强迫性条文方面等重大问题时必须及时以书面材料报请复核。 2.技术复核书面材料须经总监和科室负责人签署后报总工或分指导必要时由组织相关人员证。 5.1.7 单项工程中间验收制度: 1.局部分部或分项工程因承建不同工程又具有相对性有明显的施工阶段性为明确各方职责防止前后施工之间扯皮有利于成品保护加快工程进度可根据工程实际情况进展单项工程中间验收。 2.单项工程中间验收必须提早向申报验收内容及理由并经总监〔或专业监理工程师〕和科室负责人签署后报分指导批准。 3.单项工程验收还必须其它各建立相关部门或建立主部门一并参加。单项工程中间验收前工程总监应审查其资料是否完备验收条件是否成熟。 4.单项工程中间验收过程中得出的问题应限时整改并复检对中间验收部位内容要详实验收后交接双方应共同签署参加验收的各方应作为见证共同签署结。 5.1.8 现场协调会议制度: 1.工地经常性会议和 工地经常性会议在工程开工以后按照总监理工程师确定的时间定召开。一般有周〔或二周〕例会和月度消费会两种。会议一般由总监理工程师〔或监理工程师〕主持召开监理的有关监理人员和承建、分包商的有关人员参加同时邀请建立的代表参加。在特殊情况下可邀请与工程有关的机构、的代表参加。 在工地召开的经常性会议上的同其他发出的各种指性一样具有等效作用。工地经常性会议的是一个很重要的。 2.专题会议和 对于一些工程中的重大问题以及不宜在工地经常性会议上解决的问题可以召开专题会议研究解决。如设计交底、施工方案或施工组织设计审查、复杂技术问题的讨重大工程质量分析和处理、工程延费用索赔等。 专题会议一般由总监理工程师提出或由有关施工提出后由总监理工程师确定。 参加专题会议的人员应根据会议的内容确定除建立、施工和监理的有关人员外还可邀请设计人员和有关专家参加。 对于专题会议应有会议记录和会议记要并作为监理工程师发出的相关指的附件或存档备查的。 5.1.9 建立工作日志制度: 1.各监理部从进入施工现场开场在总监的安排下实事求是认真填写监理日志和平安台帐。 2.监理日志、平安台帐作为各监理部日常工作考核内容。 3.监理工作情况包括: 〔1〕施工中出现的问题处理问题经过、结。 〔2〕今后可能出现的有关问题对目前工作的改良。 〔3〕同各部门的工作联络各种会议议题、人员、结。 〔4〕对各的收、发及处理。 〔5〕上级的执行。 〔6〕在现场理、检查、验收及平安和文明作业的情况。 〔7〕有关考前须知及参加解决问题的在场人员等。 〔8〕各工程的材料检测台帐一览表〔包括试块抽检〕。 4.形象进度包括: 〔1〕施工部位。 〔2〕施工内容。 〔3〕施工进度。 〔4〕施工完成情况。 〔5〕按照施工方案提早或滞后情况及监理部作出相应措施及要求〔以监理指下达〕。 5.施工质量按预目的落实情况及相关要求和指。 6.工程开工验收后监理日志、平安台帐作为开工资料归档。 5.1.10 监理周报或月报制度: 监理周报、月报是总监理工程师每周末和月底向建立提交的。 其主要内容有: 1.工程进展情况:本周〔或〕月方案实际完成情况原因分析;工程资金情况本工程款支付情况下可能支付的工程款;施工现场情况包括文明施工、平安、工程质量情况和原因分析。 2.监理工作情况。 3.存在的问题和建议。 4.下周〔或月〕的监理工作的要点。 5.1.11 理制度: 1.各监理部应装备一名兼职员做好资料的搜集和整理工作。 2.在工作工程中涉及监理工程方面的、记录、资料、协议、合同等按时间、性质分阶段、分类整理、装订。 3.归档的材料必须用墨水笔书写字迹工整、线条整齐、签字手续完备。 4.对各监理部的资料定或不定进展考核。 5.装订必须按的统一形式进展。 6.各监理部的资料在工程开工验收后7天内将资料交于手续统一理。 7.资料原那么上不外借特殊情况经指导批准履行手续。严禁涂改、圈划假设发现案卷有损坏或缺少者立即追查下落及时处理。 5.1.12 设计变更及落实制度: 为了加强对设计变更的理特制定本设计变更及落实制度如下: 1.施工图纸是指导施工的监理部应严格执行图纸意图。 2.施工中业主提出对设计变更监理部应严格执行以设计签发的变更为准。 3.如施工在施工过程中为了确保质量为了施工过程中技术需要对施工 图纸提出修改要求时必须充分说明理由并以书面形式申报监理部由监理部审核通过后转呈汇报业主经业主审定后由设计签发变更。 4.监理部接到设计变更应及时施工并监视落实的。 5.书面变更及施工有关落实措施以书面形式存档。 6.设计变更及落实的情况由总监理工程师全面负责由各专业监理工程师详细签发落实存档备查。 5.1.13 见证取样制度: 为严格原材料把关杜绝工程质量隐患确保工程质量符合要求特制定本制度: 1.监理部至少有1名持证见证取样员并将取样复印件放至现场。 2.施工原材料进场现场监理人员必须按批次〔批〕进展验收实际数量要与质保书〔合格证〕上相符并有见证员监视施工的取样员按规定进展取样封样后见证员签字盖章送至检测中心进展检测。 3.原材料复试合格前方准用于工程假设复试不合格该批次原材料必须在见证员监视下退场并退场手续。 5.1.14 旁站制度: 为严把工程原材料、成品〔半成品〕、设备及工序或相关重点部位的质量关杜绝工程质量隐患确保工程质量符合、及图纸要求特制定本制度: 1.监理部在监理细那么中应明确旁站原材料、相关工序及重点部位的施工停建点。 2.对要求旁站的工序及部位须有监理指或监理交底。 3.该处的监理资料〔材料或工序〕报验单在监理签署时应明确旁站时间、监理旁站人员、施工情况、施工质量结。 4.对已旁站的材料进场或工序、部位施工应在监理日志中详细详细记录。 5.所有旁站部位、施工情况、结在各分部验收总结及工程开工验收中分别予以明确。 5.1.15 旁站巡视监理工作制度: 1.工程监理机构应在需要施行旁站监理的关键部位、关键工序施工时安排详细监理人员按照旁证监理方案施行旁站监理; 2. 旁站人员应按照规定的职责认真旁站在施工现场跟班监视及时发现和处理施工中出现的质量问题; 3. 旁站人员发现施工企业有违背工程建立强迫性行为的有权责其立即整改;发现施工作业已经或者可能危及工程质量的应当及时向监理工程师或总监理工程师以采取相应措施予以阻止; 4. 旁站人员应如实准确地做好旁站监理记录同时旁站人员和施工企业现场质检人员均需在旁站记录上签字未履行手续者不得进入下道工序施工。 5. 旁站监理人员应检查施工企业现场质检人员到岗、特种工种人员持证上岗以及施工机械、建筑材料准备情况; 6. 旁站监理人员应核查进场建筑材料、建筑构配件、设备和商品混凝土的质量检验等并可在现场监视施工企业进展检验或者委托具有资格的第三方进展复检; 7. 旁站监理记录是监理工程师或者总监理工程师依法行使有签字权的重要根据。对于需要旁站监理的关键部位、关键工序施工凡没有施行旁站监理或者没有旁站监理记录的监理工程师或者总监理工程师不得在相应上签字。在工程开工验收后监理企业应当将旁站监理记录存档备查。 5.1.16 建立工程平安监理工作程序制度: 1.按照?建立工程监理?和相关行业监理要求编制含有平安监理内容的监理规划和监理施行细那么。 2.在施工准备阶段审查核验施工提交的有关技术及资料并由工程总监在有关技术报审表上签署;审核未通过的平安技术措施及专项施工方案不得施行。 3.在施工阶段应对施工现场平安消费情况进展巡视检查对发现的平安事故隐患应书面施工并催促其立即整改;情况严重的应立即下达工程暂停要求施工停工整改并同时建立。平安事故隐患消除后应检查整改结果签署复查或复工。施工拒不整改或不停工整改的应当及时向工程所在地建立主部门或工程工程的行业主部门以 形式的应有通话纪录并及时补充书面。检查、整改、复查、等情况应记载在监理日志、监理月报中。 核查施工提交的施工起重机械、整体提升脚手架、模板等自升式架设设施和平安设施等验收纪录并由平安监理人员签收备案。 4.工程开工后应将有关平安消费的技术、验收记录、监理规划、监理施行细那么、监理月报、监理睬议纪要及相关书面等按规定立卷归档。 5.2监理工作流程框图 5.2.1 监理程序 组建监理班子进驻施工现场 编制工程监理规划和施行细那么 组织召开监理工作交底会 施行工程施工阶级监理 组织开工初验 协助建立组织开工验收 施工阶段监理工作总结 提交监理资料 编写工程质量评估 5.2.2材料核定流程 材料现场见证取样送检 进场申报〔附合格证及检测〕 监理审查 复验或重新采购 否 可 投入使用 5.2.3工序质量监理流程 施工准备:上道工序检查 本道工序准备 不 监理抽查 合 格 合格 工序施工 监理旁站、巡视 施工整改 施工自检 不 合格 填写工程质量报验单 合 格 监理检查、验收 合格 签认工程质量报验单 进入下道工序 中标书及施工合同 标前 工程量 企业资质证书 编制施工组织设计 理人员证书及到位情况 施工质保体系 机械设备到场情况 材料到场情况及材料试验 控制点复核及放样情况 5.2.4工程质量控制程序 施工开工准备工作 填写开工申请 整 改 监理审核开工条件 审核结果 否 可 建立下达开工 施工方各道工序〔分项工程〕完成 施工方各分项〔隐蔽〕工程自检 整 改 自检结果 否 可 填写各分项〔隐蔽〕工程质量报验单监理验收 监理现场检查 内业资料检查 审核结果 否 可 分项工程完成合格签认 汇总各分项〔隐蔽〕工程报验资料 分部、工程完成 施工提出工程交验申请 监理组织工程初验 整 改 外观检查 内业资料检查 实测实量 初验结果 否 建立组织验收 可 6、监理设施 施工提供现场。本监理部有办公桌椅两套、柜一个、电脑一台。易耗办公用品需要时到本领取。 7、履行监理平安责任 ?建立工程平安消费理?规定了工程监理和监理工程师应当按照法律、法规和工程建立强迫性施行监理并对建立工程平安消费承当监理责任。 7.1平安监理范围 ××路施工阶段施工现场范围的平安监理工作。 7.2工作内容 1、审查施工企业资质和平安消费答应证、特种作业人员考核合格证书及操作书。 2、审查施工平安消费保证体系、平安消费责任制、各项规章制度和平安监机构建立员装备情况。 3、审查施工企业应急救援预案和平安防护、文明施工措施费用使用方案情况。 4、审查施工组织设计中的平安技术措施或专项施工方案是否符合工程建立强迫性情况。 5、在施行监理过程现存在平安隐患时应当下达平安整改单要求施工整改;情况严重的应要求施工暂停施工并及时建立;施工拒不整改或不停顿施工的应及时向工程所在地建立行政主部门。 6、催促施工对施工用电、施工机械的使用和操作要严格执行技术规程和平安操作规程并有专人负责文明施工和平安消费工作。 7、催促施工在现场必须设有醒目的平安标志、标牌、警示灯及警示线。 8、审查工程经理和专职平安消费理人员是否具备合格资质是否与相一致。 9、监视施工按照施工组织设计中的平安技术措施和专项施工方案组织施工及时制止违规施工作业。 10、定巡视检查施工过程中的危险性较大工程作业情况。 11、检查施工现场各种平安标志和平安防护措施是否符合强迫性要求并检查平安消费费用的使用情况。 12、催促施工进展平安自查工作并对施工自查情况进展抽查参加建立组织的平安消费专项检查。 7.3工作程序 熟悉图纸等设计 〔承包方、监理机构〕 熟悉内外施工环境 编制含有平安监理内容的监理规划和监理施行细那么 承包方报验施工平安消费理体系资料、报验施工组织设计及专项方案 监理审核 批准开工 完善 否 可 开展现场平安工作 拒不执行 建立 汇报建立和工程所在地建立主部门 继续施工 开工后资料归档 发现平安事故隐患时 书面整改或暂停施工 隐患消除后 平安理工作程序 7.4制度措施 按制订的?建立工程平安监理工作程序制度?操作 建立和记好平安台帐做到每日巡视、每周检查、每月考核。现场监理各自理地段的平安工作由各现场监理负责。有情况及时向总监汇报。情况严重时直接向、建立和建立行政主部门汇报。 附表 监理人员理职能分配表 序 内 容 职 能 分 配 陈网铨 陈清 1 总要求 ▲ 2 控制 △ ▲ 3 记录控制 △ ▲ 4 质量目的 ▲ ▲ 5 监理规划 ▲ △ 6 监理施行细那么 △ ▲ 7 质量控制 ▲ ▲ 8 进度控制 ▲ △ 9 控制 ▲ △ 10 工作协调 ▲ △ 11 顾客满意 ▲ ▲ 12 测量控制 △ ▲ 13 材料控制 △ ▲ 14 施工过程控制 △ ▲ 15 工程验收及评定 ▲ ▲ 16 不合格工程控制 △ ▲ 17 数据分析 △ ▲ 18 整改措施 △ ▲ 19 预控措施 ▲ ▲ 说明:“▲〞表示主人;“△〞表示支持理
展开阅读全文

开通  VIP会员、SVIP会员  优惠大
下载10份以上建议开通VIP会员
下载20份以上建议开通SVIP会员


开通VIP      成为共赢上传

当前位置:首页 > 环境建筑 > 工程监理

移动网页_全站_页脚广告1

关于我们      便捷服务       自信AI       AI导航        抽奖活动

©2010-2025 宁波自信网络信息技术有限公司  版权所有

客服电话:0574-28810668  投诉电话:18658249818

gongan.png浙公网安备33021202000488号   

icp.png浙ICP备2021020529号-1  |  浙B2-20240490  

关注我们 :微信公众号    抖音    微博    LOFTER 

客服