收藏 分销(赏)

危险化学品安全评价现场检查表.doc

上传人:天**** 文档编号:10457390 上传时间:2025-05-28 格式:DOC 页数:21 大小:349.55KB 下载积分:10 金币
下载 相关 举报
危险化学品安全评价现场检查表.doc_第1页
第1页 / 共21页
危险化学品安全评价现场检查表.doc_第2页
第2页 / 共21页


点击查看更多>>
资源描述
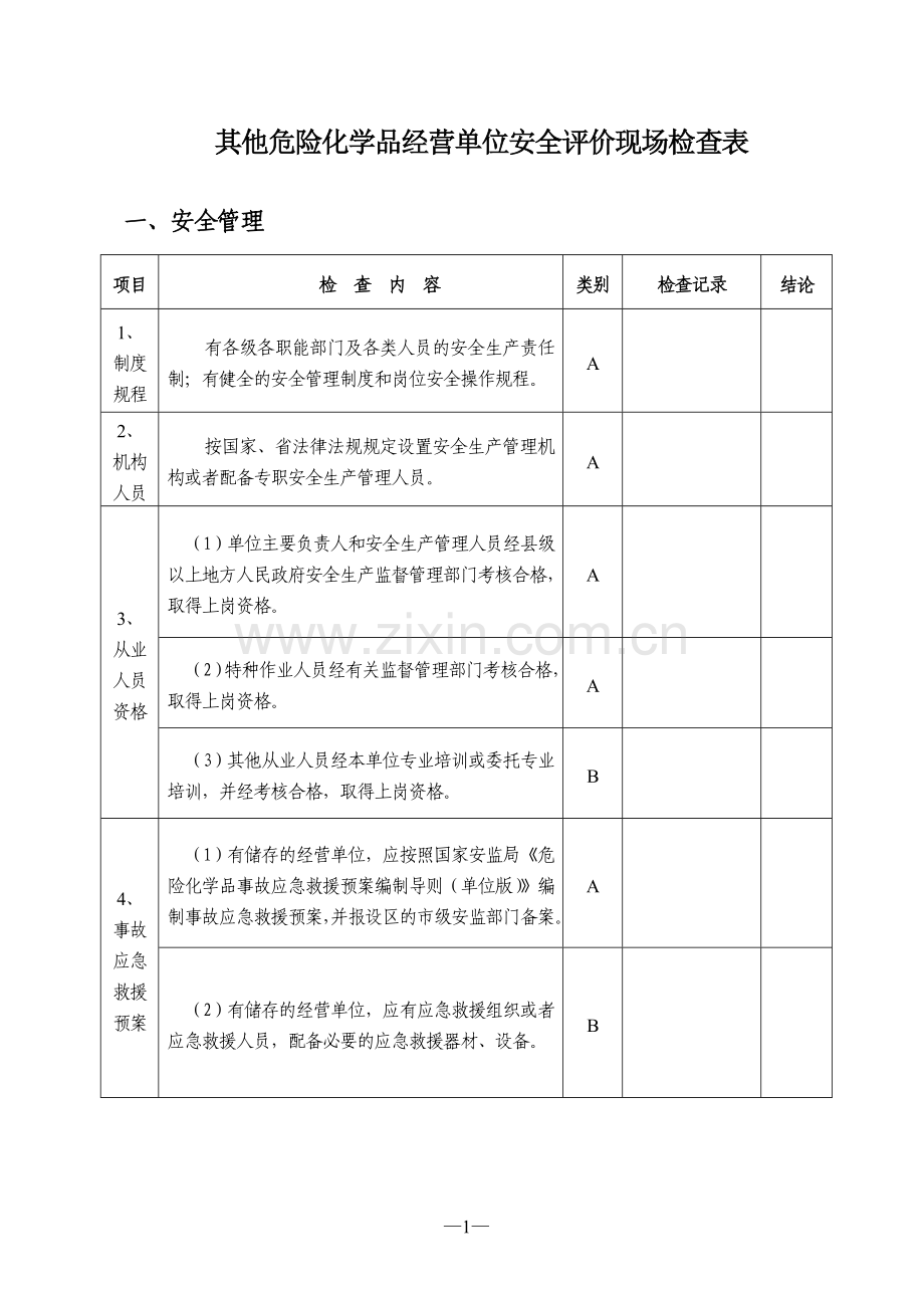
其他危险化学品经营单位安全评价现场检查表 一、安全管理 项目 检 查 内 容 类别 检查记录 结论 1、 制度规程 有各级各职能部门及各类人员的安全生产责任制;有健全的安全管理制度和岗位安全操作规程。 A 2、 机构人员 按国家、省法律法规规定设置安全生产管理机构或者配备专职安全生产管理人员。 A 3、 从业 人员 资格 (1)单位主要负责人和安全生产管理人员经县级以上地方人民政府安全生产监督管理部门考核合格,取得上岗资格。 A (2)特种作业人员经有关监督管理部门考核合格,取得上岗资格。 A (3)其他从业人员经本单位专业培训或委托专业培训,并经考核合格,取得上岗资格。 B 4、 事故应急救援预案 (1)有储存的经营单位,应按照国家安监局《危险化学品事故应急救援预案编制导则(单位版)》编制事故应急救援预案,并报设区的市级安监部门备案。 A (2)有储存的经营单位,应有应急救援组织或者应急救援人员,配备必要的应急救援器材、设备。 B 5、 重大危险源管理 构成重大危险源的应当采取下列监控措施: (1)建立运行管理档案,对运行情况进行全程监控; (2)定期对设施、设备进行检测、检验; (3)定期检查重大危险源的安全状态; (4)制定专门的应急救援预案,定期组织应急救援演练。 应当至少每半年向安全生产监督管理部门和其他有关部门报告重大危险源监控措施的实施情况。 A 6、 基础资料 (1)新建、改建、扩建的工程项目应有建设规划批文(或选址意见书)及土地使用手续。 A (2)新建、改建、扩建工程项目的安全设施,必须与主体工程同时设计、同时施工、同时投入生产和使用。 设计、施工单位应具有相应资质,设计、施工、验收文件资料齐全。 A (3)新建、改建、扩建的工程项目必须经公安消防部门验收合格。 A (4)防雷、防静电设施应由有资质的部门出具检测合格报告。 A (5)特种设备按国家有关规定检测、检验合格,并取得使用登记证。 A (6)安全阀、压力表等强制检测设备、设施应由有资质的部门出具检测合格报告。 A 7、 安全标志 经营、储存场所的安全警示标志应符合要求。 B 二、经营管理 项目 检 查 内 容 类别 检查记录 结论 1、 经营限制 (1)不得从未取得危险化学品生产许可证或者危险化学品经营许可证的企业采购危险化学品; 不得经营国家明令禁止的危险化学品和用剧毒化学品生产的灭鼠药以及其他可能进入人民日常生活的化学产品和日用化学品; 不得销售没有化学品安全技术说明书和化学品安全标签的危险化学品。 A (2)禁止经营《产业结构调整指导目录(2005年版)》中规定的淘汰产品、《禁止进口货物目录》和《禁止出口货物目录》中的危险化学品。 A (3)经营品种涉及监控化学品的,其经营活动应符合《监控化学品管理条例》的有关规定。 A (4)经营第二类、第三类非药品类易制毒化学品的,应按规定到安监部门备案。 B 2、 销售管理 (1)在日常销售活动中存在发货和装卸环节的经营单位,应按照省安监局《关于加强危险化学品从业单位销售危险化学品发货和装卸环节安全监管工作的通知》(鲁安监发[2005]81号)的规定建立资质查验、车辆安全状况查验、装卸安全操作、安全核准和登记等五项制度,并按要求填写《危险化学品装车查验、核准登记表》。 A (2)强腐蚀性化学品经营单位应建立销售台帐记录。记录内容必须符合《关于加强强腐蚀性危险化学品购用管理的通知》(安监管危化字[2004]164号)文件的有关规定,记录购买单位的名称、地址,购买人员的姓名、身份证号码、联系方式及所购强腐蚀性化学品的品名、数量和用途。 A (3)剧毒化学品经营单位应有销售台帐记录。记录内容应包括购买单位的名称、地址和购买人的姓名、身份证号码及所购剧毒化学品的品名、数量、用途。记录应当保存1年以上。 A (4)剧毒化学品经营企业应当每天核对剧毒化学品的销售情况;发现被盗、丢失、误售等情况时,必须立即向当地公安部门报告。 B (5)剧毒化学品经营企业销售时应查验购买凭证、准购证的合法性和有效性。不得向无购买凭证、准购证的单位销售剧毒化学品。严禁向个人出售农药、灭鼠药、灭虫药以外的剧毒化学品。 A 3、 其他要求 (1)剧毒化学品购买、运输必须符合《剧毒化学品购买和公路运输许可证件管理办法》的有关规定。 A (2)对剧毒物品的管理应执行"五双"制度,即:双人验收、双人保管、双人发货、双把锁、双本账。 A (3)储存单位应当将储存剧毒化学品以及构成重大危险源的其他危险化学品的数量、地点以及管理人员的情况,报当地公安部门和负责危险化学品安全监督管理综合工作的部门备案。 A (4)应使用定点企业生产的危险化学品包装物、容器。重复使用的危险化学品包装物、容器在使用前应当进行检查,并做好记录,检查记录保存2年。 B (5)危险化学品运输应由有危险货物运输资质的单位承运。 A (6)需要租赁储存场所存放危险化学品的,必须与出租方签订安全管理协议,认真履行各自的职责。 B (7)没有也不租赁储存场所从事批发业务的单位,不得将所经营的危险化学品存放在业务经营场所。 A 三、储存条件 分表1:零售店面安全检查表 项目 检 查 内 容 类别 检查记录 结论 1、经营场所选址 (1)经营场所应坐落在交通便利、便于疏散处。 B (2)应与繁华商业区或居住人口稠密区保持足够的安全距离,不得与居民楼、办公楼、宾馆等处在同一座建筑物内。 B 2、 零售店面 (1)只许经营除爆炸品、放射性物品、剧毒物品以外的危险化学品。 A (2)店面面积(不含库房)应能满足经营和安全需要,一般不应小于60m2。 B (3)只许存放民用小包装的危险化学品,其存放总质量不得超过1t。 A (4)危险化学品的摆放应布局合理,禁忌物料不能混放。综合性商场(含建材市场)所经营的危险化学品应有专柜存放。 A (5)应放置有效的消防、急救安全设施。 B (6)不得设有生活设施。 B 3、 备货库 (1)备货库(或罩棚)与零售业务的店面之间应有实墙相隔。单一品种存放量不能超过500kg,总质量不能超过2t。单独设置时应按“仓库安全检查表”进行检查。 A (2)应根据危险化学品的性质与禁忌分别采用隔离储存或隔开储存或分离储存等不同方式进行储存。 A (3)库存危险化学品的堆垛间距应符合:主通道不小于1.8m,支通道不小于0.8m,墙距不小于0.3m,柱距不小于0.1m,垛距不小于0.1m,顶距不小于0.5m;垛高一般不应高于3米。 B (4)备货库房应经公安消防部门验收合格。 A 分表2:仓库安全检查表 项目 检 查 内 容 类别 检查记录 结论 1、 选址与总图布置 (1)危险化学品大型仓库(库房或货场总面积大于9000m2)、中型仓库(库房或货场总面积在550m2~9000m2之间)以及储存数量构成重大危险源的小型仓库(库房或货场总面积小于550m2),周边安全防护距离必须符合《危险化学品安全管理条例》第十条的规定。 A (2)大、中型危险化学品仓库的库区和生活区之间应有2m以上的实体围墙,围墙与库区内建筑的距离不宜小于5m,并应满足围墙两侧建筑物之间的防火距离要求。 B (3)库房、货场的防火间距应符合《建筑设计防火规范》第四章第三节、第七节的规定。其中,甲类库房与重要公共建筑的防火间距不应小于50m,乙类库房(乙类6项物品除外)与重要公共建筑的防火间距不宜小于30m。 A (4)库房与铁路、道路的防火间距,应符合《建筑设计防火规范》第4.8.3条的规定。 A 2、 仓库建筑与采暖通风 (1)库房耐火等级、层数和建筑面积应符合《建筑设计防火规范》表4.2.1的要求。 A (2)甲、乙类物品的库房不应设在建筑物的地下室、半地下室。 A (3)甲、乙、丙类液体库房,应设置防止液体流散的设施。遇水燃烧爆炸的物品库房,应设有防止水浸渍损失的设施。 A (4)库房或每个防火隔间的安全出口数目不宜少于两个,但一座多层库房的占地面积不超过300m2时,可设一个疏散楼梯,面积不超过100m2的防火隔间,可设置一个门。 B (5)库房门应向外开或靠墙的外侧设推拉门,但甲类物品库房不应采用侧拉门。 B (6)仓库不得与员工宿舍在同一座建筑物内,并应当与员工宿舍保持安全距离。 甲、乙类库房内不应设置办公室、休息室。设在丙、丁类库房内的办公室、休息室,应采用耐火极限不低于2.5h的不燃体隔墙和1h的楼板隔开,其出口应直通室外或疏散走道。 A (7)仓库内因物品防冻必须采暖时,应采用水暖,热水采暖不应超过80℃,其散热器、供暖管道与储存物品的距离不小于0.3m,采暖管道和设备的保温材料必须采用非燃烧材料。不得采用蒸汽采暖和机械采暖。 B (8)仓库的通风和空气调节设施应符合有关规定。剧毒化学品仓库设置的通风设施应有必要的安全防护设施。 B (9)剧毒物品仓库宜设防盗门;如有窗户应设置高侧窗,并应加设铁护栏。 B 3、 储存管理 (1)危险化学品应根据其化学性质分区、分类、分库储存,禁忌物料不能混存。灭火方法不同的危险化学品不能同库储存。 A (2)剧毒品应专库贮存或存放在彼此间隔的单间内,需安装防盗报警器或监控装置(录像资料应至少保存一周),并24小时处于正常工作状态;有供对外报警、联络的通讯设备。 A (3)库存危险化学品的堆垛间距应符合:主通道不小于1.8m,支通道不小于0.8m,墙距不小于0.3m,柱距不小于0.1m,垛距不小于0.1m,顶距不小于0.5m;垛高一般不应高于3米。 B (4)危险化学品存放总量应与仓库储存能力适应,不超量储存。贮存量应符合《常用危险化学品贮存通则》第6.2条的规定。 B (5)桶装、瓶装甲类液体不应露天布置。 B (6)遇火、遇热、遇潮能引起燃烧、爆炸或发生化学反应,产生有毒气体的危险化学品不得在露天或在潮湿、积水的建筑物中贮存。 A (7)受日光照射能发生化学反应引起燃烧、爆炸、分解、化合或能产生有毒气体的危险化学品应贮存在一级建筑物中。其包装应采取避光措施。 A (8)爆炸物品不准和其他类物品同贮,必须单独隔离限量贮存,仓库不准建在城镇,还应与周围建筑、交通干道、输电线路保持足够的安全距离。 A (9)压缩气体和液化气体必须与爆炸物品、氧化剂、易燃物品、自燃物品、腐蚀性物品隔离贮存。易燃气体不得与助燃气体、剧毒气体同贮;氧气不得与油脂混合贮存。盛装液化气体的储罐属压力容器的,必须有压力表、安全阀、紧急切断装置,并定期检查,不得超装。 气瓶的储存管理应符合《气瓶安全监察规程》第九章的规定。 A (10)易燃液体、遇湿易燃物品、易燃固体不得与氧化剂混合贮存,具有还原性的氧化剂应单独存放。 A (11)有毒物品应贮存在阴凉、通风、干燥的场所,不应露天存放,不应接近酸类物质。 B (12)腐蚀性物品,包装必须严密,不允许泄漏,严禁与液化气体和其他物品共存。 A (13)甲、乙、丙类液体库房,应设置防止液体流散的设施。遇水燃烧爆炸的物品库房,应设有防止水浸渍损失的设施。 B (14)危险化学品出入库,必须进行核查登记。库存危险化学品应当定期检查。 A (15)进入贮存区域的人员、机动车辆和作业车辆,必须采取防火措施。 B (16)装卸、搬运危险化学品时应按有关规定进行,做到轻装、轻卸,严禁摔、碰、撞、击、拖拉、倾倒和滚动。 B 分表3:罐区安全检查表 项目 检 查 内 容 类别 检查记录 结论 1、 选址与总平面布置 (1)储存数量构成重大危险源的储罐区,周边安全防护距离必须符合《危险化学品安全管理条例》第十条的规定。 A (2)甲、乙、丙类液体储罐区与建筑物的防火间距,应符合《建筑设计防火规范》第4.4.2条规定。 A (3)甲、乙、丙类液体储罐与其泵房、装卸鹤管的防火间距,应符合《建筑设计防火规范》第4.4.9条的规定。 B (4)甲、乙、丙类液体装卸鹤管与建筑物的防火间距,应符合《建筑设计防火规范》第4.4.10条规定。 B (5)甲、乙、丙类液体罐组的专用泵(或泵房)均应布置在防火堤外。 A (6)罐组专用泵(或泵房)与罐壁之间的防火间距应符合《石油化工企业设计防火规范》表3.2.11注⑨的规定。 B (7)可燃、助燃气体储罐与建筑物、储罐、堆场的防火间距,应符合《建筑设计防火规范》第四章第五节的规定。 A (8)储罐区与铁路、道路的防火间距,应符合《建筑设计防火规范》第4.8.3条的规定。 A (9)可燃液体、液化烃的装卸设施应符合《石油化工企业设计防火规范》第五章第四节的规定。 B 2、 罐区布置与防火堤设置 (1)甲、乙、丙类液体储罐之间的防火间距应符合《建筑设计防火规范》第4.4.4条的规定。 A(B) (2)甲、乙、丙类液体储罐成组布置时应符合《建筑设计防火规范》第4.4.5条规定。 A(B) (3)可燃、助燃气体储罐之间的防火间距,应符合《建筑设计防火规范》第四章第五节的规定。 B (4)甲、乙、丙类液体的地上、半地下储罐或储罐组,应设置非燃烧材料的防火堤。防火堤的设置应符合《建筑设计防火规范》第4.4.6条规定。 B (5)闪点超过120℃的液体储罐、储罐区,桶装乙、丙类液体堆场,甲类液体半露天堆场可不设防火堤,但应设置非燃烧体材料的围堤防止液体流失。 B (6)沸溢性与非沸溢性液体储罐,地下储罐与地上、半地下储罐,液化烃储罐与可燃液体储罐,不应布置在同一防火堤范围内。 A (7)多品种的液体罐组内,应按下列要求设置隔堤: a)甲B、乙A类液体与其他类可燃液体储罐之间; b)水溶性与非水溶性可燃液体储罐之间; c)相互接触能引起化学反应的可燃液体储罐之间; d)助燃剂、强氧化剂及具有腐蚀性液体储罐与可燃液体储罐之间。 A (8)腐蚀品储罐应设置防护堤。 B (9)剧毒品储罐应设防护堤,堤内地面应进行防渗处理;罐区排水必须集中收集处理。 A 3、 工艺 设备设施 (1)储罐的设计、检测、维护保养应符合专业规范的规定。 B (2)甲B、乙类液体的固定顶储罐,应设置阻火器和呼吸阀。 A (3)各种承压储罐应符合有关压力容器的规定,其安全附件应完好。 A (4)可燃液体储罐的进料管,应从罐体下部接入,若必须从上部接入,应延伸至距罐底0.2m处。 A (5)甲B类液体固定顶罐或压力储罐,应设防日晒的固定式冷却水喷淋系统或其他防晒措施。 B (6)设有蒸汽加热器的储罐,应采取防止液体超温的措施。 B (7)可燃气体、助燃气体的水槽式储罐,应设上、下限位报警装置,并宜设进出管道自动联锁切断装置。 B (8)在可燃气体、助燃气体、液化烃和可燃液体的罐组内,不应布置与其无关的管道。 B (9)用于储存剧毒品的储罐应设专用防护围栏,围栏及进出口阀门应根据实际情况加装防盗、防破坏装置。 A 四、消防安全及电气设施 项目 检 查 内 容 类别 检查记录 结论 1、 消防措施 (1)仓库、储罐区应设消防车道或消防回车场地,并符合《建筑设计防火规范》第六章的规定。 A (2)根据经营规模的大小设置、配备足够的消防设施和器材,消防给水和灭火设备应符合《建筑设计防火规范》第八章的规定。灭火器配置应按现行国家标准《建筑灭火器配置设计规范》的有关规定执行。 A (3)消防设施、器材应有专人管理,确保完好有效,消防器材应设置在明显和便于取用地点,周围不准存放其他物品。 A (4)危险化学品仓库应设有消防、治安报警装置。有供对外报警、联络的通讯设备。 B 2、 安全防护措施 (1)有毒、有害工作场所,配置必要的现场急救用品,冲洗设备(如淋洗器、洗眼器等)。 B (2)按标准或者行业标准配备劳动保护用品。 B (3)散发可燃气体、可燃蒸汽的甲类场所,应设置可燃气体浓度报警仪;散发有毒气体的储存区域内,应按规范要求设置有毒气体检测报警仪。 B 3、 电气 设施 (1)仓库和罐区的电气装置必须符合《爆炸和火灾危险环境电力装置设计规范》的规定。 A (2)甲、乙类物品库房设置的电瓶车、铲车应是防爆型的。 A (3)甲类库房,甲、乙类液体储罐,可燃、助燃气体储罐与电力架空线的最近水平距离不应小于电杆(塔)高度的1.5倍,丙类液体储罐不应小于1.2倍。 A (4)仓库和罐区应有符合《建筑物防雷设计规范》、《石油化工企业设计防火规范》规定的防雷装置,并定期检测。 A (5)在爆炸、火灾危险环境内可能产生静电危害的设备、管道等应有符合相应规定的防静电措施,并定期检测。 A (6)库房内不准设置移动照明灯具,不准使用电炉、电烙铁、电熨斗等电热器具和电视机、电冰箱等家用电器。 A 注: ⒈ 类别栏标注“A”的,属否决项;类别栏标注“B”的,属非否决项。标注“A(B)”的:属本导则下发之日以后新建(含就地或异地迁建)、改建、扩建的经营单位按“A”;其他的按“B”。 ⒉ 符合安全要求的条件是:根据现场实际确定的检查项目,检查结果全部合格。 ⒊ 基本符合安全要求的条件是:根据现场实际确定的检查项目中,非否决项的检查结果5项以内(含5项)不合格,并且不超过实有非否决项总数的20%。 ⒋ 不符合安全要求的条件是:根据现场实际确定的检查项目中,有1项否决项不合格,或者非否决项的检查结果超过5项不合格,或者非否决项的检查结果未超过5项不合格、但超过实有非否决项总数的20%。 一般危险化学品安全评价现场检查表 项目 检 查 内 容 类别 检查记录 结论 基本条件 1、工商行政管理部门核发的营业执照或名称预先核准通知书。 A 2、没有也不租赁储存场所从事批发经营的承诺。 A 3、租赁经营场所经营危险化学品的,应持有租赁经营场所协议书。 B 4、综合性商场(不含建材市场)中租赁场所经营危险化学品的,应与综合性商场签订安全管理协议。 B 5、经营场所产权证明。 B 管理制度 1、消防安全管理制度。 A 2、应急措施。 A 3、安全教育培训制度。 B 4、安全检查制度。 B 安 全责任制 1、主要负责人安全生产职责。 A 2、安全管理人员安全生产职责。 A 3、其他人员安全管理职责。 B 从业人员 1、主要负责人安全资格证书或安全管理人员执业资格证书。 A 2、从业人员经本单位专业培训或委托专业培训,并经考核合格,取得上岗资格。 A 3、从事危险危险品零售人员了解所销售危险化学品基本特性。 B 安全管理 1、配备专、兼职的安全管理人员。 A 2、配备符合要求的消防器材。 A 3、应有针对性的应急措施。 A 4、不经营国家明令禁止的危险化学品和剧毒化学品生产的灭鼠药以及其他日用化学品。 A 5、应从取得安全生产许可证或危险化学品经营许可证的单位采购危险化学品。 A 6、应从取得农药生产许可证或农药生产批准文件的单位购买农药。 B 7、经营属于危险化学品的农药,应从取得安全生产许可证或危险化学品经营许可证的单位采购。 B 8、所经营危险化学品应有安全标签。 B 9、所经营危险化学品应有安全技术说明书。 B 经营场所 1、零售业务的店面只能存放民用小包装的危险化学品,其存放总质量不得超过1t。 A 2、零售业务的店面存放单一危险化学品的存放量不能超过0.5t。 A 3、没有也不租赁储存场所从事批发业务的单位,不得将经营的危险化学品存放在经营场所内。 A 4、零售业务的店面内不得设有生活设施。 A 5、危险化学品摆放布局合理,物料不能混放。 B 6、综合性商场(不含建材市场)中所经营的危险化学品应专柜存放。 B 7、有与零售业务相适应的店面(不含库房)。 B 8、建立基本的危险化学品购货、销售台帐。 B 9、有禁烟标志。 B 10、有禁火标志。 B 11、有安全警示标志。 B 说明:(1)类别栏标注“A”的属否决项;类别栏标注“B”的属非否决项。 (2)符合安全要求的条件是:根据现场实际确定的检查项目中,A项全部符合,且B项中不符合项不超过B项实际检查项数的10%(含10%)。 (3)不符合安全要求的条件是:经整改后A项中有不符合,或者B项的不符合项超过B项实际检查项数的10%。 检 查 结 论 汇 总 表 类 别 单 元 A项 B项 总项 检查项 符合 不符合 总项 检查项 符合 不符合 基本条件 2 3 管理制度 2 2 安全责任制 2 1 从业人员 2 1 安全管理 5 4 经营场所 4 7 合 计 17 18 附录B: 经营单位基本情况表 企 业 基 本 资 料 企 业 名 称 工商注册地址 经 营 地 址 主要负责人 安全负责人 从 业 人 数 安全管理人数 注册资本(万元) 固定资产(万元) 联 系 电 话 传 真 邮 政 编 码 企业网址 上年销售额(万元) 电子信箱 领 证 种 类 非法人单位 分公司□ 办事机构□ 特 别 类 型 个体工商户□ 百货商店(大市场)□ 企 业 类 型 国有□ 集体□ 股份制□ 私有(私营)□ 经 营 条 件 经营场所 地址 面积m2 产权 自有□ 租赁□ 承包□ 经营方式 批发□      零售□ 消防器材 消防设施 附录C: 危险化学品分类表 序号 品 名 所属类项 主要危险特性 CN编号 UN编号 附录D: 整 改 情 况 复 查 表 序号 存 在 问 题 整 改 要 求 整改期限 复查结果 评价单位检查人员(签字): 年 月 日 (单位盖章) 被评价单位主要负责人确认(签字): 年 月 日 (单位盖章) 附录C: (被评价单位) 安 全 评 价 报 告 主要负责人: 经 办 人: 联系电话: (被评价单位公章) 年 月 日 附录D: (被评价单位) 安 全 评 价 报 告 评价机构名称: 资质证书编号: 法定代表人: 审核定稿人: 评价负责人: (安全评价机构公章) 年 月 日 附录E: 安全评价工作人员组成 评价机构 名  称 评价资质 评价所在 机构地址 法定代表人 营业执照 号  码 报告审核人 评价项目 名  称 安全评价报告工作人员 姓 名 职 称 学习专业 资格证书号 签 字 安全评价报告编写人 参与安全评价专家 姓 名 职 称 学习或从事专业 签 字 —21—
展开阅读全文

开通  VIP会员、SVIP会员  优惠大
下载10份以上建议开通VIP会员
下载20份以上建议开通SVIP会员


开通VIP      成为共赢上传

当前位置:首页 > 包罗万象 > 大杂烩

移动网页_全站_页脚广告1

关于我们      便捷服务       自信AI       AI导航        抽奖活动

©2010-2025 宁波自信网络信息技术有限公司  版权所有

客服电话:0574-28810668  投诉电话:18658249818

gongan.png浙公网安备33021202000488号   

icp.png浙ICP备2021020529号-1  |  浙B2-20240490  

关注我们 :微信公众号    抖音    微博    LOFTER 

客服