收藏 分销(赏)

悬挑钢梁吊装施工方案.docx

上传人:精*** 文档编号:10203808 上传时间:2025-04-27 格式:DOCX 页数:12 大小:263.61KB 下载积分:8 金币
下载 相关 举报
悬挑钢梁吊装施工方案.docx_第1页
第1页 / 共12页
悬挑钢梁吊装施工方案.docx_第2页
第2页 / 共12页


点击查看更多>>
资源描述
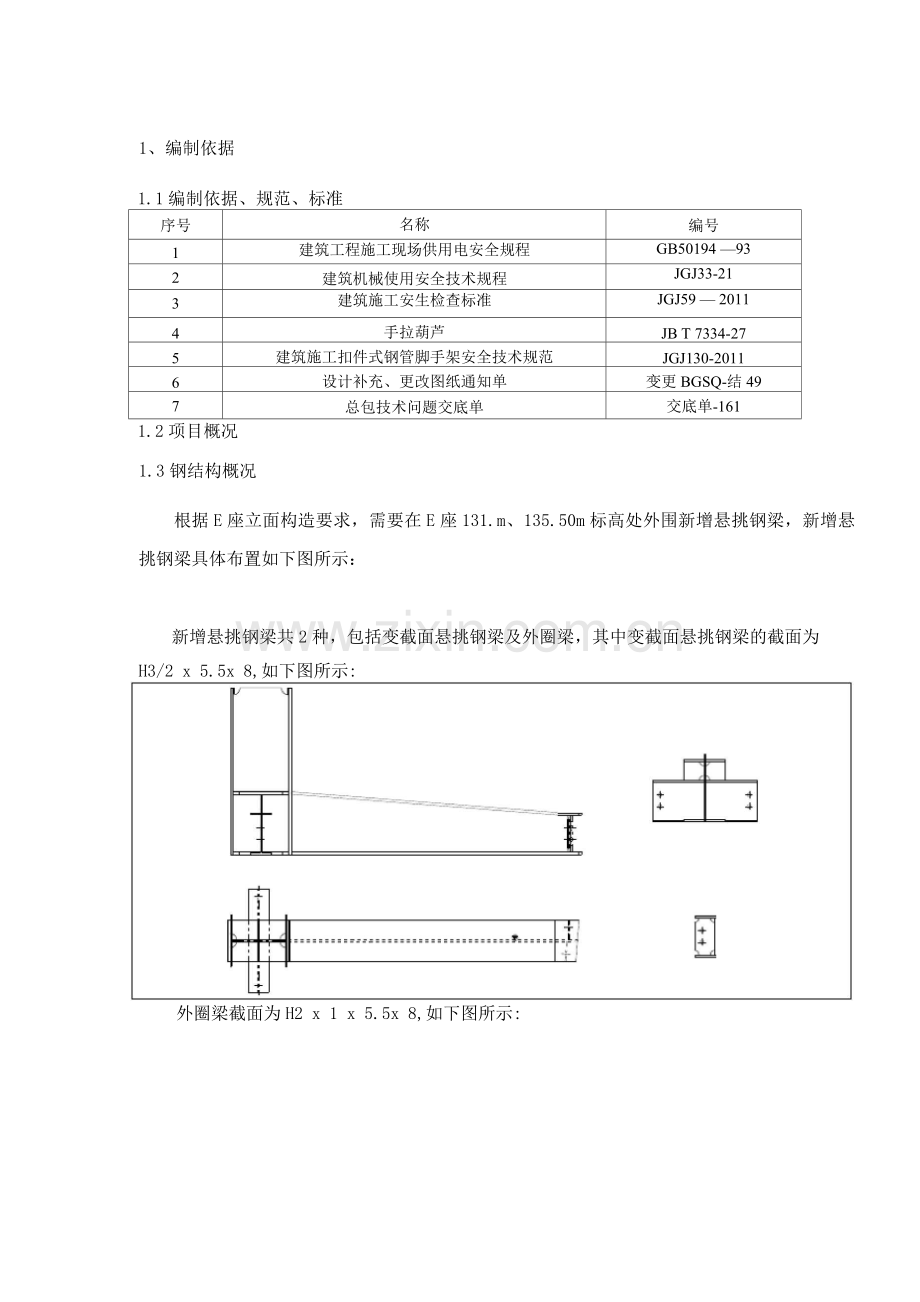
1、编制依据 1.1编制依据、规范、标准 序号 名称 编号 1 建筑工程施工现场供用电安全规程 GB50194 —93 2 建筑机械使用安全技术规程 JGJ33-21 3 建筑施工安生检查标准 JGJ59 — 2011 4 手拉葫芦 JB T 7334-27 5 建筑施工扣件式钢管脚手架安全技术规范 JGJ130-2011 6 设计补充、更改图纸通知单 变更BGSQ-结49 7 总包技术问题交底单 交底单-161 1.2项目概况 1.3钢结构概况 根据E座立面构造要求,需要在E座131.m、135.50m标高处外围新增悬挑钢梁,新增悬挑钢梁具体布置如下图所示: 新增悬挑钢梁共2种,包括变截面悬挑钢梁及外圈梁,其中变截面悬挑钢梁的截面为 H3/2 x 5.5x 8,如下图所示: 外圈梁截面为H2 x 1 x 5.5x 8,如下图所示: 新增悬挑钢梁最大长度约为最长31mm,最大单重约0.2吨,总重约为35t; 2、资源配置 2.1劳动力配置 2.2施工机具、材料配置 序号 设备名称 规格型号 数量 1 二氧化碳焊机 OTC-6 型 8台 2 角向磨光机 巾1 2只 3 手拉葫芦 2台 4 地牛叉车 5t 2台 5 水准仪 DSZ2 2套 6 全站仪 TC02 1套 7 对讲机 MOTO ROLA 8只 8 安全兜网 / 10 9 安全外挑网 4 10 立挂式安全网 15 序号 设备名称 规格型号 数量 11 临时用电电缆 / 1m 12 干粉灭火器 / 4只 13 25t汽车吊 1台 2.3钢管脚手架用量 序号 类型 规格 理论使用数量 备注 1 42m的水平通长杆 巾48.*3.6 84 2 9m立杆 巾48.*3.6 324 3 3m水平杆 巾48.*3.6 480 4 5m水平杆 巾 48.*3.6 192 5 2m斜撑杆 巾48.*3.6 252 理论需要巾48.3*3.6的脚手架钢管总长约为9348m,重量约为37吨; 3、施工总体思路 3.1施工概述 厦门东南航运中心£座钢结构主体以及核心筒已施工完成,且11#、12#、13#均塔吊已拆除,构件进场采用25t汽车吊卸料到首层楼层面,再由地牛和外部施工电梯将钢梁倒运至安装位置。悬挑钢梁的安装拟通过搭设脚手架操作平台配合使用手拉葫芦安装。 3.2施工流程图 吊装定位,焊接牢固,摘钩落索 4、 脚手架搭设 4.1脚手架搭设 脚手管选用外径48.3mm,壁厚3.6mm,钢材强度等级Q235-A,脚手架搭设结构形式:横向立杆间距为1.2m ;纵向立杆间距1.3m ;水平管步距根据现场实际如下图所示。脚手板设置在三根横向水平杆上,钢网片按图铺稳、满铺,施工区域脚手管需外伸2m做安全防护。脚手架从31层楼层面开始搭设,搭设F31~F33层两个楼层高度,高度约为9.5m,按布置图设置上下楼梯且需设置栏杆做好各项安全防护。 脚手架平面布置图 每隔四根立杆抱箍一次钢梁,抱箍形式如下图所示: 悬挑区域脚手架每隔四根立杆需与钢梁用20mm的钢丝绳进行反拉,使用U型扣进行卡死,钢丝绳长进短出,且U型环朝向需一致,如下图所示: 4.1.1、搭设工艺流程:测量放线一竖立管并同时安装扫地杆一搭设水平杆一搭设剪刀撑-铺脚手板-搭挡脚板和栏杆。 4.1.2、脚手架搭设标准:横平竖直,连接牢固,底脚着实,支撑挺直,通畅平坦,安全设施齐全、牢固。 4.1.3、脚手架主要受力杆件,如立杆、横杆和剪力撑等,在同一施工立面必须使用同一材质的材料。 4.1.4、脚手架的搭设顺序为:现场材料料及整理,立杆一横杆一剪刀撑一脚手板一满铺脚手板—栏杆—扎安全网。 4.1.5、每根立杆铺设时应准确的放在定位线上。为了保证脚手架的基础强度和平整度,垫层底部先清理干净,垫板采用1mmx1mm木板,垫于钢管底部。 4.2楼面转角圆弧处脚手架立杆悬空处理 利用10#槽钢搭接下一层的悬挑钢梁上,脚手架立杆顶住槽钢,同时立杆需与水平杆利用扣件连接,且需做斜撑,槽钢通过U型环与钢梁连接。 4.3脚手架检查与验收 1、脚手架搭设完毕,应按规定对脚手架工程的质量进行检查,经检查合格后方可交付使用。 2、装修架搭设好后,应由单位工程负责人组织技术安全人员进行检查验收。 3、验收时应具备下列文件: (1) 根据《建筑施工扣件式钢管脚手架安全技术规范》形成的施工组织设计文件; (2) 脚手架构配件的出厂合格证或质量分类合格标志; (3) 脚手架工程的施工记录及质量检查记录; (4) 脚手架搭设过程中出现的重要问题及处理记录, 4、脚手架工程的验收,除查验有关文件外,还应进行现场检查,检查应着重以下各项,并记入施工验收报告。 (1) 构配件和加固件是否齐全,质量是否合格,连接和挂扣是否紧固可靠; (4抛撑是否按要求搭设,脚手架在移动中及移动到施工位置后是否按要求恢复到原位; (5) 垂直度及水平度是否合格。 4.4脚手架使用安全技术措施 1、定期检查脚手架,发现问题和隐患,在施工作业前及时维修加固,以达到坚固稳定,确保施工安全。 2、脚手架严禁钢竹、钢木混搭,禁止扣件、绳索、铁丝、竹蔑、塑料蔑混用 3、脚手架搭设人员必须持证上岗,并正确使用安全帽、安全带、穿防滑鞋。 4、严禁脚手板存在探头板,铺设脚手板及作业时,应尽量使施工荷载内、外传递平衡。 5、保证脚手架体的整体性,不得与井架、升降机一并拉结,不得截断架体。 6、结构外脚手架每支搭一层,支搭完毕后,经项目部安全员验收合格后方可使用。任何班组长和个人,未经同意不得任意拆除脚手架部件。 7、严格控制施工荷载,脚手板不得集中堆料施荷,且每边均匀堆放,施工荷载不得大于2kN/m2,确保较大安全储备。 8、作业层设置可靠的防护栅栏、挡脚板,防止坠落物体伤人 4.5脚手架拆除安全技术措施 1、拆架前,全面检查拟拆脚手架,根据检查结果,拟订出作业计划,报请批准,进行技术交底后才准工作。作业计划一般包括:拆架的步骤和方法、安全措施、材料堆放地点、劳动组织安排等。 2、拆架时应将脚手架移动至人员较少的部位,周围设绳绑围栏或竖立警戒标志,地面应设专人指挥,禁止非作业人员进入。 3、拆架的高处作业人员应戴安全帽、系安全带、扎裹腿、穿软底防滑鞋。 4、拆架程序应遵守由上而下,先搭后拆的原则; 5、拆立杆时,要先抱住立杆再拆开最后两个扣,拆除大横杆、斜撑、剪刀撑时,应先拆中间扣件,然后托住中间,再解端头扣。 6、拆抛撑时,应用临时撑支住,然后才能拆除。 7、拆除时要统一指挥,上下呼应,动作协调,当解开与另一人有关的结扣时,应先通知对方,以防坠落。 8、拆架时严禁碰撞脚手架附近电源线,以防触电事故。 9、在拆架时,不得中途换人,如必须换人时,应将拆除情况交代清楚后方可离开。 10、拆下的材料要徐徐下运,严禁抛掷。运至地面的材料应按指定地点随拆随运,分类堆放,当天拆当天清,拆下的扣件和铁丝要集中回收处理。 12、输送至地面的杆件,应及时按类堆放,整理保养。 13、当天离岗时,应及时加固尚未拆除部分,防止存留隐患造成复岗后的人为事故。 14、如遇强风、雨、雪等特殊气候,不应进行脚手架的拆除,严禁夜间拆除。 5、钢结构吊装方法5.1施工机械机选择 根据构件的重量、提升高度,拟选用2台手拉葫芦。 5.2吊点设置 新增悬挑钢梁安装前需在上方结构钢梁上焊接吊耳板为手拉葫芦提供吊点。 5.3构件运输 新增悬挑钢梁进场后,首先通过汽车吊卸车,再由地牛和施工电梯将钢梁倒运至安装位置。 5.4钢梁的吊装 增悬挑钢梁安装前需在上方结构钢梁上焊接吊耳板为手拉葫芦提供吊点,使用手动葫芦进行吊装就位,校正后定位焊接牢固,落钩摘索。 钢梁吊装示意图 6、施工质量保证措施 6.1安装质量保证措施 6.1.1配备专门的验收人员对进场构件进行严格的检查验收,特别是影响钢结构安装的构件外形尺寸偏差以及连接方式等进行检查,对于超过设计及有关规范的构件必须处理后再予以安装。 6.1.2运输过程采取相应的防机械和涂层的损伤措施,减少不必要的修补,堆放场地保持整洁,安装前清除泥沙、油污等赃物。 6.1.3根据工程结构特点,采取合理、科学的施工方法和工艺,使安装质量的提高建立在科学可行的基础上。 6.1.4对计量器具定期检定,并保证期在检定有效期内使用,部分测量前期在使用前进行校准,并达到合格的要求,平常注意保养和保护。 6.1.5构件进厂应抽查测量,注意牛腿和节点安装孔的尺寸偏差,保证合格;现场安装前应核对两个搁置点的标高;现场安装时应认真调整连接处的高差,并临时固定。 6.2焊接质量保证措施 6.2.1认真审核图纸,符合钢材对焊材的匹配要求。加强培训,提高焊工造作技能。 6.2.2根据工件厚度正确使用焊接工艺参数,调整好电流大小,焊条焊丝)角度要正确,注意焊缝中心线,焊接中不应有洼陷;出现咬肉,浅的砂轮磨平,深的焊接修补。 6.2.3根据工件厚度正确使用焊接工艺参数,调整好电流大小,焊条焊丝)角度要正确。 6.2.4根据现场实际的测量成果确定合理的焊接顺序,利用焊接变形对安装进一步纠偏,使安装的精度进一步提高。 7、安全防护措施 1、安全绳 因新增挑梁全部为临边作业,且由于钢梁梁翼缘宽度有限,必须在主梁上方设置安全绳,安全绳采用68~10mm的镀锌钢丝绳。 2、安全挑网 因新增挑梁全部为高空施工,施工过程中高坠危险大,为保证施工的安全,需设置外挑安全网,挑网规格为3mx6m ,网格尺寸为30mmx30mm 。 3、做好个人安全防护措施,2米以上高空作业必须使用安全带,且系在牢固物体上。 4、高空作业和高空坠物防护措施 (1)高处作业时,工具应装入工具袋中,随取随用。 (2)高处作业时,拆下的小件材料不得随意往下抛掷。 (3)预防高空坠落措施,系好安全带在危险区域设置安全警示标志。 (4)高空作业和有毒气体作业环境设置安全防护用品标志。 (5)施工区域拉好警示线,布置安全标志,非施工人员不得擅自入内。 (6)同一区域尽量避免立体交叉施工,禁止在同一垂直面上同时作业。 (7)结构上尽量不要堆放无用的材料和废料,吊装使用的物料均应堆放平稳,不得妨碍通道的卸装。必要时予以固定。 (8)高空使用的连接紧固件应放入工具袋,小件工具如扳手、手锤等使用时用小绳栓在身上,手动、电动工具用绳索“生根” 一头固定可靠处,以免工具滑脱坠落。 (9)在高空安装构件时,经常使用撬杠校正构件的位置,撬杠必须设置防滑脱绳索避免高空坠落。 (10)高空作业的钢结构,走道、通道上,应随时清扫干净,不得随意堆放弃遗物及 废料、焊条等物料。 (11 )高空施工中严禁上下抛掷工具、材料。 (12) 危险作业区,吊装区域,拉上红白旗挂上警告牌以示警戒,禁止无关人员进入。 (13) 高空焊接气割必须采取托盘隔离措施以防大量火星及铁渣坠落。 (14) 地面操作人员应避免在高空作业的正下方停留或通过。
展开阅读全文

开通  VIP会员、SVIP会员  优惠大
下载10份以上建议开通VIP会员
下载20份以上建议开通SVIP会员


开通VIP      成为共赢上传

当前位置:首页 > 品牌综合 > 施工方案/组织设计

移动网页_全站_页脚广告1

关于我们      便捷服务       自信AI       AI导航        抽奖活动

©2010-2025 宁波自信网络信息技术有限公司  版权所有

客服电话:0574-28810668  投诉电话:18658249818

gongan.png浙公网安备33021202000488号   

icp.png浙ICP备2021020529号-1  |  浙B2-20240490  

关注我们 :微信公众号    抖音    微博    LOFTER 

客服