收藏 分销(赏)

铝模板设计计算书.docx

上传人:丰**** 文档编号:10107798 上传时间:2025-04-22 格式:DOCX 页数:7 大小:58.62KB 下载积分:6 金币
下载 相关 举报
铝模板设计计算书.docx_第1页
第1页 / 共7页
铝模板设计计算书.docx_第2页
第2页 / 共7页


点击查看更多>>
资源描述
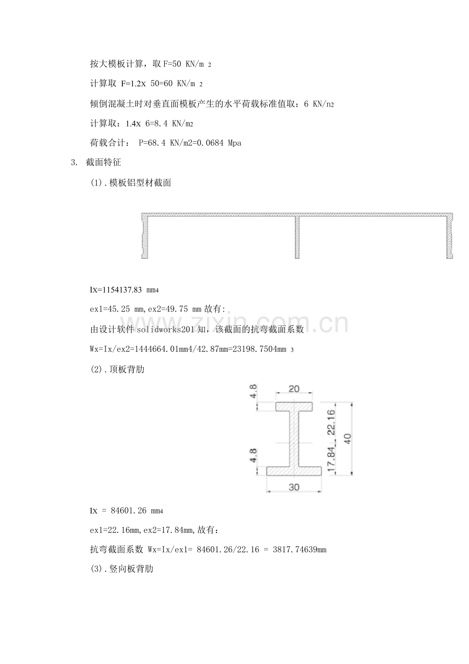
铝模板设计计算书 1. 材料性质 (1).铝合金部分:6061-T6 铝合金 GB/T 6892-26 弹性模量 E(Mpa ) 70x103 抗拉强度 a b (Mpa ) 260 许用弯曲应力 a s (Mpa ) 143-208 (0.55-0. 8) b 许用切应力 t( Mpa ) (0.6-0. 8 as (2).型钢部分 GB 517-23: Q235 (第 17 页-表 3.4.-1) 弹性模量 E=2050Mpa 强度设计值[o]=215Mpa 2. 荷载计算 (1) .参数说明: 针对本工程的铝合金模板体系计算,考虑剪力墙长方向尺寸,其墙体厚度按最大尺寸10mm计算,楼板厚度按150mm计算,其标准层高按2650mm(28 -150=2650mm)计算。 (2) .垂直荷载 模板自重标准值:250N/m2 新浇混凝土自重标准值:24 x 0.15x 10N/m2=2640 N/m 2 钢筋自重标准值:1.1x 0.15x 10N/m2=121N/m 2 施工活荷载标准值:25N/m2 跨中集中荷载:25N 两种情况考虑,则有 q1=0.9[1.2 x(250+2640+121)+1.4 x 25]x 0.45=2880.846N/m q1=0.9[1.35 x(250+2640+121)+1.4 x 0.7 x 25]x0.45 =2638.514N/m 根据以上两者比较应取q1=2880.846N/m作为设计依据 垂直方向均布荷载设计值: q=0.9[1.2 x(250+2640+121)+1.4 x 25]=6.40188N/m =0.640188 N/mm2 集中荷载设计值: 模板自重线荷载设计值:q2=0.9x 0.45x 1.2x 250 =121.5Nm 跨中集中荷载设计值P=0.9x 1.4x 25=3150N (3) .侧向荷载 按大模板计算,取F=50 KN/m 2 计算取 F=1.2x 50=60 KN/m 2 倾倒混凝土时对垂直面模板产生的水平荷载标准值取:6 KN/n2 计算取:1.4x 6=8.4 KN/m2 荷载合计: P=68.4 KN/m2=0.0684 Mpa 3. 截面特征 (1) .模板铝型材截面 Ix=1154137.83 mm4 ex1=45.25 mm,ex2=49.75 mm故有: 由设计软件solidworks201知,该截面的抗弯截面系数 Wx=Ix/ex2=1444664.01mm4/42.87mm=23198.7504mm 3 (2) .顶板背肋 Ix = 84601.26 mm4 ex1=22.16mm,ex2=17.84mm,故有: 抗弯截面系数 Wx=Ix/ex1= 84601.26/22.16 = 3817.74639mm (3) .竖向板背肋 23.66 - 26 34 50 Ix = 14.79 x 104 mm ex1=22.1mm,ex2=27.9mm,故有: 抗弯截面系数 Wx=Ix/ex2= 14.7X 104/27.9 = 5301.08mm (4) .支撑梁(龙骨) Ix = 668091.46 mm ex1 = 19.56, ex45.44mm,故有: 抗弯截面系数 Wx=Ix/ex2= 668091.46/45.44 =14702.72mm (5) .工具式立柱(支撑立柱) D=48mm t=3mm [a]=215Mpa (1) .楼面模板强度验算 施工荷载为均布线荷载: 最大弯矩为 M= q1L2/8=2880.846 x 1.352/8Nm=656.29Nm 施工荷载为集中荷载: 最大弯矩为: M=q2L/8+PL/4=121.5 x 1.352/8 +3150 x 1.35/4Nm=1090.81Nm 取弯矩值大者计算,则有: o=M/W=1090810/23198.7504mm3MPa=47.02MPa<[os] 强度设计要求 (2) .楼面模板挠度验算 验算挠度时不考虑可变荷载值,仅考虑永久荷载标准值,故作用效应的线荷载设计值如下: q=0.45 x(250+2640+121)=1354.95N/m =1.35495N/mm 按两端简支,受均布荷载计算有: 3 max=5qL4/384EI=[5 x 1.35495 x 124]/(384 x 7 x 1154137.83)mm=0.45mm<[3] =12/5mm=2.4mm 即挠度满足要求 (3) .楼面模板厚度验算 由该铝合金楼板模的结构可知,面板强度可按450 x 225的矩形平板周界固定,整个板面受均布荷载q的双向板计算,查《建筑工程模板施工手册》(第二版,中国建筑工业出版社出版)P513页表5-9-16,则有: Lx/ly=225/4=0.5,K3=0.258,Mx^ 0836, 取1mm宽的板条为计算单元,荷载为: q=2880.846/450 x 1=6.40188N/m=0.640188 N/mm MX= KMXqlY 2=0.0836 x 0.640188 x 42=85.632Nmm WX=ab 2/6=1x2/6=2.67 mm3 则:o=MX/WX=85.632/2.67=32.07 MPa<[ as] 强度满足要求. 面板挠度计算公式为:3max=KfqlY4/B0 B0=Eh 3/[12(-Y)]= 7 xM[12x(L3!)]= 410256.41 Nmm 3max=0.258 x 0.640188 x 2254/410256.41=0.1 mm <[w]= lY/5=225/5=0.4mm 挠度满足要求. (4) .楼面模板加强筋验算 由该铝合金楼板模的结构可知,加强筋间隔为450mm,按两 端简支计算,得其线荷载为q=0.640188x 450=2.88N/mm l=(4506-16)/2=214mm 故其最大弯矩为 Mmax=ql2/8=2.88 x 2142/8=16486.56Nmm 强度为 o=Mmax/Wx=16486.56/3817.74639=4.32Mpa<[ as] 强度满足要求。 挠度为 wmax=5qL4/384EI=5 x 2.56x 2144/ ( 384 x 7 x 84601.26) =0.012mm<[w] 挠度满足要求。 5. 竖向铝合金模板验算 (1).竖向模板强验算 选用模板最不利的板为下端第二行侧面方格,故选用225 x 450面板小方格中最不利情况计算,即三面固定,一面简支(短边)计算。 225 x 450面板小方格按三面固定,一面铰接双向板计算,由于Lx/Ly=225/450=0.5查《建筑工程模板施工手册》(第二版,中国建筑工业出版社出版)P513页表5-9-16,双向板在均布荷载作用下的内力及变形系数,得最大弯矩系数:KX0= -0.0836,最大挠度系数:Kf=0.258 取1mm宽的板条为计算单元,最大弯矩为: MX= KMXqlY 2=0.0836 x 0.0684 x 2=289.49Nmm WX=ab 2/6=1 x 42/6=2.67mm3 则:a=MX/WX=289.49/2.67=108.42 Mpa<[ a] 强度满足要求. wmax=Kwql4/B0 B0=Eh 3/[12(-Y)]= 7 xM[12x(L3!)]=410256.41Nmm l=225-11=214mm 故650间隔对拉螺栓满足要求. 6. 支撑系统计算 (1) .撑梁验算 支撑梁按简支梁计算: 支撑梁最长长度为l=1350mm 得线荷载 q=0.640188x 125=0.8N/mm 最大弯矩 M max=ql2/8=182303.54Nmm 故其强度为 o=M max/Wx=182303.54/14702.72=12.40Mpa<b] 强度满足要求。 挠度为 wmax=5ql 4/384EI=5x 0.8x 13504/ ( 384 x 7 x 668091.46) =0.74mm<[ w]=1350/5=2.7mm 故挠度满足要求。 (2) .工具式立柱(顶撑)验算 由前述计算可知,工具式立柱(顶撑)承受的最大压力为: 荷载 q=6.40188kN/m2 按一个顶撑1350 x 1350平方计算 P =6.40188 x 1.35 x 1.35=11.67KN 需要对其抗压强度和压杆稳定性进行验算。 下面先进行压杆稳定性进行验算。 查《机械设计手册》(第五版,第1卷,成大先主编,化学工业出版社出版) P1-168 页表 1-1-119 得 o=P/^A < op A= n(D 2-d2)/4=1801.575mm2 e查《机械设计手册》(第五版,第1卷,成大先主编,化学工业出版社出 版)P1-169 页表 1-1-121 得入=^ l/min=0.699x 2650/11.98=154.62 查得e为 0.18 o=P/eA=11.67 x 10/ ( 0.18x 1801.575) =35.99Mpa < [o]=215Mpa 计算结果表明,不会发生压杆失稳现象。 下面进行插销抗剪计算: 插销抗剪,依据规范公式: N < 2Anfbv 式中,An—钢插销抗剪强度设计值,取140M/mm 2 fbv--冈插销的净截面面积,=154mm 2 N=P=11.67KN < N 3=2Anfbv =2x154x140=43120N=43.12KN 满足强度要求。 插销处钢管壁抗剪强度计验算: 容许抗剪力 N 4=F 2A=305x2x3x14=25620N=25.62KN > N=P=11.67KN 计算结果表明,铝合金模板工具式立柱支撑体系下的梁板混凝土施工过程中,工具式立柱支撑杆件截面强度满足规范要求,不会发生压杆失稳现象,不会发生荷载过大失效。 综上述全部计算结果,我们可知,该工程采用的铝合金模板体系是完全满足相应规范要求的强度标准,完全满足该工程施工需要。加之我司在厦门万科华府使用铝模板施工的经验,完全有把握控制好铝模板的各项施工。
展开阅读全文

开通  VIP会员、SVIP会员  优惠大
下载10份以上建议开通VIP会员
下载20份以上建议开通SVIP会员


开通VIP      成为共赢上传

当前位置:首页 > 包罗万象 > 大杂烩

移动网页_全站_页脚广告1

关于我们      便捷服务       自信AI       AI导航        抽奖活动

©2010-2026 宁波自信网络信息技术有限公司  版权所有

客服电话:0574-28810668  投诉电话:18658249818

gongan.png浙公网安备33021202000488号   

icp.png浙ICP备2021020529号-1  |  浙B2-20240490  

关注我们 :微信公众号    抖音    微博    LOFTER 

客服