收藏 分销(赏)

存货盘点管理制度-仓库物料分类-盘点方法及注意事项.doc

上传人:精**** 文档编号:10089395 上传时间:2025-04-21 格式:DOC 页数:2 大小:30.54KB 下载积分:5 金币
下载 相关 举报
存货盘点管理制度-仓库物料分类-盘点方法及注意事项.doc_第1页
第1页 / 共2页
存货盘点管理制度-仓库物料分类-盘点方法及注意事项.doc_第2页
第2页 / 共2页
本文档共2页,全文阅读请下载到手机保存,查看更方便
资源描述
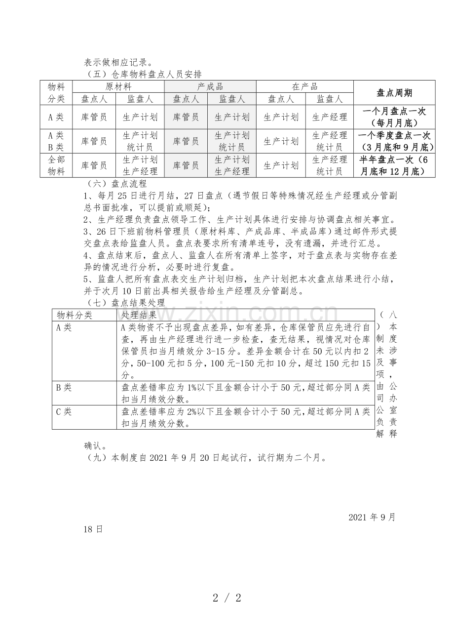
存货盘点管理制度 一、 目的 为加强公司存货资产管理,保障公司存货资产的安全性、完整性、准确性,及时、真实地反映公司存货资产的结存及利用状况,使公司存货资产的盘点更加规范化、制度化,为公司销售、生产计划及财务成本核算提供依据,根据公司实际情况,特制定本制度。 二、 范围 所有库存物料(产成品、原材料、在产品)。 三、 责任人 库房管理员、生产计划、生产经理、统计员。 四、 内容 (一)盘点工作的主要要求: 1、 盘点实际物料数量与账目、库存卡片是否相符; 2、 检查实际物料的质量有无变化,保管条件是否符合该物料保存的要求; 3、 盘点库存不合格品、残次品、报废品实际数量与账目是否相符; 4、 仓库的各种安全措施、卫生管理和消防设施是否符合公司规定; 5、 有关改进工作的建议。 (二)仓库物料盘点分类 根据物料进出的频率及重要性,将物料分为四大类:A类(常用)、B类(不常用)、C类(呆滞料)具体分类如下: 原材料 产成品(在产品) A类 出入库频率较高的物料,每月都有入库或领用的情况发生且单价在2元或2元以上的 A类 库存在半年以内且数量在50或50个以上 B类 B1:出入库频率较低且库存在半年以内的物料 B2:出入库频率较高的物料,每月都有入库或领用的情况发生且单价在2元以下的 B类 B1:库存在半年至一年之间或在半年以内数量小于50的产成品 B2:库存时间超过一年且总金额大于或等于5万元的产成品 C类 基本不出库,在库时间6个月以上的物料 C类 基本不出库,在库时间1年以上且总金额小于5万元的产成品 (三)仓库物料盘点周期计划 原材料 产成品 在产品 盘点周期 A类 A类 A类 一个月盘点一次 B类 B类 B类 一个季度盘点一次 C类 C类 半年盘点一次 (四)盘点方法及注意事项 1、盘点采用实盘实点方式,禁止目测数量、估计数量。 2、盘点时注意物料的摆放,盘点后需要对物料进行整理,保持原来的或合理的摆放顺序。 3、盘点人员各自负责区域内物料需要全部盘点完毕并按要求(在物料卡和盘点表示做相应记录。 (五)仓库物料盘点人员安排 物料分类 原材料 产成品 在产品 盘点周期 盘点人 监盘人 盘点人 监盘人 盘点人 监盘人 A类 库管员 生产计划 库管员 生产计划 生产计划 生产经理 一个月盘点一次(每月月底) A类 B类 库管员 生产计划 统计员 库管员 生产计划 统计员 生产计划 生产经理 统计员 一个季度盘点一次(3月底和9月底) 全部物料 库管员 生产计划 生产经理 库管员 生产计划 生产经理 生产计划 生产经理 统计员 半年盘点一次(6月底和12月底) (六)盘点流程 1、每月25日进行月结,27日盘点(遇节假日等特殊情况经生产经理或分管副总书面批准,可以提前或顺延); 2、生产经理负责盘点领导工作、生产计划具体进行安排与协调盘点相关事宜。 3、26日下班前物料管理员(原材料库、产成品库、半成品库)通过邮件形式提交盘点表给监盘人员。盘点表要求所有清单连号,没有遗漏,并进行汇总。 4、盘点结束后,盘点人、监盘人在所有清单上签字,对于盘点表与实物存在差异的情况进行分析,必要时进行复盘。 5、监盘人把所有盘点表交生产计划归档,生产计划把本次盘点结果进行小结,并于次月10日前出具相关报告给生产经理及分管副总。 (七)盘点结果处理 物料分类 处理结果 A类 A类物资不予出现盘点差异,如有差异,仓库保管员应先进行自查,再由生产经理进行进一步检查,查无结果,视情况对仓库保管员扣当月绩效分3-15分。差异金额合计在50元以内扣2分,50-100元扣5分,100元-150元扣10分,超过150元扣15分。 B类 盘点差错率应为1%以下且金额合计小于50元,超过部分同A类扣当月绩效分数。 C类 盘点差错率应为2%以下且金额合计小于50元,超过部分同A类扣当月绩效分数。 (八)本制度未涉及事项,由公司办公室负责解释确认。 (九)本制度自2021年9月20日起试行,试行期为二个月。 2021年9月18日 2 / 2
展开阅读全文

开通  VIP会员、SVIP会员  优惠大
下载10份以上建议开通VIP会员
下载20份以上建议开通SVIP会员


开通VIP      成为共赢上传

当前位置:首页 > 应用文书 > 规章制度

移动网页_全站_页脚广告1

关于我们      便捷服务       自信AI       AI导航        抽奖活动

©2010-2026 宁波自信网络信息技术有限公司  版权所有

客服电话:0574-28810668  投诉电话:18658249818

gongan.png浙公网安备33021202000488号   

icp.png浙ICP备2021020529号-1  |  浙B2-20240490  

关注我们 :微信公众号    抖音    微博    LOFTER 

客服