收藏 分销(赏)

电子料仓库收货流程-仓库的收货、检验、入库等操作.doc

上传人:精**** 文档编号:10068450 上传时间:2025-04-20 格式:DOC 页数:2 大小:264.04KB 下载积分:5 金币
下载 相关 举报
电子料仓库收货流程-仓库的收货、检验、入库等操作.doc_第1页
第1页 / 共2页
电子料仓库收货流程-仓库的收货、检验、入库等操作.doc_第2页
第2页 / 共2页
本文档共2页,全文阅读请下载到手机保存,查看更方便
资源描述
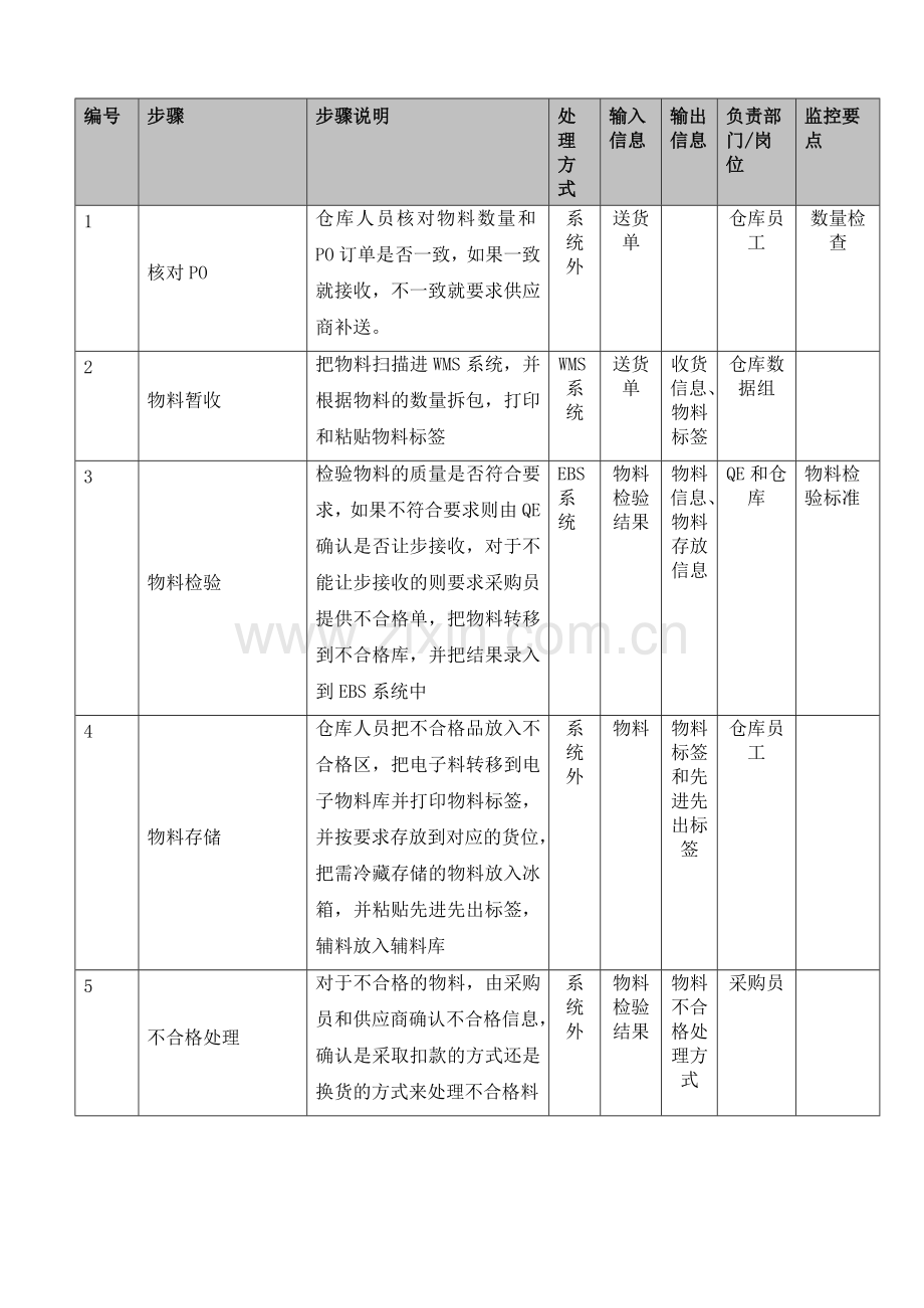
PCBA电子料仓库收货流程  (一) 流程图 (二) 流程概要 流程目的 描述仓库从收货、检验、入库以及异常处理的整个过程。 适用范围 仓库收货流程适用于仓库的收货、检验、入库等操作 流程描述 以下是对仓库收货流程的简要描述: 编号 步骤 步骤说明 处理方式 输入信息 输出信息 负责部门/岗位 监控要点 1 核对PO 仓库人员核对物料数量和PO订单是否一致,如果一致就接收,不一致就要求供应商补送。 系统外 送货单 仓库员工 数量检查 2 物料暂收 把物料扫描进WMS系统,并根据物料的数量拆包,打印和粘贴物料标签 WMS系统 送货单 收货信息、物料标签 仓库数据组 3 物料检验 检验物料的质量是否符合要求,如果不符合要求则由QE确认是否让步接收,对于不能让步接收的则要求采购员提供不合格单,把物料转移到不合格库,并把结果录入到EBS系统中 EBS系统 物料检验结果 物料信息、物料存放信息 QE和仓库 物料检验标准 4 物料存储 仓库人员把不合格品放入不合格区,把电子料转移到电子物料库并打印物料标签,并按要求存放到对应的货位,把需冷藏存储的物料放入冰箱,并粘贴先进先出标签,辅料放入辅料库 系统外 物料 物料标签和先进先出标签 仓库员工 5 不合格处理 对于不合格的物料,由采购员和供应商确认不合格信息,确认是采取扣款的方式还是换货的方式来处理不合格料 系统外 物料检验结果 物料不合格处理方式 采购员
展开阅读全文

开通  VIP会员、SVIP会员  优惠大
下载10份以上建议开通VIP会员
下载20份以上建议开通SVIP会员


开通VIP      成为共赢上传

当前位置:首页 > 包罗万象 > 大杂烩

移动网页_全站_页脚广告1

关于我们      便捷服务       自信AI       AI导航        抽奖活动

©2010-2026 宁波自信网络信息技术有限公司  版权所有

客服电话:0574-28810668  投诉电话:18658249818

gongan.png浙公网安备33021202000488号   

icp.png浙ICP备2021020529号-1  |  浙B2-20240490  

关注我们 :微信公众号    抖音    微博    LOFTER 

客服